第四講 利用Boost和Buck-Boost實現LED驅動
發布時間:2009-08-17
不管我們是否要控製輸出電壓或輸出電流,Boost調節器都要比Buck調節器更難設計。持續導通狀態(CCM)Boost轉換器中的平均感應電流等於負載電流(LED電流)乘以1/(1-D),這裏D是占空度。Boost電壓調節器需要設計者考慮到輸入電壓的限製來保證電感的正確設計,特別是額定峰值電流。
LED光源生產商和設計者經常會提到固態發光的應用最明顯的優勢就像是“樹上掛得很低的水果”。例如花園路徑照明或者MR16杯燈常常隻需要一些甚至隻要一個LED。
對於低壓照片來說,最通用的電壓是12VDC、24VDC和12VAC。這些應用常常要用到一個Bulk調節器。雖然如前所述,Bulk是首選,但是在LED照明應用中,隨著LED數量的增加,Boost調tiao節jie器qi也ye得de到dao了le越yue來lai越yue多duo的de應ying用yong。設she計ji者zhe們men不bu再zai滿man足zu於yu手shou電dian筒tong或huo者zhe單dan個ge杯bei燈deng應ying用yong,而er把ba目mu光guang投tou到dao大da尺chi寸cun通tong用yong照zhao明ming和he達da到dao幾ji千qian流liu明ming的de照zhao明ming係xi統tong。例li如ru街jie燈deng、公寓和商業照明、體育場照明和建築內外裝飾照明。

圖1:帶有Vo計算的Bulk和BoostLED驅動:buck:VO=nxVF,VO<VIN;boost:VO=nxVF,Vo>VIN。
仍然需要常電流
如同線性和Buck衍生LED驅動一樣,BoostLED驅動設計中的主要技術挑戰是要給陣列中的每個LED提供一個可控前向電流IF。理想狀態下,每個LED都有安裝一個單組鏈來確保通過每個設備的電流都相同。當需要把輸入DC電壓提升到一個高DC輸出電壓的時候,Boost調節器是最簡單的選擇,因為它允許在給定電壓下串聯更多的LED。
通用照明係統設計者通常需要把線路電壓設計成110VAC或者220VAC。如果功率因數校正(PFC)、隔離和線路諧波濾波都不需要的話,那麼單級非隔離轉換器(buck,boost,或各種buck-boost拓撲)就可以使用AC電壓的校正輸出來直接驅動長串的串接LED。
然而,在很多情況下,我們需要使用一個中間DC總線電壓,它是由一個采用了通用AC輸入並且PFC、隔離和濾波的AC/DC調節器產生的。包括法律要求在內,一個低中間電壓總線降低了電介質擊穿和電弧問題,使維修人員的的工作更安全。
歐盟提出了世界上最嚴格的法律規定:任何高於25瓦的光源都要具有PFC。沒有幾年,北美和亞洲也做出了同樣的規定。諸如UL和CE這樣的安全標準電氣規定限製了供給boostLED驅動的AC/DC供電輸出電壓。通常電壓規定為12和24V,有時是48V。這些中間電壓總線很少超過60V,也就是ULClass2定為DC電壓的最高值。
Boost調節器
不管我們是否要控製輸出電壓或輸出電流,Boost調節器都要比Buck調節器更難設計。持續導通狀態(CCM)Boost轉換器中的平均感應電流等於負載電流(LED電流)乘以1/(1-D),這裏D是占空度。Boost電壓調節器需要設計者考慮到輸入電壓的限製來保證電感的正確設計,特別是額定峰值電流。
BoostLED驅qu動dong加jia了le一yi個ge可ke變bian輸shu出chu電dian壓ya,這zhe個ge電dian壓ya影ying響xiang了le占zhan空kong比bi,因yin此ci也ye影ying響xiang了le主zhu電dian感gan器qi的de電dian感gan值zhi和he額e定ding電dian流liu。為wei了le避bi免mian電dian感gan飽bao和he,最zui大da平ping均jun值zhi和he電dian流liu峰feng值zhi必bi須xu由youVIN-MIN和VO-MAX同時求出。例如,曆數加工、驅動電流和模具溫度,一個標準的白InGaNLED的VF可以從3V變到4V。串聯的LED越多,VO-MIN和VO-MAX的間距就越大。
不同於帶有輸出電感的Bulk調節器,Boost轉換器有一個非持續輸出電流。因此,輸出電容需要輸出電壓要持續(輸出電流也如此)。這裏,電壓調節器中的輸出電容被設計成兼有濾波器並且在負載瞬變時可以保持輸出電壓,在電流調節中,它隻是起到了類似一個AC電流濾波器的作用。電容值要盡量低,並且要與所期望的LED波動電流保持一致。輸出電容越小(同時也可以盡量降低成本和大小),轉換器對輸出電流的回應就越快,這樣LED的調光反應就越好。
Boost轉換器的另外一個嚴峻挑戰是控製環。Buck調節器允許電壓模式的PWM控製、峰值電流模式的PWM控製、constant/controlledon-time以及其它的滯後控製。注意到處於CCM的Boost調節器(低功率、便攜設備除外)的右半平麵零和在控製開關關閉的時候還在向輸出供電的特性,它們幾乎被限定在峰值電流模式PWM控製。要設計一個控製輸出電流的BoostLED驅動,控製環必須要把LED看作是負載來分析,這與Boost電壓調節器的典型負載非常不同。
在峰值電流模式控製中,負載阻抗對DC增益和控製到輸出轉換函數的低頻極點有很大影響。對電壓調節器來說,負載阻抗由輸出電壓與輸出電流的比值來決定。LED是個擁有動態電阻的二極管。這個動態電阻隻能通過做出VF(IF)曲線,然後用切線來找到希望的前向電流的斜率來決定。如圖1所示,電流調節器使用負載本身來作為反饋分頻器來閉環。這就使DC增益降低了(RSNS/(RSNS+rD))倍。
我們趨向於用一個簡單的積分器犧牲穩定帶寬來補償BoostLED驅動。事實上是大多數或者說許多LED驅動應用需要調光。無論調光是通過IF的線性調節(模擬調光)來完成,還是通過高頻打開或切斷輸出(數字或PWM調光)來實現,係統都需要像電壓調節器實現的高帶寬和快速瞬變回應。
Buck-boost調節器
照明用LED的開發要比固態光源標準的發展快得多。大量不同種類的LED擁有很多不同的供電電壓。串聯的LED的數目、種類及其不同的加工和模具溫度都產生了不同的輸出電壓。
例如,高端汽車正在過渡到利用LED來作為日間行駛燈。三個3瓦白色LED組成了一個12V1A的負載。汽車電壓係統通常需要持續工作於9到16V,並且可以延伸到6到42V,使係統可以無損運行,但是其性能可能要有折扣。通常來說,Buck調節器是最好的LED驅動器,其次是Boost,但是在這個應用中,他們沒有優劣之分。如果一定要用Buck-boost調節器,最難的決定就是采用哪種拓撲。
任何拓撲的Buck-boost調節器和Buck調節器或Boost調節器的最基本的區別是Buck-boost從來沒有把輸入供電直接連接到輸出。在一部分轉換環中,Buck和Boost調節器把VIN連接到VO(通過電感和開關/二極管),這個直連使它們更有效率。
所有的Buck-boost都把所有要傳送給負載的能量儲存或者磁場(電感或變壓器)或者電場(電容)中zhong,這zhe樣yang就jiu導dao致zhi了le電dian源yuan轉zhuan換huan中zhong的de高gao峰feng值zhi電dian流liu或huo者zhe更geng高gao電dian壓ya。特te別bie的de一yi點dian是shi要yao考kao慮lv在zai輸shu入ru電dian壓ya和he輸shu出chu電dian壓ya的de拐guai角jiao,因yin為wei峰feng值zhi轉zhuan換huan電dian流liu發fa生sheng在zaiVIN-MIN和VO-MAX,但是峰值轉換電壓發生在VIN-MAX、VIN-MAX和VO-MAX。一般來說,這意味著擁有一個這樣的輸出功率的Buck-boost調節器要比一個同樣輸出功率的Buck或Boost調節器更大且效率更低。
單電感Buck-boost可以像Buck或Boost調節器一樣組建,使它在係統成本的角度來講很吸引人。這種拓撲的一個缺點是Vo被反置(圖2a)或者以VIN為參照(圖2b)。測平移動或者反偏電路必須要用一些轉換器。像boost轉換器,它們有一個不連續輸出電流,並且需要一個輸出電容來維持一個持續LED電流。功率MOSFET要承受一個峰值為IIN加上IF的電流還有一個峰值為VIN加上VO的電壓。

圖2:高端buck-boost(a);低端buck-boost(b)。
其它拓撲
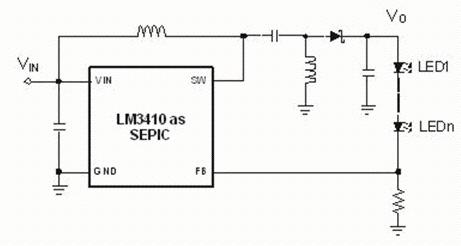
SEPIC轉換器擁有連續輸入電流的優點,這個連續輸入電流是由輸入電感和正輸出電壓產生的。像boost和單電感buck-boost,它們需要一個輸出電容來維持一個平滑LED電流。另外一個SEPIC轉換器的優點是幾乎任何一個低端調節器或者控製器都可以被設置成為一個毋需反偏或測平移動電路的SEPIC。

圖3:SEPICLED驅動。
很少被用作電壓調節的Cuk轉換器作為LED驅動而嶄露頭角。輸入和輸出電流都是連續的。輸出電壓的極性就像高端buck-boost一樣被反置,但是輸出電容像buck轉換器一樣被消除。除Buck-boost和boost以外,Cuk是擁有這種能力的唯一的實用型非隔離調節器。

圖4:Cuk調節器。
由於Boost和Buck-boost調節器的高度複雜性及其外圍電路、低效(特別是Buck-boost)和控製拓撲的選擇不足,致使它們都不是轉換LED驅動的首選。但是它們都是LED越來越多的照明應用必不可少的。某些係統結構可以用buck或者甚至是線性以調節器為基礎的LED驅動來替代。比如類似於街燈的大型光源需要一百甚至更多的1W+LED。一般來說,針對通用照明的LED從低功耗走向高功耗,並且在其中間舞台,比如汽車前燈和小型光部件,boost和buck-boost調節器代表了常電流驅動的最佳選擇。
去LED照明電源社區看看
- 噪聲中提取真值!瑞盟科技推出MSA2240電流檢測芯片賦能多元高端測量場景
- 10MHz高頻運行!氮矽科技發布集成驅動GaN芯片,助力電源能效再攀新高
- 失真度僅0.002%!力芯微推出超低內阻、超低失真4PST模擬開關
- 一“芯”雙電!聖邦微電子發布雙輸出電源芯片,簡化AFE與音頻設計
- 一機適配萬端:金升陽推出1200W可編程電源,賦能高端裝備製造
- 邊緣AI的發展為更智能、更可持續的技術鋪平道路
- 每台智能體PC,都是AI時代的新入口
- IAR作為Qt Group獨立BU攜兩項重磅汽車電子應用開發方案首秀北京車展
- 構建具有網絡彈性的嵌入式係統:來自行業領袖的洞見
- 數字化的線性穩壓器
- 車規與基於V2X的車輛協同主動避撞技術展望
- 數字隔離助力新能源汽車安全隔離的新挑戰
- 汽車模塊拋負載的解決方案
- 車用連接器的安全創新應用
- Melexis Actuators Business Unit
- Position / Current Sensors - Triaxis Hall



