負電壓電源設計的種類
發布時間:2018-09-07 責任編輯:wenwei
【導讀】各位工程師在設計電路時,可能會遇到需要負電壓供電的係統,例如使用負電壓為IGBT提供關斷負電壓、運放係統中用正負對稱的偏置電壓供電。那麼該如何產生一個穩定可靠的負電壓呢?本文將為你介紹不同的解決方案。
fudianyashejigenjubutongdefuzaidianliuyouhenduobutongfangan,yixiashigeichujizhongmuqianshimianbijiaochangjiandefudianyafangan,keyigenjubutongchangheshiyongheshidefangan。
一、工頻變壓器輸出正負電壓

圖1 工頻變壓器正負輸出電源
各位工程師看到圖1的電路是否有很強的親切感,是否能想起大學時接觸電子設計時的情景?此經典電路優點比較明顯,電路結構簡單、極低幹擾噪聲、穩定性好;同時此電路也有缺點,輸入交流電範圍窄(一般是220VAC±5%),體積重量大;雖然此電路缺點明顯目前還有一些應用采用此方案設計。此方案主要是利用變壓器產生負電壓在通過線性穩壓器7905進行穩壓。
二、電源模塊輸出負電壓
由(you)於(yu)電(dian)子(zi)元(yuan)件(jian)製(zhi)造(zao)工(gong)藝(yi)技(ji)術(shu)越(yue)來(lai)越(yue)好(hao),能(neng)量(liang)損(sun)耗(hao)越(yue)來(lai)越(yue)低(di),這(zhe)樣(yang)一(yi)來(lai)越(yue)來(lai)越(yue)有(you)利(li)於(yu)電(dian)源(yuan)的(de)模(mo)塊(kuai)化(hua)發(fa)展(zhan)。而(er)且(qie)在(zai)設(she)計(ji)上(shang)也(ye)能(neng)做(zuo)到(dao)小(xiao)型(xing)化(hua),輕(qing)型(xing)化(hua)設(she)計(ji)。
1、非隔離負壓輸出負電壓

圖2 非隔離穩壓輸出模塊

圖3 非隔離模塊的正輸出與負輸出接法
如圖3所示,此電源模塊應用與常用的LM7805類似,而且不需要安裝散熱片。如上圖,我們需要正負電壓給運放等供電時,隻需要兩個E78xxOS-500電源即可實現。
2、隔離電源模塊輸出正負電壓

圖4 隔離電源模塊正負雙路輸出

圖5 E_URADD-6W電源典型應用
在電力、工業、通(tong)訊(xun)等(deng)對(dui)抗(kang)幹(gan)擾(rao)性(xing)能(neng)要(yao)求(qiu)較(jiao)高(gao)的(de)場(chang)合(he),一(yi)般(ban)需(xu)要(yao)對(dui)電(dian)源(yuan)進(jin)行(xing)隔(ge)離(li)處(chu)理(li)來(lai)隔(ge)離(li)從(cong)總(zong)電(dian)源(yuan)端(duan)的(de)幹(gan)擾(rao)。此(ci)種(zhong)應(ying)用(yong)時(shi)如(ru)果(guo)需(xu)要(yao)用(yong)到(dao)負(fu)電(dian)壓(ya),可(ke)以(yi)直(zhi)接(jie)采(cai)用(yong)隔(ge)離(li)電(dian)源(yuan)模(mo)塊(kuai)直(zhi)接(jie)輸(shu)出(chu)正(zheng)負(fu)電(dian)壓(ya)給(gei)係(xi)統(tong)供(gong)電(dian)。
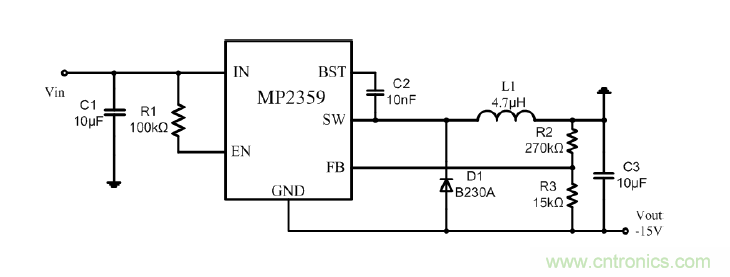
三、Buck-Boost拓撲設計輸出負電壓
除了采用隔離模塊方案,我們還可以選擇芯片自己設計負壓電路,此處我們介紹一下較容易設計的非隔離負壓輸出Buck-Boost電路。如圖6此電路隻需要主控芯片、電感、電容等芯片,目前MPS的DC-DC電源芯片都支持Buck-Boost的設計結構,可以根據不同輸出電流選擇合適型號。

圖6 Buck-Boost拓撲原理
從圖6的拓撲中可以看出輸入電壓與輸出電壓極性是相反的,因此Buck-Boost拓撲結構又簡稱為倒相拓撲。圖7是采用MP2359DT設計的-15V電源電路,MP2359DT是采用SOT23-6的封裝,整個電路占用PCB麵積較小。

圖7 MP2359負電壓輸出電路
四、總結
負電壓設計方案多種多樣,哪一個方案適合你的設計,還是需要綜合考慮不同應用、不同技術要求而定。
推薦閱讀:
特別推薦
- 噪聲中提取真值!瑞盟科技推出MSA2240電流檢測芯片賦能多元高端測量場景
- 10MHz高頻運行!氮矽科技發布集成驅動GaN芯片,助力電源能效再攀新高
- 失真度僅0.002%!力芯微推出超低內阻、超低失真4PST模擬開關
- 一“芯”雙電!聖邦微電子發布雙輸出電源芯片,簡化AFE與音頻設計
- 一機適配萬端:金升陽推出1200W可編程電源,賦能高端裝備製造
技術文章更多>>
- 貿澤EIT係列新一期,探索AI如何重塑日常科技與用戶體驗
- 算力爆發遇上電源革新,大聯大世平集團攜手晶豐明源線上研討會解鎖應用落地
- 創新不止,創芯不已:第六屆ICDIA創芯展8月南京盛大啟幕!
- AI時代,為什麼存儲基礎設施的可靠性決定數據中心的經濟效益
- 矽典微ONELAB開發係列:為毫米波算法開發者打造的全棧工具鏈
技術白皮書下載更多>>
- 車規與基於V2X的車輛協同主動避撞技術展望
- 數字隔離助力新能源汽車安全隔離的新挑戰
- 汽車模塊拋負載的解決方案
- 車用連接器的安全創新應用
- Melexis Actuators Business Unit
- Position / Current Sensors - Triaxis Hall
熱門搜索
Future
GFIVE
GPS
GPU
Harting
HDMI
HDMI連接器
HD監控
HID燈
I/O處理器
IC
IC插座
IDT
IGBT
in-cell
Intersil
IP監控
iWatt
Keithley
Kemet
Knowles
Lattice
LCD
LCD模組
LCR測試儀
lc振蕩器
Lecroy
LED
LED保護元件
LED背光



