有關數字隔離器的七大設計問題
發布時間:2019-05-20 來源:德州儀器Luke Trowbridge 責任編輯:wenwei
【導讀】您是否正在搜尋有關數字隔離器的更多信息?我們將為您提供幫助。根據 TI E2E™ 社區的反饋,我們搜集並整理了關於數字隔離器設計攻關的最常見問題清單。希望這份清單能為您提供隔離信號與電源的有用見解。
1.基礎型和增強型數字隔離器至簡的區別是什麼?
基礎型數字隔離器必須根據組件級標準,通過一套測試,如 Deutsches Institut für Normung (DIN) V Verband der Elektrotechnik, Elektronik und Informationstechnik (VDE) V 0884-11。DIN V VDE V 0884-11 定義了隔離器可以耐受的電壓水平,比如最大浪湧隔離電壓,VIOSM;最大瞬態隔離電壓,VOITM;及最大重複峰值隔離電壓,VIORM(參見白皮書“高壓增強型隔離:定義與測試方法”中的解釋)。增強型數字隔離器,除通過這些測試外,還必須通過最小浪湧電壓測試等級 10,000 VPK.測試。
2.能為數字隔離器兩端施加不同的電壓嗎?
可(ke)以(yi)。數(shu)字(zi)隔(ge)離(li)器(qi)可(ke)以(yi)在(zai)建(jian)議(yi)的(de)工(gong)作(zuo)條(tiao)件(jian)下(xia)為(wei)設(she)備(bei)兩(liang)端(duan)供(gong)電(dian)。由(you)於(yu)隔(ge)離(li)勢(shi)壘(lei)隔(ge)離(li)了(le)兩(liang)端(duan),每(mei)端(duan)均(jun)可(ke)在(zai)建(jian)議(yi)的(de)工(gong)作(zuo)條(tiao)件(jian)下(xia)獨(du)立(li)施(shi)加(jia)任(ren)意(yi)電(dian)壓(ya)值(zhi)。舉(ju)例(li)來(lai)說(shuo),可(ke)以(yi)為(wei) ISO7721 施加 3.3 V VCC1(在 2.25 V - 5.5 V 之間)和 5 V VCC2(也在 2.25 V - 5.5 V 之間)。除構建隔離外,通過這種方法,您還可以把數字隔離器用作邏輯電平轉換器。隔離器兩端相互獨立。
3.數字隔離器信號電壓可以異於它的電源電壓嗎?
不能。數字隔離器的輸入/輸(shu)出(chu)信(xin)號(hao)電(dian)壓(ya)取(qu)決(jue)於(yu)它(ta)的(de)電(dian)源(yuan)電(dian)壓(ya)。因(yin)此(ci),如(ru)果(guo)要(yao)使(shi)數(shu)字(zi)隔(ge)離(li)器(qi)兼(jian)容(rong)它(ta)所(suo)對(dui)接(jie)的(de)設(she)備(bei),最(zui)好(hao)是(shi)保(bao)持(chi)信(xin)號(hao)電(dian)壓(ya)與(yu)隔(ge)離(li)器(qi)電(dian)源(yuan)電(dian)壓(ya)相(xiang)同(tong)。例(li)如(ru),如(ru)果(guo) ISO7721 的電源電壓為 5 V,它對接微控製器(MCU),那麼很重要的一點就是 MCU 信號也工作在 5V 邏輯電平。
4.無輸入信號的數字隔離器的邏輯狀態是什麼?
如果數字隔離器的輸入通道無電壓或者說引腳保留為浮置,它相應的輸出引腳為預定義狀態(稱為默認狀態或故障保護狀態),可能為低,也可能為高,這取決於所選的設備。設備部件編號的後綴“F”,指示該隔離器輸出通道的默認狀態。例如,ISO7721DWR 中沒有 F,則表示該設備的默認狀態為高。同樣的,ISO7721FDWR 中有 F,則表示該設備的默認狀態為低。
5.能把數字隔離器沒用的通道引腳保留為浮置嗎?
不能。數字隔離器未用通道的輸入引腳可出於測試目的保留為浮置,但在應用中,浮置未用引腳會導致產品的抗噪度下降。
浮置的引腳尤其當係統進行電磁兼容性(EMC)/免疫測試時,更易於拾取噪音。為使係統對此種噪音免疫,最佳做法是將通道輸入鎖定在各自的默認邏輯狀態。
例如,對於 ISO7721DWR 來說,最佳做法是將不用的信號輸入引腳通過上拉電阻連接到它的 VCC(首選 4.7-kΩ 電阻)。對於 TI ISO7721FDWR,最好是將不用的信號輸入引腳接至它的接地引腳。對於這兩種設備,所有不用通道的輸出引腳最好都不要連接。
6.如何確定數字隔離器的功耗?
您可以根據其數據表列出的規格來計算數字隔離器的功耗。找到與輸入電壓(2.5 V、3.3 V 和 5 V)對dui應ying的de電dian源yuan電dian流liu特te性xing表biao。在zai這zhe個ge表biao格ge中zhong,找zhao到dao最zui接jie近jin於yu您nin的de應ying用yong信xin號hao速su度du的de數shu據ju傳chuan輸shu率lv。數shu據ju表biao中zhong將jiang列lie出chu針zhen對dui該gai特te定ding數shu據ju傳chuan輸shu率lv的de電dian流liu消xiao耗hao,分fen別bie作zuo為wei隔ge離li勢shi壘lei各ge端duan的de電dian流liu(ICC1 和 ICC2)。將(jiang)這(zhe)兩(liang)個(ge)電(dian)流(liu)值(zhi)相(xiang)加(jia),您(nin)將(jiang)獲(huo)得(de)工(gong)作(zuo)條(tiao)件(jian)下(xia)的(de)設(she)備(bei)總(zong)電(dian)流(liu)消(xiao)耗(hao)。用(yong)這(zhe)個(ge)總(zong)電(dian)流(liu)消(xiao)耗(hao)除(chu)以(yi)數(shu)字(zi)隔(ge)離(li)器(qi)的(de)通(tong)道(dao)數(shu),就(jiu)得(de)到(dao)了(le)每(mei)個(ge)通(tong)道(dao)的(de)電(dian)流(liu)消(xiao)耗(hao)。某(mou)些(xie)數(shu)據(ju)表(biao)還(hai)分(fen)別(bie)提(ti)供(gong)每(mei)個(ge)通(tong)道(dao)的(de)總(zong)供(gong)電(dian)電(dian)流(liu)。例(li)如(ru),ISO7041 數據表顯示了每通道參數總供電電流下的典型電流消耗為 4.2 µA,它是 ICC1(ch) 與 ICC2(ch) 電流的和。
7.如何為數字隔離器構造隔離型電源?
為數字隔離器構造隔離型電源有幾種可選的方法;最佳解決方案須視具體的應用需要而定。
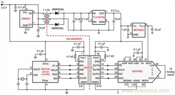
一個選擇是使用 TI SN6501這樣的變壓器驅動器,此種驅動器可用於具有次級側變壓器和可選整流低壓差穩壓器的推挽式配置(圖 1)。SN6501的功率高達1.5 W,kezuoweigelixingdianyuan。cishebeijuyougaodulinghuoxing,jihukeyongzaisuoyouyingyongzhong。zheshiyinweibianyaqihezashubinengweidianyuantigongbiyaodegelidengjiheshuchudianya。ruguoninxuyaoweiqitashebeitigonggelidianyuan,zekeshiyong SN6505x 而不是 SN6501,獲得高達 5 W 的輸出功率。SN6505 具有額外的保護特性,例如過載和短路、熱關斷、軟啟動和壓擺率控製等,方便設計人員構築穩健的解決方案。

圖 1:運用 SN6501 構建 ISO7741 的隔離型電源
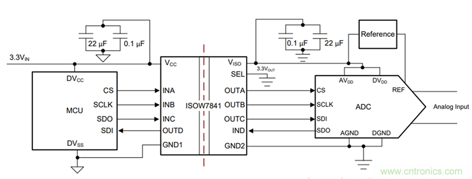
另一個針對空間受限應用的可選方法是ISOW78xx係列設備,包括 ISOW7841,該係列可在 16 引腳小型塑封集成電路封裝中提供信號和電源隔離。如圖 2 所示,這種組合占空間小;不需要變壓器,也易於通過認證。

圖 2:運用 ISOW7841 通過集成信號和電源打造數字隔離器
推薦閱讀:
特別推薦
- 噪聲中提取真值!瑞盟科技推出MSA2240電流檢測芯片賦能多元高端測量場景
- 10MHz高頻運行!氮矽科技發布集成驅動GaN芯片,助力電源能效再攀新高
- 失真度僅0.002%!力芯微推出超低內阻、超低失真4PST模擬開關
- 一“芯”雙電!聖邦微電子發布雙輸出電源芯片,簡化AFE與音頻設計
- 一機適配萬端:金升陽推出1200W可編程電源,賦能高端裝備製造
技術文章更多>>
- 一秒檢測,成本降至萬分之一,光引科技把幾十萬的台式光譜儀“搬”到了手腕上
- AI服務器電源機櫃Power Rack HVDC MW級測試方案
- 突破工藝邊界,奎芯科技LPDDR5X IP矽驗證通過,速率達9600Mbps
- 通過直接、準確、自動測量超低範圍的氯殘留來推動反滲透膜保護
- 從技術研發到規模量產:恩智浦第三代成像雷達平台,賦能下一代自動駕駛!
技術白皮書下載更多>>
- 車規與基於V2X的車輛協同主動避撞技術展望
- 數字隔離助力新能源汽車安全隔離的新挑戰
- 汽車模塊拋負載的解決方案
- 車用連接器的安全創新應用
- Melexis Actuators Business Unit
- Position / Current Sensors - Triaxis Hall
熱門搜索
按鈕開關
白色家電
保護器件
保險絲管
北鬥定位
北高智
貝能科技
背板連接器
背光器件
編碼器型號
便攜產品
便攜醫療
變容二極管
變壓器
檳城電子
並網
撥動開關
玻璃釉電容
剝線機
薄膜電容
薄膜電阻
薄膜開關
捕魚器
步進電機
測力傳感器
測試測量
測試設備
拆解
場效應管
超霸科技




