在提高精度和延長運行時間的同時提高電池安全性的下一代電池監控器
發布時間:2020-03-02 來源:Terry Sculley 責任編輯:wenwei
【導讀】近年來,諸如吸塵器、電動工具(如鑽頭、鋸子和螺絲刀)和園藝工具(如割草機、修邊機和草坪拖拉機)等deng消xiao費fei品pin已yi從cong依yi靠kao繩sheng索suo和he牆qiang壁bi供gong電dian轉zhuan變bian為wei無wu繩sheng設she備bei和he充chong電dian電dian池chi供gong電dian。即ji使shi是shi以yi前qian沒mei有you動dong力li的de自zi行xing車che,現xian在zai也ye在zai向xiang電dian池chi驅qu動dong的de電dian動dong自zi行xing車che和he電dian動dong摩mo托tuo車che轉zhuan變bian。
這些電池組通常由單塊鋰離子電池、lijuhewudianchihuolinsuanlidianchigoucheng,ruguoshiyongbudangkenenghuizaochengweixian,congerdaozhihuozaihuobaozha。weiquebaodianchideanquanshiyong,dianchizuneidedianziqijianduidianchijinxingjiankong,shidianchijinzaidianchizhizaoshangguidingdetiaojianxiayunxing。zhexietiaojiantongchangbaokuo:
● 最大允許充電電壓
● 最大充放電電流
● 規定的充放電溫度範圍
因此,測量電池組內的關鍵參數至關重要,尤其是電池組內電池電壓、電流和溫度,因為這些參數超過極限值時,將會觸發適當的保護措施。
測量數據必須準確,以便設計人員決定在設計中包含多少裕度。例如,如果電池規格將全充電電壓限製為4.3V,但測量數據的精度為±50 mV,則設計人員必須將係統配置為在測量顯示電壓高於4.25V時禁用充電。但是,由於實際電池電壓可能低至4.2V,在這種情況下,充電會在電池充滿電之前停止,從而導致應用容量的浪費和電池壽命縮短。
BQ76942和BQ76952等電池組的高精度電池監視器和保護器專為使用鋰離子、鋰聚合物或磷酸鋰電池的應用設計。這些設備支持從3s到10s(BQ76942)和16s(BQ76952)的串聯電池組,可以測量電池電壓、電流和溫度,並可以與其他電路共享數據,例如電池組中的獨立微控製器或電動自行車中的係統控製器。BQ76942和BQ76952還(hai)可(ke)以(yi)使(shi)用(yong)數(shu)據(ju)自(zi)動(dong)觸(chu)發(fa)電(dian)池(chi)保(bao)護(hu),禁(jin)用(yong)電(dian)池(chi)組(zu)以(yi)避(bi)免(mian)超(chao)出(chu)製(zhi)造(zao)商(shang)規(gui)範(fan)運(yun)行(xing),並(bing)在(zai)條(tiao)件(jian)允(yun)許(xu)時(shi)重(zhong)新(xin)啟(qi)用(yong)電(dian)池(chi)組(zu),無(wu)論(lun)是(shi)否(fou)與(yu)主(zhu)機(ji)或(huo)係(xi)統(tong)微(wei)控(kong)製(zhi)器(qi)交(jiao)互(hu)。
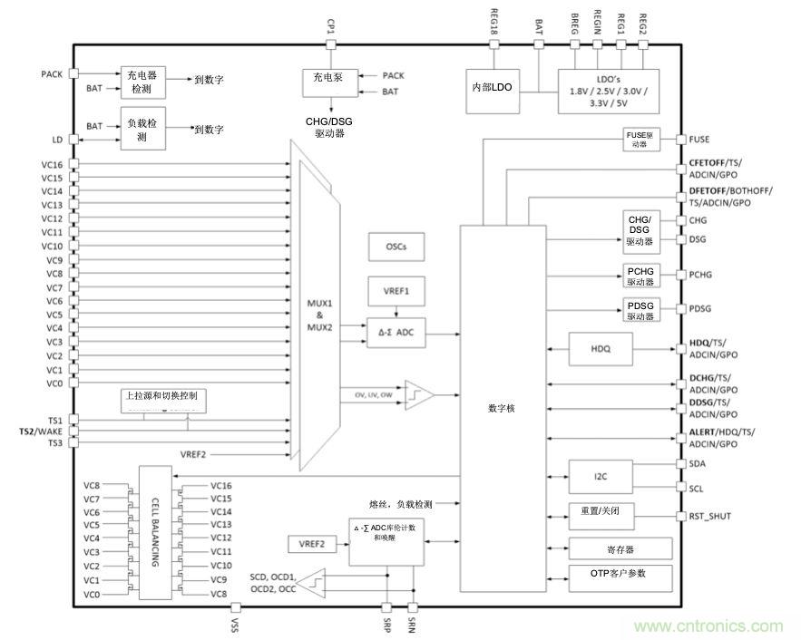
圖1展示了BQ76952的框圖,其集成了:
● 測量和檢測子係統,用於監測電壓、電流和溫度,以便在參數超過允許閾值時進行檢測。
● 驅動外部保護FET和化學熔絲的執行器。
● 一個數字主機接口子係統,除了用於選擇功能的引腳控件外,還支持多個串行通信標準。
● 多個電壓調節器,一個用於內部電路,兩個供外部使用。

圖1:BQ76952框圖
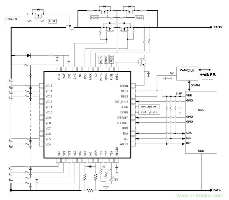
圖2顯示了基於BQ76952的16s電池組的簡化原理圖,使用I2C與主微控製器通信。集成調節器為微控製器和可選的外部收發器提供電源軌。

圖2:基於BQ76952的16s係統簡化原理圖
BQ76942和BQ76952中的測量子係統將電池組內的各種電壓、dianliuhewendushuzihua。youyumeigeceliangdouyoutedingdeyaoqiu,yinerzhexieceliangshiyibutongdefangshihuodede。liru,wendubianhuahuanman,yincikeyihuanmandijinxingcelianghejisuan。raner,dianchizudianliukenengyouduanmaichonghuodong,ruguobulianxucaiyang,kenenghuiyilou。
處理電壓和庫侖計數器ADC生成的值,以提供測量數據,這些數據在設備內使用,並可供電池組內的單獨處理器、電動工具或電動自行車中的係統控製器訪問。這些數據包括:
● 單塊電池的差分電壓和選擇額外的係統電壓。
● 電池組電流和通過的電荷(庫侖計數)。
● 內部裸片和9個外部熱敏電阻溫度讀數。
支持外部熱敏電阻測量的引腳也可用於通用ADC輸入,支持不超過~1.8V的輸入電壓。電壓ADC在測量回路上工作,且輸入在多個輸入之間定期多路複用。BQ76942和BQ76952的測量子係統包括多個可編程選項,可以在測量速度和精度之間進行優化和權衡。
隨著電池供電的消費品越來越流行,確保它們在安全電壓、電流和溫度範圍內運行至關重要。具有集成功能的電池監視器可以幫助設計工程師在提高精度的同時解決這三個關鍵問題。有關使用TI電池監視器進行設計的更多信息,請查看下麵的其他資源。
本文轉載自德州儀器。
推薦閱讀:
特別推薦
- 噪聲中提取真值!瑞盟科技推出MSA2240電流檢測芯片賦能多元高端測量場景
- 10MHz高頻運行!氮矽科技發布集成驅動GaN芯片,助力電源能效再攀新高
- 失真度僅0.002%!力芯微推出超低內阻、超低失真4PST模擬開關
- 一“芯”雙電!聖邦微電子發布雙輸出電源芯片,簡化AFE與音頻設計
- 一機適配萬端:金升陽推出1200W可編程電源,賦能高端裝備製造
技術文章更多>>
- 貿澤EIT係列新一期,探索AI如何重塑日常科技與用戶體驗
- 算力爆發遇上電源革新,大聯大世平集團攜手晶豐明源線上研討會解鎖應用落地
- 創新不止,創芯不已:第六屆ICDIA創芯展8月南京盛大啟幕!
- AI時代,為什麼存儲基礎設施的可靠性決定數據中心的經濟效益
- 築基AI4S:摩爾線程全功能GPU加速中國生命科學自主生態
技術白皮書下載更多>>
- 車規與基於V2X的車輛協同主動避撞技術展望
- 數字隔離助力新能源汽車安全隔離的新挑戰
- 汽車模塊拋負載的解決方案
- 車用連接器的安全創新應用
- Melexis Actuators Business Unit
- Position / Current Sensors - Triaxis Hall
熱門搜索
微波功率管
微波開關
微波連接器
微波器件
微波三極管
微波振蕩器
微電機
微調電容
微動開關
微蜂窩
位置傳感器
溫度保險絲
溫度傳感器
溫控開關
溫控可控矽
聞泰
穩壓電源
穩壓二極管
穩壓管
無焊端子
無線充電
無線監控
無源濾波器
五金工具
物聯網
顯示模塊
顯微鏡結構
線圈
線繞電位器
線繞電阻




