增強模式NMOS晶體管用作電流鏡
發布時間:2020-12-02 來源:Antoniu Miclaus 和 Doug Mercer 責任編輯:wenwei
【導讀】理論上,N型N型金屬氧化物半導體(NMOS)電流鏡的工作原理與我們在2020年8月份學生專區文章中分析的雙極性結型晶體管(BJT)電流鏡相同。兩個具有相同柵源電壓(VGS)的相同晶體管將有相同的漏極電流ID。第二晶體管M2中的電流實際上是第一晶體管M1中電流的鏡像。
本實驗的目標是研究增強模式NMOS晶體管用作電流鏡的工作原理。
背景
理論上,N型N型金屬氧化物半導體(NMOS)電流鏡的工作原理與我們在2020年8月份學生專區文章中分析的雙極性結型晶體管(BJT)電流鏡相同。兩個具有相同柵源電壓(VGS)的相同晶體管將有相同的漏極電流ID。第二晶體管M2中的電流實際上是第一晶體管M1中電流的鏡像。記住MOS晶體管的漏極電流與柵源電壓具有如下關係:
其中,K = μnCox/2,λ可以認為是與工藝技術相關的常數。
根據定義,相同晶體管具有相同的W/L和工藝技術常數。在簡單電流鏡中,兩個晶體管具有相同的VGS。因此,兩個晶體管將有相同的ID。由於沒有電流流入,FET的柵極端子IIN = IOUT。
材料
● ADALM2000 主動學習模塊
● 無焊麵包板
● 跳線
● 兩個1 kΩ電阻(阻值盡可能接近或者測量到三位數字或更高精度)
● 兩個小信號NMOS晶體管(ZVN2110A或CD4007 NMOS陣列)
● 一個雙通道運算放大器,例如 ADTL082
● 兩個4.7 μF解耦電容
說明
一種測量電流鏡特性的好辦法如圖1所示。輸入電阻R1和輸出電阻R2現在都是1 kΩ。務必精確測量R1和R2的實際值,以確保電流鏡的輸入和輸出電流測量結果是精確的。IIN等於W1處的W2輸出電壓除以R1的值。IOUT等於示波器通道2測量的電壓除以R2的值。二極管連接的M1跨接在M2的柵極和源極端子上。
在電流鏡配置中,運算放大器作為電流鏡輸入節點的虛擬地,將來自W2的電壓階躍轉換為通過1 kΩ電阻的電流階躍。

圖1.NMOS電流鏡測試電路。

圖2.簡化測試配置。
硬件設置
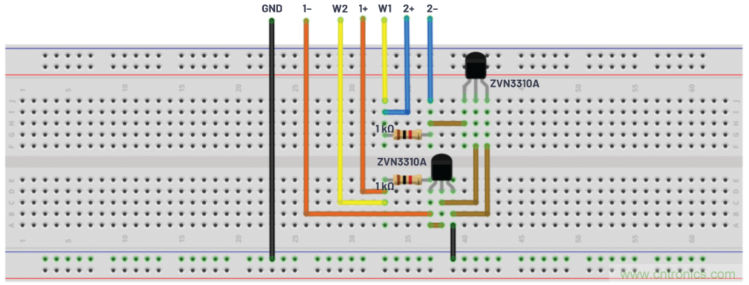
加載適用於信號發生器的W2通道的 stairstep.csv 文件,將幅度設置為3 V p-p,偏置設置為1.5 V。輸出器件M2的VDS由示波器輸入1+和示波器輸入1-進行差分測量。電流鏡輸出電流由1 kΩ電阻R2兩端的示波器輸入2+和示波器輸入2-測量。漏極電壓使用來自AWG 1(輸出W1)、頻率為40 Hz的三角波形進行掃描。如果您要使用運算放大器設置,請確保該器件已正確連接至電源Vp (5 V)和Vn (–5 V)。

圖3.NMOS電流鏡測試電路麵包板連接。

圖4.簡化測試配置麵包板連接。
步驟
配置示波器以捕獲多個周期的輸入信號和輸出信號。如果您要使用運算放大器配置,確保已開啟電源。
使用Scopy工具提供的示波器或通過LTspice®仿真繪製這兩個波形。示例如圖5和圖6所示。

圖5.Scopy繪圖中的電流鏡波形,W2為10 kHz頻率。
現在,將W1的頻率更改為200 Hz,然後繪製兩個波形。對相同電路使用LTspice仿真的示例如圖6所示。

圖6.LTspice繪圖中的電流鏡波形,W1為200 Hz,W2為40 Hz。
在本實驗中,我們通過實驗和仿真分析了采用NMOS晶體管的電流鏡,展示了 ADALM2000 和Scopy應用程序在構建真實電路時的使用。
推薦閱讀:
特別推薦
- 噪聲中提取真值!瑞盟科技推出MSA2240電流檢測芯片賦能多元高端測量場景
- 10MHz高頻運行!氮矽科技發布集成驅動GaN芯片,助力電源能效再攀新高
- 失真度僅0.002%!力芯微推出超低內阻、超低失真4PST模擬開關
- 一“芯”雙電!聖邦微電子發布雙輸出電源芯片,簡化AFE與音頻設計
- 一機適配萬端:金升陽推出1200W可編程電源,賦能高端裝備製造
技術文章更多>>
- 突破工藝邊界,奎芯科技LPDDR5X IP矽驗證通過,速率達9600Mbps
- 通過直接、準確、自動測量超低範圍的氯殘留來推動反滲透膜保護
- 從技術研發到規模量產:恩智浦第三代成像雷達平台,賦能下一代自動駕駛!
- 從機械執行到智能互動:移遠Q-Robotbox助力具身智能加速落地
- 品英Pickering將亮相2026航空電子國際論壇,展示航電與電池測試前沿方案
技術白皮書下載更多>>
- 車規與基於V2X的車輛協同主動避撞技術展望
- 數字隔離助力新能源汽車安全隔離的新挑戰
- 汽車模塊拋負載的解決方案
- 車用連接器的安全創新應用
- Melexis Actuators Business Unit
- Position / Current Sensors - Triaxis Hall
熱門搜索
按鈕開關
白色家電
保護器件
保險絲管
北鬥定位
北高智
貝能科技
背板連接器
背光器件
編碼器型號
便攜產品
便攜醫療
變容二極管
變壓器
檳城電子
並網
撥動開關
玻璃釉電容
剝線機
薄膜電容
薄膜電阻
薄膜開關
捕魚器
步進電機
測力傳感器
測試測量
測試設備
拆解
場效應管
超霸科技



