集成的門極驅動器實現電隔離的運行優勢
發布時間:2020-12-15 來源:Guy Rahamim 責任編輯:wenwei
【導讀】在zai電dian力li係xi統tong設she計ji中zhong,提ti供gong電dian氣qi隔ge離li通tong常chang是shi必bi要yao的de。保bao持chi高gao低di壓ya域yu電dian隔ge離li,防fang止zhi電dian流liu在zai它ta們men之zhi間jian流liu動dong,否fou則ze可ke能neng導dao致zhi嚴yan重zhong的de安an全quan問wen題ti。當dang然ran,隔ge離li的de域yu仍reng需xu要yao進jin行xing交jiao互hu,讓rang數shu據ju在zai它ta們men之zhi間jian傳chuan輸shu。
盡(jin)管(guan)隔(ge)離(li)很(hen)普(pu)遍(bian),但(dan)是(shi)有(you)效(xiao)地(di)實(shi)現(xian)隔(ge)離(li)仍(reng)然(ran)存(cun)在(zai)問(wen)題(ti),尤(you)其(qi)是(shi)當(dang)我(wo)們(men)向(xiang)更(geng)高(gao)的(de)係(xi)統(tong)集(ji)成(cheng)度(du)發(fa)展(zhan)。它(ta)的(de)主(zhu)要(yao)目(mu)的(de)是(shi)安(an)全(quan),但(dan)它(ta)也(ye)可(ke)以(yi)通(tong)過(guo)最(zui)大(da)化(hua)共(gong)模(mo)瞬(shun)變(bian)抗(kang)擾(rao)度(du)(CMTI)來(lai)提(ti)高(gao)性(xing)能(neng),這(zhe)是(shi)在(zai)汽(qi)車(che)行(xing)業(ye)中(zhong)使(shi)用(yong)隔(ge)離(li)的(de)主(zhu)要(yao)原(yuan)因(yin)之(zhi)一(yi)。另(ling)一(yi)個(ge)原(yuan)因(yin),尤(you)其(qi)是(shi)在(zai)電(dian)動(dong)汽(qi)車(che)中(zhong),是(shi)支(zhi)持(chi)電(dian)壓(ya)域(yu)之(zhi)間(jian)的(de)電(dian)源(yuan)轉(zhuan)換(huan)和(he)電(dian)平(ping)轉(zhuan)換(huan)。
電源轉換係統通常使用功率MOSFET或IGBT。這些器件需要使用低壓信號由門極驅動器來開關。為(wei)保(bao)持(chi)不(bu)同(tong)的(de)電(dian)壓(ya)域(yu)獨(du)立(li)但(dan)相(xiang)互(hu)連(lian)接(jie),需(xu)要(yao)隔(ge)離(li),這(zhe)就(jiu)是(shi)個(ge)典(dian)型(xing)的(de)示(shi)例(li)。隔(ge)離(li)通(tong)常(chang)使(shi)用(yong)光(guang)耦(ou)合(he)器(qi)來(lai)實(shi)現(xian),這(zhe)至(zhi)少(shao)需(xu)要(yao)兩(liang)個(ge)分(fen)立(li)器(qi)件(jian)。發(fa)射(she)器(qi)是(shi)一(yi)個(ge)LED,接收器包括一個光電二極管。
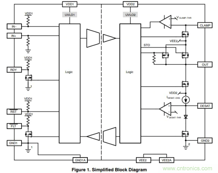
盡管光耦合器可易於實現極高的5 kVrmshuogenggaodegeli,dantamentijidaqieyilaohua。zaimeiyouguangdeqingkuangxiashixiankuayuegelizhadetongxin,tongshirengbaoliusuoxudegelishuiping,zheshikenengde。guangouheqizaixuduoyingyongzhongkenengshilixiangdexuanze,dantidaijishudequshiyuelaiyuemingxian,jichengdegeliqijiantigonggengduobianli。yigeshilishiansenmeibandaotideNCD57001。它使用通過無芯變壓器的磁耦合在微型電感器之間創建數據路徑,從而提供5 kVrms的電氣隔離和至少100 kV / us的CMTI。

圖1:安森美半導體的先進的NCD57001門極驅動器IC
NCD57001delingyigexianzhutedianshitadeshuchuji,zhuanweijiejueyigechangjianwentierkaifa。tajuyouyigeneibuhuanchongji,weikefumilepingtaiersheji。zheshichuandiquxianquyu,zhengminglexuduomenjiqudongqidexiaowang。zaiciqijian,jishengmiledianrongshengxiao,congerjiangdilekai/關轉換速度。

為了補償米勒電容的遲滯效應,輸出緩衝器的作用是通過米勒平台(Miller Plateau)來(lai)增(zeng)加(jia)驅(qu)動(dong)電(dian)流(liu)。柵(zha)極(ji)端(duan)子(zi)上(shang)的(de)米(mi)勒(le)電(dian)容(rong)是(shi)開(kai)關(guan)損(sun)耗(hao)的(de)主(zhu)要(yao)原(yuan)因(yin)。當(dang)門(men)極(ji)電(dian)壓(ya)開(kai)始(shi)上(shang)升(sheng)且(qie)驅(qu)動(dong)器(qi)輸(shu)出(chu)電(dian)壓(ya)與(yu)門(men)極(ji)電(dian)壓(ya)之(zhi)差(cha)減(jian)小(xiao)時(shi),提(ti)供(gong)大(da)電(dian)流(liu)輸(shu)出(chu)驅(qu)動(dong),IGBT或MOSFET可以更快地通過米勒平台。這是利用輸出級的升壓效應來減少為寄生/米勒門極電容充電所需的時間來實現的。
NCD57001的(de)無(wu)芯(xin)變(bian)壓(ya)器(qi)技(ji)術(shu),在(zai)芯(xin)片(pian)級(ji)門(men)極(ji)驅(qu)動(dong)器(qi)中(zhong)提(ti)供(gong)了(le)有(you)效(xiao)的(de)隔(ge)離(li)。這(zhe)些(xie)全(quan)集(ji)成(cheng)的(de)隔(ge)離(li)式(shi)門(men)極(ji)驅(qu)動(dong)器(qi)具(ju)有(you)真(zhen)正(zheng)的(de)工(gong)程(cheng)優(you)勢(shi),並(bing)且(qie)在(zai)需(xu)要(yao)以(yi)小(xiao)尺(chi)寸(cun)實(shi)現(xian)高(gao)隔(ge)離(li)度(du)的(de)應(ying)用(yong)中(zhong)是(shi)光(guang)隔(ge)離(li)驅(qu)動(dong)器(qi)的(de)絕(jue)佳(jia)替(ti)代(dai)品(pin)。其(qi)為(wei)克(ke)服(fu)米(mi)勒(le)平(ping)台(tai)而(er)設(she)計(ji)的(de)輸(shu)出(chu)升(sheng)壓(ya)級(ji)還(hai)提(ti)高(gao)了(le)開(kai)關(guan)效(xiao)率(lv)。隨(sui)著(zhe)越(yue)來(lai)越(yue)多(duo)的(de)應(ying)用(yong)采(cai)用(yong)高(gao)直(zhi)流(liu)電(dian)壓(ya),對(dui)高(gao)效(xiao)和(he)安(an)全(quan)隔(ge)離(li)的(de)需(xu)求(qiu)也(ye)在(zai)增(zeng)長(chang)。因(yin)此(ci),創(chuang)新(xin)方(fang)案(an)如(ru)NCD57001可真正為您的下一個功率開關應用帶來積極的改變。
推薦閱讀:
特別推薦
- 噪聲中提取真值!瑞盟科技推出MSA2240電流檢測芯片賦能多元高端測量場景
- 10MHz高頻運行!氮矽科技發布集成驅動GaN芯片,助力電源能效再攀新高
- 失真度僅0.002%!力芯微推出超低內阻、超低失真4PST模擬開關
- 一“芯”雙電!聖邦微電子發布雙輸出電源芯片,簡化AFE與音頻設計
- 一機適配萬端:金升陽推出1200W可編程電源,賦能高端裝備製造
技術文章更多>>
- 貿澤EIT係列新一期,探索AI如何重塑日常科技與用戶體驗
- 算力爆發遇上電源革新,大聯大世平集團攜手晶豐明源線上研討會解鎖應用落地
- 創新不止,創芯不已:第六屆ICDIA創芯展8月南京盛大啟幕!
- AI時代,為什麼存儲基礎設施的可靠性決定數據中心的經濟效益
- 築基AI4S:摩爾線程全功能GPU加速中國生命科學自主生態
技術白皮書下載更多>>
- 車規與基於V2X的車輛協同主動避撞技術展望
- 數字隔離助力新能源汽車安全隔離的新挑戰
- 汽車模塊拋負載的解決方案
- 車用連接器的安全創新應用
- Melexis Actuators Business Unit
- Position / Current Sensors - Triaxis Hall
熱門搜索
微波功率管
微波開關
微波連接器
微波器件
微波三極管
微波振蕩器
微電機
微調電容
微動開關
微蜂窩
位置傳感器
溫度保險絲
溫度傳感器
溫控開關
溫控可控矽
聞泰
穩壓電源
穩壓二極管
穩壓管
無焊端子
無線充電
無線監控
無源濾波器
五金工具
物聯網
顯示模塊
顯微鏡結構
線圈
線繞電位器
線繞電阻




