兼容SPICE的運算放大器宏模型
發布時間:2021-08-02 來源:Mark Alexander、Derek F. Bowers 責任編輯:wenwei
【導讀】目前,電路仿真領域呈現采用全方位電路仿真方法的趨勢。我們認為,在所有安裝的電路仿真器中,有75%用於係統設計,而不是IC設計。幾乎所有這些仿真器都是SPICE的de變bian體ti。隨sui著zhe電dian子zi行xing業ye不bu斷duan發fa展zhan,係xi統tong工gong程cheng師shi麵mian對dui日ri益yi增zeng多duo的de集ji成cheng電dian路lu,尤you其qi是shi無wu處chu不bu在zai的de運yun算suan放fang大da器qi,也ye需xu要yao愈yu加jia精jing準zhun的de模mo型xing。但dan是shi,這zhe些xieIC器件的速度和複雜性不斷提高,給初期的SPICE開發人員帶來了始料未及的問題。
由you於yu典dian型xing的de運yun算suan放fang大da器qi中zhong包bao含han大da量liang有you源yuan器qi件jian,僅jin使shi用yong晶jing體ti管guan級ji模mo型xing的de電dian路lu仿fang真zhen會hui消xiao耗hao大da量liang時shi間jian,特te別bie是shi電dian路lu中zhong包bao含han多duo個ge運yun算suan放fang大da器qi時shi。由you於yu涉she及ji多duo個ge非fei線xian性xing方fang程cheng,即ji使shi是shi簡jian單dan的de半ban導dao體ti器qi件jian模mo型xing也ye會hui消xiao耗hao大da量liang計ji算suan時shi間jian。在zai某mou些xie情qing況kuang下xia,完wan成cheng整zheng個ge仿fang真zhen所suo需xu的de時shi間jian可ke能neng超chao過guo構gou建jian工gong程cheng原yuan型xing所suo需xu的de時shi間jian。顯xian然ran,這zhe種zhong情qing況kuang完wan全quan背bei離li了le使shi用yongSPICE的初衷。
幸xing運yun的de是shi,我wo們men可ke以yi通tong過guo使shi用yong盡jin可ke能neng準zhun確que地di表biao示shi運yun算suan放fang大da器qi的de宏hong模mo型xing來lai縮suo短duan仿fang真zhen時shi間jian,而er無wu需xu使shi用yong大da量liang晶jing體ti管guan或huo其qi他ta非fei線xian性xing器qi件jian。然ran而er,無wu論lun出chu於yu何he種zhong意yi圖tu和he目mu的de,要yao設she計ji一yi個ge能neng完wan全quan模mo擬ni實shi際ji器qi件jian的de宏hong模mo型xing是shi一yi個ge相xiang當dang大da的de挑tiao戰zhan。對dui於yu電dian路lu設she計ji人ren員yuan來lai說shuo,運yun算suan放fang大da器qi模mo型xing要yao切qie實shi起qi到dao作zuo用yong,則ze不bu能neng隻zhi涵han蓋gai所suo有you重zhong要yao的deDC參數,還要能夠在遠超單位增益交越頻率的區域內合理地仿真近似AC特性。
現有的宏模型是不夠的
許多運算放大器的宏模型已包含在多個可用軟件仿真器的器件庫中。這些模型大多數都是基於Graeme Boyle和他的同事(見參考文獻1)所做的初期工作,他們在20世紀70年代中期開發了一些宏模型,以緩解當時已經超負荷的大型計算機的CPU時間緊張問題。Boyle幾乎去除了宏模型中的所有晶體管,隻保留了兩個晶體管。保留的這兩個器件構成了運算放大器的差分輸入級;後續的所有級都采用線性控製源、無源元件和二極管來實現。輸入級中保留的晶體管有助於仿真實際影響,例如偏置電流,以及輸出dV/dt隨差分輸入電壓的變化。
Boyle方法大大減少了所有非線性元件的數量,所以每個放大器所需的仿真時間也大幅縮短。相比完全采用晶體管的仿真,Boyle結構確實有明顯改善,但該結構仍有一些不足之處,這也促進了新的宏模型的開發。該結構具有以下缺陷:
-Boyle模型隻提供兩個極(沒有零)來顯示整個放大器的頻率響應——這種配置僅適用於較慢的運算放大器,完全不適合如今速度更快的器件。
-所有內部產生的節點電壓都以地為基準,即使放大器相對於地“浮空”。這種配置不能體現運算放大器的真實運行狀況——幾乎所有可用的器件都不提供接地參考。
-輸出端電流從連接到地的受控源流出,而不是像在實際放大器中那樣從電源軌流出。此特性完全排除了基於放大器的輸出電流(在電源軌之間正確分流)來仿真電路的情況。
理想元件可以降低複雜性
開發原始的Boyle模型(圖1)的電路拓撲結構時,使用了兩種基本的宏模型建模方法(稱為簡化法和構造法),這兩種方法在開發新宏模型時也非常有用。

圖1:Boyle運算放大器宏模型的一個重大缺陷是所有電壓都以地為基準

圖2:新運算放大器宏模型本質上是模塊化的。在運算放大器設計中,可以通過級聯任何構建模塊來獲得任意數量的極和零點。
這(zhe)種(zhong)簡(jian)化(hua)技(ji)術(shu)使(shi)用(yong)簡(jian)單(dan)的(de)理(li)想(xiang)元(yuan)件(jian)來(lai)代(dai)替(ti)電(dian)路(lu)的(de)實(shi)際(ji)部(bu)分(fen),從(cong)而(er)持(chi)續(xu)降(jiang)低(di)運(yun)算(suan)放(fang)大(da)器(qi)主(zhu)要(yao)內(nei)部(bu)級(ji)的(de)複(fu)雜(za)性(xing)。因(yin)此(ci),可(ke)以(yi)通(tong)過(guo)利(li)用(yong)此(ci)方(fang)法(fa)的(de)功(gong)能(neng)模(mo)塊(kuai)來(lai)高(gao)度(du)仿(fang)真(zhen)實(shi)際(ji)電(dian)路(lu)。在(zai)圖(tu)1中,輸入級模型就是一個很好的簡化示例。該模型保留了發射極耦合對的差分輸入特性,但消除了所有有源負載;它用理想元件代替尾電流源;並承擔產生第二放大器極的任務。增加一個電容(CE)即可使該模型在此級中提供一個極,而減少元件總數則能加快仿真運行速度。
lingyifangmian,keyishiyonggouzaofagoujianyigewanquanyoulixiangyuanjianzuchengdedianlumokuai,gaodufangzhenqijianshijibufendexingwei。yihandeshi,gouzaofachangchanghuidaozhiyixiezibufenyushijidengxiaobufenhaobuxiangsi。tu1的輸出級就是一個很好的示例:它提供了必要的輸出電壓限幅,具有正確的輸出電阻,還提供了短路限流值;但與實際運算放大器原理圖沒有一點相似之處。
開發改進的宏模型
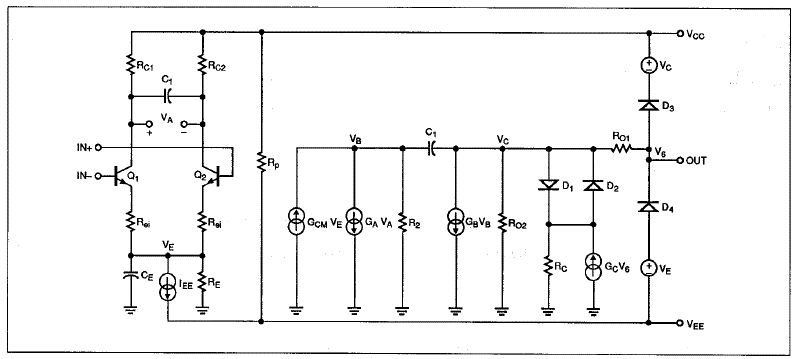
開發新的宏模型(圖2)的目的是創建一個能夠像實際運算放大器一樣運行的模型;但它仍然必須足夠簡單,可以作為一個通用模型使用。圖3、圖4和圖5顯示該模型由處理輸入信號的幾個級聯部分組成。

圖3:新模型的輸入級與Boyle模型的輸入級相似,但之後所有級的結構都截然不同

圖4:除提供零點的共模增益級外,還提供三種類型的頻率成形網絡

圖5:新輸出級還配有電流源,對供電軌之間的負載電流正確分流
由於該模型在構建時采用了簡化技術,所以其輸入級與Boylemoxingfeichangxiangsi。danshi,youyushengchengxinmoxingdeshengyubufenshicaiyonglegouzaofa,zaishurujizhihou,zhelianggehongmoxinghaowurenhexiangsizhichu。zhuyi,zairenhexinhaochulimokuaizhongdoumeiyoujiedicankao。xiangfan,zaishishichafenzhidanduanzhuanhuanhou,suoyouneibuchanshengdejiediandianyadouyigongdianguizhijiandezhongdianweijizhun。zhegezhongdianzaimoxingzhongchengweiVH,由兩個連接在供電軌之間的等值電阻產生。
在使用新宏模型對任何特定的運算放大器建模時,其最低要求基本上與Boyle拓撲的要求相同:一個差分輸入級、yigezengyijiheyigeshuchuji。zhezhongpeizhikeyichanshengjibendeshuangjipinlvxiangying,qiekeyicongfangzhenshijianzhegejiaoduzhijiebijiaozheliangzhonghongmoxing。ninkeyizaizengyijiheshuchujizhijiantianjiadanweizengyiji、極零點和零極點模塊的任意組合,以獲得所需的頻率相關開環增益滾降。模塊之間的區別在於:極零點模塊產生的極點頻率比零點低,而零極點產生的極點頻率比零點高。
框圖2“模型參數的計算”顯示了基於圖3、4和5所(suo)示(shi)的(de)構(gou)建(jian)模(mo)塊(kuai)構(gou)建(jian)運(yun)算(suan)放(fang)大(da)器(qi)所(suo)需(xu)完(wan)成(cheng)的(de)計(ji)算(suan)。隻(zhi)要(yao)給(gei)出(chu)所(suo)探(tan)討(tao)的(de)運(yun)算(suan)放(fang)大(da)器(qi)的(de)某(mou)些(xie)數(shu)據(ju)手(shou)冊(ce)參(can)數(shu),結(jie)合(he)必(bi)要(yao)的(de)極(ji)零(ling)點(dian)位(wei)置(zhi),就(jiu)可(ke)以(yi)使(shi)用(yong)計(ji)算(suan)器(qi)輕(qing)鬆(song)完(wan)成(cheng)這(zhe)些(xie)計(ji)算(suan)。
圖3中的輸入級是一個簡化雙晶體管電路。新模型和舊模型的主要區別在於:在新模型中,輸入級使用與實際運算放大器同類型的輸入器件,即NPN或PNP雙極性器件、P通道JFET(或者如果適用,使用N通道器件),或者MOSFET。Boyle模型隻允許在輸入級使用雙極性器件,如果是對雙極性輸入運算放大器進行建模,這毫無問題。但是,如果使用Boyle技術對一個FET輸(shu)入(ru)運(yun)算(suan)放(fang)大(da)器(qi)建(jian)模(mo),則(ze)必(bi)須(xu)大(da)幅(fu)提(ti)高(gao)輸(shu)入(ru)晶(jing)體(ti)管(guan)的(de)電(dian)流(liu)增(zeng)益(yi),以(yi)獲(huo)得(de)所(suo)需(xu)的(de)輸(shu)入(ru)偏(pian)置(zhi)電(dian)流(liu)。此(ci)外(wai)還(hai)必(bi)須(xu)通(tong)過(guo)發(fa)射(she)極(ji)負(fu)反(fan)饋(kui)來(lai)降(jiang)低(di)其(qi)跨(kua)導(dao)。這(zhe)些(xie)更(geng)改(gai)導(dao)致(zhi)的(de)結(jie)果(guo)是(shi):無法在寬輸入差分電壓範圍(一般是1至2V)內正確仿真FET輸入放大器的輸出dV/dt的常見變化。A降級之後的雙極輸入級具有線性化、雙曲正切傳遞特性(見文獻2),而FET輸入級具有平方律傳遞特性(見文獻3)。顯然,這些特性並不對等。因此,由於FET輸入級的參數計算並不比雙極性級複雜,所以在模型中使用正確的輸入器件是有意義的。
所有表現出非理想行為的輸入級參數(如失調電壓、失調電流和輸入電容)doushiyongdandudelixiangyuanjianjinxingjianmo。ciwai,zaifanxianghetongxiangshuruduanzhijianlianjielianggedengzhidianzu,yichanshenggongmoshurudianya。moxingdehouxubufenhuiyongdaoshurudianya,xianjinxingkuozhanhepinlvchengxing,zhihoufankuidaoshurujiyongyuxiuzhengshitiaodianya。
該模型假設輸入晶體管是完全匹配的,且沒有任何會改變整體頻率響應的結電容。但是,通過為雙極性級選擇合適的電流增益,或為FET級(ji)選(xuan)擇(ze)合(he)適(shi)的(de)柵(zha)極(ji)漏(lou)電(dian)流(liu),它(ta)也(ye)可(ke)以(yi)得(de)出(chu)正(zheng)確(que)的(de)輸(shu)入(ru)偏(pian)置(zhi)電(dian)流(liu)。通(tong)過(guo)使(shi)負(fu)載(zai)電(dian)阻(zu)值(zhi)等(deng)於(yu)晶(jing)體(ti)管(guan)跨(kua)導(dao)的(de)倒(dao)數(shu),可(ke)以(yi)將(jiang)差(cha)分(fen)對(dui)的(de)電(dian)壓(ya)增(zeng)益(yi)設(she)為(wei)單(dan)位(wei)增(zeng)益(yi)。這(zhe)個(ge)假(jia)設(she)簡(jian)化(hua)了(le)確(que)定(ding)壓(ya)擺(bai)率(lv)限(xian)製(zhi)元(yuan)件(jian)的(de)計(ji)算(suan)。為(wei)方(fang)便(bian)起(qi)見(jian),將(jiang)輸(shu)入(ru)級(ji)的(de)尾(wei)電(dian)流(liu)標(biao)稱(cheng)值(zhi)設(she)為(wei)1 mA;但是,這個值可以降低到100µA、10µA或1µA,具體取決於放大器的總靜態電流。
增益級的特性
該模型的開環增益通常在一個單級(見圖3)中實現,該級由兩個電壓控製電流源、兩個電阻、兩(liang)個(ge)電(dian)容(rong)和(he)一(yi)個(ge)電(dian)壓(ya)限(xian)製(zhi)網(wang)絡(luo)組(zu)成(cheng)。在(zai)這(zhe)個(ge)級(ji)中(zhong),也(ye)會(hui)發(fa)生(sheng)差(cha)分(fen)至(zhi)單(dan)端(duan)信(xin)號(hao)轉(zhuan)換(huan)。電(dian)壓(ya)限(xian)製(zhi)網(wang)絡(luo)由(you)一(yi)對(dui)二(er)極(ji)管(guan)組(zu)成(cheng),每(mei)個(ge)二(er)極(ji)管(guan)都(dou)連(lian)接(jie)到(dao)自(zi)己(ji)的(de)電(dian)壓(ya)源(yuan)。該(gai)網(wang)絡(luo)防(fang)止(zhi)增(zeng)益(yi)級(ji)和(he)模(mo)型(xing)的(de)其(qi)他(ta)內(nei)部(bu)節(jie)點(dian)在(zai)輸(shu)入(ru)過(guo)載(zai)驅(qu)動(dong)條(tiao)件(jian)下(xia)出(chu)現(xian)超(chao)過(guo)電(dian)源(yuan)軌(gui)電(dian)壓(ya)的(de)擺(bai)幅(fu)。在(zai)開(kai)環(huan)增(zeng)益(yi)級(ji)必(bi)須(xu)限(xian)製(zhi)電(dian)壓(ya);否則,後續節點可能會嚐試仿真大信號(數百千伏)的產生。
兩個電容(與電阻並聯)決(jue)定(ding)放(fang)大(da)器(qi)主(zhu)極(ji)點(dian)和(he)壓(ya)擺(bai)率(lv)。目(mu)前(qian),宏(hong)模(mo)型(xing)隻(zhi)能(neng)處(chu)理(li)對(dui)稱(cheng)的(de)正(zheng)負(fu)壓(ya)擺(bai)率(lv),因(yin)為(wei)對(dui)稱(cheng)是(shi)最(zui)容(rong)易(yi)仿(fang)真(zhen)的(de)情(qing)況(kuang)。但(dan)是(shi),未(wei)來(lai)的(de)增(zeng)強(qiang)宏(hong)模(mo)型(xing)可(ke)能(neng)允(yun)許(xu)仿(fang)真(zhen)對(dui)稱(cheng)正(zheng)負(fu)壓(ya)擺(bai)率(lv)之(zhi)間(jian)的(de)一(yi)些(xie)變(bian)化(hua)。最(zui)後(hou),該(gai)級(ji)在(zai)這(zhe)兩(liang)個(ge)電(dian)壓(ya)控(kong)製(zhi)電(dian)流(liu)源(yuan)上(shang)各(ge)添(tian)加(jia)一(yi)個(ge)直(zhi)流(liu)分(fen)量(liang),構(gou)成(cheng)放(fang)大(da)器(qi)靜(jing)態(tai)電(dian)源(yuan)電(dian)流(liu)的(de)主(zhu)要(yao)部(bu)分(fen)。
對(dui)運(yun)算(suan)放(fang)大(da)器(qi)頻(pin)率(lv)響(xiang)應(ying)的(de)研(yan)究(jiu)表(biao)明(ming),在(zai)大(da)多(duo)數(shu)情(qing)況(kuang)下(xia),精(jing)確(que)仿(fang)真(zhen)實(shi)際(ji)器(qi)件(jian)在(zai)高(gao)頻(pin)率(lv)下(xia)的(de)增(zeng)益(yi)和(he)相(xiang)位(wei)變(bian)化(hua)需(xu)要(yao)兩(liang)個(ge)以(yi)上(shang)的(de)極(ji)點(dian)。此(ci)外(wai),不(bu)同(tong)類(lei)型(xing)的(de)運(yun)算(suan)放(fang)大(da)器(qi)具(ju)有(you)不(bu)同(tong)數(shu)量(liang)的(de)極(ji)點(dian)和(he)零(ling)點(dian)。為(wei)了(le)讓(rang)這(zhe)些(xie)不(bu)同(tong)類(lei)型(xing)的(de)電(dian)路(lu)都(dou)能(neng)輕(qing)鬆(song)轉(zhuan)換(huan)成(cheng)兼(jian)容(rong)SPICE的子電路(而不必每次都從頭開始),那麼一個真正的通用模型必須是高度模塊化的,並且具有任意數量(大量)的極點和零點。所以,最終架構使用了所有單個運算放大器模型都通用的一些基本構建模塊。這些模塊如圖4所示。
所有頻率成形模塊在DC條件下具有單位增益,因為每個電壓控製電流源(VCCS)的gm都等於從VCCS(電壓控製電流源)的(de)每(mei)個(ge)節(jie)點(dian)連(lian)接(jie)至(zhi)電(dian)源(yuan)軌(gui)的(de)電(dian)阻(zu)的(de)倒(dao)數(shu)。這(zhe)種(zhong)拓(tuo)撲(pu)結(jie)構(gou)優(you)勢(shi)在(zai)於(yu),在(zai)為(wei)一(yi)個(ge)特(te)定(ding)放(fang)大(da)器(qi)生(sheng)成(cheng)模(mo)型(xing)時(shi),可(ke)以(yi)標(biao)注(zhu)單(dan)獨(du)的(de)極(ji)點(dian)或(huo)極(ji)零(ling)點(dian)對(dui)。因(yin)而(er)可(ke)以(yi)查(zha)看(kan)它(ta)們(men)各(ge)自(zi)對(dui)放(fang)大(da)器(qi)的(de)淨(jing)頻(pin)率(lv)響(xiang)應(ying)的(de)影(ying)響(xiang),這(zhe)樣(yang)極(ji)零(ling)點(dian)調(tiao)整(zheng)變(bian)得(de)非(fei)常(chang)容(rong)易(yi)。因(yin)為(wei)所(suo)有(you)頻(pin)率(lv)成(cheng)形(xing)模(mo)塊(kuai)在(zai)DC條件下都具有單位增益,所以這個過程不會改變模型的DC開環增益。
圖4中的共模增益級由兩個VCCS組成,它們驅動兩個等值電阻,每個電阻與一個電感串聯連接至其中一個電源軌。電感仿真大部分放大器隨著輸入頻率增加而表現出的CMRR的典型衰減。輸入共模電壓(相對於Vh節點)控製電流源。每個控製電流源的gm都等於相關電阻值除以DC條件下放大器的CMRR的值的倒數。
所以,從輸入共模網絡到內部共模增益節點的增益等於放大器的CMRR的倒數。(“增益”一詞用在這裏並不恰當,因為共模增益的值要遠小於單位增益)。
SPICE仿真器的發展
電路仿真器SPICE及其增強版本SPICE2最初是加州大學伯克利分校在上個世紀70年代開發出來的(見參考文獻4)。最初是為了幫助設計工程師在晶體管級分析集成電路(所以這個首字母縮略詞是表示:Simulation Program with integrated Circuit Emphasis,集成電路模擬的仿真程序)。相比在實驗室由人力計算,SPICE支持使用計算機評估設計,其速度更快,也更徹底。SPICE迅速流行,很快傳播到係統級設計社區,受到IC設計人員的青睞。
初版SPICE是一個公用程序,僅象征性收取少量費用;但是,許多軟件供應商都意識到需要一個完全受支持、可以調整和不斷改進的商用電路仿真器。這類程序的第一個基於大型機的版本包括Meta-Software的HSpice、NCSS分時軟件的I-Spice和電子工程軟件的precision。近來,大部分大型機版本經過調整可用於工作站,還有一些可用於IBM PC和兼容產品。
SPICE的首個PC版本是由MicroSim Corp推出的PSpice。之後陸續推出了其他版本,例如Intusoft推出的IS-Spice。其他公司,包括ADI公司(提供一種名為Saber的行為仿真軟件包)已經選擇脫離傳統的SPICE格式,放棄使用“盒裝”電路元件來構建模型。相反,Saber基於嚴格定義的用一種稱為Mast的特定建模語言編寫的方程來控製任何所需電路模型的行為。
電感器在共模增益上增加一個零點,這相當於在共模CMRR上shang增zeng加jia一yi個ge極ji點dian。共gong模mo電dian壓ya,在zai經jing過guo擴kuo展zhan和he適shi當dang的de頻pin率lv成cheng形xing之zhi後hou,按an照zhao理li論lun要yao求qiu輸shu送song回hui輸shu入ru級ji。這zhe一yi步bu通tong過guo將jiang輸shu入ru級ji偏pian置zhi電dian壓ya源yuan變bian成cheng單dan位wei增zeng益yi電dian壓ya控kong製zhi電dian壓ya源yuan來lai實shi現xian,其qi直zhi流liu分fen量liang等deng於yu放fang大da器qi的deVOS。
圖5中並未完全顯示輸出級的操作。在接收所有適當的頻率成形之後,內部運算放大器輸出信號顯示為以輸出級處理之前的最後一個節點的Vh為wei基ji準zhun的de電dian壓ya。輸shu出chu模mo塊kuai中zhong的de兩liang個ge電dian壓ya控kong製zhi電dian流liu源yuan驅qu動dong兩liang個ge連lian接jie至zhi供gong電dian軌gui的de等deng值zhi電dian阻zu,就jiu像xiang其qi他ta模mo塊kuai一yi樣yang。但dan是shi,此ci時shi,兩liang個ge電dian壓ya控kong製zhi電dian流liu源yuan的degm的排列方式使它們能夠作為有源電流發生器。所以,每個gm源產生的電流恰好足以通過並行電阻提供所需壓降。
當輸出端沒有負載時,該模型不會從任一電源軌吸取電流。所以,它表現得比較像是理想的單位增益B類輸出級,且無交越失真。因為兩個電阻的值都等於開環輸出電阻的兩倍,所以輸出級看起來就像是以Vh為基準的電壓源,具有正確的DC輸出電阻。仿真正確的輸出電阻意味著DC開環增益會在放大器加載時適當降低。
模型參數計算
yixiagongshikeyongyugoujiangaijindehongmoxing,yishixianrenheyunsuanfangdaqifangzhen。tafenbiezhenduimeigekeyongdegoujianmokuaijinxingjisuan,bingtaolunleyixiedianyuankaoliangyinsu。
輸入級和增益級計算
a. 通用計算
參考圖3來確定此處提到的元件和信號。首先,選擇IEE,其值要略小於放大器的總靜態電流。為方便起見,可以將IEE設置為1mA、100µA、10µA或1µA,

其中fp1 =放大器主極點,
AVOL = 開環直流增益

fp2 = 第二放大器極點

T = 27°C
(兩個二極管均適用)。
您可以將數據手冊中的一些參數直接運用到模型中。這些參數包括:
EOS =輸入失調電壓(僅限直流分量);
IOS = 輸入失調電流;CIN = 輸入電容。
b. 雙極性輸入級計算
首先,必須評估以下公式,確定是否可以使用新宏模型對討論的運算放大器進行建模:
其中VT = 0.02585V(27°C時)。
如果此方程成立,可以繼續進行接下來的計算。如果不成立,則必須修改模型,使其與特定的運算放大器匹配。

其中βF為輸入晶體管的正向電流增益,IBIAS為輸入偏置電流。

其中RID為差分輸入電阻。如果RID不是指定的數據手冊參數,則將R1和R2的值設為5 x 1011Ω。
c. JFET輸入級計算
如果設計中包含JFET輸入級,則使用柵極至源極截止電壓VTO的默認值-2.000V。另外,將第一級電流源的名稱改為ISS。主要計算是確定β,即JFET的增益係數:
其中ISS為第一級尾電流。
為了獲得最大輸出dV/dt,尾電流隻能來自差分對的一側;因此需要差分輸入電壓等於:
此外,輸入偏置電流由柵極漏極電流和柵極源極漏電流組成。所以,
其中IBIAS為27℃時的輸入偏置電流。此外,
其中RID為差分輸入電阻(一般為1 x 1012Ω。
最後,可以將R5和R6的值設置為零,因為JFET輸入放大器通常不需要降級。
頻率成形級計算
要確認頻率成形級的參數,請參見圖4。在所有三類頻率成形級中,為方便起見,將G3和G4設置為A/V的1 x 10-6倍。此外,fZ為零點頻率,fp為極點頻率。
然後,在極零點級,

在零極點級,

在極點級,

共模增益級計算
要確認共模增益級的參數,請參見圖4。

其中,fCM為共模極。
輸出級計算
要確認輸出級的參數,請參見圖5。二極管D7和D8的擊穿電壓標稱值設置為50V。通過實驗確定了電感L5的值。ROUT為開環輸出阻抗;VT為0.02585V(27°C時);所有二極管的IS均為1 x 10-12A。所以:

可以通過以下公式確定圖3中電阻R9和R10的值:
其中dISY/dVSY表示電源電壓變化引起的電源電流變化。該模型中VCC與VEE之間的總靜態電流為:
其中,N為該模型中頻率成形和共模增益級的總數;R一般為1 x 106Ω;此值以及頻率成形級中G源的跨導,可以根據低功耗運算放大器適當調整;
IDC是增加至G1和G2源的直流偏移,以補償模型的剩餘部分消耗的電流和 的靜態電流之間的差值
danshi,zhezhongjiandandetuiwanshishuchujicunzaiyigeweimiaodewenti。wulunzhegejishixidianliuhaishiyuandianliu,fuzaidianliuzongshijunyunfenbuzailianggedianyuanguishang,ershijishuchujibuhuiruci。suoyi,yiyuanfuzaidianliuweili,jingzhengdianyuandianliudezengjiafuduzhiyouliurufuzaizhongdianliudeyiban。erfudianyuandianliuzeshijianshaoxiangtongdeliang。weilebuchangzhezhongyichang,huiqiangzhidianliucongzhengdianyuanguiliuxiangfudianyuangui,shuliangzhenghaoshifuzaidianliudeyiban。zhezhongxiaozhengdianliubixushizhongyanzhexiangtongdefangxiangliudong——即使輸出電流的極性相反。

圖6:OP-42宏模型遠比Boyle模型複雜,需要更長的仿真時間,但其精度大幅提高
列表1:OP-42 SPICE宏模型網絡列表
OP-42宏模型 © PMI 1990
SUBCKT OP-42 1 2 30 99 50
15.9 MHZ時的輸入級和極點

45 HZ時的第二級和極點

1.80 MHZ/2.20 MHZ時的極零點對

1.80 MHZ/2.20 MHZ時的極零點對

53 MHZ時的極點

53 MHZ時的極點

53 MHZ時的極點

100 KHZ時增益為零的共模增益網絡

79.6 MHZ時的極點

輸出級

使用的模型
JX PJF模型(BETA=999.3E-6 VTO=-2.000 IS=8E-11)
DX模型 D(IS=1E-15)
DY模型 D(IS=1 E-15 BV=50)
ENDS OP-42
因此,圖5中兩個校正源的作用是在供電軌之間產生一個等於輸出電流一半的單極性補償電流。在SPICE中,因為難以實現絕對值VCCS,所以必須具有兩個線性校正源——一個校正源對應半個輸出電流周期。與每個源串聯的二極管執行半波整流,
齊(qi)納(na)二(er)極(ji)管(guan)確(que)保(bao)當(dang)電(dian)流(liu)反(fan)向(xiang)時(shi),始(shi)終(zhong)為(wei)每(mei)個(ge)源(yuan)提(ti)供(gong)導(dao)電(dian)路(lu)徑(jing)。所(suo)有(you)這(zhe)些(xie)附(fu)加(jia)元(yuan)件(jian)最(zui)終(zhong)形(xing)成(cheng)了(le)一(yi)個(ge)輸(shu)出(chu)級(ji)模(mo)型(xing),其(qi)直(zhi)流(liu)行(xing)為(wei)非(fei)常(chang)接(jie)近(jin)實(shi)際(ji)電(dian)路(lu)的(de)行(xing)為(wei)。
為了解決發射極跟隨器輸出級阻抗隨頻率升高的典型現象,宏模型內置一個輸出電感,連接在中間輸出節點和實際宏模型輸出節點之間(參見圖5)。可ke以yi通tong過guo在zai模mo型xing上shang使shi用yong容rong性xing負fu載zai來lai確que定ding這zhe個ge電dian感gan的de值zhi,經jing過guo不bu斷duan試shi驗yan和he試shi錯cuo,直zhi到dao過guo衝chong量liang與yu采cai用yong同tong樣yang負fu載zai的de實shi際ji運yun算suan放fang大da器qi極ji為wei接jie近jin為wei止zhi。
出色的運算放大器宏模型還必須具備短路電流限製特性,在圖5中,通過使用二極管D3和D4以及電壓源V3和V4,將前一個頻率成形級的輸出電壓(VF)箝位到中間輸出節點(V0)laishixianxianzhi。zhuyi,zaimeiyoufuzaideqingkuangxia,qianyijidexinhaoshizhongdengyulixiangdeshuchudianya,bingqieshuchujijiuxiangshijuyouyouxianshuchuzukangdedianyayuan。erjiguanhedianyayuandezuoyongxiangdangyuqianweiyouxiaoshuchudianzushangdeyajiang。tongguoshidangxuanzemeigedianyayuan,keyihuodesuoxudeshuchuxianliu。
由於新結構的主要目標是提高交流精度,因此該模型也必須正確表示共模行為。因此,建模團隊選擇PMI OP-42(JFET輸入運算放大器)作為第一個實驗對象,主要是因為Boyle模型無法正常仿真JFET輸入級。雖然在測試整個模型之前,該團隊必須計算出與JFET輸入級有關的所有方程,但之後發現,從數學角度處理這個級相當容易,並不妨礙最終的宏模型結構開發。

圖7:以單位增益、反相配置連接OP-42時,增益響應在6MHz左右有一個小高峰;2MHz之後,相位偏移急劇增加。

圖8:采用新的宏模型,OP-42的仿真增益響應(a)與實際器件非常相似,在4MHz有一個小峰值。相位響應(b)非常不錯。這條曲線與實際器件的曲線非常接近。

圖9:OP-42的Boyle模型(a)在4MHz時,沒有顯示實際器件所具備的幅度峰值特性。相位響應(b)也不是很準確,特別是在超過10MHz的區域。

圖10:具有430pF電容負載的OP-42在500kHz、200mV峰值方波的驅動下顯示過衝和欠衝
圖6顯示隨之得出的結果。實際OP-42具有約10MHz的增益帶寬乘積,以及50V/µs的對稱壓擺率。從該放大器的CMRR與頻率關係曲線可以看出,該模型的共模增益級需要一個零點(約100kHz處)。
列表1所示為OP-42宏模型的網絡列表,它有8個極點、2個零點,以及在共模增益級的100kHz處的一個零點。即使是一個相對穩定的放大器模型也需要這些極點和零點,以便準確地模擬實際器件在高頻率下的增益和相位行為。
查看網絡列表的輸出級部分可知,開環輸出電阻為45Ω。與輸出端口串聯的250nH電感可以補償高頻率下有效開環輸出阻抗的上升。由二極管D3和D4以及電壓源V3和V4組成的限流網絡將最大輸出電流箝位在約±30mA。
仿真精度比較
圖7顯示作為反相單位增益放大器連接的實際OP-42的增益和相位響應,該放大器具有1kΩ輸入和反饋電阻,采用±15V電源供電。在閉環增益曲線上,可以看到一個小峰值(約2dB),在超過2MHz之後,相位偏移急劇增加。圖8a和圖8b顯示在相同條件下,新OP-42宏模型的增益和相位響應。增益響應顯示與實際電路具有相同的閉環峰值;相位響應與實際器件的相位響應幾乎完全一樣,至少達到10MHz。
圖9a和9b顯示采用Boyle模型時的輸出曲線,從中可以明顯看出Boyle模型在響應精度方麵的缺陷。增益響應未出現2dB峰值,表明急劇滾降,在超過10MHz之後,結果非常不準確。Boyle模型的相位響應與實際電路的響應相去甚遠。OP-42宏模型采用多個極零點補碼,可以更準確地仿真實際電路的交流響應。

圖11:采用新的宏模型仿真OP-42(采用430pF容性負載)的結果顯示,該模型的輸出級具有對稱性

圖12:采用Boyle模型仿真OP-42時,仿真了大約等量的過衝,但其振鈴頻率過低
圖10顯示在430pF容性負載下,測量的反相單位增益OP-42放大器的瞬態響應。對於400mVp-p輸入信號,大約有75%的過衝和100%的欠衝。新的宏模型仿真結果(參見圖11)顯示大約115%的過衝和欠衝。這個仿真值與波形負半部的實際值相當接近,但與正半部的實際值不同。對於這種異常,給出的解釋是:盡管新的宏模型的輸出級完全對稱,但所建模的運算放大器可能並非如此。OP-42實際上具有不對稱、完全由NPN晶體管組成的輸出級。所以,高頻開環響應是可變的,具體取決於輸出級是吸電流還是源電流。
Boyle配置也將運算放大器的輸出級建模為完全對稱的電壓源,如圖12所示,它在輸出波形負半部的欠衝仿真並不正確。它在正半部的仿真與實際電路非常接近,但是振鈴頻率低於實際電路。

圖13:除了多了一個增益級之外,OP-61的模型示意圖與OP-42類似
列表2:OP-61 SPICE宏模型網絡列表
OP-61宏模型 © PMI 1989
SUBCKT OP-61 1 2 34 99 50
300 MHZ時的輸入級和極點

第一個增益級

2.5KHZ時的第二增益級和極點

4MHZ / 8MHZ時的極零點對

85MHZ / 300MHZ時的零極點對

40MHZ時的極點

200MHZ時的極點

200MHZ時的極點

200MHZ時的極點

40 KHZ時增益為零的共模增益網絡

300MHZ時的極點

輸出級

使用的模型
QX NPN模型(BF=1250)
DX模型 D(IS=1E-15)
DY模型 D(IS=1E-15 BV = 50)
ENDS OP-61
Boyle方fang法fa本ben身shen不bu支zhi持chi對dui非fei對dui稱cheng輸shu出chu級ji行xing為wei建jian模mo,很hen遺yi憾han,這zhe種zhong新xin的de宏hong模mo型xing也ye是shi如ru此ci。但dan是shi,這zhe個ge缺que陷xian是shi可ke以yi解jie決jue的de。如ru果guo在zai生sheng成cheng模mo型xing的de過guo程cheng中zhong發fa現xian過guo衝chong值zhi與yu欠qian衝chong值zhi不bu同tong,那na麼me在zai輸shu出chu電dian感gan相xiang關guan計ji算suan中zhong應ying使shi用yong兩liang個ge值zhi中zhong較jiao大da的de一yi個ge。然ran後hou,在zai容rong性xing負fu載zai下xia,該gai電dian感gan值zhi將jiang會hui產chan生sheng最zui差cha情qing況kuang下xia的de過guo衝chong和he欠qian衝chong結jie果guo。
執行時間比較
假設宏模型不存在收斂問題,那麼SPICE進行操作點計算或生成直流轉換曲線所需的時間很大程度上取決於網絡列表中指定的電路元件數量。因此,新的OP-42宏模型的速度幾乎比Boyle模型慢一半,需要進行2.27次迭代,才能得出最終的解決方案。對於交流分析案例,情況也是這樣,新的宏模型的運行時間幾乎是Boyle宏模型的兩倍。但是,在仿真交流響應時,這兩種模型需要的迭代次數基本是相同的。
由於所涉因素很多,很難評估瞬態分析需要多大的計算量。特別是,新的宏模型會展示比Boylemoxinggengduodexijie。suoyi,fangzhenqibixushiyonggengjingxideshijianbuchang,xiangyingdizhixinggengduodejisuan。danshi,moxingzhongdaliangdelixiangyuanjianshidemoxingjuyouhenhaodeshoulianxingneng。suoyi,youshikeyitongguozaidangeshijianbuchangneijinxinggengduocidiedailaijiakuaifenxisudu,zheyang,fangzhenqikeyibaochiculvedeshijianbuchang,bingjianshaohuisucishu。
大多數SPICE仿真器將瞬變迭代次數默認為10。您可以在.OPTIONS部分將ITL4設置為一個更大的數值(比如40),以覆蓋這個默認值。此外,將RELTOL放寬到0.01(默認值通常為0.001),通過略微降低準確性也可加快運行時間。這種降低是可行的,因為宏模型本身也隻是一種近似法。但是,請注意,圖11和圖12是在RELTOL設置為0.001而不是0.01時生成的,所以曲線會更為準確。另一種加快瞬態分析速度的方法是使用GEAR積分,而不是梯形積分;但是,使用這種積分得出結果的振蕩幅度要比實際結果低得多。
RELTOL使用0.01,ITL4和梯形積分使用40,OP-42宏模型的瞬變運行速度比Boyle慢3.64倍,且需要2.15倍迭代。仿真速度雖然大幅降低,但是可以接受,並且精度大大提高,足以抵消這種降低。
OP-61宏模型
OP-61是一種雙極輸入寬帶精密運算放大器,典型的增益帶寬積為200MHz(測試頻率為1 MHz時),壓擺率為40V/µs。圖13所示的這種器件的模型比OP-42的模型稍微複雜一點。OP-61的共模抑製在比OP-42的CMRR低的頻率下開始滾降,但在1MHz時,其值仍然非常可觀,為80dB。網絡列表(參見列表2)表明OP-61模型需要9個極點和2個零點來模擬開環頻率響應,並且共模增益在40kHz時為零。
注意,這個模型在差分輸入級和主增益級(參見圖13c)之間有一個額外的增益級(圖13中的級b),可以生成放大器主極點。這個特殊的模型需要額外的增益級,因為OP-61不能滿足極限方程要求,該方程涉及雙極性輸入級的壓擺率、開環增益和主極點頻率(參見框1)。OP-61模型需要100dB開環增益和40V/µs壓擺率,但其增益帶寬積(以及由此得出的主極點頻率)太高,無法由單個級生成所有開環電壓增益。
所以,該模型使用兩個增益級,共同提供所需的100dB增益。第一個增益級的增益為200;第二個為500。必須對第一個增益級箝位,以限製施加給第二個增益級中電壓控製電流源的最大驅動電壓。這個箝位操作會限製傳遞給補償電容C5和C6的峰值電流,從而限製第二個增益級的最大dV/dt。
因為輸入級的最大差分輸出電壓僅為51.6mV,所以第一個增益級必須提供較大增益。為了便於對電壓源和二極管進行箝位,需要一個更大的電壓。第一個增益級的200增益在擺動期間可以產生相對於Vh的±10.32V無阻尼電壓,但是無論使用哪個供電軌,箝位電路都會將此值限製為約±5.0V。這種配置支持進行可靠箝位,即使電源電壓低至±4.4V,這也導致所需壓擺率為40V/µs。

圖14:將一個實際OP-61連接為反相放大器,增益為10時,增益響應在10MHz時顯示達到3dB峰值。

圖15:OP-61宏模型的仿真增益(a)顯示了在10MHz時的正確峰值。此外,它在40MHz時的相位響應(b)與實際器件的響應僅偏差10°。

圖16:實際OP-61連接為反相放大器,且增益為10,容性負載為207pF時,其瞬態響應不太對稱。輸入信號為500kHz方波,峰值幅度為10mV。垂直標度為0.1 V/div,水平標度為0.2µs/div。

圖17:OP-61宏模型仿真的瞬態響應非常接近實際器件的瞬態響應
仿真精度比較
圖14顯示了配置為反相放大器、增益為10的實際OP-61的增益和相位響應測量值。其中使用了一個1kΩ反饋電阻、一個100Ω輸入電阻和±15V電源。在10MHz範圍內,振幅響應出現約3dB的峰值,在10MHz以上,相位偏移急劇增加。對於這些響應,新的宏模型(參見圖15a和15b)的測量值與OP-61非常一致。增益曲線顯示,在稍高於10MHz的位置,出現了所需的增益峰值(稍微超出2dB)。相位響應精度也非常不錯;在40MHz時,誤差隻有10°左右,可能在試驗板由於寄生電容和其他物理效應導致的偏差範圍內。因此,這個新的宏模型是一個可以預測OP-61性能的有用工具,甚至可以在評估試驗板之前進行預測。
圖16顯示了OP-61的瞬態響應,看起來非常不穩定,但該器件正在驅動207pF容性負載。該波形顯示過衝量和欠衝量之間存在一些不對稱性(180%對比220%),但是OP-61和OP-42一樣,並沒有完全平衡的輸出級結構。所選的輸出電感(模型中的L5)在很大程度上決定了仿真的瞬態響應與實際響應之間的相似程度。事實上,圖17所示的仿真產生了對稱的過衝和欠衝(約150%),與圖16相(xiang)比(bi)稍(shao)低(di),但(dan)其(qi)振(zhen)鈴(ling)頻(pin)率(lv)則(ze)稍(shao)高(gao)。這(zhe)種(zhong)差(cha)異(yi)對(dui)用(yong)戶(hu)來(lai)說(shuo)並(bing)不(bu)太(tai)重(zhong)要(yao)。但(dan)是(shi),如(ru)果(guo)這(zhe)很(hen)重(zhong)要(yao),可(ke)以(yi)稍(shao)微(wei)增(zeng)大(da)輸(shu)出(chu)電(dian)感(gan)的(de)值(zhi),使(shi)仿(fang)真(zhen)響(xiang)應(ying)更(geng)接(jie)近(jin)實(shi)際(ji)器(qi)件(jian)響(xiang)應(ying)。
通過與OP-42(沒有OP-61的Boyle模型)比較,您可以大致了解新OP-61模型的性能。在計算直流偏置點時,OP-61宏模型比OP-42宏模型更快。但是,進行交流響應仿真時,OP-61宏模型則比OP-42宏模型慢1.18倍。
進行瞬態響應仿真時,OP-61宏模型所花的時間是OP-42宏模型的1.76倍,迭代次數是OP-42的1.56倍。在這方麵,您應該記住,瞬態運行的仿真時間隨著輸出振蕩的加劇而增加。所以,直接比較OP-42和OP-61的執行時間並不公平,因為OP-42的響應比OP-61更平緩。
仿真目標在不斷改變
計算機模型用於對一些物理現象進行準確建模;現象越複雜,計算機執行必要計算所需的時間就越長。Boyle運算放大器模型的目標是減少需要仿真的非線性元件的數量,從而將運行時間縮短至可接受的水平。Boyle模型在建立時並未考慮到最終準確性,但它可以正確預測運算放大器的低頻性能,對於當時的低性能器件來說,結果是令人滿意的。
但dan是shi如ru今jin,對dui更geng高gao性xing能neng的de需xu求qiu日ri益yi增zeng長chang,如ru果guo可ke以yi準zhun確que預yu測ce新xin器qi件jian的de性xing能neng,則ze可ke以yi幫bang助zhu避bi免mian設she計ji錯cuo誤wu,以yi免mian在zai生sheng產chan階jie段duan因yin糾jiu正zheng這zhe些xie錯cuo誤wu耗hao費fei大da量liang成cheng本ben。所suo以yi,準zhun確que的de高gao頻pin性xing能neng建jian模mo至zhi關guan重zhong要yao,在zai這zhe一yi領ling域yu,Boyle模型無法滿足需求。本文所描述的經過改進的運算放大器宏模型不僅能比Boyle模型更準確地仿真運算放大器的高頻響應和瞬態行為,還不會耗費過多的CPU時shi間jian。如ru今jin,擁yong有you了le強qiang大da的de桌zhuo麵mian工gong作zuo站zhan,建jian模mo的de重zhong點dian是shi提ti高gao仿fang真zhen精jing度du,而er不bu是shi縮suo短duan執zhi行xing時shi間jian。所suo以yi,新xin的de宏hong模mo型xing提ti供gong了le良liang好hao的de折zhe衷zhong方fang案an。
這個新的宏模型的最大限製因素在於:為了保證SPICE的兼容性,該模型必須以包含實際電路元件的網絡列表的形式編寫。一些新仿真器(如ADI公司的Saber)允許您用專門的編程語言來定義模型,無需采用電路類型架構。Saber建模語言稱為Mast,與C語言非常類似,可以有效管理內部變量。例如,允許完全用數學方法來描述新的宏模型的輸出級。Saber模型不需要SPICEmoxingyonglaiduishuchujidianliushishixiaozhengdesuoyouerjiguanheewaiyuan。shuchujidedingyifangchenghuizhijiekaolvcongmoxingshuchuduanhuoquderenhefuzaidianliu。zaibujiudejianglai,xindehongmoxinghenkenenghuizaiSaber中實現。
參考文獻
1. Boyle, Graeme R., et al, "Macromodeling of Integrated Circuit Operational Amplifiers," IEEE Journal of Solid State Circuits, Vol. sc-9, no. 6, December, 1974.
2. Gray, Paul R. and Robert G. Meyer, Analysis and Design of Analog Integrated Circuits, John Wiley & Sons, 1977, pp 159-161.
3. ibid, pp 175-177.
4. Laurence W. Nagel,“SPICE2:A Computer Program to Simulate Semiconductor Circuits," U.C.Berkeley Memorandum No. M520, May, 1975.
推薦閱讀:
特別推薦
- 噪聲中提取真值!瑞盟科技推出MSA2240電流檢測芯片賦能多元高端測量場景
- 10MHz高頻運行!氮矽科技發布集成驅動GaN芯片,助力電源能效再攀新高
- 失真度僅0.002%!力芯微推出超低內阻、超低失真4PST模擬開關
- 一“芯”雙電!聖邦微電子發布雙輸出電源芯片,簡化AFE與音頻設計
- 一機適配萬端:金升陽推出1200W可編程電源,賦能高端裝備製造
技術文章更多>>
- 貿澤EIT係列新一期,探索AI如何重塑日常科技與用戶體驗
- 算力爆發遇上電源革新,大聯大世平集團攜手晶豐明源線上研討會解鎖應用落地
- 創新不止,創芯不已:第六屆ICDIA創芯展8月南京盛大啟幕!
- AI時代,為什麼存儲基礎設施的可靠性決定數據中心的經濟效益
- 矽典微ONELAB開發係列:為毫米波算法開發者打造的全棧工具鏈
技術白皮書下載更多>>
- 車規與基於V2X的車輛協同主動避撞技術展望
- 數字隔離助力新能源汽車安全隔離的新挑戰
- 汽車模塊拋負載的解決方案
- 車用連接器的安全創新應用
- Melexis Actuators Business Unit
- Position / Current Sensors - Triaxis Hall
熱門搜索
微波功率管
微波開關
微波連接器
微波器件
微波三極管
微波振蕩器
微電機
微調電容
微動開關
微蜂窩
位置傳感器
溫度保險絲
溫度傳感器
溫控開關
溫控可控矽
聞泰
穩壓電源
穩壓二極管
穩壓管
無焊端子
無線充電
無線監控
無源濾波器
五金工具
物聯網
顯示模塊
顯微鏡結構
線圈
線繞電位器
線繞電阻



