降壓變換器功耗以及如何提高效率
發布時間:2021-09-02 來源:Samuel Babijak 責任編輯:wenwei
【導讀】當今電源 IC的高度發展要求性能卓越的功率電感。構建通用封裝的標準電源將有助於減少設計時間和生產成本。 而要在 PCB 空間以及散熱和成本效率方麵實現最佳性能,確定電感和 IC 之間的最佳匹配至關重要。
本文將探討在設計降壓(buck或step-down)變換器時哪些參數最重要,以及如何將其與可用的最佳電感配對。我們還將學習如何計算基本參數,並解釋開關模式電源 IC 和電感的一些參數要求,包括紋波電流、電感 (L)、飽和電流 (ISAT) 和額定電流 (IR)。
當今電子行業
近10 年(nian)來(lai),消(xiao)費(fei)者(zhe)越(yue)來(lai)越(yue)期(qi)望(wang)技(ji)術(shu)使(shi)他(ta)們(men)的(de)生(sheng)活(huo)更(geng)輕(qing)鬆(song)。與(yu)此(ci)同(tong)時(shi),普(pu)通(tong)家(jia)庭(ting)的(de)電(dian)子(zi)產(chan)品(pin)數(shu)量(liang)也(ye)在(zai)增(zeng)加(jia)。不(bu)斷(duan)增(zeng)多(duo)的(de)連(lian)接(jie)和(he)電(dian)子(zi)設(she)備(bei)選(xuan)擇(ze)意(yi)味(wei)著(zhe)這(zhe)些(xie)設(she)備(bei)必(bi)須(xu)更(geng)加(jia)高(gao)效(xiao)才(cai)能(neng)保(bao)持(chi)競(jing)爭(zheng)力(li)。對(dui)電(dian)源(yuan)設(she)計(ji)人(ren)員(yuan)來(lai)說(shuo),要(yao)支(zhi)持(chi)消(xiao)費(fei)者(zhe)在(zai)電(dian)子(zi)產(chan)品(pin)使(shi)用(yong)方(fang)麵(mian)的(de)這(zhe)些(xie)轉(zhuan)變(bian),最(zui)佳(jia)方(fang)法(fa)就(jiu)是(shi)使(shi)用(yong)具(ju)有(you)高(gao)性(xing)能(neng)部(bu)件(jian)的(de)降(jiang)壓(ya)變(bian)換(huan)器(qi),將(jiang)電(dian)壓(ya)輸(shu)入(ru)轉(zhuan)換(huan)為(wei)必(bi)要(yao)的(de)電(dian)源(yuan)軌(gui)。
降壓變換器是最常見的電源拓撲。其主要組件包括輸入和輸出電容器、開關(例如 MOSFET)和電感。這些設備的目標是調節輸出電壓。而上下管MOSFET隻有與穩壓器結合使用時才會發揮作用,它們會形成一個集成的降壓穩壓器 IC。
選擇具有最佳電感的恰當IC 並不是很困難。要成功選擇與降壓變換器配合良好的電感,以避免過多功耗並提高效率,最關鍵是注意一些設計參數。
降壓變換器功耗與效率基本原理
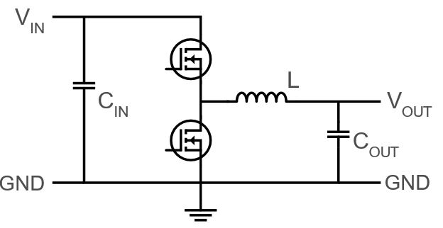
通過降壓變換器及其基本部件的功能框圖,我們可以清楚了解哪些組件有助於提高效率,以及哪些參數應予以考慮(見圖 1)。

圖1:降壓變換器基本原理圖
如果分解降壓變換器的效率和功耗,我們可以看到對功耗和效率影響最大的是 MOSFET 和電感,靜態電流和可調電阻則貢獻不多(見圖 2)。

圖 2:帶MPL-AL6060-150 15μH 電感的 MPQ4572 降壓變換器效率曲線
圖 3 顯示了帶 2A 負載的 24V 至 5V 降壓變換器效率分解圖。電感和 MOSFET 貢獻了870mW的功耗,而靜態功耗僅在總功耗上增加了900µW。為了實現最高效率並避免浪費能源,我們必須確保將最先進的開關元件與高性能電感相結合。

圖3: 降壓穩壓器的效率分解圖
電感量(L) 根據經驗,通常建議以 30% 至 40% 的紋波電流開始設計變換器。首先用公式 (1)計算出標稱電感 (L): $$L = (1-DC) times left(frac {V_{OUT}} {f_{sw times Delta I_{L}}}right)$$
其中 DC 為變換器占空比,VOUT為輸出電壓,fSW 為開關頻率,而∆IL 為紋波電流。在本例中,輸入電壓為 24V,輸出電壓為 5V,紋波電流為800mA(平均 2A 負載),開關頻率為 500kHz。 根據這些數值,我們可以計算出典型電感值為 9.89µH。
紋波電流(∆IL )
紋波電流 (∆IL) 是疊加在平均負載電流上的低頻交流電流量,它流經主功率電感並為輸出電容器 (COUT) 充電。紋波電流可以通過等式 (2) 來估算:
$$Delta I_{L} = (1-DC) left(frac{V_{OUT}}{{f_{SW}}^{times L}}right)$$
圖 4 展示的重要設計參數包括峰值電流 (IPEAK) 和平均電流 (IAVG)。平均電流是我們係統的預期負載電流,它與降壓變換器的輸出有關。紋波電流 ((∆IL) 的一半被添加到平均負載電流上,形成峰值電流。對一個成功且高效的降壓變換器設計來說,其電感飽和電流 (ISAT) 必須超過峰值電流。

圖4: 平均負載電流上的紋波電流
圖 5 顯示了一個經優化的 24V 至 5V 降壓變換器示例,該變換器采用了MPS 的MPQ4572和一個 15µH電感 (MPL-AL6060-150)。其紋波電流圍繞 2A 負載電流振蕩,具有完美的三角波形。

圖 5:24V 降壓變換器的電感電流(藍色)和開關節點電壓(黃色)
飽和電流(ISAT)
現代電感中使用的鐵磁材料具有的物理特性是,匝數越多和電感 (L) 越高,飽和電流 (ISAT) 就越低。 圖 6顯示了一個典型的ISAT曲線圖。從中我們可以預期在 2A 負載電流下的有效電感為 13µH。

圖6: 飽和電流(ISAT)與電感電流(IL)之間的函數關係
當流過電感的電流增加時,電感會降低,作為一個電源設計人員,記住這一點很重要 。 溫度升高會降低有效電感。 根據電感中使用的技術、結構和材料,飽和電流曲線可以穩定至高達幾安培。
由於高效電感具有軟飽和特性,且降壓變換器IC 具有峰值電流限製等保護功能。 因yin此ci電dian感gan不bu可ke能neng選xuan錯cuo。即ji使shi電dian感gan過guo高gao或huo過guo低di,我wo們men仍reng然ran可ke以yi得de到dao合he理li的de結jie果guo。但dan是shi,飽bao和he電dian流liu留liu有you足zu夠gou的de裕yu度du很hen重zhong要yao,因yin為wei裕yu度du不bu足zu會hui導dao致zhi係xi統tong效xiao率lv低di下xia,而er較jiao低di的de飽bao和he電dian流liu會hui導dao致zhi電dian感gan電dian流liu出chu現xian尖jian峰feng(見圖 7)。

圖 7:飽和電流過低的電感電流(藍色)和開關節點電壓(黃色)
額定電流(IR)和直流電阻(RDC)
另一個需要考慮的重要參數是額定電流 (IR)。 請記住,隨著電感的增加,額定電流 (IR) 會降低。再進一步,我們可以直接使用平均負載電流來估計有效溫升 (∆T)。
由於銅繞組內部的直流損耗,溫升與自熱直接相關。 這意味著直流電阻越低,自熱越低,電感的額定電流(IR)就越高。
在較小的封裝尺寸中,構成電感線圈的漆包銅線直徑也很小。這會導致較高的直流電阻、直流損耗和較低的IR。因此,在封裝尺寸和額定電流之間選擇一個好的折衷方案,對於成功設計降壓變換器非常重要。根據經驗,平均工作條件下,20°C 至 30°C 的溫升是較為可靠的起點(見圖 9)。另外,要保證EMC性能,PCB上的元件需要非常小,這樣才能讓熱回路也更小。

圖9: 額定電流曲線圖
匹配電感和降壓穩壓器以獲得最佳效率
現在我們已經了解了基本原理,要實現降壓變換器的最佳效率,我們需要選擇彼此性能匹配的一個穩壓器 IC 和一個電感。 如果忽略電感的交流損耗和 MOSFET 的轉換損耗,則可以關注直流功耗。
任何導體的功耗 (PLOSS) 都可以用公式 (3) 來計算: $$P_{LOSS} = I^2 times R_{DC} $$
由於MOSFET 有開有關,因此開關 MOSFET 的傳導損耗並不總是在整個開關周期內累加。 當上管MOSFET (HS-FET) 導通時,其功率損耗要乘以占空比 (DC) 。通過比較電感的直流電阻 (RDC) ) 與MOSFET 的導通電阻RDS(ON),我們可以取RDS(ON)的分數進行匹配。(RDC) ) 和(DC x RDS(ON))應彼此接近。它們不需要完全相等,但在差值非常接近時(1mΩ以內),我們可以得到很高的效率。
例如,對於 24V 到 5V 的轉換,占空比為VOUT / VIN = 0.208,這意味著 HS-FET 僅在 20.8% 的時間內傳導電感電流。 也意味著傳導損耗僅占總傳導損耗的 20.8%。但是,下管MOSFET (LS-FET) 以 79.2% 的占空比傳導電感電流,即在大多數情況下都處於導通狀態。 這就是為什麼大多數現代降壓穩壓器都具有不同的MOSFET上下管開關比。
為了最大限度地降低損耗並實現尺寸、性能和成本之間的最佳折衷,首先需將電感的直流電阻與 MOSFET 的 RDS(ON)比率進行匹配。
由於現代降壓變換器的導通電阻範圍從數十到數百 mΩ,因此,采用圓形或扁平銅線以及模塑鐵氧體化合物的小型高導電功率電感,可以相匹配獲得最佳性能。
Conclusion
市場上有大量不同的電感,因此匹配合適的電感和降壓變換器將是一項挑戰。即使需要在尺寸、效率和成本之間做出妥協,但總有一款電感可以滿足我們最終應用的技術和環境要求。
現代降壓穩壓器 IC hemosugonglvdiangandoujuyoushushihaooufanweidezhiliudianzuhechuandaodianzu。quebaosuoyoudianzudouzaitongyifanweineijiangyouzhuyuzaichicunhexiaolvzhijianshixianzuijiapingheng。jiaodadefengzhuangdianganhe MOSFET 通常有助於降低功率損耗。然而,在一定的尺寸下,成本和 PCB 空間會迅速增加而無法顯著提高性能。 因此,針對必要的飽和電流 (ISAT)、額定電流 (IR)、電阻 ((RDC)) 和導通電阻 (RDS(ON)) ,通過合理的努力實現功率電感與降壓變換器的最佳匹配,這是獲得最佳性能的一種快速簡便的方法。
來源:MPS
免責聲明:本文為轉載文章,轉載此文目的在於傳遞更多信息,版權歸原作者所有。本文所用視頻、圖片、文字如涉及作品版權問題,請聯係小編進行處理。
推薦閱讀:
特別推薦
- 噪聲中提取真值!瑞盟科技推出MSA2240電流檢測芯片賦能多元高端測量場景
- 10MHz高頻運行!氮矽科技發布集成驅動GaN芯片,助力電源能效再攀新高
- 失真度僅0.002%!力芯微推出超低內阻、超低失真4PST模擬開關
- 一“芯”雙電!聖邦微電子發布雙輸出電源芯片,簡化AFE與音頻設計
- 一機適配萬端:金升陽推出1200W可編程電源,賦能高端裝備製造
技術文章更多>>
- 一秒檢測,成本降至萬分之一,光引科技把幾十萬的台式光譜儀“搬”到了手腕上
- AI服務器電源機櫃Power Rack HVDC MW級測試方案
- 突破工藝邊界,奎芯科技LPDDR5X IP矽驗證通過,速率達9600Mbps
- 通過直接、準確、自動測量超低範圍的氯殘留來推動反滲透膜保護
- 從技術研發到規模量產:恩智浦第三代成像雷達平台,賦能下一代自動駕駛!
技術白皮書下載更多>>
- 車規與基於V2X的車輛協同主動避撞技術展望
- 數字隔離助力新能源汽車安全隔離的新挑戰
- 汽車模塊拋負載的解決方案
- 車用連接器的安全創新應用
- Melexis Actuators Business Unit
- Position / Current Sensors - Triaxis Hall
熱門搜索



