光電耦合器的實用技巧
發布時間:2008-10-29
中心論題:
- 光電耦合器非線性的克服
- 提高光電耦合器的傳輸速度
- 光耦的功率接口設計
解決方案:
- 利用2個具有相同非線性傳輸特性的光電耦合器以及2個射極跟隨器
- 采用VFC(電壓頻率轉換)方式或選擇線性光耦進行設計
- 用2隻光電耦合器接成互補推挽式電路
- 在光敏三極管的光敏基極上增加正反饋電路
- 光電可控矽驅動器進行隔離驅動設計
- 采用光電雙向可控矽驅動器
光電耦合器(簡稱光耦),是一種把發光元件和光敏元件封裝在同一殼體內,中間通過電→光→diandezhuanhuanlaichuanshudianxinhaodebandaotiguangdianziqijian。guangdianouheqikegenjubutongyaoqiu,youbutongzhongleidefaguangyuanjianheguangminyuanjianzuhechengxuduoxiliedeguangdianouheqi。muqianyingyongzuiguangdeshifaguangerjiguanheguangminsanjiguanzuhechengdeguangdianouheqi,qineibujiegourutu1a所示。
guangouyiguangxinhaoweimeijielaishixiandianxinhaodeouheyuchuandi,shuruyushuchuzaidianqishangwanquangeli,juyoukangganraoxingnengqiangdetedian。duiyujibaokuoruodiankongzhibufen,youbaokuoqiangdiankongzhibufendegongyeyingyongcekongxitong,caiyongguangougelikeyihenhaodishixianruodianheqiangdiandegeli,dadaokangganraomude。danshi,shiyongguangougelixuyaokaolvyixiajigewenti:光耦直接用於隔離傳輸模擬量時,要考慮光耦的非線性問題;光耦隔離傳輸數字量時,要考慮光耦的響應速度問題;如果輸出有功率要求的話,還得考慮光耦的功率接口設計問題。
光電耦合器非線性的克服
光電耦合器的輸入端是發光二極管,因此,它的輸入特性可用發光二極管的伏安特性來表示,如圖1b所示;輸出端是光敏三極管,因此光敏三極管的伏安特性就是它的輸出特性,如圖1c所示。由圖可見,光電耦合器存在著非線性工作區域,直接用來傳輸模擬量時精度較差。

圖1 光電耦合器結構及輸入、輸出特性
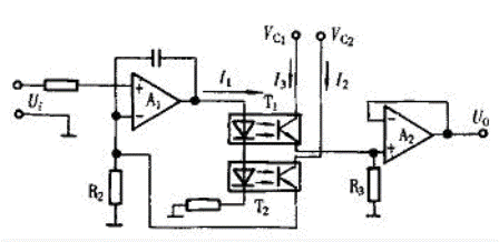
解決方法之一,利用2個具有相同非線性傳輸特性的光電耦合器,T1和T2,以及2個射極跟隨器A1和A2組成,如圖2所示。如果T1和T2是同型號同批次的光電耦合器,可以認為他們的非線性傳輸特性是完全一致的,即K1(I1)=K2(I1),則放大器的電壓增益G=Uo/U1=I3R3/I2R2=(R3/R2)[K1(I1)/K2(I1)]=R3/R2。由此可見,利用T1和T2電流傳輸特性的對稱性,利用反饋原理,可以很好的補償他們原來的非線性。

圖2 光電耦合線性電路
另一種模擬量傳輸的解決方法,就是采用VFC(電壓頻率轉換)方式,如圖3所示。現場變送器輸出模擬量信號(假設電壓信號),dianyapinlvzhuanhuanqijiangbiansongqisonglaidedianyaxinhaozhuanhuanchengmaichongxulie,tongguoguangougelihousongchu。zaizhujice,tongguoyigepinlvdianyazhuanhuandianlujiangmaichongxuliehaiyuanchengmonixinhao。cishi,xiangdangyuguangougelideshishuziliang,keyixiaochuguangoufeixianxingdeyingxiang。zheshiyizhongyouxiao、簡單易行的模擬量傳輸方式。

圖3 VFC方式傳送信號
當然,也可以選擇線性光耦進行設計,如精密線性光耦TIL300,高速線性光耦6N135/6N136。線性光耦一般價格比普通光耦高,但是使用方便,設計簡單;隨著器件價格的下降,使用線性光耦將是趨勢。
提高光電耦合器的傳輸速度
當(dang)采(cai)用(yong)光(guang)耦(ou)隔(ge)離(li)數(shu)字(zi)信(xin)號(hao)進(jin)行(xing)控(kong)製(zhi)係(xi)統(tong)設(she)計(ji)時(shi),光(guang)電(dian)耦(ou)合(he)器(qi)的(de)傳(chuan)輸(shu)特(te)性(xing),即(ji)傳(chuan)輸(shu)速(su)度(du),往(wang)往(wang)成(cheng)為(wei)係(xi)統(tong)最(zui)大(da)數(shu)據(ju)傳(chuan)輸(shu)速(su)率(lv)的(de)決(jue)定(ding)因(yin)素(su)。在(zai)許(xu)多(duo)總(zong)線(xian)式(shi)結(jie)構(gou)的(de)工(gong)業(ye)測(ce)控(kong)係(xi)統(tong)中(zhong),為(wei)了(le)防(fang)止(zhi)各(ge)模(mo)塊(kuai)之(zhi)間(jian)的(de)相(xiang)互(hu)幹(gan)擾(rao),同(tong)時(shi)不(bu)降(jiang)低(di)通(tong)訊(xun)波(bo)特(te)率(lv),我(wo)們(men)不(bu)得(de)不(bu)采(cai)用(yong)高(gao)速(su)光(guang)耦(ou)來(lai)實(shi)現(xian)模(mo)塊(kuai)之(zhi)間(jian)的(de)相(xiang)互(hu)隔(ge)離(li)。常(chang)用(yong)的(de)高(gao)速(su)光(guang)耦(ou)有(you)6N135/6N136,6N137/6N138。但是,高速光耦價格比較高,導致設計成本提高。這裏介紹兩種方法來提高普通光耦的開關速度。
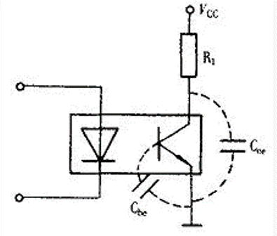
由於光耦自身存在的分布電容,對傳輸速度造成影響,光敏三極管內部存在著分布電容Cbe和Cce,如圖4suoshi。youyuguangoudedianliuchuanshubijiaodi,qijidianjifuzaidianzubunengtaixiao,fouzeshuchudianyadebaifujiushoudaolexianzhi。danshi,fuzaidianzuyoubuyiguoda,fuzaidianzuRL越大,由於分布電容的存在,光電耦合器的頻率特性就越差,傳輸延時也越長。

圖4 光敏三極管內部分布電容
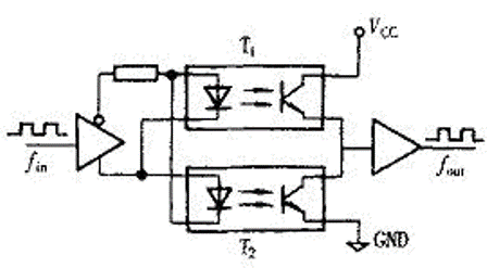
用2隻光電耦合器T1,T2接成互補推挽式電路,可以提高光耦的開關速度,如圖5所示。當脈衝上升為“1”電平時,T1截止,T2導通。相反,當脈衝為“0”電平時,T1導通,T2截止。這種互補推挽式電路的頻率特性大大優於單個光電耦合器的頻率特性。

圖5 2隻光電耦合器構成的推挽式電路
此外,在光敏三極管的光敏基極上增加正反饋電路,這樣可以大大提高光電耦合器的開關速度。如圖6所示電路,通過增加一個晶體管,四個電阻和一個電容,實驗證明,這個電路可以將光耦的最大數據傳輸速率提高10倍左右。

圖6 通過增加光敏基極正反饋來提高光耦的開關速度
光耦的功率接口設計
微機測控係統中,經常要用到功率接口電路,以便於驅動各種類型的負載,如直流伺服電機、步進電機、各種電磁閥等。這種接口電路一般具有帶負載能力強、輸出電流大、工作電壓高的特點。工程實踐表明,提高功率接口的抗幹擾能力,是保證工業自動化裝置正常運行的關鍵。
就(jiu)抗(kang)幹(gan)擾(rao)設(she)計(ji)而(er)言(yan),很(hen)多(duo)場(chang)合(he)下(xia),我(wo)們(men)既(ji)能(neng)采(cai)用(yong)光(guang)電(dian)耦(ou)合(he)器(qi)隔(ge)離(li)驅(qu)動(dong),也(ye)能(neng)采(cai)用(yong)繼(ji)電(dian)器(qi)隔(ge)離(li)驅(qu)動(dong)。一(yi)般(ban)情(qing)況(kuang)下(xia),對(dui)於(yu)那(na)些(xie)響(xiang)應(ying)速(su)度(du)要(yao)求(qiu)不(bu)很(hen)高(gao)的(de)啟(qi)停(ting)操(cao)作(zuo),我(wo)們(men)采(cai)用(yong)繼(ji)電(dian)器(qi)隔(ge)離(li)來(lai)設(she)計(ji)功(gong)率(lv)接(jie)口(kou);對於響應時間要求很快的控製係統,我們采用光電耦合器進行功率接口電路設計。這是因為繼電器的響應延遲時間需幾十ms,而光電耦合器的延遲時間通常都在10us之內,同時采用新型、集成度高、使用方便的光電耦合器進行功率驅動接口電路設計,可以達到簡化電路設計,降低散熱的目的。
圖7是采用光電耦合器隔離驅動直流負載的典型電路。因為普通光電耦合器的電流傳輸比CRT非常小,所以一般要用三極管對輸出電流進行放大,也可以直接采用達林頓型光電耦合器(見圖8)來代替普通光耦T1。例如東芝公司的4N30。對於輸出功率要求更高的場合,可以選用達林頓晶體管來替代普通三極管,例如ULN2800高壓大電流達林頓晶體管陣列係列產品,它的輸出電流和輸出電壓分別達到500mA和50V。

圖7 光電隔離,加三極管放大驅動

圖8 達林頓型光電耦合器
對於交流負載,可以采用光電可控矽驅動器進行隔離驅動設計,例如TLP541G,4N39。光電可控矽驅動器,特點是耐壓高,驅動電流不大,當交流負載電流較小時,可以直接用它來驅動,如圖9所示。當負載電流較大時,可以外接功率雙向可控矽,如圖10所示。其中,R1為限流電阻,用於限製光電可控矽的電流;R2為耦合電阻,其上的分壓用於觸發功率雙向可控矽。

圖9 小功率交流負載

圖10 大功率交流負載
當需要對輸出功率進行控製時,可以采用光電雙向可控矽驅動器,例如MOC3010。圖11為交流可控驅動電路,來自微機的控製信號 經過光電雙向可控矽驅動器T1隔離,控製雙向可控矽T2的導通,實現交流負載的功率控製。

圖11 交流可控電路
圖12為交流電源輸出直流可控電路。來自微機的控製信號 經jing過guo光guang電dian雙shuang向xiang可ke控kong矽gui驅qu動dong器qi隔ge離li,控kong製zhi可ke控kong矽gui橋qiao式shi整zheng流liu電dian路lu導dao通tong,實shi現xian交jiao流liu一yi直zhi流liu的de功gong率lv控kong製zhi。此ci電dian路lu已yi經jing應ying用yong在zai我wo們men實shi驗yan室shi研yan製zhi的de新xin型xing電dian機ji控kong製zhi設she備bei中zhong,效xiao果guo良liang好hao。

圖12 交-直流可控
- 噪聲中提取真值!瑞盟科技推出MSA2240電流檢測芯片賦能多元高端測量場景
- 10MHz高頻運行!氮矽科技發布集成驅動GaN芯片,助力電源能效再攀新高
- 失真度僅0.002%!力芯微推出超低內阻、超低失真4PST模擬開關
- 一“芯”雙電!聖邦微電子發布雙輸出電源芯片,簡化AFE與音頻設計
- 一機適配萬端:金升陽推出1200W可編程電源,賦能高端裝備製造
- 從機械執行到智能互動:移遠Q-Robotbox助力具身智能加速落地
- 品英Pickering將亮相2026航空電子國際論壇,展示航電與電池測試前沿方案
- 模擬芯片設計師的噩夢:晶體管差1毫伏就廢了,溫度升1度特性全飄
- 3A大電流僅需3x1.6mm?意法半導體DCP3603重新定義電源設計
- 芯科科技Tech Talks與藍牙亞洲大會聯動,線上線下賦能物聯網創新
- 車規與基於V2X的車輛協同主動避撞技術展望
- 數字隔離助力新能源汽車安全隔離的新挑戰
- 汽車模塊拋負載的解決方案
- 車用連接器的安全創新應用
- Melexis Actuators Business Unit
- Position / Current Sensors - Triaxis Hall




