基於SNMP的UPS接口轉換卡設計方案
發布時間:2011-07-21
中心議題:
- 基於SNMP的UPS接口轉換卡設計方案
解決方案:
- UPS監控係統設計
- UPS接口轉換卡設計
- UPS監控網絡數據管理
不間斷電源(UPS)能夠給計算機等電力電子設備提供持續穩定的不間斷電源供應,以避免因供電不穩定時而造成的設備損壞。但是由於UPS有限的備用時間,以及在工作中可能存在的各種異常情況,使得管理人員必須及時準確地了解設備運行時的電力環境,掌握UPS的工作狀況。目前大多數UPS監控係統是通過RS232或RS485的串行接口對UPS進(jin)行(xing)人(ren)工(gong)值(zhi)守(shou)的(de)方(fang)式(shi)進(jin)行(xing)監(jian)控(kong)。但(dan)這(zhe)兩(liang)種(zhong)接(jie)口(kou)都(dou)有(you)傳(chuan)輸(shu)距(ju)離(li)的(de)限(xian)製(zhi),不(bu)能(neng)實(shi)現(xian)任(ren)意(yi)距(ju)離(li)的(de)分(fen)散(san)式(shi)遠(yuan)程(cheng)監(jian)控(kong)。針(zhen)對(dui)這(zhe)一(yi)問(wen)題(ti),本(ben)文(wen)提(ti)出(chu)了(le)一(yi)種(zhong)基(ji)於(yu)SNMP網絡管理協議的UPS監控係統的設計方案,設計了集成SNMP協議的硬件接口轉換卡,使得僅擁有串行接口的UPS具有連網能力,從而實現了UPS的網絡管理和監控。
1 係統設計
整個監控係統框圖如圖1所示。

圖1 監控係統框圖
整個係統的核心為基於SNMPwangluoguanlixieyidejiekouzhuanhuanka。jiekouzhuanhuankayiduantongguowangxianyujiankongjisuanjixianglian,guanlirenyuantongguojisuanjikefangbiandiduiqijinxingcaozuo。jiekouzhuanhuankalingyiduantongguoyuUPS上的串行接口連接,來獲取UPS工作的各種信息及參數,然後再利用SNMP協議將接收到的數據轉換為管理信息庫(MIB)節點的變量值。管理員通過網絡管理軟件對MIB節點變量進行操作,從而獲得各UPS的監控信息,實現了安全可靠的遠程分散式管理。
2 接口轉換卡
2.1 硬件結構
單個的接口轉換卡主要由處理器、串口電路以及以太網接口電路組成。其結構框圖如圖2所示。

圖2 轉換卡結構框圖
用戶可根據自己的需求,定義包含UPS監控信息參數的管理信息庫,並將其保存。接口轉換卡的串行接口電路與UPS上的串行接口相接,控製器通過控製串行接口電路來獲取UPSdegongzuoxinxi。chuliqijiangjieshoudaodeshujuyuguanlixinxikuzhongsuodingyideshujuyiyiduiyingbingbaocun,bingtongguoyitaiwangjiekoudianludingshixiangwangluoguanlixitongfasongyonghuxuyaodejishixinxi。wangluoguanlixitongduiguanlixinxikuzhongdebianliangjinxingcaozuo,xiangjiekouzhuanhuankafasongzhaxunheshezhijiediandengmingling,chuliqitongguozhaxunMIB中相應的節點信息,根據串口通信協議向UPS發出相應的命令,再將得到的結果返回給網絡監控係統。
[page]
2.2 以太網接口電路
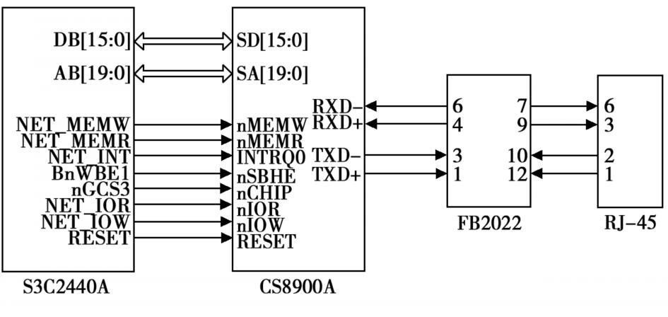
由於處理器內並未提供物理層接口,因此需外接一片物理層芯片,以提供以太網的接入通道。如圖2所示,以太網接口電路由以太網物理層芯片CS8900A,網絡隔離變壓器FB2022和RJ45接口所組成。
CS8900A采用I/O模式,硬件電路簡單,對寄存器的操作通過I/O端口O寫入或讀出。在I/O模式下,PacketPage存儲器被映射到處理器的8個16位的端口上。在芯片上電後,I/O基地址的默認值被置為300H。使用CS8900A作為以太網的物理層接口,在收到由主機發來的數據報後(從目的地址域到數據域),偵聽網絡線路。如果線路忙,則等到線路空閑為止;否則,立即發送該數據幀。在發送過程中,首先添加以太網頭(包括前導字段和幀開始標誌),然後生成CRC校驗碼,最後將數據幀發送到以太網上。在接收過程中,CS8900A將從以太網收到的數據幀在經過解碼、去幀頭和地址校驗等步驟後緩存在片內。在CRC校驗通過後,CS8900A會根據初始化配置情況,通知主機接收到了數據幀。最後,用DMA模式傳到主機的存儲區中。接口轉換電路中的以太網接口電路電路圖如圖3所示。

圖3 以太網電路圖
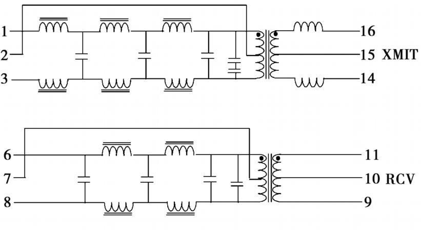
如圖3所示,本設計采用的是在通用的嵌入式微處理器$3C2440A上擴展以太網接口的方式。CS8900A通過總線與處理器相連,中斷與處理器外部中斷相接。S3C2440A的數據線DB[15:0]與CS8900A的數據線SD[15:0]連接,地址線AB[19:0]與CS8900A的數據線SA[19:0]連接,用來實現CS8900A與S3C2440A之間的數據傳輸;S3C2440A的NET_IOR引腳連接CS8900A的讀引腳nIOR,NET_IOW引腳連接CS8900A的寫引腳nIOW,用來控製CS8900A的讀寫;CS8900A與網絡的連接由接收信號線RXD+、RXD-和發送信號線TXD+、TXD-通過隔離變壓器FB2022與以太網水晶接頭RJ_45相連。隔離變壓器的主要作用是將嵌入式係統與外部線路相隔離,防止幹擾和燒壞元器件,實現帶電的插拔功能。其內部結構圖如圖4所示。

圖4 FB2022 內部結構圖
3 數據管理
為了使網絡管理變得簡潔有效,本設計中采用了因特網工程任務組(IETF)製定的基於TCP/IP參考模型的簡單網絡管理協議(SNMP)。通過對SNMP軟件包的解包以及擴展agent代理等操作,將處理器獲取的UPS工作信息轉化為MIB節點變量值。從而實現了由串口監控到網絡監控的UPS監控方式的轉變,使其能夠更為有效地在SNMP協議下進行監控。
[page]
3.1 μCiinux的移植
本設計中采用了帶有SNMP協議的μClinux操作係統,實現方式簡單。不僅完成了串行接口到網絡接口的轉換,還使用戶可以通過監控界麵按照SNMP協議標準進行統一管理。對於μClinux係統U-boot是最合適的Bootloader,其設計過程如圖5所示。

圖5 Uboot設計過程
3.2 串行數據解析
由於移植SNMP軟件包後用戶隻能對當前軟件包中的MIB庫進行操作,因此還需要添加自己定義的MIB庫,將SNMP擴展的代理程序添加到μClinux操作係統中去。根據專為UPS製定的串口協議標準MegaTec,可先向UPS發送信息查詢命令,然後將接收到的數據進行解析,從而得到了UPS的基本信息,返回給監控係統。MegaTec協議中規定了通過串口監控UPS的命令格式以及其他各項基本參數,用戶隻需發送相應的命令即可得到需要的UPS工作信息。串口解析數據的流程如圖6所示。

圖6 串口數據解析流程
結束語
本文提出了一種智能的基於SNMP網絡管理協議的UPS接口轉換卡的設計方案。其中以太網接口電路由以太網物理層芯片CS8900A,網絡隔離變壓器FB2022和RJ45接口所組成。軟件設計使用了μClinux操作係統,可以方便地移植SNMP應用程序,使得僅擁有串行接口的UPS具有連網能力,實現了UPS由串口監控到網絡監控的轉變,完成了UPS的網絡管理和監控。
- 噪聲中提取真值!瑞盟科技推出MSA2240電流檢測芯片賦能多元高端測量場景
- 10MHz高頻運行!氮矽科技發布集成驅動GaN芯片,助力電源能效再攀新高
- 失真度僅0.002%!力芯微推出超低內阻、超低失真4PST模擬開關
- 一“芯”雙電!聖邦微電子發布雙輸出電源芯片,簡化AFE與音頻設計
- 一機適配萬端:金升陽推出1200W可編程電源,賦能高端裝備製造
- 築基AI4S:摩爾線程全功能GPU加速中國生命科學自主生態
- 一秒檢測,成本降至萬分之一,光引科技把幾十萬的台式光譜儀“搬”到了手腕上
- AI服務器電源機櫃Power Rack HVDC MW級測試方案
- 突破工藝邊界,奎芯科技LPDDR5X IP矽驗證通過,速率達9600Mbps
- 通過直接、準確、自動測量超低範圍的氯殘留來推動反滲透膜保護
- 車規與基於V2X的車輛協同主動避撞技術展望
- 數字隔離助力新能源汽車安全隔離的新挑戰
- 汽車模塊拋負載的解決方案
- 車用連接器的安全創新應用
- Melexis Actuators Business Unit
- Position / Current Sensors - Triaxis Hall




