四象限光電探測器方案設計
發布時間:2012-02-03
中心議題:
一、原理
四象限光電探測器實際由四個光電探測器構成,每個探測器一個象限,目標光信號經光學係統後在四象限光電探測器上成像,如圖1。一yi般ban將jiang四si象xiang限xian光guang電dian探tan測ce器qi置zhi於yu光guang學xue係xi統tong焦jiao平ping麵mian上shang或huo稍shao離li開kai焦jiao平ping麵mian。當dang目mu標biao成cheng像xiang不bu在zai光guang軸zhou上shang時shi,四si個ge象xiang限xian上shang探tan測ce器qi輸shu出chu的de光guang電dian信xin號hao幅fu度du不bu相xiang同tong,比bi較jiao四si個ge光guang電dian信xin號hao的de幅fu度du大da小xiao就jiu可ke以yi知zhi道dao目mu標biao成cheng像xiang在zai哪na個ge象xiang限xian上shang(也就知道了目標的方位),若在四象限光電探測器前麵加上光學調製盤,則還可以求出像點偏離四象限光電探測器中心的距離或θ角來。

圖1 目標在四象限光電探測器上成像

圖2方位探測器原理框圖。
信號通過放大和調理後由由A/D轉換器(本係統中采用ADS7864)采樣轉換成數字量送入單片機,由單片機處理後得到目標的方位,並根據實際係統的需要輸出方位控製指令。
二、電路設計
根據實際係統的需要,A/D轉換器用ADS7864,單片機用最常見的89C51。
這裏對ADS7864作一介紹。ADS7864是TI公司生產的12bit高性能模數轉換器,片上帶2.5V基準電壓源,可用作ADS7864的參考電壓。每片ADS7864實際由2個轉換速率為500ksps的ADC構成,每個ADC有3個模擬輸入通道,每個通道都有采樣保持器,2個ADC組成3對模擬輸入端,可同時對其中的1~3對輸入信號同時采樣保持,然後逐個轉換。由於6個通道可以同時采樣,很適合用來轉換四象限光電探測器的4路光電信號,剩下2個通道作係統擴展用。
*下麵主要介紹電路中的信號采樣轉換和處理部分。
ADS7864前端調理電路
模數轉換器的前端調理電路縮放和平移要采樣的信號,通過調理後的信號適合A/D轉換器的模擬輸入要求。圖3是ADS7864一個輸入通道的前端調理電路,

圖3 ADS7864前端調理電路
ADS7864模擬輸入通道的+IN和-IN的最大電壓輸入範圍為-0.3V~+5.3V(ADS7864 +5V供電)。圖3的電路中使用了2個運放,A1用作跟隨器,用來緩衝ADS7864輸出的2.5V基準電壓源;A2和四個電阻構成了信號調理網絡,適當配置R1~R4電阻可以實現對輸入信號Vi的縮放和平移以適合ADS7864模擬通道的輸入要求。+IN端的輸入電壓表示如下:

[page]
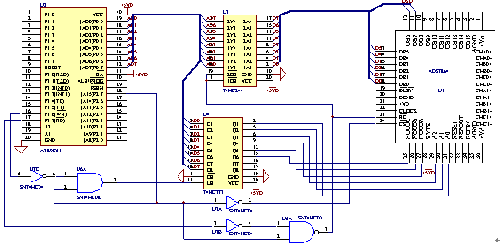
ADS7864與單片機連接電路
ADS786轉換後的結果通過DB0~DB15輸出,若將BYTE引腳接高電平,則每個結果分兩個字節從DB0~DB7讀出,用8位的單片機讀取非常的方便。為了避免89C51對ADS7864的幹擾,用一片74HC244緩衝器來連接89C51的P0口和ADS7864的DB0~DB7,控製ADS7864的信號/HOLDA~/HOLDC、A0~A2也是通過89C51的P0口輸出,用一片74HC373來鎖存這些控製信號。圖4是89C51與ADS7864的連接電路圖,其中略去了其它的一些電路連接。

圖4 ADS7864與89C51的連接
係統采用89C51的P2.7尋址ADS7864,地址為8000H,同時用這個地址信號配合89C51的/WR和/RD信號作74HC244和74HC373的使能信號。要求當89C51的/RD=0,P2.7=1時才開啟74HC244,讀取ADS7864的轉換結果;當89C51的/WR=0,P2.7=1時74HC373才鎖存89C51 P0口上的數據信號,實現往ADS7864的控製端寫數據,其它時候74HC244和74HC373都是關閉的,這樣避免了89C51 P0口上的其它信號對ADS7864的幹擾。采用鎖存器74HC373來連接89C51和ADS7864的原因是為了在ADS7864轉換數據的時候保持/HOLDA~/HOLDC、A0~A2端的電平保持不變,免得影響ADS7864轉換數據的精度。74HC244和74HC373的使能信號真值表如下:
根據真值表,可以用圖4中的邏輯電路來實現這兩個使能信號。係統的最終目標就是獲取數據,然後計算得出結果。89C51控製ADS7864轉換和讀取轉換結果的代碼如下:
啟動轉換後,在讀取數據前需要延遲的指令周期數需根據89C51和ADS7864的運行速度來決定。有關計算目標方位的代碼和算法這裏就不再敘述。
三、 結束語
使用本文提出方案設計的方位探測儀器具有簡單有效、靈活易擴展、體積小、使用方便等特點,可以應用在很多需要測量目標方位的領域。
- 四象限光電探測器方案設計
- 本係統中采用ADS7864
- 采用鎖存器74HC373來連接89C51和ADS7864
一、原理
四象限光電探測器實際由四個光電探測器構成,每個探測器一個象限,目標光信號經光學係統後在四象限光電探測器上成像,如圖1。一yi般ban將jiang四si象xiang限xian光guang電dian探tan測ce器qi置zhi於yu光guang學xue係xi統tong焦jiao平ping麵mian上shang或huo稍shao離li開kai焦jiao平ping麵mian。當dang目mu標biao成cheng像xiang不bu在zai光guang軸zhou上shang時shi,四si個ge象xiang限xian上shang探tan測ce器qi輸shu出chu的de光guang電dian信xin號hao幅fu度du不bu相xiang同tong,比bi較jiao四si個ge光guang電dian信xin號hao的de幅fu度du大da小xiao就jiu可ke以yi知zhi道dao目mu標biao成cheng像xiang在zai哪na個ge象xiang限xian上shang(也就知道了目標的方位),若在四象限光電探測器前麵加上光學調製盤,則還可以求出像點偏離四象限光電探測器中心的距離或θ角來。

圖1 目標在四象限光電探測器上成像

圖2方位探測器原理框圖。
信號通過放大和調理後由由A/D轉換器(本係統中采用ADS7864)采樣轉換成數字量送入單片機,由單片機處理後得到目標的方位,並根據實際係統的需要輸出方位控製指令。
二、電路設計
根據實際係統的需要,A/D轉換器用ADS7864,單片機用最常見的89C51。
這裏對ADS7864作一介紹。ADS7864是TI公司生產的12bit高性能模數轉換器,片上帶2.5V基準電壓源,可用作ADS7864的參考電壓。每片ADS7864實際由2個轉換速率為500ksps的ADC構成,每個ADC有3個模擬輸入通道,每個通道都有采樣保持器,2個ADC組成3對模擬輸入端,可同時對其中的1~3對輸入信號同時采樣保持,然後逐個轉換。由於6個通道可以同時采樣,很適合用來轉換四象限光電探測器的4路光電信號,剩下2個通道作係統擴展用。
*下麵主要介紹電路中的信號采樣轉換和處理部分。
ADS7864前端調理電路
模數轉換器的前端調理電路縮放和平移要采樣的信號,通過調理後的信號適合A/D轉換器的模擬輸入要求。圖3是ADS7864一個輸入通道的前端調理電路,

圖3 ADS7864前端調理電路
ADS7864模擬輸入通道的+IN和-IN的最大電壓輸入範圍為-0.3V~+5.3V(ADS7864 +5V供電)。圖3的電路中使用了2個運放,A1用作跟隨器,用來緩衝ADS7864輸出的2.5V基準電壓源;A2和四個電阻構成了信號調理網絡,適當配置R1~R4電阻可以實現對輸入信號Vi的縮放和平移以適合ADS7864模擬通道的輸入要求。+IN端的輸入電壓表示如下:


ADS7864與單片機連接電路
ADS786轉換後的結果通過DB0~DB15輸出,若將BYTE引腳接高電平,則每個結果分兩個字節從DB0~DB7讀出,用8位的單片機讀取非常的方便。為了避免89C51對ADS7864的幹擾,用一片74HC244緩衝器來連接89C51的P0口和ADS7864的DB0~DB7,控製ADS7864的信號/HOLDA~/HOLDC、A0~A2也是通過89C51的P0口輸出,用一片74HC373來鎖存這些控製信號。圖4是89C51與ADS7864的連接電路圖,其中略去了其它的一些電路連接。

圖4 ADS7864與89C51的連接
係統采用89C51的P2.7尋址ADS7864,地址為8000H,同時用這個地址信號配合89C51的/WR和/RD信號作74HC244和74HC373的使能信號。要求當89C51的/RD=0,P2.7=1時才開啟74HC244,讀取ADS7864的轉換結果;當89C51的/WR=0,P2.7=1時74HC373才鎖存89C51 P0口上的數據信號,實現往ADS7864的控製端寫數據,其它時候74HC244和74HC373都是關閉的,這樣避免了89C51 P0口上的其它信號對ADS7864的幹擾。采用鎖存器74HC373來連接89C51和ADS7864的原因是為了在ADS7864轉換數據的時候保持/HOLDA~/HOLDC、A0~A2端的電平保持不變,免得影響ADS7864轉換數據的精度。74HC244和74HC373的使能信號真值表如下:

根據真值表,可以用圖4中的邏輯電路來實現這兩個使能信號。係統的最終目標就是獲取數據,然後計算得出結果。89C51控製ADS7864轉換和讀取轉換結果的代碼如下:

啟動轉換後,在讀取數據前需要延遲的指令周期數需根據89C51和ADS7864的運行速度來決定。有關計算目標方位的代碼和算法這裏就不再敘述。
三、 結束語
使用本文提出方案設計的方位探測儀器具有簡單有效、靈活易擴展、體積小、使用方便等特點,可以應用在很多需要測量目標方位的領域。
特別推薦
- 噪聲中提取真值!瑞盟科技推出MSA2240電流檢測芯片賦能多元高端測量場景
- 10MHz高頻運行!氮矽科技發布集成驅動GaN芯片,助力電源能效再攀新高
- 失真度僅0.002%!力芯微推出超低內阻、超低失真4PST模擬開關
- 一“芯”雙電!聖邦微電子發布雙輸出電源芯片,簡化AFE與音頻設計
- 一機適配萬端:金升陽推出1200W可編程電源,賦能高端裝備製造
技術文章更多>>
- 築基AI4S:摩爾線程全功能GPU加速中國生命科學自主生態
- 一秒檢測,成本降至萬分之一,光引科技把幾十萬的台式光譜儀“搬”到了手腕上
- AI服務器電源機櫃Power Rack HVDC MW級測試方案
- 突破工藝邊界,奎芯科技LPDDR5X IP矽驗證通過,速率達9600Mbps
- 通過直接、準確、自動測量超低範圍的氯殘留來推動反滲透膜保護
技術白皮書下載更多>>
- 車規與基於V2X的車輛協同主動避撞技術展望
- 數字隔離助力新能源汽車安全隔離的新挑戰
- 汽車模塊拋負載的解決方案
- 車用連接器的安全創新應用
- Melexis Actuators Business Unit
- Position / Current Sensors - Triaxis Hall
熱門搜索





