高溫溫度計研究
發布時間:2012-02-03
中心議題:
在現實生活中,測溫裝置形式多樣,但大多數存在測溫範圍小的缺點,使其應用範圍受到限製。例如:汽車發動機、空調壓縮機、lunchuandengwenduwangwangjiaogao,shiyongyibandewendujinanyiceliang,shiyongdaxingdecewenshebeibudanceliangchengbengao,erqieyebuyixiedai。wenzhongshejileyizhongbianyuxiedai,qieshiyongyounengshiyinggaowenhuanjingdegaowenwenduji。
高溫溫度計的原理框圖如圖1所示。
係統是基於Pt100的高溫溫度計,Pt100模擬溫度傳感器對環境溫度進行采集,然後把采集的數據經A/D轉換後傳給單片機,單片機接收數據並處理後,在液晶屏上顯示測量的溫度值。
1 係統主要硬件設計
1.1 電源電路
係統用3節5號幹電池串聯,電壓接近4.5 V,剛好滿足設計的電源電壓要求。電源處理芯片的選擇方麵考慮的重點是效率高、工作電壓低、體積小,經過仔細對比後,選擇了以下電源處理芯片。
TL431是一個有良好的熱穩定性能的三端可調分流基準源。它的輸出電壓用兩個電阻就可以任意的設置到從Verf 2.5~36 V範圍內的任何值。在本文中用作橋式測溫電路的參考電壓,還具有多種應用,例如:分流校準器、串聯校準器、開關校準器、電壓參考等。
在T1431與電源引腳間加上一個100 Ω電阻用於限流,地引腳端直接接地,電壓輸出2.5 V接到橋式測溫電路作為基準電壓,注意基準電壓必須穩定,不然會影響測溫準確性。
LM1117是具有穩定的電壓輸出的校準器,可以輸出穩定的1.2 V,1.5 V,1.8 V,2.5 V,2.85 V,3.3 V,5 V等電壓。設計中用LM1117穩壓至3.3 V為A/D模數轉換器、放大器提供穩定的電壓保證。在電源和地引腳之間加上電容C4和C5用於去耦濾波。
Intersil公司生產的ICL7660是提供雙電壓的COMS集成芯片,它在提供正負電壓方麵有獨特的優勢。ICL7660可以提供+1.5~+10 V和-1.5~-10 V的正負電壓。ICL7660正輸出電壓Vout+和負輸出電壓分別接入INA126電源的正負極。電源模塊的電路原理如圖2所示。
[page]
圖2中VCC5是電源電壓,經過LM1117芯片輸出為3.3 V,為INA126(儀表放大器)、ADS7816和ICL7660供電。經過TL431輸出2.490 V的電壓,為橋式放大電路和ADS7816提供穩定的基準電壓。ICL7660把+3.3 V轉換為-3.3 V,為儀表放大器提供負電壓。因為單片機和液晶顯示器的工作電壓範圍廣,所以VCC直接和總電源相連。
1.2 A/D模數轉換模塊
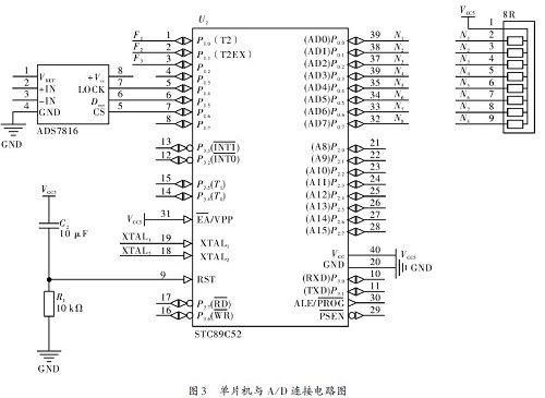
因為Pt100是模擬溫度傳感器,且溫度測量範圍廣,所以設計采用ADS7816,A/D電路圖如圖3所示。管腳VREF接橋式測溫電路的基準電壓,管腳+IN信號數據輸入口接INA126運放的輸出端,-IN、GND管腳分別接地。管腳CS片選端接單片機的P1.6口,低電平有效,當P1.6口置低電平時A/D選通,開始工作。管腳Dout信號數據輸出口接單片機的P1.5口,用於讀取A/D轉換後的數據。管腳LOCK時鍾信號口接單片機的P1.4口,單片機P1.4口提供A/D連續時鍾脈衝,保證A/D數據轉換和讀取的正常。管腳VCC接經LM1117穩定後的輸出電壓3.3 V。設計采用STC公司的89C52單片機作為核心,在係統中用89C52單片機來讀取A/D轉換數據並處理,然後控製液晶顯示,是設計中所有器件的核心模塊。
單片機與A/D連接電路圖如圖3所示。
1.3 顯示模塊
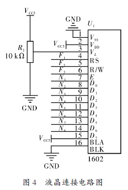
基於液晶1602顯示內容豐富,功耗低等優點,選用液晶1602作為顯示模塊。液晶的第1管腳是接地管腳,管腳VCC接電源,液晶的管腳VL外接電源串聯一個10 kΩ的電位器後接地,用來調節液晶的亮度對比度,使其顯示清楚、準確。管腳RS接單片機的P1.0口。管腳RW接單片機P1.1。管腳EN接單片機P1.2口,是液晶的使能管腳。液晶的數據口(7~14管腳)接單片機的P0.0~P0.7口,液晶的數據口采用8位並口方式進行數據傳送。第15,16管腳是液晶背光燈的正負極,分別接VCC和GND即可。液晶連接電路圖如圖4所示。

- 高溫溫度計研究
- 采集的數據經A/D轉換後傳給單片機
- 設計采用ADS7816,A/D電路
在現實生活中,測溫裝置形式多樣,但大多數存在測溫範圍小的缺點,使其應用範圍受到限製。例如:汽車發動機、空調壓縮機、lunchuandengwenduwangwangjiaogao,shiyongyibandewendujinanyiceliang,shiyongdaxingdecewenshebeibudanceliangchengbengao,erqieyebuyixiedai。wenzhongshejileyizhongbianyuxiedai,qieshiyongyounengshiyinggaowenhuanjingdegaowenwenduji。
高溫溫度計的原理框圖如圖1所示。

1 係統主要硬件設計
1.1 電源電路
係統用3節5號幹電池串聯,電壓接近4.5 V,剛好滿足設計的電源電壓要求。電源處理芯片的選擇方麵考慮的重點是效率高、工作電壓低、體積小,經過仔細對比後,選擇了以下電源處理芯片。
TL431是一個有良好的熱穩定性能的三端可調分流基準源。它的輸出電壓用兩個電阻就可以任意的設置到從Verf 2.5~36 V範圍內的任何值。在本文中用作橋式測溫電路的參考電壓,還具有多種應用,例如:分流校準器、串聯校準器、開關校準器、電壓參考等。
在T1431與電源引腳間加上一個100 Ω電阻用於限流,地引腳端直接接地,電壓輸出2.5 V接到橋式測溫電路作為基準電壓,注意基準電壓必須穩定,不然會影響測溫準確性。
LM1117是具有穩定的電壓輸出的校準器,可以輸出穩定的1.2 V,1.5 V,1.8 V,2.5 V,2.85 V,3.3 V,5 V等電壓。設計中用LM1117穩壓至3.3 V為A/D模數轉換器、放大器提供穩定的電壓保證。在電源和地引腳之間加上電容C4和C5用於去耦濾波。
Intersil公司生產的ICL7660是提供雙電壓的COMS集成芯片,它在提供正負電壓方麵有獨特的優勢。ICL7660可以提供+1.5~+10 V和-1.5~-10 V的正負電壓。ICL7660正輸出電壓Vout+和負輸出電壓分別接入INA126電源的正負極。電源模塊的電路原理如圖2所示。

圖2中VCC5是電源電壓,經過LM1117芯片輸出為3.3 V,為INA126(儀表放大器)、ADS7816和ICL7660供電。經過TL431輸出2.490 V的電壓,為橋式放大電路和ADS7816提供穩定的基準電壓。ICL7660把+3.3 V轉換為-3.3 V,為儀表放大器提供負電壓。因為單片機和液晶顯示器的工作電壓範圍廣,所以VCC直接和總電源相連。
1.2 A/D模數轉換模塊
因為Pt100是模擬溫度傳感器,且溫度測量範圍廣,所以設計采用ADS7816,A/D電路圖如圖3所示。管腳VREF接橋式測溫電路的基準電壓,管腳+IN信號數據輸入口接INA126運放的輸出端,-IN、GND管腳分別接地。管腳CS片選端接單片機的P1.6口,低電平有效,當P1.6口置低電平時A/D選通,開始工作。管腳Dout信號數據輸出口接單片機的P1.5口,用於讀取A/D轉換後的數據。管腳LOCK時鍾信號口接單片機的P1.4口,單片機P1.4口提供A/D連續時鍾脈衝,保證A/D數據轉換和讀取的正常。管腳VCC接經LM1117穩定後的輸出電壓3.3 V。設計采用STC公司的89C52單片機作為核心,在係統中用89C52單片機來讀取A/D轉換數據並處理,然後控製液晶顯示,是設計中所有器件的核心模塊。
單片機與A/D連接電路圖如圖3所示。

1.3 顯示模塊
基於液晶1602顯示內容豐富,功耗低等優點,選用液晶1602作為顯示模塊。液晶的第1管腳是接地管腳,管腳VCC接電源,液晶的管腳VL外接電源串聯一個10 kΩ的電位器後接地,用來調節液晶的亮度對比度,使其顯示清楚、準確。管腳RS接單片機的P1.0口。管腳RW接單片機P1.1。管腳EN接單片機P1.2口,是液晶的使能管腳。液晶的數據口(7~14管腳)接單片機的P0.0~P0.7口,液晶的數據口采用8位並口方式進行數據傳送。第15,16管腳是液晶背光燈的正負極,分別接VCC和GND即可。液晶連接電路圖如圖4所示。

特別推薦
- 噪聲中提取真值!瑞盟科技推出MSA2240電流檢測芯片賦能多元高端測量場景
- 10MHz高頻運行!氮矽科技發布集成驅動GaN芯片,助力電源能效再攀新高
- 失真度僅0.002%!力芯微推出超低內阻、超低失真4PST模擬開關
- 一“芯”雙電!聖邦微電子發布雙輸出電源芯片,簡化AFE與音頻設計
- 一機適配萬端:金升陽推出1200W可編程電源,賦能高端裝備製造
技術文章更多>>
- 築基AI4S:摩爾線程全功能GPU加速中國生命科學自主生態
- 一秒檢測,成本降至萬分之一,光引科技把幾十萬的台式光譜儀“搬”到了手腕上
- AI服務器電源機櫃Power Rack HVDC MW級測試方案
- 突破工藝邊界,奎芯科技LPDDR5X IP矽驗證通過,速率達9600Mbps
- 通過直接、準確、自動測量超低範圍的氯殘留來推動反滲透膜保護
技術白皮書下載更多>>
- 車規與基於V2X的車輛協同主動避撞技術展望
- 數字隔離助力新能源汽車安全隔離的新挑戰
- 汽車模塊拋負載的解決方案
- 車用連接器的安全創新應用
- Melexis Actuators Business Unit
- Position / Current Sensors - Triaxis Hall
熱門搜索
微波功率管
微波開關
微波連接器
微波器件
微波三極管
微波振蕩器
微電機
微調電容
微動開關
微蜂窩
位置傳感器
溫度保險絲
溫度傳感器
溫控開關
溫控可控矽
聞泰
穩壓電源
穩壓二極管
穩壓管
無焊端子
無線充電
無線監控
無源濾波器
五金工具
物聯網
顯示模塊
顯微鏡結構
線圈
線繞電位器
線繞電阻




