反應速度快、敏感度高的SIM卡
發布時間:2013-03-15 責任編輯:easonxu
【導讀】SIM卡也稱為智能卡、用戶身份識別卡,GSM數shu字zi移yi動dong電dian話hua機ji必bi須xu裝zhuang上shang此ci卡ka方fang能neng使shi用yong。它ta在zai一yi電dian腦nao芯xin片pian上shang存cun儲chu了le數shu字zi移yi動dong電dian話hua客ke戶hu的de信xin息xi,加jia密mi的de密mi鑰yao以yi及ji用yong戶hu的de電dian話hua簿bu等deng內nei容rong,可ke供gongGSM網絡客戶身份進行鑒別,並對客戶通話時的語音信息進行加密。
SIM卡數據線路保護一直是各個公司的產品重點,而且專門為此類端口設計的集ESD(TVS)/EMI/RFI防護於一個芯片的器件,充分體現了片式器件的無限集成方案。
在針對不同用途選擇器件時,要避免使器件工作在其設計參數極限附近,還應根據被保護回路的特征及可能承受ESD衝擊的特征選用反應速度足夠快、敏感度足夠高的器件,這對於有效發揮保護器件的作用十分關鍵,另外集成它功能的器件也應當首先考慮。Semtech公司有專有的ESD/EMD TVS器件給SIM卡保護。

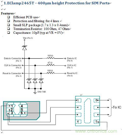
圖1:400 pm height protection for SIM Ports

圖2:SIM Port with SWP Line
- 噪聲中提取真值!瑞盟科技推出MSA2240電流檢測芯片賦能多元高端測量場景
- 10MHz高頻運行!氮矽科技發布集成驅動GaN芯片,助力電源能效再攀新高
- 失真度僅0.002%!力芯微推出超低內阻、超低失真4PST模擬開關
- 一“芯”雙電!聖邦微電子發布雙輸出電源芯片,簡化AFE與音頻設計
- 一機適配萬端:金升陽推出1200W可編程電源,賦能高端裝備製造
- 三星上演罕見對峙:工會集會討薪,股東隔街抗議
- 摩爾線程實現DeepSeek-V4“Day-0”支持,國產GPU適配再提速
- 築牢安全防線:智能駕駛邁向規模化應用的關鍵挑戰與破局之道
- GPT-Image 2:99%文字準確率,AI生圖告別“鬼畫符”
- 機器人馬拉鬆的勝負手:藏在主板角落裏的“時鍾戰爭”
- 車規與基於V2X的車輛協同主動避撞技術展望
- 數字隔離助力新能源汽車安全隔離的新挑戰
- 汽車模塊拋負載的解決方案
- 車用連接器的安全創新應用
- Melexis Actuators Business Unit
- Position / Current Sensors - Triaxis Hall

