精簡控製結構的FPGA多重配置硬件電路設計
發布時間:2015-02-19 責任編輯:sherryyu
【導讀】當把多個功能複雜的程序集成到一個FPGA 上實現時,由於各個程序的數據通路及所占用的資源可能衝突,使得FPGA 控製模塊的結構臃腫,影響了整個係統工作效率。通過FPGA 的多重配置可以有效地精簡控製結構的設計,同時可以用邏輯資源較少的FPGA 器件實現需要很大資源才能實現的程序。
現代硬件設計規模逐漸增大,單個程序功能越來越複雜,當把多個功能複雜的程序集成到一個FPGA 上實現時,由於各個程序的數據通路及所占用的資源可能衝突,使得FPGA 控製模塊的結構臃腫,影響了整個係統工作效率。通過FPGA 的多重配置可以有效地精簡控製結構的設計,同時可以用邏輯資源較少的FPGA 器件實現需要很大資源才能實現的程序。以Virtex5係列開發板和配置存儲器SPIFLASH為基礎,從硬件電路和軟件設計兩個方麵對多重配置進行分 析,給出了多重配置實現的具體步驟,對實現複雜硬件設計工程有一定的參考價值。
當FPGA 完成上電自動加載初始化的比特流後,可以通過觸發FPGA 內部的多重啟動事件使得FPGA 從外部配置存儲器(SPI FLASH)指定的地址自動下載一個新的比特流來重新配置。FPGA 的多重配置可以通過多種方式來實現。

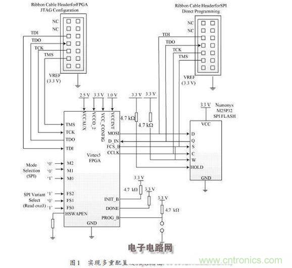
電路原理:多 重配置的硬件主要包括FPGA 板卡和貯存配置文件的FLASH芯片。FPGA 選用XILINX公司Virtex-5係列中的ML507,該產品針對FPGA 多重配置增加了專用的內部加載邏輯。FLASH芯片選用XILINX公司的SPI FLASH芯片M25P32,該芯片存貯空間為32 Mb,存貯文件的數量與文件大小以及所使用的FPGA 芯片有關。實現多重配置首先要將FPGA 和外部配置存儲器連接為從SPI FLASH加載配置文件的模式。
配置電路硬件連接框圖如圖1所示。在FPGA 配置模式中,M2,M1,M0為0,0,1,這種配置模式對應邊界掃描加上拉,FPGA 在這種模式下所有的I/O 隻在配置期間有效。在配置完成後,不用的I/O 將被浮空M2,M1,M0 三個選擇開關對應於ML507 開發板上的SW3開關中的4,5,6位,在FPGA 上電之前將上述開關撥為0,0,1狀態。
特別推薦
- 噪聲中提取真值!瑞盟科技推出MSA2240電流檢測芯片賦能多元高端測量場景
- 10MHz高頻運行!氮矽科技發布集成驅動GaN芯片,助力電源能效再攀新高
- 失真度僅0.002%!力芯微推出超低內阻、超低失真4PST模擬開關
- 一“芯”雙電!聖邦微電子發布雙輸出電源芯片,簡化AFE與音頻設計
- 一機適配萬端:金升陽推出1200W可編程電源,賦能高端裝備製造
技術文章更多>>
- 從機械執行到智能互動:移遠Q-Robotbox助力具身智能加速落地
- 品英Pickering將亮相2026航空電子國際論壇,展示航電與電池測試前沿方案
- 模擬芯片設計師的噩夢:晶體管差1毫伏就廢了,溫度升1度特性全飄
- 3A大電流僅需3x1.6mm?意法半導體DCP3603重新定義電源設計
- 芯科科技Tech Talks與藍牙亞洲大會聯動,線上線下賦能物聯網創新
技術白皮書下載更多>>
- 車規與基於V2X的車輛協同主動避撞技術展望
- 數字隔離助力新能源汽車安全隔離的新挑戰
- 汽車模塊拋負載的解決方案
- 車用連接器的安全創新應用
- Melexis Actuators Business Unit
- Position / Current Sensors - Triaxis Hall
熱門搜索
按鈕開關
白色家電
保護器件
保險絲管
北鬥定位
北高智
貝能科技
背板連接器
背光器件
編碼器型號
便攜產品
便攜醫療
變容二極管
變壓器
檳城電子
並網
撥動開關
玻璃釉電容
剝線機
薄膜電容
薄膜電阻
薄膜開關
捕魚器
步進電機
測力傳感器
測試測量
測試設備
拆解
場效應管
超霸科技


