軟件可配置硬件如何幫助實現工業I/O模塊的靈活性
發布時間:2021-07-19 來源:Hakan Uenlue 責任編輯:lina
【導讀】不管是用於過程控製安裝還是工業自動化係統,I/O模mo塊kuai或huo現xian場chang接jie線xian盒he在zai整zheng個ge產chan品pin生sheng命ming周zhou期qi中zhong都dou麵mian臨lin著zhe各ge種zhong獨du特te的de挑tiao戰zhan。產chan品pin管guan理li層ceng需xu要yao決jue定ding每mei個ge產chan品pin使shi用yong多duo少shao個ge通tong道dao以yi及ji進jin行xing哪na些xie組zu合he。電dian子zi設she計ji人ren員yuan必bi須xu決jue定ding如ru何he對dui項xiang目mu中zhong的de各ge種zhong模mo擬ni或huo數shu字zi信xin號hao實shi現xian出chu色se性xing能neng以yi及ji成cheng本ben高gao效xiao的de係xi統tong。
不管是用於過程控製安裝還是工業自動化係統,I/O模mo塊kuai或huo現xian場chang接jie線xian盒he在zai整zheng個ge產chan品pin生sheng命ming周zhou期qi中zhong都dou麵mian臨lin著zhe各ge種zhong獨du特te的de挑tiao戰zhan。產chan品pin管guan理li層ceng需xu要yao決jue定ding每mei個ge產chan品pin使shi用yong多duo少shao個ge通tong道dao以yi及ji進jin行xing哪na些xie組zu合he。電dian子zi設she計ji人ren員yuan必bi須xu決jue定ding如ru何he對dui項xiang目mu中zhong的de各ge種zhong模mo擬ni或huo數shu字zi信xin號hao實shi現xian出chu色se性xing能neng以yi及ji成cheng本ben高gao效xiao的de係xi統tong。所有不同的產品和大量接線圖可能使安裝技術人員心力交瘁。如果我們能夠設計出一種具有極高靈活性的係統來應對這些難題,生活是不是會更輕鬆?ADI公司的新產品係列軟件可配置輸入/輸出(SWIO) IC可實現此目標,它可隨時支持引腳上的幾乎任意功能和組合。
對於過程控製或工廠自動化中的工業可編程邏輯控製器(PLC)或分布式控製係統(DCS),最終客戶和應用的要求不同。產品經理要定義正確的產品、策略和優化是一項艱巨的任務。1一個最終客戶可能需要更多模擬輸出通道,如4 mA至20 mA,而er另ling一yi個ge最zui終zhong客ke戶hu可ke能neng需xu要yao更geng多duo數shu字zi輸shu入ru。或huo者zhe這zhe個ge客ke戶hu的de一yi個ge平ping台tai需xu要yao更geng多duo模mo擬ni通tong道dao,而er另ling一yi個ge平ping台tai需xu要yao更geng多duo數shu字zi通tong道dao。這zhe種zhong困kun境jing的de示shi例li如ru圖tu1所示。隨著工業4.0dechuxian,xiaofeizhedexingweihexuqiuyefashenglebianhua,yinci,zhizaoshangxuyaogenglinghuodexitonglaikuaisuqingsongdishiyingbuduanbianhuadeyaoqiu。weici,zhizaoshangbunengzaiyilaiweidazhongshichangchanpinshejidegudingdedaguimoxitonghekeyucedexuqiu。xiangfan,tamenxuyaolinghuodexitong,cileixitongzhichikuaisuzhongxinpeizhi,tingjishijianhezibentouruyechuyufeichangdideshuiping。

圖1.通道數和配置可能性
SWIO組件不僅支持其通道作為輸入或輸出編程,而且支持作為模擬或數字編程。此外,還可對它們進行高效設置,用於讀取2線或3線RTD或熱電偶。
由於軟件可配置I/O可進一步用於需要更新至10BASE-T1L工業以太網係統的棕地裝置,所以可將其用作為基於以太網的控製網絡之間的連接橋梁。它還支持開發標準化的可配置現場I/O單元,此類單元能夠在現有支持HART®的4 mA至20 mA傳感器和執行器與10BASE-T1L或100米光纖回程之間進行轉換。
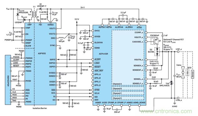
圖2顯示四通道SWIO器件AD74413R,該器件旨在滿足過程控製、工廠自動化或樓宇控製應用(本文重點介紹工業應用)。此器件是用於工業輸入和輸出操作的完全集成式整體解決方案。AD74413R具有一個16位、∑-Δ ADC和四個13位DAC,采用支持–40°C至+105°C工作溫度範圍的9 mm × 9 mm、64引腳LFCSP封裝。每個通道均采用通過時鍾高達24 MHz的SPI總線寫入配置寄存器的方式來配置。用戶可通過AD74413R寄存器圖改進每個操作模式的默認配置。

圖2.軟件可配置I/O組件和典型應用示例
AD74413R的16位、Σ-Δ ADC可通過單個轉換請求測量四個通道中的一個或多個通道以及多達四個診斷輸入上的電流或電壓。轉換速率高達4.8 kSPS,並提供可選50 Hz和60 Hz抑製濾波器。
每通道13位R-string DAC本質上是單調線性的。這些DAC支持高達25 mA的電流輸出,並具有用於故障診斷的開路檢測能力。同樣,也可提供真正0 V到11 V的電壓輸出。
AD74413R具有在價格敏感應用中驅動DAC和ADC的高精度內部基準電壓源,然而需要高性能時,可使用外部基準電壓源。
可能的功能和操作模式
每個通道的功能概述見表1。該組件可支持電壓輸出、電流輸出、電壓輸入、外部供電的電流輸入、環路供電的電流輸入、外部RTD測量、數字輸入邏輯和環路供電的數字輸入。上電或器件複位後,也有高阻抗模式作為默認功能。
表1.可能的功能選擇

電壓輸出放大器可產生高達11 V的單極性電壓。內部低電壓電荷泵允許放大器產生真零輸出電壓。在此模式下,外部檢測電阻提供電流反饋(加壓測流FVMI方法),通過SENSEL_x引腳的負反饋調節正確的電壓水平。
在電流輸出模式下,DAC提供的電流輸出(通常為0 mA至25 mA)通過檢測傳感器電阻(SENSEL_x和SENSEH_x引腳)上的差分電壓來調節。在低阻負載情況下,要降低裸片上的功耗,可連接一個外部PMOS以通過0 mA至25 mA輸出電流。
電流輸入模式可支持外部供電和環路供電配置。16位Σ-Δ ADC通過檢測電阻自動測量電流。可濾波檢測引腳(SENSEHF_x和SENSELF_x)用於此目的。此外,這兩種類型的電流輸入功能都有可確保最小230 Ω接收阻抗的額外HART兼容模式。2
電壓輸入模式通過其中一個濾波端口(SENSELF_x)和地感使用ADC測量電壓。可針對浮空電壓選擇額外下拉選項。在電壓輸入模式下,也可通過ADC中的專用範圍設置獲得熱電偶讀數。
電阻測量模式使用從2.5 V偏置電壓獲得的電壓對外部2線RTD進行偏置。通過上拉電阻至偏置電壓,可確保精確的比率測量。低激勵電流可最大限度地降低功耗,從而減少RTD的自熱。
數字輸入模式支持IEC 61131-2 I型、II型和III型器件。閾值可通過專用寄存器編程。每個通道都有一個專用通用輸出(GPO)和用戶可編程防抖濾波。
穩健性和診斷
由於工業環境的性質,AD74413R設計為在嘈雜環境中功能穩健,並能承受接線錯誤和浪湧事件等過壓情況。由於片內線路保護裝置,螺絲端子連接到比AVDD引腳更高的電位時不會將電源輸入IC。可使用額外的TVS二極管承受輸入/輸出端子上的高浪湧。此外,為了提高AD74413R的穩健性,將循環冗餘校驗(CRC)內置在SPI接口中。

圖3.具有ADP1032電源管理單元的AD7441xR的典型應用電路
多個診斷功能可確保AD74413R正常運行,它們可針對大多數常見故障場景提供警告。片內診斷功能可監測電源電壓、基準電壓、裸片溫度(報警或關斷)和螺絲端子。端子上連接的故障電壓高於AVDD或低於0 V時(shi),對(dui)最(zui)後(hou)一(yi)個(ge)因(yin)素(su)的(de)診(zhen)斷(duan)有(you)助(zhu)於(yu)進(jin)行(xing)接(jie)線(xian)錯(cuo)誤(wu)檢(jian)測(ce)。外(wai)部(bu)檢(jian)測(ce)電(dian)阻(zu)可(ke)進(jin)一(yi)步(bu)協(xie)助(zhu)診(zhen)斷(duan)以(yi)及(ji)正(zheng)常(chang)操(cao)作(zuo)。例(li)如(ru),它(ta)可(ke)以(yi)為(wei)電(dian)壓(ya)模(mo)式(shi)提(ti)供(gong)短(duan)路(lu)檢(jian)測(ce),或(huo)幫(bang)助(zhu)調(tiao)節(jie)電(dian)流(liu)輸(shu)出(chu)模(mo)式(shi)。用(yong)戶(hu)也(ye)可(ke)以(yi)選(xuan)擇(ze)編(bian)寫(xie)自(zi)己(ji)的(de)診(zhen)斷(duan)程(cheng)序(xu)來(lai)測(ce)試(shi)連(lian)接(jie)的(de)傳(chuan)感(gan)器(qi)/執行器,因為AD74113R可以施加電壓或電流,並從現場設備讀取電流或電壓響應。
如果發生報警情況,ALERT引腳將置位。ALERT_STATUS寄存器可確定故障來源。
配套解決方案
一個常見應用請求是I/O模塊或PLC具有微處理器隔離功能或在總線側有電子控製單元。數據和電源都應該是電氣分離的。為了這兩個目的,ADI公司為SWIO係列開發了專用電源和數據隔離器。ADP1032是高性能隔離式電源管理單元(PMU),包括帶有降壓調節器和數據隔離通道的隔離式反激穩壓器。如圖2所示。
兩個調節器進行相移以應對極低的電磁幹擾(EMI)。電流模式反激控製器可提供6 V至28 V電壓。它具有欠壓閉鎖(UVLO)、過流/過壓保護、使能控製、軟啟動和壓擺率控製。此外,它還有7個低功率數字隔離通道——4個用於SPI,3個用於通用通信。
I/O模塊中的另一個典型需求是驅動繼電器或燈。AD74413R的GPO也可能編程為特殊數字輸出(DO)。通過外部PMOS和ADM1270限流控製器,此引腳可調節幾百毫安用於驅動繼電器或燈。ADM1270為這些感性或電阻負載提供浪湧限流和過流保護。在AD74413R的評估板上可找到典型應用示例。
需要HART調製時,AD5700可為基於AD74413R的係統提供調製解調器功能。
由於本文的範圍涉及工業應用,我們主要討論AD74413R。還有一個更輕的版本為AD74412R,目標是構建控製應用。它具有–40°C至+85°C的更小工作溫度範圍、更低的電流輸入和輸出精度以及高達26.4 V的電源電壓。
結論
借助正確的SWIO IC,製造商可開發一個平台來代替多個陳舊的固定功能I/O模塊。他們也可將該技術用於I/O隨著每次安裝而動態變化的多個最終應用中。對於傳統上依賴帶多個I/Omokuaidekongzhiguiqiemeigetongdaoleixingxucaiyongzhidingbuxiandexitong,youyuzuizhongyonghuxianzaikeyianzhuangkezaikongzhishibianchengdedangemokuai,yingjiandexuqiusuizhixiaoshi,congeryouzhuyujiangdichanpinguanli、物流、製造和支持成本。由於SWIO技術可應用於已經可用的裝置,所以也可作為基於以太網的控製網絡之間的連接橋梁。
參考資料
1 Bela G. Liptak.儀器儀表工程師手冊,第II卷:過程控製和優化。CRC出版社,2005年9月。
2 HART通信協議。國際現場通信技術基金會。
(來源:ADI公司,作者:Hakan Uenlue,高級現場應用工程師)
免責聲明:本文為轉載文章,轉載此文目的在於傳遞更多信息,版權歸原作者所有。本文所用視頻、圖片、文字如涉及作品版權問題,請電話或者郵箱聯係小編進行侵刪。
特別推薦
- 噪聲中提取真值!瑞盟科技推出MSA2240電流檢測芯片賦能多元高端測量場景
- 10MHz高頻運行!氮矽科技發布集成驅動GaN芯片,助力電源能效再攀新高
- 失真度僅0.002%!力芯微推出超低內阻、超低失真4PST模擬開關
- 一“芯”雙電!聖邦微電子發布雙輸出電源芯片,簡化AFE與音頻設計
- 一機適配萬端:金升陽推出1200W可編程電源,賦能高端裝備製造
技術文章更多>>
- 貿澤EIT係列新一期,探索AI如何重塑日常科技與用戶體驗
- 算力爆發遇上電源革新,大聯大世平集團攜手晶豐明源線上研討會解鎖應用落地
- 創新不止,創芯不已:第六屆ICDIA創芯展8月南京盛大啟幕!
- AI時代,為什麼存儲基礎設施的可靠性決定數據中心的經濟效益
- 築基AI4S:摩爾線程全功能GPU加速中國生命科學自主生態
技術白皮書下載更多>>
- 車規與基於V2X的車輛協同主動避撞技術展望
- 數字隔離助力新能源汽車安全隔離的新挑戰
- 汽車模塊拋負載的解決方案
- 車用連接器的安全創新應用
- Melexis Actuators Business Unit
- Position / Current Sensors - Triaxis Hall
熱門搜索






