SiC MOSFET:橋式結構中柵極-源極間電壓的動作
發布時間:2022-02-11 責任編輯:lina
【導讀】MOSFET和IGBT等電源開關元器件被廣泛應用於各種電源應用和電源線路中。另外,所使用的電路方式也多種多樣,除單獨使用外,還有串聯連接、並聯連接等多種使用方法。
前言
MOSFET和IGBT等電源開關元器件被廣泛應用於各種電源應用和電源線路中。另外,所使用的電路方式也多種多樣,除單獨使用外,還有串聯連接、並聯連接等多種使用方法。
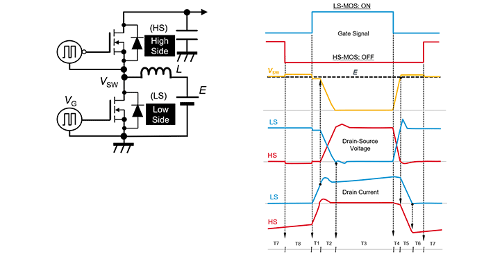
其中,在將開關元件上下串聯連接的橋式結構中,通常交替地導通與關斷各個元器件。下麵是常規的橋式結構同步方式boost電路,波形圖是根據柵極信號交替地導通/關斷的低邊(LS)MOSFET和高邊(HS)MOSFET的漏極-源極間電壓(VDS)和漏極電流(ID)示例。

通(tong)過(guo)開(kai)關(guan)工(gong)作(zuo),流(liu)過(guo)各(ge)元(yuan)件(jian)的(de)電(dian)流(liu)和(he)變(bian)化(hua)的(de)電(dian)壓(ya)以(yi)複(fu)雜(za)的(de)方(fang)式(shi)相(xiang)互(hu)影(ying)響(xiang)。尤(you)其(qi)是(shi)在(zai)處(chu)理(li)高(gao)電(dian)壓(ya)高(gao)電(dian)流(liu)的(de)電(dian)路(lu)中(zhong),受(shou)安(an)裝(zhuang)電(dian)路(lu)板(ban)和(he)結(jie)線(xian)引(yin)起(qi)的(de)寄(ji)生(sheng)分(fen)量(liang)等(deng)影(ying)響(xiang),產(chan)生(sheng)電(dian)壓(ya)和(he)電(dian)流(liu)的(de)動(dong)作(zuo),並(bing)因(yin)此(ci)導(dao)致(zhi)工(gong)作(zuo)不(bu)穩(wen)定(ding)、效率下降,從而可能導致損耗增加、產生異常發熱等問題。
近年來,SiC MOSFET等(deng)高(gao)性(xing)能(neng)功(gong)率(lv)元(yuan)器(qi)件(jian)的(de)應(ying)用(yong),使(shi)得(de)通(tong)過(guo)高(gao)速(su)開(kai)關(guan)轉(zhuan)換(huan)大(da)功(gong)率(lv)成(cheng)為(wei)可(ke)能(neng),但(dan)在(zai)操(cao)作(zuo)過(guo)程(cheng)中(zhong),需(xu)要(yao)對(dui)開(kai)關(guan)工(gong)作(zuo)有(you)深(shen)入(ru)的(de)了(le)解(jie)。在(zai)該(gai)係(xi)列(lie)文(wen)章(zhang)中(zhong),我(wo)們(men)將(jiang)著(zhe)眼(yan)於(yu)MOSFET橋式結構中的各MOSFET的柵極-源極間電壓的動作,以簡單的同步方式boost電路為例,對以下內容進行探討:
・MOSFET的橋式結構與同步方式boost電路
・柵極驅動電路與導通/關斷工作
・因dVDS/dt、dID/dt而產生的電流和電壓
・導通時柵極信號的動作
・關斷時柵極信號的動作
(來源:Rohm)
免責聲明:本文為轉載文章,轉載此文目的在於傳遞更多信息,版權歸原作者所有。本文所用視頻、圖片、文字如涉及作品版權問題,請電話或者郵箱聯係小編進行侵刪。
推薦閱讀:
- 噪聲中提取真值!瑞盟科技推出MSA2240電流檢測芯片賦能多元高端測量場景
- 10MHz高頻運行!氮矽科技發布集成驅動GaN芯片,助力電源能效再攀新高
- 失真度僅0.002%!力芯微推出超低內阻、超低失真4PST模擬開關
- 一“芯”雙電!聖邦微電子發布雙輸出電源芯片,簡化AFE與音頻設計
- 一機適配萬端:金升陽推出1200W可編程電源,賦能高端裝備製造
- 算力爆發遇上電源革新,大聯大世平集團攜手晶豐明源線上研討會解鎖應用落地
- 築基AI4S:摩爾線程全功能GPU加速中國生命科學自主生態
- 一秒檢測,成本降至萬分之一,光引科技把幾十萬的台式光譜儀“搬”到了手腕上
- AI服務器電源機櫃Power Rack HVDC MW級測試方案
- 突破工藝邊界,奎芯科技LPDDR5X IP矽驗證通過,速率達9600Mbps
- 車規與基於V2X的車輛協同主動避撞技術展望
- 數字隔離助力新能源汽車安全隔離的新挑戰
- 汽車模塊拋負載的解決方案
- 車用連接器的安全創新應用
- Melexis Actuators Business Unit
- Position / Current Sensors - Triaxis Hall





