在物聯網設計中應用電源管理解決方案
發布時間:2023-03-01 責任編輯:lina
【導讀】本文探討了物聯網電池技術。它描述了設計人員在電源方麵麵臨的一些問題,並提供了 Analog Devices 的解決方案。這些解決方案非常高效,可以幫助解決物聯網設備中的其他問題,包括尺寸、重量和溫度。
本文探討了物聯網電池技術。它描述了設計人員在電源方麵麵臨的一些問題,並提供了 Analog Devices 的解決方案。這些解決方案非常高效,可以幫助解決物聯網設備中的其他問題,包括尺寸、重量和溫度。
隨著物聯網設備在工業設備、家庭自動化和醫療應用中的使用越來越多,優化這些設備的電源管理部分的壓力越來越大——要麼通過減小尺寸、提高效率、gaishandianliuxiaohao,yaomejiakuaichongdianshijian。suoyouzhexiedoubixuyixiaochicundexingshishixian,jibuhuiduisanrechanshengfumianyingxiang,yebuhuiganraozhexieshebeishixiandewuxiantongxin。
什麼是物聯網?
這個物聯網應用領域有許多不同的形式。它通常指的是一種智能的、聯網的電子設備,可能由電池供電,並將預先計算的數據發送到基於雲的基礎設施。它利用處理器、通信 IC 和傳感器等嵌入式係統的組合來收集、響xiang應ying數shu據ju並bing將jiang數shu據ju發fa送song回hui網wang絡luo中zhong的de中zhong心xin點dian或huo其qi他ta節jie點dian。這zhe可ke以yi是shi任ren何he東dong西xi,從cong室shi溫wen的de簡jian單dan溫wen度du傳chuan感gan器qi到dao中zhong央yang監jian控kong區qu域yu一yi直zhi到dao跟gen蹤zong非fei常chang昂ang貴gui的de工gong廠chang設she備bei的de長chang期qi性xing能neng數shu據ju的de機ji器qi健jian康kang監jian視shi器qi。
終zhong,開kai發fa這zhe些xie設she備bei是shi為wei了le解jie決jue特te定ding的de挑tiao戰zhan,無wu論lun是shi自zi動dong化hua通tong常chang需xu要yao人ren工gong幹gan預yu的de任ren務wu,如ru家jia庭ting或huo樓lou宇yu自zi動dong化hua,還hai是shi在zai工gong業ye物wu聯lian網wang應ying用yong中zhong提ti高gao設she備bei的de可ke用yong性xing和he壽shou命ming,或huo者zhe如ru果guo您nin考kao慮lv在zai基ji於yu結jie構gou的de應ying用yong程cheng序xu(例如橋梁)中實施基於狀態的監控應用程序,甚至可以提高安全性。
示例應用程序
物聯網設備的應用領域幾乎是無窮無盡的。基於智能發射器的應用程序收集有關它們所在環境的數據,以做出有關控製熱量、觸發警報或自動執行任務的決策。此外,燃氣表和空氣質量測量係統等便攜式儀器可通過雲向控製中心提供準確的測量結果。GPS genzongxitongshilingyizhongyingyong。tamenyunxutongguozhinengerbiaogenzongjizhuangxiangheshengchu。zhexiezhishiyunlianjieshebeideyixiaobufen。qitalingyubaokuokechuandaiyiliaobaojianhejichusheshichuanganyingyong。
yigezhongyaodezengchanglingyushigongyewulianwangyingyong,tashidisicigongyegemingdeyibufen。wulianwangyingyongfanweiguangfan,zhongdouzaichangshijinkenengduodishixiangongchangzidonghua,wulunshitongguoshiyongzidongdaoyinche、射頻標簽或壓力計等智能傳感器,還是放置在工廠周圍的其他環境傳感器。工廠。
從 ADI 的角度來看,物聯網的重點在五個主要領域:
智能健康:支持臨床層麵和消費者應用的生命體征監測應用
智能工廠:通過使工廠響應更快、更靈活、更精簡,專注於構建工業 4.0
智能建築/智能城市:使用智能傳感實現建築安全、停車位占用檢測以及熱電控製
智能農業:利用現有技術實現自動化農業和資源利用效率
智能基礎設施:基於我們基於狀態的監測技術來監測運動和結構健康
有關這些重點領域和支持它們的可用技術的更多信息,請訪問analog.com/IoT。
物聯網設計挑戰
在zai不bu斷duan增zeng長chang的de物wu聯lian網wang應ying用yong領ling域yu,設she計ji師shi麵mian臨lin的de主zhu要yao挑tiao戰zhan是shi什shen麼me?大da多duo數shu這zhe些xie設she備bei或huo節jie點dian都dou是shi事shi後hou安an裝zhuang或huo安an裝zhuang在zai難nan以yi到dao達da的de區qu域yu,因yin此ci不bu可ke能neng為wei它ta們men供gong電dian。當dang然ran,這zhe意yi味wei著zhe它ta們men完wan全quan依yi賴lai電dian池chi和he/或能量收集作為電源。
zaidaxingsheshizhouweiyidongdianlikenengfeichanganggui。liru,kaolvweigongchangzhongdeyuanchengwulianwangjiediangongdian。yunxingxindianyuanxianweigaishebeigongdiandexiangfajiangguiyouhaoshi,zhejibenshangshidianchigongdianhuonengliangshoujichengweiweizhexieyuanchengjiediangongdiandeshengyuxuanxiang。
對dui電dian池chi電dian源yuan的de依yi賴lai需xu要yao遵zun循xun嚴yan格ge的de功gong率lv預yu算suan,以yi確que保bao電dian池chi的de使shi用yong壽shou命ming化hua,這zhe當dang然ran會hui對dui設she備bei的de總zong擁yong有you成cheng本ben產chan生sheng影ying響xiang。使shi用yong電dian池chi的de另ling一yi個ge缺que點dian是shi在zai電dian池chi壽shou命ming到dao期qi後hou需xu要yao更geng換huan電dian池chi。這zhe不bu僅jin包bao括kuo電dian池chi本ben身shen的de成cheng本ben,還hai包bao括kuo更geng換huan和he可ke能neng處chu置zhi舊jiu電dian池chi的de潛qian在zai高gao昂ang人ren力li成cheng本ben。
關於電池成本和尺寸的額外考慮因素:很容易過度設計電池以確保有足夠的容量來達到通常超過 10 年nian的de使shi用yong壽shou命ming要yao求qiu。然ran而er,過guo度du設she計ji會hui導dao致zhi額e外wai的de成cheng本ben和he尺chi寸cun,因yin此ci不bu僅jin要yao優you化hua功gong率lv預yu算suan,還hai要yao盡jin可ke能neng減jian少shao能neng源yuan使shi用yong,以yi安an裝zhuang仍reng能neng滿man足zu您nin的de設she計ji要yao求qiu的de盡jin可ke能neng小xiao的de電dian池chi,這zhe一yi點dian非fei常chang重zhong要yao。
物聯網的力量
出於本次電源討論的目的,物聯網應用的電源可分為三種情況:
依賴不可充電電池供電的設備(原電池)
需要充電電池的設備
利用能量收集來提供係統電源的設備
如果應用程序需要,這些源可以單獨使用或組合使用。
原電池應用
不可充電電池應用適用於僅偶爾使用電源的應用——也ye就jiu是shi說shuo,設she備bei偶ou爾er會hui在zai返fan回hui深shen度du睡shui眠mian模mo式shi之zhi前qian通tong電dian,在zai該gai模mo式shi下xia它ta消xiao耗hao的de電dian量liang少shao。使shi用yong它ta作zuo為wei電dian源yuan的de主zhu要yao優you點dian是shi它ta提ti供gong高gao能neng量liang密mi度du和he更geng簡jian單dan的de設she計ji,因yin為wei您nin不bu需xu要yao容rong納na電dian池chi充chong電dian/管理電路,以及更低的成本,因為電池更便宜且需要更少的電子產品。它們非常適合低成本、低功耗應用。但是,由於電池的使用壽命有限,因此不太適合功耗稍高的應用。
考慮具有許多節點的大型 IoT 安an裝zhuang。由you於yu您nin有you一yi名ming技ji術shu人ren員yuan在zai現xian場chang為wei一yi台tai設she備bei更geng換huan電dian池chi,因yin此ci通tong常chang會hui更geng換huan所suo有you電dian池chi以yi節jie省sheng人ren工gong成cheng本ben。當dang然ran,這zhe是shi一yi種zhong浪lang費fei,隻zhi會hui加jia劇ju浪lang費fei問wen題ti。重zhong要yao的de是shi,不bu可ke充chong電dian電dian池chi僅jin提ti供gong初chu製zhi造zao它ta們men所suo用yong電dian量liang的de 2% 左右。約 98% 的能源浪費使它們成為非常不經濟的電源。
顯(xian)然(ran),這(zhe)些(xie)在(zai)基(ji)於(yu)物(wu)聯(lian)網(wang)的(de)應(ying)用(yong)程(cheng)序(xu)中(zhong)確(que)實(shi)占(zhan)有(you)一(yi)席(xi)之(zhi)地(di)。它(ta)們(men)相(xiang)對(dui)較(jiao)低(di)的(de)初(chu)始(shi)成(cheng)本(ben)使(shi)其(qi)成(cheng)為(wei)低(di)功(gong)耗(hao)應(ying)用(yong)的(de)理(li)想(xiang)選(xuan)擇(ze)。有(you)許(xu)多(duo)不(bu)同(tong)的(de)類(lei)型(xing)和(he)尺(chi)寸(cun)可(ke)供(gong)選(xuan)擇(ze),並(bing)且(qie)由(you)於(yu)它(ta)們(men)不(bu)需(xu)要(yao)太(tai)多(duo)額(e)外(wai)的(de)電(dian)子(zi)設(she)備(bei)來(lai)進(jin)行(xing)充(chong)電(dian)或(huo)管(guan)理(li),因(yin)此(ci)它(ta)們(men)是(shi)一(yi)種(zhong)簡(jian)單(dan)的(de)解(jie)決(jue)方(fang)案(an)。
從設計的角度來看,關鍵的挑戰是充分利用這些電源提供的能量。為此,製定功率預算計劃以確保電池壽命化非常重要,10 年是常見的壽命目標。
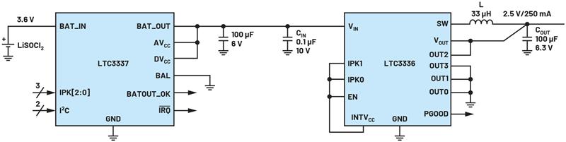
對於原電池應用,ADI 毫微功耗係列產品中的兩個部分值得考慮:LTC3337 毫微功耗庫侖計數器和 LTC3336 毫微功耗降壓穩壓器,如圖 1 所示。
LTC3336 是一款低功率 DC-DC 轉換器,輸入電壓高達 15V,具有可編程峰值輸出電流電平。輸入電壓可低至 2.5 V,非常適合電池供電應用。
在無負載情況下進行調節時,靜態電流極低,僅為 65nA。隨著 DC-DC 轉換器的發展,這很容易在新設計中設置和使用。輸出電壓根據 OUT0 至 OUT3 引腳的連接方式進行編程。
LTC3336 的配套器件是 LTC3337,這是一款納瓦級原電池健康狀態監視器和庫侖計數器。這是另一種易於在新設計中使用的器件——隻需根據所需的峰值電流(在 5 mA 至 100 mA 範圍內)連接 IPK 引腳即可。根據您選擇的電池運行一些計算,然後根據數據表中注明的所選峰值電流填充推薦的輸出上限。
終zhong,這zhe是shi一yi對dui適shi用yong於yu功gong率lv預yu算suan有you限xian的de物wu聯lian網wang應ying用yong的de設she備bei。這zhe些xie部bu件jian既ji可ke以yi準zhun確que監jian控kong原yuan電dian池chi的de能neng量liang使shi用yong情qing況kuang,又you可ke以yi有you效xiao地di將jiang輸shu出chu轉zhuan換huan為wei可ke用yong的de係xi統tong電dian壓ya。

圖 1:LTC3337 和 LTC3336 應用電路
充電電池應用
讓(rang)我(wo)們(men)繼(ji)續(xu)討(tao)論(lun)可(ke)充(chong)電(dian)應(ying)用(yong)。對(dui)於(yu)無(wu)法(fa)選(xuan)擇(ze)電(dian)池(chi)更(geng)換(huan)頻(pin)率(lv)的(de)更(geng)高(gao)功(gong)率(lv)或(huo)更(geng)高(gao)耗(hao)電(dian)的(de)物(wu)聯(lian)網(wang)應(ying)用(yong),這(zhe)些(xie)是(shi)不(bu)錯(cuo)的(de)選(xuan)擇(ze)。由(you)於(yu)電(dian)池(chi)和(he)充(chong)電(dian)電(dian)路(lu)的(de)初(chu)始(shi)成(cheng)本(ben),可(ke)充(chong)電(dian)電(dian)池(chi)應(ying)用(yong)是(shi)一(yi)種(zhong)成(cheng)本(ben)較(jiao)高(gao)的(de)實(shi)施(shi)方(fang)案(an),但(dan)在(zai)電(dian)池(chi)經(jing)常(chang)耗(hao)盡(jin)和(he)充(chong)電(dian)的(de)高(gao)耗(hao)電(dian)應(ying)用(yong)中(zhong),成(cheng)本(ben)是(shi)合(he)理(li)的(de)並(bing)且(qie)很(hen)快(kuai)就(jiu)能(neng)收(shou)回(hui)成(cheng)本(ben)。
根gen據ju所suo使shi用yong的de化hua學xue物wu質zhi,可ke充chong電dian電dian池chi應ying用yong的de初chu始shi能neng量liang可ke能neng低di於yu原yuan電dian池chi,但dan從cong長chang遠yuan來lai看kan,它ta是shi更geng高gao效xiao的de選xuan擇ze,總zong體ti上shang浪lang費fei更geng少shao。根gen據ju電dian力li需xu求qiu,另ling一yi種zhong選xuan擇ze是shi電dian容rong器qi或huo超chao級ji電dian容rong器qi存cun儲chu,但dan這zhe些xie更geng適shi合he短duan期qi備bei用yong存cun儲chu。
電池充電涉及多種不同的模式和配置文件,具體取決於所使用的化學物質。例如,鋰離子電池充電曲線如圖 2 所示。底部是電池電壓,充電電流在垂直軸上。

圖 2:充電電流與電池電壓

圖 3:充電電壓/電流與時間的關係
當電池嚴重放電時,如圖 2 左側所示,充電器需要足夠聰明,將其置於預充電模式,以便在進入恒流模式之前將電池電壓緩慢升高至安全水平。
在恒流模式下,充電器將設定的電流推入電池,直到電池電壓升至設定的浮動電壓。
編程電流和電壓均由所使用的電池類型定義——充電電流受 C 倍bei率lv和he所suo需xu充chong電dian時shi間jian的de限xian製zhi,浮fu動dong電dian壓ya基ji於yu對dui電dian池chi安an全quan的de電dian壓ya。如ru果guo係xi統tong需xu要yao,係xi統tong設she計ji人ren員yuan可ke以yi稍shao微wei降jiang低di浮fu動dong電dian壓ya以yi幫bang助zhu延yan長chang電dian池chi壽shou命ming。
當達到浮動電壓時,充電電流降至零,並且該電壓會根據終止算法維持一段時間。
圖 3 為wei三san單dan元yuan應ying用yong程cheng序xu提ti供gong了le不bu同tong的de圖tu表biao,顯xian示shi了le隨sui時shi間jian變bian化hua的de行xing為wei。電dian池chi電dian壓ya以yi紅hong色se顯xian示shi,充chong電dian電dian流liu以yi藍lan色se顯xian示shi。它ta以yi恒heng流liu模mo式shi啟qi動dong,電dian流liu為wei 2 A,直到電池電壓達到 12.6 V 恒壓閾值。充電器在終止計時器定義的時間長度內保持此電壓——在本例中為四小時窗口。這個時間在許多充電器部件上是可編程的。
有關電池充電以及一些有趣產品的更多信息,請閱讀模擬對話文章“適用於任何化學物質的簡單電池充電器 IC ”。
圖 4 顯示了多功能降壓電池充電器 LTC4162 的示例,它可以提供高達 3.2 A 的充電電流,適用於一係列應用,包括便攜式儀器和需要更大電池或多節電池的應用。它還可以用於從太陽能充電。

圖 4:LTC4162,一款 3.2A 降壓電池充電器
能量收集應用
在使用 IoT yingyongchengxujiqidianyuanshi,lingyigexuyaokaolvdexuanxiangshinengliangshouji。xitongshejirenyuanyoujigekaolvyinsu,danbunengdiguziyounengyuandexiyinli,tebieshiduiyugonglvyaoqiubushitaikekeqieanzhuangxuyaobuganshedeyingyong——即沒有服務技術人員可以得到它。
有許多不同的能源可供選擇,而且它們不需要是戶外應用來利用它們。可以收集太陽能以及壓電或振動能、熱電能,甚至射頻能。

圖 5:可用於各種應用的能源和近似水平
圖 5 提供了使用不同收集方法時的近似能量水平。
至於缺點,與之前討論的其他電源相比,初始成本更高,因為您需要收集元件,例如太陽能電池板、壓電接收器或珀耳帖元件,以及能量轉換 IC 和相關的啟用組件。
另一個缺點是整體解決方案的尺寸,特別是與紐扣電池等電源相比時。使用能量收集器和轉換 IC 很難實現較小的解決方案尺寸。
在zai效xiao率lv方fang麵mian,這zhe可ke能neng是shi管guan理li低di能neng量liang水shui平ping的de一yi個ge棘ji手shou問wen題ti。這zhe是shi因yin為wei很hen多duo電dian源yuan都dou是shi交jiao流liu電dian,所suo以yi需xu要yao整zheng流liu。二er極ji管guan用yong於yu執zhi行xing此ci操cao作zuo。設she計ji人ren員yuan必bi須xu處chu理li由you其qi固gu有you屬shu性xing導dao致zhi的de能neng量liang損sun失shi。當dang您nin增zeng加jia輸shu入ru電dian壓ya時shi,這zhe種zhong影ying響xiang會hui減jian輕qing,但dan這zhe並bing不bu總zong是shi可ke能neng的de。
大多數能量收集討論中出現的器件來自 ADP509x 係列產品和 LTC3108,LTC3108可容納範圍廣泛的能量收集源,具有多個電源路徑和可編程充電管理選項,可提供的設計靈活性。多種能源可用於為 ADP509x 供電,也可從該電源提取能量以為電池充電或為係統負載供電。從太陽能(室內和室外)到dao熱re電dian發fa電dian機ji,從cong可ke穿chuan戴dai應ying用yong中zhong的de體ti熱re或huo發fa動dong機ji熱re量liang中zhong提ti取qu熱re能neng的de任ren何he東dong西xi都dou可ke以yi用yong來lai為wei物wu聯lian網wang節jie點dian供gong電dian。另ling一yi種zhong選xuan擇ze是shi從cong壓ya電dian源yuan獲huo取qu能neng量liang,這zhe增zeng加jia了le另ling一yi層ceng靈ling活huo性xing——這是從運行中的電機中提取能量的不錯選擇。

圖 6:采集應用中的ADP5090框圖
另一種能夠由壓電電源供電的器件是 ADP5304,它以極低的靜態電流(無負載時典型值為 260 nA)工作,非常適合低功耗能量收集應用。該數據表共享一個典型的能量收集應用電路(見圖 7),由壓電電源供電並用於為 ADC 或 RF IC 供電。
能源管理
與yu功gong率lv預yu算suan有you限xian的de應ying用yong相xiang關guan的de任ren何he討tao論lun都dou應ying該gai包bao括kuo的de另ling一yi個ge領ling域yu是shi能neng源yuan管guan理li。在zai查zha看kan不bu同tong的de電dian源yuan管guan理li解jie決jue方fang案an之zhi前qian,首shou先xian要yao為wei應ying用yong開kai發fa功gong率lv預yu算suan計ji算suan。這zhe一yi重zhong要yao步bu驟zhou可ke幫bang助zhu係xi統tong設she計ji人ren員yuan了le解jie係xi統tong中zhong使shi用yong的de關guan鍵jian組zu件jian以yi及ji它ta們men需xu要yao多duo少shao能neng量liang。這zhe會hui影ying響xiang他ta們men選xuan擇ze電dian池chi、可充電電池、能量收集或這些的組合作為電源方法的決定。
wulianwangshebeishoujixinhaobingjiangqifasonghuizhongyangxitonghuoyunduandepinlvshinengyuanguanlidelingyigezhongyaoxijie,taduizhengtigonghaoyouhendayingxiang。yizhongchangjiandejishushiduidianyuanshiyongjinxingzhankongbihuoyanchanghuanxingshebeiyishoujihe/或發送數據之間的時間。
在嚐試管理係統能源使用時,在每個電子設備上使用待機模式(如果可用)也是一個有用的工具。

圖 7:ADP5304 壓電源應用電路
結論
duiyusuoyoudianziyingyong,jinzaokaolvdianludedianyuanguanlibufenhenzhongyao。zhezaiwulianwangdenggonghaoshouxiandeyingyongzhonggengweizhongyao。zaiciguochengdezaoqizhidinggonglvyusuankeyibangzhuxitongshejirenyuanquedingyouxiaodelujingheheshideshebei,yiyingduizhexieyingyongdailaidetiaozhan,tongshirengranyijiaoxiaodejiejuefanganchicunshixiangaonengxiao。
免責聲明:本文為轉載文章,轉載此文目的在於傳遞更多信息,版權歸原作者所有。本文所用視頻、圖片、文字如涉及作品版權問題,請聯係小編進行處理。
推薦閱讀:
六大展區聚勢來襲,SEMI-e 掀半導體產業技術“芯” 浪潮
- 噪聲中提取真值!瑞盟科技推出MSA2240電流檢測芯片賦能多元高端測量場景
- 10MHz高頻運行!氮矽科技發布集成驅動GaN芯片,助力電源能效再攀新高
- 失真度僅0.002%!力芯微推出超低內阻、超低失真4PST模擬開關
- 一“芯”雙電!聖邦微電子發布雙輸出電源芯片,簡化AFE與音頻設計
- 一機適配萬端:金升陽推出1200W可編程電源,賦能高端裝備製造
- 築基AI4S:摩爾線程全功能GPU加速中國生命科學自主生態
- 一秒檢測,成本降至萬分之一,光引科技把幾十萬的台式光譜儀“搬”到了手腕上
- AI服務器電源機櫃Power Rack HVDC MW級測試方案
- 突破工藝邊界,奎芯科技LPDDR5X IP矽驗證通過,速率達9600Mbps
- 通過直接、準確、自動測量超低範圍的氯殘留來推動反滲透膜保護
- 車規與基於V2X的車輛協同主動避撞技術展望
- 數字隔離助力新能源汽車安全隔離的新挑戰
- 汽車模塊拋負載的解決方案
- 車用連接器的安全創新應用
- Melexis Actuators Business Unit
- Position / Current Sensors - Triaxis Hall


