功率因數校正基礎知識
發布時間:2023-09-10 責任編輯:lina
【導讀】功率因數校正 (PFC) 是客戶在選擇電源時尋求的功能之一,因為它對設備的整體效率起著巨大的作用。本文檔介紹了功率因數校正 (PFC) 的基本事實和原理以及管理該功能的法規。它還討論了常見的原因以及為了獲得 PFC 應避免的事情。
簡介
功率因數校正 (PFC) 是客戶在選擇電源時尋求的功能之一,因為它對設備的整體效率起著巨大的作用。本文檔介紹了功率因數校正 (PFC) 的基本事實和原理以及管理該功能的法規。它還討論了常見的原因以及為了獲得 PFC 應避免的事情。
什麼是功率因數
功率因數 (pf) 定義為有功功率 (P) 與視在功率 (S) 之比,或表示電流和電壓之間的相位角的餘弦(對於電流和電壓的純正弦波)和電壓波形(見圖1)。功率因數可以在 0 到 1 之間變化,並且可以是感性的(滯後,指向上)或容性的(超前,指向下)。為了減少感應滯後,添加電容器直至 pf 等於 1。當電流和電壓波形同相時,功率因數為 1 (cos (0°) = 1)。使功率因數等於 1 的全部目的是使電路看起來純電阻(視在功率等於有功功率)。

有功功率(瓦)產生實際功;這是能量傳輸部分(例如電到電機的轉速)。無功功率是產生磁場(損耗功率)以完成實際工作所需的功率,其中視在功率被視為電力公司提供的總功率,如圖 1 所示。該總功率為通過主電源提供的電力,以產生所需的有功功率。
效率低下的原因
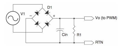
開關模式電源 (SMPS) 的一個問題是它們不使用任何形式的功率因數校正,並且輸入電容器 CIN(如圖 4 所示)僅在 VIN 接近 VPEAK 或 VIN 為大於電容器電壓VCIN。如果 CIN 是使用輸入電壓頻率設計的,則電流看起來會更接近輸入波形(取決於負載);然而,主線上的任何微小中斷都會導致整個係統產生負麵反應。也就是說,在設計SMPS時,CIN的保持時間設計得大於VIN的頻率,這樣,如果VIN出現毛刺,錯過幾個周期,CIN將有足夠的能量存儲以繼續為其負載供電。

圖 3 表示 VCIN(t)(如圖 4 中的電路所示)的理論結果,負載非常輕,因此 CIN 放電非常少。隨著負載阻抗的增加,後續峰值之間的 VCIN(t) 將會有更多的壓降,但相對於總 VIN 隻占很小的百分比(例如,輸入為 120V,可能會出現 3-5 伏的壓降。如前所述,隻有當 VIN 大於其存儲電壓時,CIN 才會充電,這意味著非 PFC 電路隻會在整個周期時間內為 CIN 充電一小部分。

90 度後(圖 4),電橋的半周期降至電容器電壓 (CIN) 以下;它對電橋進行反向偏置,抑製電流流入電容器(通過 VIN)。注意電感的輸入電流尖峰有多大。供應鏈中的所有電路(牆壁布線、電橋中的二極管、斷路器等)必須能夠承載如此巨大的峰值電流。在這些短時間內,CIN 必須充滿電,因此會從 VIN 中(zhong)汲(ji)取(qu)短(duan)時(shi)間(jian)內(nei)的(de)大(da)電(dian)流(liu)脈(mai)衝(chong)。有(you)一(yi)種(zhong)方(fang)法(fa)可(ke)以(yi)平(ping)均(jun)這(zhe)個(ge)尖(jian)峰(feng),這(zhe)樣(yang)它(ta)就(jiu)可(ke)以(yi)使(shi)用(yong)周(zhou)期(qi)的(de)剩(sheng)餘(yu)時(shi)間(jian)來(lai)積(ji)累(lei)能(neng)量(liang),本(ben)質(zhi)上(shang)是(shi)通(tong)過(guo)使(shi)用(yong)功(gong)率(lv)因(yin)數(shu)校(xiao)正(zheng)來(lai)平(ping)滑(hua)巨(ju)大(da)的(de)峰(feng)值(zhi)電(dian)流(liu)。

為了更緊密地跟隨 VIN 並且不產生這些高幅度電流脈衝,CIN bixuzaizhenggezhouqineichongdian,erbujinjinshiqizhongdeyixiaobufen。dangjindefeixianxingfuzaishidewomenbukenengzhidaoheshixuyaodadelangyongdianliu,yincizaizhenggezhouqineibaochidianrongqidelangyonghengdingshiyouyide,bingqieyunxushiyonggengxiaodeCIN。這種方法稱為功率因數校正。
免責聲明:本文為轉載文章,轉載此文目的在於傳遞更多信息,版權歸原作者所有。本文所用視頻、圖片、文字如涉及作品版權問題,請聯係小編進行處理。
推薦閱讀:
- 噪聲中提取真值!瑞盟科技推出MSA2240電流檢測芯片賦能多元高端測量場景
- 10MHz高頻運行!氮矽科技發布集成驅動GaN芯片,助力電源能效再攀新高
- 失真度僅0.002%!力芯微推出超低內阻、超低失真4PST模擬開關
- 一“芯”雙電!聖邦微電子發布雙輸出電源芯片,簡化AFE與音頻設計
- 一機適配萬端:金升陽推出1200W可編程電源,賦能高端裝備製造
- 貿澤EIT係列新一期,探索AI如何重塑日常科技與用戶體驗
- 算力爆發遇上電源革新,大聯大世平集團攜手晶豐明源線上研討會解鎖應用落地
- 創新不止,創芯不已:第六屆ICDIA創芯展8月南京盛大啟幕!
- AI時代,為什麼存儲基礎設施的可靠性決定數據中心的經濟效益
- 築基AI4S:摩爾線程全功能GPU加速中國生命科學自主生態
- 車規與基於V2X的車輛協同主動避撞技術展望
- 數字隔離助力新能源汽車安全隔離的新挑戰
- 汽車模塊拋負載的解決方案
- 車用連接器的安全創新應用
- Melexis Actuators Business Unit
- Position / Current Sensors - Triaxis Hall


