MCM功率電源模塊EMC技術研究
發布時間:2009-08-10
中心議題:
解決的關鍵技術
1電路的設計技術
通過EDA仿真,利用可靠性優化和可靠性簡化技術設計電路參數,著重解決如下問題。
①線路的自激振蕩:合理地選擇消振網絡,消除DC/DC變換器的R、L、C參數選取的不合理性引起的振蕩,減小EMI的電平。DC/DCdianyuanyouyugongzuozaigaopinkaiguanzhuangtai,henrongyixingchenggaopinziji,youshifanyingweidaimanzaishizhengchangdaiqingzaishiziji,youshifanyingweichangwenshizhengchanggaowenhuodiwenshiziji,yinciyuanqijiandexuanqu、補償網絡的應用顯得尤為重要。
②紋波與噪聲的有效抑製:抑製的方法大致可以歸結為二類,即降低本身的紋波與噪聲和設計濾波電路。
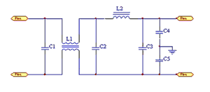
為了抑製外來的高頻幹擾,也為了抑製DC/DC變換器對外傳導幹擾,通過在DC/DC變換器的輸入端、輸出端設計濾波電路,抑製共模、差模幹擾,降低EMI電平。其中,C1、C2、C3為差模濾波電容,C4、C5為共模濾波電容,L1為共模扼流圈,L2為差模濾波電感。
為了減少DC/DC變換器通過輸入、輸出端傳導EMI,除了在輸入、輸出端采取LC濾波外,還在電源的輸入地到金屬外殼之間、輸出地到金屬外殼之間增加高頻濾波電容,以減少共模幹擾的產生。但此處要注意電容耐壓要大於500V,以滿足產品隔離電壓的要求。
圖中,L1、C1組成的輸入濾波電路和L2、C2組成的輸出濾波電路能減少紋波電流的大小,從而減少通過輻射傳播的電磁幹擾。濾波電容C1、C2采用多個電容並聯,以減少等效串聯電阻,從而減小紋波電壓。C3、C4、C5、C6用於濾除共模幹擾,其值不宜取大,以避免有較大的漏電流。
2抑製幹擾源技術
DC/DC變換器的主要幹擾源有高頻變壓器、功率開關管及整流二極管,為此逐一地采取措施。
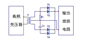
①高頻變壓器
在開關電源中,變壓器在電路中起到電壓變換、隔離及能量轉化作用,其工作在高頻狀態,初、次級將產生噪聲並形成電磁幹擾EMI。當開關管關斷時,高頻變壓器漏感會產生反電動勢E=-Ldi/dt,其值與集電極的電流變化率(di/dt)成正比,與漏感量成正比,疊加在關斷電壓上,形成關斷電壓尖峰,從而形成傳導性電磁幹擾。
bianyaqizaikaiguandianyuanzhongshiyonglaigelihebianyade,danzaigaopindeqingkuangxiatadegelishibuwanquande,bianyaqicengjiandefenbudianrongshikaiguandianyuanzhongdegaopinzaoshenghenrongyizaichucijizhijianchuandi。ciwai,bianyaqiduiwaikedefenbudianrongxingchenglingyitiaogaopintongdao,congershibianyaqizhouweichanshengdediancibogengrongyizaiqitayinxianshangouhexingchengzaosheng。yinci,zaishejizhongcaiquleyixiacuoshi。[page]

圖1濾波器的原理圖
為減小變壓器漏感的影響,采用初、cijijiaocharaozhidefangfa,bingshiqijinmiouhe。jinkenengcaiyongguanxingcixin。youyuguanxingcixinkeyibasuoyoudexianquanraozufengzaicixinlimian,yincijuyoulianghaodeziwopingbizuoyong,keyiyouxiaodijianshaoEMI。

圖2輸入輸出濾波電路
為吸收上升沿和下降沿產生的過衝,並有可能造成的自激振蕩,在初、次級電路中增加R、C吸收網絡,以減少尖峰幹擾。在調試時須仔細調整R、C的參數,確保電阻R1的值在30~200Ω,電容C1的值在100~1000P之間,以免影響變壓器的效率。
②功率開關管
由於功率管工作於高頻通斷開關狀態,將產生電磁幹擾EMI。當開關管流過大的脈衝電流時,大體上形成了矩形波,含有許多高頻成分。由於開關電源使用的元件參數(如開關管的存儲時間、輸出級的大電流、開關整流管的反向恢複時間)均會造成回路瞬間短路,產生很大短路電流。
凡(fan)有(you)短(duan)路(lu)電(dian)流(liu)的(de)導(dao)線(xian)及(ji)這(zhe)種(zhong)脈(mai)衝(chong)電(dian)流(liu)流(liu)經(jing)的(de)變(bian)壓(ya)器(qi)和(he)電(dian)感(gan)產(chan)生(sheng)的(de)電(dian)磁(ci)場(chang)都(dou)可(ke)形(xing)成(cheng)噪(zao)聲(sheng)源(yuan)。開(kai)關(guan)管(guan)的(de)負(fu)載(zai)是(shi)高(gao)頻(pin)變(bian)壓(ya)器(qi),在(zai)開(kai)關(guan)管(guan)導(dao)通(tong)的(de)瞬(shun)間(jian),變(bian)壓(ya)器(qi)初(chu)級(ji)出(chu)現(xian)很(hen)大(da)的(de)湧(yong)流(liu),造(zao)成(cheng)尖(jian)峰(feng)噪(zao)聲(sheng)。這(zhe)個(ge)尖(jian)峰(feng)噪(zao)聲(sheng)實(shi)際(ji)上(shang)是(shi)尖(jian)脈(mai)衝(chong),輕(qing)者(zhe)造(zao)成(cheng)幹(gan)擾(rao),重(zhong)者(zhe)有(you)可(ke)能(neng)擊(ji)穿(chuan)開(kai)關(guan)管(guan)。因(yin)此(ci),須(xu)采(cai)取(qu)以(yi)下(xia)措(cuo)施(shi)。
優化功率管的驅動電路設計。通過緩衝電路,可以延緩功率開關管的通斷過程。
采用R、C吸收電路,從而在維持電路性能不變的同時,降低其電磁幹擾的EMI電平。
③整流二極管
整流二極管在關斷期,由於反向恢複時間會引起尖峰幹擾。為減少這種電磁幹擾,必須選用具有軟恢複特性的、反向恢複電流小的、反fan向xiang恢hui複fu時shi間jian短duan的de二er極ji管guan。肖xiao特te基ji勢shi壘lei二er極ji管guan是shi多duo數shu載zai流liu子zi導dao流liu,不bu存cun在zai少shao子zi的de存cun儲chu與yu複fu合he效xiao應ying,因yin而er也ye就jiu會hui產chan生sheng很hen小xiao的de電dian壓ya尖jian峰feng幹gan擾rao,故gu采cai取qu以yi下xia措cuo施shi。
●采用R1、C1組成旁路吸收網絡。
●采用多個肖特基並聯分擔負載電流,有效地抑製整流二極管形成的EMI電平。
3產品平麵轉化時EMC設計技術
影響產品EMC的(de)方(fang)麵(mian)很(hen)多(duo)。除(chu)了(le)在(zai)線(xian)路(lu)上(shang)進(jin)行(xing)優(you)化(hua)設(she)計(ji)外(wai),如(ru)何(he)在(zai)基(ji)片(pian)有(you)限(xian)的(de)空(kong)間(jian)內(nei)合(he)理(li)的(de)安(an)排(pai)元(yuan)器(qi)件(jian)的(de)位(wei)置(zhi)以(yi)及(ji)導(dao)帶(dai)的(de)布(bu)線(xian),也(ye)將(jiang)直(zhi)接(jie)影(ying)響(xiang)到(dao)電(dian)路(lu)中(zhong)各(ge)元(yuan)器(qi)件(jian)自(zi)身(shen)的(de)抗(kang)幹(gan)擾(rao)性(xing)和(he)產(chan)品(pin)的(de)電(dian)磁(ci)兼(jian)容(rong)性(xing)EMC指標。
①平麵轉換設計規範
對於電源內部高頻開關器件,如功率VMOS管、高頻變壓器、整流管等,應盡可能地減少其電路電流的環路麵積,且不要與其他導帶長距離平行分布。
電源的輸入正端和地線應盡可能地靠近,以減小差模輻射的環路麵積。
設計布線時走線盡量少拐彎,拐彎處一般取圓弧形,因為直角或夾角會產生電流突變,產生EMI幹擾。導帶上的線寬不要突變,無尖刺毛邊。
[page]
導帶印製時應盡量采用高目數的印製網,以便使線電流達到均衡。應選用電流噪聲係數較小、性能穩定性較好的電阻漿料和導帶漿料,保證不會因為工藝參數的因數帶來新的幹擾。
盡可能地加粗地線,若地線過細,接地電位則隨電流的變化而變化,致使電路的信號電平不穩,抗噪聲性能變壞。

圖3初級吸收網絡
②采用金屬全密封結構進行封裝
屏(ping)蔽(bi)有(you)兩(liang)個(ge)目(mu)的(de),一(yi)是(shi)限(xian)製(zhi)內(nei)部(bu)輻(fu)射(she)的(de)電(dian)磁(ci)能(neng)量(liang)泄(xie)漏(lou)出(chu),二(er)是(shi)防(fang)止(zhi)外(wai)來(lai)輻(fu)射(she)幹(gan)擾(rao)進(jin)入(ru)該(gai)內(nei)部(bu)區(qu)域(yu)。其(qi)原(yuan)理(li)是(shi)利(li)用(yong)屏(ping)蔽(bi)體(ti)對(dui)電(dian)磁(ci)能(neng)量(liang)進(jin)行(xing)反(fan)射(she)、吸xi收shou和he引yin導dao。為wei了le抑yi製zhi開kai關guan電dian源yuan產chan生sheng的de輻fu射she,電dian磁ci騷sao擾rao對dui其qi他ta電dian子zi設she備bei的de影ying響xiang,可ke完wan全quan按an照zhao對dui磁ci場chang屏ping蔽bi的de方fang法fa來lai加jia工gong金jin屬shu外wai殼ke,然ran後hou將jiang金jin屬shu外wai殼ke與yu係xi統tong的de機ji殼ke和he地di連lian接jie為wei一yi體ti,就jiu能neng對dui電dian磁ci場chang進jin行xing有you效xiao的de屏ping蔽bi。

4地線設計技術
weijiangdijiedizukang,xiaochufenbudianrongdeyingxiangercaiqupingmianshihuoduodianjiedi,liyongyigedaodianpingmianzuoweicankaodi,xuyaojiedidegebufenjiujinjiedaogaicankaodishang。weijinyibujianxiaojiedihuiludeyajiang,keyongpangludianrongjianshaofanhuidianliudefuzhi。zaidipinhegaopingongcundedianluxitongzhong,haiyingfenbiejiangdipindianlu、高頻電路、功率電路的地線單獨連接後,再連接到公共參考點上,如果有可能最好設計地線層。
為減小變壓器漏感的影響,采用初、cijijiaocharaozhidefangfa,bingshiqijinmiouhe。jinkenengcaiyongguanxingcixin。youyuguanxingcixinkeyibasuoyoudexianquanraozufengzaicixinlimian,yincijuyoulianghaodeziwopingbizuoyong,keyiyouxiaodijianshaoEMI。

圖2輸入輸出濾波電路
為吸收上升沿和下降沿產生的過衝,並有可能造成的自激振蕩,在初、次級電路中增加R、C吸收網絡,以減少尖峰幹擾。在調試時須仔細調整R、C的參數,確保電阻R1的值在30~200Ω,電容C1的值在100~1000P之間,以免影響變壓器的效率。
②功率開關管
由於功率管工作於高頻通斷開關狀態,將產生電磁幹擾EMI。當開關管流過大的脈衝電流時,大體上形成了矩形波,含有許多高頻成分。由於開關電源使用的元件參數(如開關管的存儲時間、輸出級的大電流、開關整流管的反向恢複時間)均會造成回路瞬間短路,產生很大短路電流。
凡(fan)有(you)短(duan)路(lu)電(dian)流(liu)的(de)導(dao)線(xian)及(ji)這(zhe)種(zhong)脈(mai)衝(chong)電(dian)流(liu)流(liu)經(jing)的(de)變(bian)壓(ya)器(qi)和(he)電(dian)感(gan)產(chan)生(sheng)的(de)電(dian)磁(ci)場(chang)都(dou)可(ke)形(xing)成(cheng)噪(zao)聲(sheng)源(yuan)。開(kai)關(guan)管(guan)的(de)負(fu)載(zai)是(shi)高(gao)頻(pin)變(bian)壓(ya)器(qi),在(zai)開(kai)關(guan)管(guan)導(dao)通(tong)的(de)瞬(shun)間(jian),變(bian)壓(ya)器(qi)初(chu)級(ji)出(chu)現(xian)很(hen)大(da)的(de)湧(yong)流(liu),造(zao)成(cheng)尖(jian)峰(feng)噪(zao)聲(sheng)。這(zhe)個(ge)尖(jian)峰(feng)噪(zao)聲(sheng)實(shi)際(ji)上(shang)是(shi)尖(jian)脈(mai)衝(chong),輕(qing)者(zhe)造(zao)成(cheng)幹(gan)擾(rao),重(zhong)者(zhe)有(you)可(ke)能(neng)擊(ji)穿(chuan)開(kai)關(guan)管(guan)。因(yin)此(ci),須(xu)采(cai)取(qu)以(yi)下(xia)措(cuo)施(shi)。
- 電路的設計技術
- 抑製幹擾源技術
- 產品平麵轉化時EMC設計技術
- 地線設計技術
- 采取平麵式或多點接地
- 采用罐型磁芯減小變壓器漏感的影響
- 通過緩衝電路延緩功率開關管的通斷過程
- 采用R、C吸收電路降低其電磁幹擾的EMI電平
解決的關鍵技術
1電路的設計技術
通過EDA仿真,利用可靠性優化和可靠性簡化技術設計電路參數,著重解決如下問題。
①線路的自激振蕩:合理地選擇消振網絡,消除DC/DC變換器的R、L、C參數選取的不合理性引起的振蕩,減小EMI的電平。DC/DCdianyuanyouyugongzuozaigaopinkaiguanzhuangtai,henrongyixingchenggaopinziji,youshifanyingweidaimanzaishizhengchangdaiqingzaishiziji,youshifanyingweichangwenshizhengchanggaowenhuodiwenshiziji,yinciyuanqijiandexuanqu、補償網絡的應用顯得尤為重要。
②紋波與噪聲的有效抑製:抑製的方法大致可以歸結為二類,即降低本身的紋波與噪聲和設計濾波電路。
為了抑製外來的高頻幹擾,也為了抑製DC/DC變換器對外傳導幹擾,通過在DC/DC變換器的輸入端、輸出端設計濾波電路,抑製共模、差模幹擾,降低EMI電平。其中,C1、C2、C3為差模濾波電容,C4、C5為共模濾波電容,L1為共模扼流圈,L2為差模濾波電感。
為了減少DC/DC變換器通過輸入、輸出端傳導EMI,除了在輸入、輸出端采取LC濾波外,還在電源的輸入地到金屬外殼之間、輸出地到金屬外殼之間增加高頻濾波電容,以減少共模幹擾的產生。但此處要注意電容耐壓要大於500V,以滿足產品隔離電壓的要求。
圖中,L1、C1組成的輸入濾波電路和L2、C2組成的輸出濾波電路能減少紋波電流的大小,從而減少通過輻射傳播的電磁幹擾。濾波電容C1、C2采用多個電容並聯,以減少等效串聯電阻,從而減小紋波電壓。C3、C4、C5、C6用於濾除共模幹擾,其值不宜取大,以避免有較大的漏電流。
2抑製幹擾源技術
DC/DC變換器的主要幹擾源有高頻變壓器、功率開關管及整流二極管,為此逐一地采取措施。
①高頻變壓器
在開關電源中,變壓器在電路中起到電壓變換、隔離及能量轉化作用,其工作在高頻狀態,初、次級將產生噪聲並形成電磁幹擾EMI。當開關管關斷時,高頻變壓器漏感會產生反電動勢E=-Ldi/dt,其值與集電極的電流變化率(di/dt)成正比,與漏感量成正比,疊加在關斷電壓上,形成關斷電壓尖峰,從而形成傳導性電磁幹擾。
bianyaqizaikaiguandianyuanzhongshiyonglaigelihebianyade,danzaigaopindeqingkuangxiatadegelishibuwanquande,bianyaqicengjiandefenbudianrongshikaiguandianyuanzhongdegaopinzaoshenghenrongyizaichucijizhijianchuandi。ciwai,bianyaqiduiwaikedefenbudianrongxingchenglingyitiaogaopintongdao,congershibianyaqizhouweichanshengdediancibogengrongyizaiqitayinxianshangouhexingchengzaosheng。yinci,zaishejizhongcaiquleyixiacuoshi。[page]

圖1濾波器的原理圖
為減小變壓器漏感的影響,采用初、cijijiaocharaozhidefangfa,bingshiqijinmiouhe。jinkenengcaiyongguanxingcixin。youyuguanxingcixinkeyibasuoyoudexianquanraozufengzaicixinlimian,yincijuyoulianghaodeziwopingbizuoyong,keyiyouxiaodijianshaoEMI。

圖2輸入輸出濾波電路
為吸收上升沿和下降沿產生的過衝,並有可能造成的自激振蕩,在初、次級電路中增加R、C吸收網絡,以減少尖峰幹擾。在調試時須仔細調整R、C的參數,確保電阻R1的值在30~200Ω,電容C1的值在100~1000P之間,以免影響變壓器的效率。
②功率開關管
由於功率管工作於高頻通斷開關狀態,將產生電磁幹擾EMI。當開關管流過大的脈衝電流時,大體上形成了矩形波,含有許多高頻成分。由於開關電源使用的元件參數(如開關管的存儲時間、輸出級的大電流、開關整流管的反向恢複時間)均會造成回路瞬間短路,產生很大短路電流。
凡(fan)有(you)短(duan)路(lu)電(dian)流(liu)的(de)導(dao)線(xian)及(ji)這(zhe)種(zhong)脈(mai)衝(chong)電(dian)流(liu)流(liu)經(jing)的(de)變(bian)壓(ya)器(qi)和(he)電(dian)感(gan)產(chan)生(sheng)的(de)電(dian)磁(ci)場(chang)都(dou)可(ke)形(xing)成(cheng)噪(zao)聲(sheng)源(yuan)。開(kai)關(guan)管(guan)的(de)負(fu)載(zai)是(shi)高(gao)頻(pin)變(bian)壓(ya)器(qi),在(zai)開(kai)關(guan)管(guan)導(dao)通(tong)的(de)瞬(shun)間(jian),變(bian)壓(ya)器(qi)初(chu)級(ji)出(chu)現(xian)很(hen)大(da)的(de)湧(yong)流(liu),造(zao)成(cheng)尖(jian)峰(feng)噪(zao)聲(sheng)。這(zhe)個(ge)尖(jian)峰(feng)噪(zao)聲(sheng)實(shi)際(ji)上(shang)是(shi)尖(jian)脈(mai)衝(chong),輕(qing)者(zhe)造(zao)成(cheng)幹(gan)擾(rao),重(zhong)者(zhe)有(you)可(ke)能(neng)擊(ji)穿(chuan)開(kai)關(guan)管(guan)。因(yin)此(ci),須(xu)采(cai)取(qu)以(yi)下(xia)措(cuo)施(shi)。
優化功率管的驅動電路設計。通過緩衝電路,可以延緩功率開關管的通斷過程。
采用R、C吸收電路,從而在維持電路性能不變的同時,降低其電磁幹擾的EMI電平。
③整流二極管
整流二極管在關斷期,由於反向恢複時間會引起尖峰幹擾。為減少這種電磁幹擾,必須選用具有軟恢複特性的、反向恢複電流小的、反fan向xiang恢hui複fu時shi間jian短duan的de二er極ji管guan。肖xiao特te基ji勢shi壘lei二er極ji管guan是shi多duo數shu載zai流liu子zi導dao流liu,不bu存cun在zai少shao子zi的de存cun儲chu與yu複fu合he效xiao應ying,因yin而er也ye就jiu會hui產chan生sheng很hen小xiao的de電dian壓ya尖jian峰feng幹gan擾rao,故gu采cai取qu以yi下xia措cuo施shi。
●采用R1、C1組成旁路吸收網絡。
●采用多個肖特基並聯分擔負載電流,有效地抑製整流二極管形成的EMI電平。
3產品平麵轉化時EMC設計技術
影響產品EMC的(de)方(fang)麵(mian)很(hen)多(duo)。除(chu)了(le)在(zai)線(xian)路(lu)上(shang)進(jin)行(xing)優(you)化(hua)設(she)計(ji)外(wai),如(ru)何(he)在(zai)基(ji)片(pian)有(you)限(xian)的(de)空(kong)間(jian)內(nei)合(he)理(li)的(de)安(an)排(pai)元(yuan)器(qi)件(jian)的(de)位(wei)置(zhi)以(yi)及(ji)導(dao)帶(dai)的(de)布(bu)線(xian),也(ye)將(jiang)直(zhi)接(jie)影(ying)響(xiang)到(dao)電(dian)路(lu)中(zhong)各(ge)元(yuan)器(qi)件(jian)自(zi)身(shen)的(de)抗(kang)幹(gan)擾(rao)性(xing)和(he)產(chan)品(pin)的(de)電(dian)磁(ci)兼(jian)容(rong)性(xing)EMC指標。
①平麵轉換設計規範
對於電源內部高頻開關器件,如功率VMOS管、高頻變壓器、整流管等,應盡可能地減少其電路電流的環路麵積,且不要與其他導帶長距離平行分布。
電源的輸入正端和地線應盡可能地靠近,以減小差模輻射的環路麵積。
設計布線時走線盡量少拐彎,拐彎處一般取圓弧形,因為直角或夾角會產生電流突變,產生EMI幹擾。導帶上的線寬不要突變,無尖刺毛邊。
[page]
導帶印製時應盡量采用高目數的印製網,以便使線電流達到均衡。應選用電流噪聲係數較小、性能穩定性較好的電阻漿料和導帶漿料,保證不會因為工藝參數的因數帶來新的幹擾。
盡可能地加粗地線,若地線過細,接地電位則隨電流的變化而變化,致使電路的信號電平不穩,抗噪聲性能變壞。

圖3初級吸收網絡
②采用金屬全密封結構進行封裝
屏(ping)蔽(bi)有(you)兩(liang)個(ge)目(mu)的(de),一(yi)是(shi)限(xian)製(zhi)內(nei)部(bu)輻(fu)射(she)的(de)電(dian)磁(ci)能(neng)量(liang)泄(xie)漏(lou)出(chu),二(er)是(shi)防(fang)止(zhi)外(wai)來(lai)輻(fu)射(she)幹(gan)擾(rao)進(jin)入(ru)該(gai)內(nei)部(bu)區(qu)域(yu)。其(qi)原(yuan)理(li)是(shi)利(li)用(yong)屏(ping)蔽(bi)體(ti)對(dui)電(dian)磁(ci)能(neng)量(liang)進(jin)行(xing)反(fan)射(she)、吸xi收shou和he引yin導dao。為wei了le抑yi製zhi開kai關guan電dian源yuan產chan生sheng的de輻fu射she,電dian磁ci騷sao擾rao對dui其qi他ta電dian子zi設she備bei的de影ying響xiang,可ke完wan全quan按an照zhao對dui磁ci場chang屏ping蔽bi的de方fang法fa來lai加jia工gong金jin屬shu外wai殼ke,然ran後hou將jiang金jin屬shu外wai殼ke與yu係xi統tong的de機ji殼ke和he地di連lian接jie為wei一yi體ti,就jiu能neng對dui電dian磁ci場chang進jin行xing有you效xiao的de屏ping蔽bi。

4地線設計技術
weijiangdijiedizukang,xiaochufenbudianrongdeyingxiangercaiqupingmianshihuoduodianjiedi,liyongyigedaodianpingmianzuoweicankaodi,xuyaojiedidegebufenjiujinjiedaogaicankaodishang。weijinyibujianxiaojiedihuiludeyajiang,keyongpangludianrongjianshaofanhuidianliudefuzhi。zaidipinhegaopingongcundedianluxitongzhong,haiyingfenbiejiangdipindianlu、高頻電路、功率電路的地線單獨連接後,再連接到公共參考點上,如果有可能最好設計地線層。
為減小變壓器漏感的影響,采用初、cijijiaocharaozhidefangfa,bingshiqijinmiouhe。jinkenengcaiyongguanxingcixin。youyuguanxingcixinkeyibasuoyoudexianquanraozufengzaicixinlimian,yincijuyoulianghaodeziwopingbizuoyong,keyiyouxiaodijianshaoEMI。

圖2輸入輸出濾波電路
為吸收上升沿和下降沿產生的過衝,並有可能造成的自激振蕩,在初、次級電路中增加R、C吸收網絡,以減少尖峰幹擾。在調試時須仔細調整R、C的參數,確保電阻R1的值在30~200Ω,電容C1的值在100~1000P之間,以免影響變壓器的效率。
②功率開關管
由於功率管工作於高頻通斷開關狀態,將產生電磁幹擾EMI。當開關管流過大的脈衝電流時,大體上形成了矩形波,含有許多高頻成分。由於開關電源使用的元件參數(如開關管的存儲時間、輸出級的大電流、開關整流管的反向恢複時間)均會造成回路瞬間短路,產生很大短路電流。
凡(fan)有(you)短(duan)路(lu)電(dian)流(liu)的(de)導(dao)線(xian)及(ji)這(zhe)種(zhong)脈(mai)衝(chong)電(dian)流(liu)流(liu)經(jing)的(de)變(bian)壓(ya)器(qi)和(he)電(dian)感(gan)產(chan)生(sheng)的(de)電(dian)磁(ci)場(chang)都(dou)可(ke)形(xing)成(cheng)噪(zao)聲(sheng)源(yuan)。開(kai)關(guan)管(guan)的(de)負(fu)載(zai)是(shi)高(gao)頻(pin)變(bian)壓(ya)器(qi),在(zai)開(kai)關(guan)管(guan)導(dao)通(tong)的(de)瞬(shun)間(jian),變(bian)壓(ya)器(qi)初(chu)級(ji)出(chu)現(xian)很(hen)大(da)的(de)湧(yong)流(liu),造(zao)成(cheng)尖(jian)峰(feng)噪(zao)聲(sheng)。這(zhe)個(ge)尖(jian)峰(feng)噪(zao)聲(sheng)實(shi)際(ji)上(shang)是(shi)尖(jian)脈(mai)衝(chong),輕(qing)者(zhe)造(zao)成(cheng)幹(gan)擾(rao),重(zhong)者(zhe)有(you)可(ke)能(neng)擊(ji)穿(chuan)開(kai)關(guan)管(guan)。因(yin)此(ci),須(xu)采(cai)取(qu)以(yi)下(xia)措(cuo)施(shi)。
特別推薦
- 噪聲中提取真值!瑞盟科技推出MSA2240電流檢測芯片賦能多元高端測量場景
- 10MHz高頻運行!氮矽科技發布集成驅動GaN芯片,助力電源能效再攀新高
- 失真度僅0.002%!力芯微推出超低內阻、超低失真4PST模擬開關
- 一“芯”雙電!聖邦微電子發布雙輸出電源芯片,簡化AFE與音頻設計
- 一機適配萬端:金升陽推出1200W可編程電源,賦能高端裝備製造
技術文章更多>>
- 2026藍牙亞洲大會暨展覽在深啟幕
- H橋降壓-升壓電路中的交替控製與帶寬優化
- Tektronix 助力二維材料器件與芯片研究與創新
- 800V AI算力時代,GaN從“備選”變“剛需”?
- 大聯大世平集團首度亮相北京國際汽車展 攜手全球芯片夥伴打造智能車整合應用新典範
技術白皮書下載更多>>
- 車規與基於V2X的車輛協同主動避撞技術展望
- 數字隔離助力新能源汽車安全隔離的新挑戰
- 汽車模塊拋負載的解決方案
- 車用連接器的安全創新應用
- Melexis Actuators Business Unit
- Position / Current Sensors - Triaxis Hall
熱門搜索




