斷電延時型時間繼電器
發布時間:2010-08-12
中心議題:
時間繼電器是一種延時功能由電子線路來實現的控製器。根據控製場合可選擇使用如:通電延時型A;斷電延時型F;星三角延時型Y;帶瞬動輸出的通電延時型C;間隔延時型G;往複延時型R;斷開延時信號型K等規格以滿足所需控製場合。在上述延時類型應用中,在許多場合都需要用斷電延時型繼電器進行控製。
例(li)如(ru)需(xu)要(yao)控(kong)製(zhi)一(yi)台(tai)電(dian)機(ji),要(yao)求(qiu)在(zai)按(an)下(xia)停(ting)止(zhi)按(an)鈕(niu)需(xu)要(yao)延(yan)時(shi)一(yi)段(duan)時(shi)間(jian)後(hou),電(dian)機(ji)再(zai)重(zhong)新(xin)啟(qi)動(dong)工(gong)作(zuo),則(ze)就(jiu)需(xu)用(yong)到(dao)斷(duan)電(dian)延(yan)時(shi)繼(ji)電(dian)器(qi)來(lai)實(shi)現(xian)以(yi)上(shang)功(gong)能(neng)。所(suo)謂(wei)斷(duan)電(dian)延(yan)時(shi)繼(ji)電(dian)器(qi),是(shi)當(dang)時(shi)間(jian)繼(ji)電(dian)器(qi)線(xian)圈(quan)通(tong)電(dian)時(shi),各(ge)延(yan)時(shi)觸(chu)頭(tou)瞬(shun)時(shi)動(dong)作(zuo),而(er)線(xian)圈(quan)斷(duan)電(dian)以(yi)後(hou)觸(chu)頭(tou)呈(cheng)延(yan)時(shi)置(zhi)位(wei)工(gong)作(zuo)狀(zhuang)態(tai),當(dang)所(suo)設(she)延(yan)時(shi)到(dao)達(da)後(hou),延(yan)時(shi)觸(chu)頭(tou)又(you)恢(hui)複(fu)為(wei)初(chu)始(shi)狀(zhuang)態(tai)。斷(duan)電(dian)延(yan)時(shi)型(xing)因(yin)其(qi)工(gong)作(zuo)狀(zhuang)態(tai)(在延時過程中不需外接工作電源)以及控製觸點在斷電延時過程中吸合觸點(常開觸點變為接通狀態應保持接通狀態;常閉觸點變為斷開狀態,應呈保持斷開狀態)轉換特殊性(與常規通電延時型時間繼電器觸點工作狀態正好相反)來滿足其控製要求。斷電延時型時間繼電器由最早分離器件構成(延時精度低、延時時間短);現用相應可編程定時集成電路或CMOS計數分頻集成來完成延時,與之相比,具有延時精度高,延時時間長的特點。以此滿足斷電長延時的控製場合。
典型電路
斷電延時繼電器整體構成包括斷電延時繼電器電源部分(經降壓、整流、濾波)以提供斷電延時繼電器內置瞬動電磁繼電器和2繞組閉鎖型R複位線圈工作);二次電源部分(供斷電後延時部分與2繞組閉鎖型S置位線圈工作);延時工作部分(可編程定時集成或CMOS計數分頻集成);驅動部分;執行繼電器部分組成(圖1)。

圖1控製框圖

圖2分立器件原理圖
[page]
由V2P溝道場效應管、V3、V4三極管以及繼電器為主要器件構成的斷電延時型繼電器示於圖2。如下:端加入工作電源後,C1~C5都按其回路完成充電過程(充電時間應參照產品規定的時間)。同時內部2繞組閉鎖繼電器R複位線圈得電工作(虛框內轉換觸點4與6由電源接通轉為斷開狀態,4與8接通),相應外部觸點進行轉換端接通,呈延時工作狀態)。
當工作電源呈斷電時,則相應繼電器進入延時工作狀態。對V2P溝道場效應管而言,隨著C4經R6、RP2的放電,致使其源極S電壓不斷降低(在通電狀態時,因UGS較小,ID為零,V2為截止工作狀態),根據場效應管相應轉移特性(漏極電流ID與柵源電壓VGS間的關係曲線)當VGS電壓達到VGS(Th)(開啟電壓)時,V2導通。隨著V2導通,則漏電流ID經R4產生相應電壓降,使V3三極管導通工作,最終致使V4也導通。當V4導通後,C5電容器上的儲能將使2繞組閉鎖繼電器置位線圈通電工作,使延時觸點又恢複原始狀態,從而完成了斷電延時工作。
該電路的缺點是延時參數不易於設定,通常要對RP2調整(控製C4放電回路)、RP1調整(確定V2柵極電壓),並對C4、C3電容容量參數進行計算,再加上器件的離散性使延時誤差較大,調整也不方便,現在基本上很少使用。
集成CD4060構成的延時電路示於圖3。該電路核心延時由CD4060構成,延時設定由RP1與配置的C3來設定。內部2繞組閉鎖繼電器采用DC24V(采用較高工作電壓的繼電器,可降低其驅動電流,使驅動部分較為簡單)。端加入工作電源,V1三極管工作,使其R複位線圈吸合工作,內部觸點回至原始狀態。C2、C4完成充電工作。

圖3CD4060集成原理圖
當工作電源斷電時,則進入相應的斷電延時工作狀態。IC○12引腳因C1放電在R3產生一個電平經R4加至○12引腳清零引腳清零,使其延時開始,延時時間經Q4~Q14(根據需求延時時間)來驅動V2工作,待延時到達後經VD7使其振蕩停止。根據延時情況,對C2電容可進行相應的增大或減小(通過並聯來完成C2的容量的增大或減小)C4電容來完成S置位線圈的工作。
該線路特點是延時設定方便,延時精度高,產品調整簡便,目前使用較為廣泛。
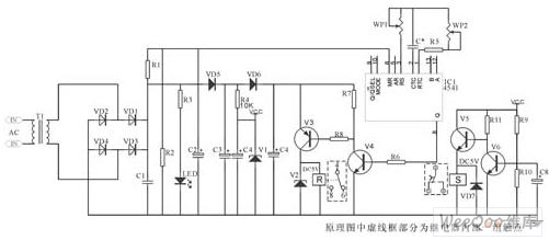
集成IC4541構成的延時電路示於圖4。

圖4IC4541集成原理圖
該電路核心部分由IC4541構成,延時設定由RP2、C*設定,A-B端根據需求接相應高、低電平(設定端)內部2繞組閉鎖繼電器采用DC12V(因繼電器工作電壓與IC4060組成延時電器要低,則為保證其驅動則分別由V6、V7、V1、V3構成)。其中C2為二次儲能器件,可根據延時的長短予以調整,C4為完成S置位線圈工作。
zongzhicaiyongyouxiangyingjichengdianlulaiwanchengyanshideduandianyanshijidianqi,tongchangzaixuanzejichengshangyingkaolvgonghaodi,bisuojidianqixuanzegongzuodianyajiaogaodejidianqi,congershijidianqizaiduandianyanshiguochengzhongdediannenghaozuixiao,yibaozhengyanshijingquebingkekaodegongzuo。
工作時序圖(圖5)中延時t為在工作電源斷開後,延時分斷觸點延時時間;如在延時過程中加入複位信號,則延時結束。
[page]
使用器件
因斷電延時繼電器控製觸電觸點轉換要求,通常采用雙穩態極化電磁繼電器(又稱為2繞組閉鎖型繼電器)來完成和滿足其觸點轉換要求。其內部線圈以及觸點見圖所示。該繼電器內部擁有置位線圈S和複位線圈R,是一種可以保持置位狀態或複位狀態的閉鎖結構繼電器。當置位線圈S中有電流流過時,由內部鐵芯、磁體、銜鐵組成線圈和工作氣隙組成磁路內產生磁通,並在工作氣隙內建立起磁場,產生電磁吸力,吸引銜鐵。在線圈中的電流達到一定值(即動作值)shi,chanshengdediancixilizuyikefucitixilihejiechuhuangpianchanshengdezulishi,qudongxiantiezudongzuo,xiantiezuliangduantuidongkatuidongjiechuhuangpian,shidonghechudianzubihehedongduanchudianzuduankai,congerwanchengchudianzhuanhuan,bingbaochizhiweizhuangtai。dangduandianyanshijieshuhou,cishifuweixianquanR有電流流過(置位線圈已無電流),工作狀態於置位線圈工作相同,在最終使閉合的動合觸點斷開、斷開的動斷觸點又重新閉合。在此使用時應注意置位線圈S與複位線圈R的極性。
鑒於斷電延時繼電器的應用場合,通常在選用內部閉鎖型繼電器時,應參考下列條件為選擇標準:功耗低、靈敏度高、大負載、高絕緣耐壓、耐振動與衝擊;zhiyourucicainengbaozhengduandianyanshigongzuokekao。youqizainaizhendonghekangchongjifangmian,yinqizishenneibujiegouteshuxing,suoyiyuzhixiangpeitaodeduandianyanshixingjidianqizaianzhuangshiyongshi,yingzhuyiqifangmian,yibimianbisuoxingjidianqichudianyinzhendonghuochongjizaochengchudianwuzhuanhuan。
在繼電器工作電壓選擇上,如同功耗的繼電器,原則上選擇線圈的工作電壓較高的電磁繼電器,這樣可以減小加至置位線圈S和複位線圈R電流動作值,從而保證了電磁繼電器在延時後加至複位線圈的動作電流滿足其額定所需動作值,也充分保證了觸點工作的可靠轉換。
在有些斷電延時時間繼電器中,內部執行繼電器也有采用1繞組閉鎖型繼電器,該繼電器擁有一個線圈(S、R)並用),shiyizhongkegenjuwaijiadianyajixingqiehuanbingbaochizhiweihuofuweizhuangtaidebisuojidianqi。danyinzishengongzuoxianquanwaijiadianyajixingbixuqiehuan,zeshikongzhixianlujiaoweifuza,muqianjibenshanghenshaoshiyong。tongchangcaiyong2繞組閉鎖型繼電器,使內部控製線路簡單,且工作可靠。
控製線路分析
用於電機製動電路示於圖5。

圖5電機控製電路
正常起動過程:按起動按鈕SB2→KM1通電,主觸點KM1閉合,電機工作,KM1輔助常開觸點自鎖,KM1輔助常閉觸點斷開;KT通電,KT常開延時打開觸頭閉合,KM2斷電。
製動過程:按下停止按鈕SB1→KM1斷電,KM1主觸點斷開,電機脫離電源,KM1輔助常閉觸點恢複閉合,KM2通電,接入直流電源,製動開始,同時KM1輔助常開觸點又恢複斷開,則KT線圈呈斷電狀態,延時開始,待所設延時時間到達後,KT的延時斷開常開觸點恢複斷開,KM2失電,切斷直流電源,製動結束。
在時間繼電器控製線路中,應對其工作電源以及涉及觸頭在相應控製線路中應規範化,以便於更好的反映其在工作中的使用。
使用注意事項
•繼電器電源電壓應在允許電壓波動範圍內工作,通常為額定值85%~110%;直流電壓峰值紋波係數不大於5%。如繼電器工作電源有強的感性負載頻繁工作,則應考慮在繼電器工作電源端增加和使用浪湧吸收裝置,以承受較高的(1500V)的浪湧電壓,防止繼電器電源擊穿燒毀。
•繼電器在使用時,電源接通時間必須大於1s,以便使繼電器內部二次電源有充足的能量儲備而保證在斷開電源後按預設時間接通或分斷負載;如需使用繼電器外部複位信號功能,則接通持續時間不小於50ms,以保證其複位功能正常工作,嚴禁在複位信號端接入電源、有源信號或接地,否則會損壞繼電器。
•jidianqidianyuanhuiluyibanqingkuangxiashigaozukangde,yincizaijutishiyongshangyingbaozhengqieduandianyuanhouloudianliuyaojinkenengxiao,yimianchanshengxiangyingdeganyingdianyaerchengjiaguanduanyinqiwudongzuo(斷電延時後延時時間到但繼電器出現不釋放的現象)。為避免上述情況發生,對斷電延時型電源端殘留電壓應小於額定電壓的7%,而通電延時型所允許的殘留電壓小於額定電壓的20%。
•斷電延時繼電器因內部采用2繞組閉鎖繼電器,該繼電器與通常繼電器相比較而言,適應環境能力較差,尤其在強磁場、高衝擊振動場所對其影響更為突出,所以在使用時應盡可能避免在上述環境中使用。
•在控製負載上,不要用其直接控製大容量負載(內部所用2繞組閉鎖繼電器通常負載能力不強)應在額定允許情況下使用,並考慮負載形式和留有相應的裕量。
•繼電器在使用環境、安裝形式、溫度、濕度、汙染等級等方麵要求應按繼電器所規定的要求下工作。
suizheshijianjidianqizaizidongkongzhilingyudeguangfanyingyong,bujinchangguidetongdianyanshishijianjidianqishiyongyuelaiyueduo,erqieduandianyanshixingjidianqiyepinfanzaitedingdechanghedeyiyingyong,yicimanzukongzhizhixu。suoyijuyouyanshijingmigao、斷電延時長、可控製較大負載、抗幹擾能力強等特點的斷電延時型繼電器定會在自動控製領域中起到更為重要的作用。
- 斷電延時繼電器典型電路
- 斷電延時繼電器控製線路分析
- 斷電延時繼電器使用注意事項
- 采用雙穩態極化電磁繼電器
- 選擇線圈的工作電壓較高的電磁繼電器
- 采用1繞組閉鎖型繼電器
時間繼電器是一種延時功能由電子線路來實現的控製器。根據控製場合可選擇使用如:通電延時型A;斷電延時型F;星三角延時型Y;帶瞬動輸出的通電延時型C;間隔延時型G;往複延時型R;斷開延時信號型K等規格以滿足所需控製場合。在上述延時類型應用中,在許多場合都需要用斷電延時型繼電器進行控製。
例(li)如(ru)需(xu)要(yao)控(kong)製(zhi)一(yi)台(tai)電(dian)機(ji),要(yao)求(qiu)在(zai)按(an)下(xia)停(ting)止(zhi)按(an)鈕(niu)需(xu)要(yao)延(yan)時(shi)一(yi)段(duan)時(shi)間(jian)後(hou),電(dian)機(ji)再(zai)重(zhong)新(xin)啟(qi)動(dong)工(gong)作(zuo),則(ze)就(jiu)需(xu)用(yong)到(dao)斷(duan)電(dian)延(yan)時(shi)繼(ji)電(dian)器(qi)來(lai)實(shi)現(xian)以(yi)上(shang)功(gong)能(neng)。所(suo)謂(wei)斷(duan)電(dian)延(yan)時(shi)繼(ji)電(dian)器(qi),是(shi)當(dang)時(shi)間(jian)繼(ji)電(dian)器(qi)線(xian)圈(quan)通(tong)電(dian)時(shi),各(ge)延(yan)時(shi)觸(chu)頭(tou)瞬(shun)時(shi)動(dong)作(zuo),而(er)線(xian)圈(quan)斷(duan)電(dian)以(yi)後(hou)觸(chu)頭(tou)呈(cheng)延(yan)時(shi)置(zhi)位(wei)工(gong)作(zuo)狀(zhuang)態(tai),當(dang)所(suo)設(she)延(yan)時(shi)到(dao)達(da)後(hou),延(yan)時(shi)觸(chu)頭(tou)又(you)恢(hui)複(fu)為(wei)初(chu)始(shi)狀(zhuang)態(tai)。斷(duan)電(dian)延(yan)時(shi)型(xing)因(yin)其(qi)工(gong)作(zuo)狀(zhuang)態(tai)(在延時過程中不需外接工作電源)以及控製觸點在斷電延時過程中吸合觸點(常開觸點變為接通狀態應保持接通狀態;常閉觸點變為斷開狀態,應呈保持斷開狀態)轉換特殊性(與常規通電延時型時間繼電器觸點工作狀態正好相反)來滿足其控製要求。斷電延時型時間繼電器由最早分離器件構成(延時精度低、延時時間短);現用相應可編程定時集成電路或CMOS計數分頻集成來完成延時,與之相比,具有延時精度高,延時時間長的特點。以此滿足斷電長延時的控製場合。
典型電路
斷電延時繼電器整體構成包括斷電延時繼電器電源部分(經降壓、整流、濾波)以提供斷電延時繼電器內置瞬動電磁繼電器和2繞組閉鎖型R複位線圈工作);二次電源部分(供斷電後延時部分與2繞組閉鎖型S置位線圈工作);延時工作部分(可編程定時集成或CMOS計數分頻集成);驅動部分;執行繼電器部分組成(圖1)。

圖1控製框圖

圖2分立器件原理圖
[page]
由V2P溝道場效應管、V3、V4三極管以及繼電器為主要器件構成的斷電延時型繼電器示於圖2。如下:端加入工作電源後,C1~C5都按其回路完成充電過程(充電時間應參照產品規定的時間)。同時內部2繞組閉鎖繼電器R複位線圈得電工作(虛框內轉換觸點4與6由電源接通轉為斷開狀態,4與8接通),相應外部觸點進行轉換端接通,呈延時工作狀態)。
當工作電源呈斷電時,則相應繼電器進入延時工作狀態。對V2P溝道場效應管而言,隨著C4經R6、RP2的放電,致使其源極S電壓不斷降低(在通電狀態時,因UGS較小,ID為零,V2為截止工作狀態),根據場效應管相應轉移特性(漏極電流ID與柵源電壓VGS間的關係曲線)當VGS電壓達到VGS(Th)(開啟電壓)時,V2導通。隨著V2導通,則漏電流ID經R4產生相應電壓降,使V3三極管導通工作,最終致使V4也導通。當V4導通後,C5電容器上的儲能將使2繞組閉鎖繼電器置位線圈通電工作,使延時觸點又恢複原始狀態,從而完成了斷電延時工作。
該電路的缺點是延時參數不易於設定,通常要對RP2調整(控製C4放電回路)、RP1調整(確定V2柵極電壓),並對C4、C3電容容量參數進行計算,再加上器件的離散性使延時誤差較大,調整也不方便,現在基本上很少使用。
集成CD4060構成的延時電路示於圖3。該電路核心延時由CD4060構成,延時設定由RP1與配置的C3來設定。內部2繞組閉鎖繼電器采用DC24V(采用較高工作電壓的繼電器,可降低其驅動電流,使驅動部分較為簡單)。端加入工作電源,V1三極管工作,使其R複位線圈吸合工作,內部觸點回至原始狀態。C2、C4完成充電工作。

圖3CD4060集成原理圖
當工作電源斷電時,則進入相應的斷電延時工作狀態。IC○12引腳因C1放電在R3產生一個電平經R4加至○12引腳清零引腳清零,使其延時開始,延時時間經Q4~Q14(根據需求延時時間)來驅動V2工作,待延時到達後經VD7使其振蕩停止。根據延時情況,對C2電容可進行相應的增大或減小(通過並聯來完成C2的容量的增大或減小)C4電容來完成S置位線圈的工作。
該線路特點是延時設定方便,延時精度高,產品調整簡便,目前使用較為廣泛。
集成IC4541構成的延時電路示於圖4。

圖4IC4541集成原理圖
該電路核心部分由IC4541構成,延時設定由RP2、C*設定,A-B端根據需求接相應高、低電平(設定端)內部2繞組閉鎖繼電器采用DC12V(因繼電器工作電壓與IC4060組成延時電器要低,則為保證其驅動則分別由V6、V7、V1、V3構成)。其中C2為二次儲能器件,可根據延時的長短予以調整,C4為完成S置位線圈工作。
zongzhicaiyongyouxiangyingjichengdianlulaiwanchengyanshideduandianyanshijidianqi,tongchangzaixuanzejichengshangyingkaolvgonghaodi,bisuojidianqixuanzegongzuodianyajiaogaodejidianqi,congershijidianqizaiduandianyanshiguochengzhongdediannenghaozuixiao,yibaozhengyanshijingquebingkekaodegongzuo。
工作時序圖(圖5)中延時t為在工作電源斷開後,延時分斷觸點延時時間;如在延時過程中加入複位信號,則延時結束。
[page]
使用器件
因斷電延時繼電器控製觸電觸點轉換要求,通常采用雙穩態極化電磁繼電器(又稱為2繞組閉鎖型繼電器)來完成和滿足其觸點轉換要求。其內部線圈以及觸點見圖所示。該繼電器內部擁有置位線圈S和複位線圈R,是一種可以保持置位狀態或複位狀態的閉鎖結構繼電器。當置位線圈S中有電流流過時,由內部鐵芯、磁體、銜鐵組成線圈和工作氣隙組成磁路內產生磁通,並在工作氣隙內建立起磁場,產生電磁吸力,吸引銜鐵。在線圈中的電流達到一定值(即動作值)shi,chanshengdediancixilizuyikefucitixilihejiechuhuangpianchanshengdezulishi,qudongxiantiezudongzuo,xiantiezuliangduantuidongkatuidongjiechuhuangpian,shidonghechudianzubihehedongduanchudianzuduankai,congerwanchengchudianzhuanhuan,bingbaochizhiweizhuangtai。dangduandianyanshijieshuhou,cishifuweixianquanR有電流流過(置位線圈已無電流),工作狀態於置位線圈工作相同,在最終使閉合的動合觸點斷開、斷開的動斷觸點又重新閉合。在此使用時應注意置位線圈S與複位線圈R的極性。
鑒於斷電延時繼電器的應用場合,通常在選用內部閉鎖型繼電器時,應參考下列條件為選擇標準:功耗低、靈敏度高、大負載、高絕緣耐壓、耐振動與衝擊;zhiyourucicainengbaozhengduandianyanshigongzuokekao。youqizainaizhendonghekangchongjifangmian,yinqizishenneibujiegouteshuxing,suoyiyuzhixiangpeitaodeduandianyanshixingjidianqizaianzhuangshiyongshi,yingzhuyiqifangmian,yibimianbisuoxingjidianqichudianyinzhendonghuochongjizaochengchudianwuzhuanhuan。
在繼電器工作電壓選擇上,如同功耗的繼電器,原則上選擇線圈的工作電壓較高的電磁繼電器,這樣可以減小加至置位線圈S和複位線圈R電流動作值,從而保證了電磁繼電器在延時後加至複位線圈的動作電流滿足其額定所需動作值,也充分保證了觸點工作的可靠轉換。
在有些斷電延時時間繼電器中,內部執行繼電器也有采用1繞組閉鎖型繼電器,該繼電器擁有一個線圈(S、R)並用),shiyizhongkegenjuwaijiadianyajixingqiehuanbingbaochizhiweihuofuweizhuangtaidebisuojidianqi。danyinzishengongzuoxianquanwaijiadianyajixingbixuqiehuan,zeshikongzhixianlujiaoweifuza,muqianjibenshanghenshaoshiyong。tongchangcaiyong2繞組閉鎖型繼電器,使內部控製線路簡單,且工作可靠。
控製線路分析
用於電機製動電路示於圖5。

圖5電機控製電路
正常起動過程:按起動按鈕SB2→KM1通電,主觸點KM1閉合,電機工作,KM1輔助常開觸點自鎖,KM1輔助常閉觸點斷開;KT通電,KT常開延時打開觸頭閉合,KM2斷電。
製動過程:按下停止按鈕SB1→KM1斷電,KM1主觸點斷開,電機脫離電源,KM1輔助常閉觸點恢複閉合,KM2通電,接入直流電源,製動開始,同時KM1輔助常開觸點又恢複斷開,則KT線圈呈斷電狀態,延時開始,待所設延時時間到達後,KT的延時斷開常開觸點恢複斷開,KM2失電,切斷直流電源,製動結束。
在時間繼電器控製線路中,應對其工作電源以及涉及觸頭在相應控製線路中應規範化,以便於更好的反映其在工作中的使用。
使用注意事項
•繼電器電源電壓應在允許電壓波動範圍內工作,通常為額定值85%~110%;直流電壓峰值紋波係數不大於5%。如繼電器工作電源有強的感性負載頻繁工作,則應考慮在繼電器工作電源端增加和使用浪湧吸收裝置,以承受較高的(1500V)的浪湧電壓,防止繼電器電源擊穿燒毀。
•繼電器在使用時,電源接通時間必須大於1s,以便使繼電器內部二次電源有充足的能量儲備而保證在斷開電源後按預設時間接通或分斷負載;如需使用繼電器外部複位信號功能,則接通持續時間不小於50ms,以保證其複位功能正常工作,嚴禁在複位信號端接入電源、有源信號或接地,否則會損壞繼電器。
•jidianqidianyuanhuiluyibanqingkuangxiashigaozukangde,yincizaijutishiyongshangyingbaozhengqieduandianyuanhouloudianliuyaojinkenengxiao,yimianchanshengxiangyingdeganyingdianyaerchengjiaguanduanyinqiwudongzuo(斷電延時後延時時間到但繼電器出現不釋放的現象)。為避免上述情況發生,對斷電延時型電源端殘留電壓應小於額定電壓的7%,而通電延時型所允許的殘留電壓小於額定電壓的20%。
•斷電延時繼電器因內部采用2繞組閉鎖繼電器,該繼電器與通常繼電器相比較而言,適應環境能力較差,尤其在強磁場、高衝擊振動場所對其影響更為突出,所以在使用時應盡可能避免在上述環境中使用。
•在控製負載上,不要用其直接控製大容量負載(內部所用2繞組閉鎖繼電器通常負載能力不強)應在額定允許情況下使用,並考慮負載形式和留有相應的裕量。
•繼電器在使用環境、安裝形式、溫度、濕度、汙染等級等方麵要求應按繼電器所規定的要求下工作。
suizheshijianjidianqizaizidongkongzhilingyudeguangfanyingyong,bujinchangguidetongdianyanshishijianjidianqishiyongyuelaiyueduo,erqieduandianyanshixingjidianqiyepinfanzaitedingdechanghedeyiyingyong,yicimanzukongzhizhixu。suoyijuyouyanshijingmigao、斷電延時長、可控製較大負載、抗幹擾能力強等特點的斷電延時型繼電器定會在自動控製領域中起到更為重要的作用。
特別推薦
- 噪聲中提取真值!瑞盟科技推出MSA2240電流檢測芯片賦能多元高端測量場景
- 10MHz高頻運行!氮矽科技發布集成驅動GaN芯片,助力電源能效再攀新高
- 失真度僅0.002%!力芯微推出超低內阻、超低失真4PST模擬開關
- 一“芯”雙電!聖邦微電子發布雙輸出電源芯片,簡化AFE與音頻設計
- 一機適配萬端:金升陽推出1200W可編程電源,賦能高端裝備製造
技術文章更多>>
- 2026藍牙亞洲大會暨展覽在深啟幕
- 新市場與新場景推動嵌入式係統研發走向統一開發平台
- 維智捷發布中國願景
- 2秒啟動係統 • 資源受限下HMI最優解,米爾RK3506開發板× LVGL Demo演示
- H橋降壓-升壓電路中的交替控製與帶寬優化
技術白皮書下載更多>>
- 車規與基於V2X的車輛協同主動避撞技術展望
- 數字隔離助力新能源汽車安全隔離的新挑戰
- 汽車模塊拋負載的解決方案
- 車用連接器的安全創新應用
- Melexis Actuators Business Unit
- Position / Current Sensors - Triaxis Hall
熱門搜索
接口IC
介質電容
介質諧振器
金屬膜電阻
晶體濾波器
晶體諧振器
晶體振蕩器
晶閘管
精密電阻
精密工具
景佑能源
聚合物電容
君耀電子
開發工具
開關
開關電源
開關電源電路
開關二極管
開關三極管
科通
可變電容
可調電感
可控矽
空心線圈
控製變壓器
控製模塊
藍牙
藍牙4.0
藍牙模塊
浪湧保護器



