技術探討:客運專線信號雷電防護和電磁兼容初探
發布時間:2014-03-11 責任編輯:mikeliu
【導讀】本(ben)文(wen)討(tao)論(lun)了(le)客(ke)運(yun)專(zhuan)線(xian)信(xin)號(hao)設(she)備(bei)雷(lei)害(hai)及(ji)綜(zong)合(he)防(fang)雷(lei)技(ji)術(shu)在(zai)客(ke)運(yun)專(zhuan)線(xian)信(xin)號(hao)設(she)備(bei)中(zhong)實(shi)施(shi)的(de)必(bi)要(yao)性(xing)和(he)可(ke)行(xing)性(xing),並(bing)討(tao)論(lun)了(le)集(ji)裝(zhuang)箱(xiang)中(zhong)繼(ji)站(zhan)的(de)防(fang)雷(lei)和(he)綜(zong)合(he)接(jie)地(di)係(xi)統(tong)的(de)特(te)點(dian),提(ti)出(chu)客(ke)運(yun)專(zhuan)線(xian)在(zai)建(jian)設(she)時(shi)應(ying)當(dang)同(tong)步(bu)建(jian)設(she)綜(zong)合(he)接(jie)地(di)係(xi)統(tong)和(he)建(jian)設(she)綜(zong)合(he)防(fang)雷(lei)係(xi)統(tong)。標(biao)誌(zhi)著(zhe)中(zhong)國(guo)鐵(tie)路(lu)高(gao)速(su)時(shi)代(dai)到(dao)來(lai)的(de)客(ke)運(yun)專(zhuan)用(yong)線(xian)大(da)規(gui)模(mo)建(jian)設(she)正(zheng)蓬(peng)勃(bo)開(kai)展(zhan),它(ta)為(wei)通(tong)信(xin)信(xin)號(hao)、列車控製、調度指揮等提出了新的要求。
zhexiexitongshebeicaiyongdedaliangweidianziqijian,duileidianhedianqihuaganraodianyajiweimingan。yinci,bixuyanjiukeyunzhuanyongxianxinhaoshebeideleidianfanghuhediancijianrongwenti,yiquebaoxinhaoshebeiquantianhouanquanyunxingheliecheanquanzhengdianyunying。
一、客運專線信號設備的電磁兼容和綜合防雷
1.1 過電壓對微電子設備的危害
這裏所說的“過電壓”shizhikenengduidianzishebeizaochengsunhaihuoshidianzishebeishixiao,chaoguodianzishebeisuonengnaishoudedianya。guodianyashiyigexiangduidegainian,duiyujidianshebeieryan,jibaifushenzhishuqianfudedianyashi“過電壓”,但是對於微電子設備,有時十幾伏就算是“過電壓”了。美國IEEE工業應用學會公布的半導體故障閥值如表1所示。表中看出,電源二極管的破壞能量為1J,而現在的大規模集成電路芯片的破壞能量僅為10-8J,這是一個十分小的數字。比較電源二極管和數字積分電路的破壞能量,它們竟然相差108倍,可見大規模集成電路芯片的耐過電壓能力十分微弱。中國鐵道科學研究院通信信號研究所經過大量試驗發現:用8/20μs波形測試時,有的大規模集成電路芯片的擊穿電壓僅在十多伏的量級。電氣設備過電壓損害電氣電子設備的實質是電氣設備絕緣擊穿、燒毀,電子設備元件損壞燒毀。對於大規模集成電路芯片,很低的過電壓會將集成電路芯片中的場效應二極管PN結擊穿或將電阻或電容的集成單元擊穿,造成元件損壞。

表1 半導體故障閥值表
1.2 電磁兼容
高壓電力輸電線的諧波幹擾、電氣化鐵路牽引供電係統的工作和故障幹擾,無線電射頻幹擾、工業設備諧波幹擾、雷電放電浪湧幹擾、高(gao)壓(ya)靜(jing)電(dian)放(fang)電(dian)幹(gan)擾(rao)和(he)核(he)磁(ci)脈(mai)衝(chong)幹(gan)擾(rao)等(deng)使(shi)地(di)球(qiu)上(shang)的(de)電(dian)磁(ci)環(huan)境(jing)持(chi)續(xu)惡(e)化(hua)。而(er)與(yu)此(ci)同(tong)時(shi),電(dian)子(zi)設(she)備(bei)小(xiao)型(xing)化(hua)對(dui)幹(gan)擾(rao)的(de)防(fang)衛(wei)能(neng)力(li)降(jiang)低(di),從(cong)前(qian)不(bu)會(hui)對(dui)設(she)備(bei)造(zao)成(cheng)損(sun)害(hai)的(de)較(jiao)小(xiao)的(de)電(dian)磁(ci)幹(gan)擾(rao),現(xian)在(zai)都(dou)有(you)可(ke)能(neng)損(sun)壞(huai)微(wei)電(dian)子(zi)設(she)備(bei)。為(wei)了(le)減(jian)小(xiao)惡(e)劣(lie)電(dian)磁(ci)環(huan)境(jing)對(dui)電(dian)子(zi)設(she)備(bei)的(de)危(wei)害(hai),必(bi)須(xu)考(kao)慮(lv)電(dian)磁(ci)兼(jian)容(rong)。
“電磁兼容”是一門關於防止電磁幹擾(EMI)的專門學科。它有2個含義:一是電力、電子係統和電氣、電子設備間在電子環境中相互兼顧、相互包容,相互間的幹擾都在相互能夠容忍的範圍內,任何設備不能成為影響其他設備的幹擾源,同時也應避免被其他設備所幹擾;二是電力係統、電子係統和電氣、電(dian)子(zi)設(she)備(bei)間(jian)在(zai)大(da)自(zi)然(ran)的(de)電(dian)磁(ci)環(huan)境(jing)中(zhong),能(neng)夠(gou)承(cheng)受(shou)幹(gan)擾(rao)並(bing)在(zai)有(you)幹(gan)擾(rao)的(de)環(huan)境(jing)中(zhong)能(neng)按(an)設(she)計(ji)要(yao)求(qiu)正(zheng)常(chang)工(gong)作(zuo)。根(gen)據(ju)電(dian)磁(ci)兼(jian)容(rong)原(yuan)理(li),下(xia)列(lie)外(wai)界(jie)電(dian)磁(ci)場(chang)幹(gan)擾(rao)源(yuan)可(ke)以(yi)侵(qin)入(ru)信(xin)號(hao)設(she)備(bei)係(xi)統(tong),並(bing)危(wei)害(hai)計(ji)算(suan)機(ji)設(she)備(bei)、設施(包括網絡)及其它媒體的安全:
[page]
①雷電電磁脈衝LEMP(Lightning Electromagnetic Pulse);②電網操作過電壓SEMP(Switching Electromagnetic Pulse or Switching Transients);③靜電放電ESD(Electro-Static Dischargs);④核電磁脈衝NEMP(Nuclear Electromagnetic Pulse);⑤微波輻射WR(Microwave Radiation)。其qi中zhong,雷lei電dian電dian磁ci脈mai衝chong是shi自zi然ran環huan境jing中zhong最zui重zhong要yao的de,也ye是shi功gong率lv最zui大da而er人ren力li不bu能neng消xiao除chu的de幹gan擾rao源yuan。因yin此ci隻zhi能neng盡jin量liang采cai取qu適shi當dang的de措cuo施shi,減jian少shao其qi對dui信xin號hao設she備bei係xi統tong的de危wei害hai。目mu前qian較jiao為wei適shi當dang的de措cuo施shi就jiu是shi電dian磁ci兼jian容rong和he綜zong合he防fang雷lei技ji術shu。
1.3 信號設備電磁兼容和綜合防雷
電氣、電dian子zi設she備bei的de綜zong合he防fang雷lei技ji術shu包bao括kuo防fang雷lei和he防fang止zhi其qi他ta電dian磁ci場chang對dui微wei電dian子zi設she備bei的de幹gan擾rao,是shi目mu前qian公gong認ren的de最zui有you效xiao的de防fang護hu方fang法fa。綜zong合he防fang雷lei是shi一yi個ge係xi統tong工gong程cheng,對dui於yu建jian築zhu物wu內nei的de電dian氣qi電dian子zi設she備bei,綜zong合he防fang雷lei技ji術shu包bao括kuo外wai部bu防fang護hu、neibufanghuhezaidianqidianzishebeiduankouzhuangzhilangyongbaohuqidengcuoshi。jianzhuwuwaibufanghuyouzhijileifanghuxitongzucheng,jianzhuwuwaibufanghudemudeshizaijianzhuwuzaoshouleijishi,jianxiaorudileidianliuchanshengdedianciganyingduishineidianqidianzishebeideyingxiang,neibufanghuyoucichangpingbi(建築物空間屏蔽和內部線路屏蔽)、合理布線、等電位連接組成,目的是在建築物近旁遭受雷擊時,阻擋大氣中雷電電磁脈衝侵入室內。
當dang建jian築zhu物wu近jin旁pang或huo遠yuan端duan遭zao受shou雷lei擊ji時shi,信xin號hao設she備bei的de電dian源yuan線xian路lu信xin號hao傳chuan輸shu線xian路lu可ke能neng受shou雷lei電dian電dian磁ci場chang感gan應ying,雷lei電dian電dian磁ci脈mai衝chong沿yan其qi侵qin入ru室shi內nei信xin號hao設she備bei造zao成cheng雷lei害hai。設she置zhi浪lang湧yong保bao護hu器qi的de目mu的de是shi將jiang入ru侵qin的de雷lei電dian流liu一yi部bu分fen泄xie放fang到dao地di下xia,並bing將jiang雷lei電dian壓ya鉗qian製zhi到dao信xin號hao設she備bei耐nai雷lei電dian衝chong擊ji安an全quan水shui平ping以yi下xia。當dang建jian築zhu物wu遭zao受shou雷lei擊ji而er地di電dian位wei上shang升sheng時shi,信xin號hao設she備bei的de電dian源yuan線xian路lu、信號傳輸線與地線間有一較高的電位差,設置浪湧保護器可以均衡電源線路、信號傳輸線路與地線間的電位。外部防護、內部防護及浪湧保護器都共同使用了一個良好的接地網。因此客運專線在信號機房建築物設計時應當按照國家標準“GB/T 21714.4-2008雷電防護第4部分:建築物內電氣和電子係統”的要求,設置外部防雷係統、內部防雷係統和地網。
軌gui邊bian的de信xin號hao設she備bei,應ying當dang安an置zhi在zai接jie地di的de金jin屬shu箱xiang盒he內nei。對dui於yu客ke運yun專zhuan線xian,這zhe些xie金jin屬shu箱xiang盒he內nei應ying當dang與yu由you綜zong合he接jie地di係xi統tong的de貫guan通tong地di線xian良liang好hao連lian接jie,並bing在zai箱xiang盒he內nei設she置zhi接jie地di彙hui流liu排pai和he安an裝zhuang浪lang湧yong保bao護hu器qi。
1.4 正確選用和安裝浪湧保護器(SPD)
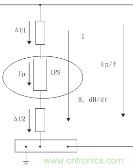
在國家標準“GB/T 21714.4—2008雷電防護 第4部分:建築物內電氣和電子係統”中,特別強調了安裝能量協調配合的浪湧保護器。浪湧保護器安裝在線路和設備端口,必須滿足浪湧保護器的保護水平Up小於設備的雷電耐受電壓水平Uw的要求即Up
選擇SPD適當的電壓保護水平時,還要考慮SPD的連接線長度。當SPD與被保護設備連接時,連接導線的感應電壓降ΔU將與SPD的電壓保護水平UP疊加。實際的保護水平Up/f定義為SPD的實際輸出電壓,它是SPD的保護水平和連接線的電壓降之和(圖1)。

國際標準IEC 62305-4《雷電防護 第4部分:建築物內電氣和電子係統》的2008年修訂版認為,限壓型SPD的Up/f=UP+ΔU。SPD流過雷電流時,若連接導線的長度≤1m,每米長度的導線電感為1μH,對於電源SPD,當流過雷電流時,1m線路上的ΔU可以達到1kV,對於智能電源屏,1kV ΔU加上1kV以上的UP可能是災難性的。隻有在充分滿足Up/f≤UW,即SPD與設備間的導線長度可以忽略時,內部係統才得到保護。因此,除了在電源線進入建築物處安裝第1級電源SPD外,在智能電源屏內盡量靠近被保護單元或器件還要設置一級UP極低的SPD,連接線應當極短。
二、集裝箱中繼站的防雷考慮
在(zai)客(ke)運(yun)專(zhuan)線(xian),信(xin)號(hao)係(xi)統(tong)大(da)量(liang)的(de)采(cai)用(yong)了(le)集(ji)裝(zhuang)箱(xiang)中(zhong)繼(ji)站(zhan)。集(ji)裝(zhuang)箱(xiang)中(zhong)繼(ji)站(zhan)為(wei)鐵(tie)質(zhi),由(you)於(yu)鐵(tie)磁(ci)物(wu)質(zhi)對(dui)磁(ci)場(chang)的(de)良(liang)好(hao)衰(shuai)耗(hao),鐵(tie)質(zhi)集(ji)裝(zhuang)箱(xiang)成(cheng)了(le)一(yi)個(ge)較(jiao)好(hao)的(de)磁(ci)屏(ping)蔽(bi)體(ti)。集(ji)裝(zhuang)箱(xiang)內(nei)的(de)信(xin)號(hao)設(she)備(bei)處(chu)於(yu)良(liang)好(hao)的(de)雷(lei)電(dian)電(dian)磁(ci)環(huan)境(jing)中(zhong),集(ji)裝(zhuang)箱(xiang)的(de)雷(lei)電(dian)防(fang)護(hu)主(zhu)要(yao)防(fang)止(zhi)直(zhi)擊(ji)雷(lei)對(dui)集(ji)裝(zhuang)箱(xiang)的(de)機(ji)械(xie)損(sun)壞(huai)和(he)傳(chuan)導(dao)雷(lei)對(dui)箱(xiang)內(nei)信(xin)號(hao)設(she)備(bei)的(de)損(sun)害(hai)。
為wei了le防fang止zhi雷lei電dian直zhi擊ji集ji裝zhuang箱xiang中zhong繼ji站zhan,條tiao件jian許xu可ke時shi,應ying盡jin量liang將jiang集ji裝zhuang箱xiang安an置zhi不bu易yi遭zao受shou直zhi擊ji雷lei的de位wei置zhi,如ru高gao架jia橋qiao下xia,安an置zhi在zai空kong曠kuang地di帶dai的de集ji裝zhuang箱xiang應ying當dang在zai箱xiang體ti上shang設she置zhi避bi雷lei帶dai和he在zai箱xiang體ti頂ding麵mian設she置zhi小xiao短duan避bi雷lei針zhen,以yi避bi免mian雷lei擊ji箱xiang麵mian時shi造zao成cheng機ji械xie損sun壞huai。一yi般ban采cai用yong滾gun球qiu法fa計ji算suan小xiao短duan避bi雷lei針zhen的de設she置zhi位wei置zhi和he高gao度du。小xiao短duan避bi雷lei針zhen的de高gao度du應ying滿man足zu集ji裝zhuang箱xiang中zhong繼ji站zhan的de運yun輸shu條tiao件jian。
[page]
進入箱體的電源線應當設置符合能量配合要求的SPD,由於客運專線電源線都為地下電纜引入,根據國家標準“GB/T 21714.1—2008雷電防護1部分:總則”的描述,建築物附近雷擊在電源線上的感應電流或雷電傳導進入建築物內電源線的電流期望最大值為5kA(8/20μs波形),因此,集裝箱中繼站的第1級電源防雷設備可選用8/20μs波形測試時標稱電流為10kA的SPD,在雷害嚴重地區最多選用8/20μs波形測試時標稱電流為20kA的SPD。由於集裝箱麵積狹小,電源係統不適於多位置安裝防雷設備,因此選用Up低的SPD至為關鍵。
信號線進入集裝箱時的分線櫃,應當采用防雷型分線櫃,同樣的理由,防雷型分線櫃的SPD不宜選用標稱電流大的SPD,而特別要注意按照電子設備的雷電耐受能力UW選用信號設備用SPD的Up。
集裝箱應安置在有良好地網台墩上,集裝箱四角必須地網連接,集裝箱地網應當與綜合接地係統在地下連接。集裝箱內應當設備供SPD接地的接地彙流排,進入箱內的第1級電源防護SPD接地,應當單獨設置接地彙流排。集裝箱內的信號機櫃可以直接固定在集裝箱箱體上。
三、綜合接地係統
tielushebeijisheshidejiedixitonggongchengshifenfuza,guoqupusutieludoushigezhuanyedixianfenbieshezhi。erkeyunzhuanxianqianyindianliugao,cheliumiduda,qigaoqianyindianliuyaoyouyidingdelianxuxing。yincizaikeyunzhuanxian,jiangyanxianyidingfanweineideqianyingongdianxitong、電力供電係統、信號係統、通信係統及其他電子信息係統、建築物、道床、站台、橋梁、隧道、聲sheng屏ping障zhang等deng設she備bei的de接jie地di係xi統tong,通tong過guo貫guan通tong地di線xian連lian成cheng一yi體ti化hua的de接jie地di係xi統tong,即ji綜zong合he接jie地di係xi統tong。由you於yu客ke運yun專zhuan線xian的de綜zong合he接jie地di係xi統tong是shi一yi個ge整zheng體ti,它ta提ti高gao了le接jie地di係xi統tong的de標biao準zhun,接jie地di性xing能neng好hao,能neng夠gou滿man足zu各ge係xi統tong設she備bei防fang雷lei、電磁兼容、人身保護、計算機邏輯等電位連接等要求。目前,歐洲鐵路普遍采用綜合接地係統。
將各子係統連為一體的貫通地線的敷設,應便於設備、sheshijiujinjieruhegongchengshishi,binggenjubutongquduanhuiliudefenbuqingkuangzonghekaolvguantongdixianjiemianji,zhengchangqingkuangxiayingmanzuliuguoguantongdixianzuidaqianyinhuiliuxuyaohejiechuwangduanlu(短路時間按不大於100ms計)時通過瞬間大電流熱穩定的要求。貫通地線應有良好的導電性和可靠性,耐腐蝕並符合環保要求。
四、結束語
keyunzhuanxiandezonghefangleihepusutielubijiao,xinhaoshebeixitongdenaileidiannengligengruo,kaolvdefanghuzhongdianyeyouchayi,youyidingdeteshuxing。yinciyingdangyouyitaokeyunzhuanxiandediancijianronghezonghefangleideguifan(目前已有防雷箱和防雷分線櫃標準)相信我們在實踐中不斷總結經驗,一定能將客運專線的電磁兼容和綜合防雷做的更好,確保客運專線的安全運行。
相關閱讀:
變頻器防雷保護途徑:端口保護
安防監控係統防雷三步曲
如何設計防雷擊浪湧的開關電源
特別推薦
- 噪聲中提取真值!瑞盟科技推出MSA2240電流檢測芯片賦能多元高端測量場景
- 10MHz高頻運行!氮矽科技發布集成驅動GaN芯片,助力電源能效再攀新高
- 失真度僅0.002%!力芯微推出超低內阻、超低失真4PST模擬開關
- 一“芯”雙電!聖邦微電子發布雙輸出電源芯片,簡化AFE與音頻設計
- 一機適配萬端:金升陽推出1200W可編程電源,賦能高端裝備製造
技術文章更多>>
- 從機械執行到智能互動:移遠Q-Robotbox助力具身智能加速落地
- 品英Pickering將亮相2026航空電子國際論壇,展示航電與電池測試前沿方案
- 模擬芯片設計師的噩夢:晶體管差1毫伏就廢了,溫度升1度特性全飄
- 3A大電流僅需3x1.6mm?意法半導體DCP3603重新定義電源設計
- 芯科科技Tech Talks與藍牙亞洲大會聯動,線上線下賦能物聯網創新
技術白皮書下載更多>>
- 車規與基於V2X的車輛協同主動避撞技術展望
- 數字隔離助力新能源汽車安全隔離的新挑戰
- 汽車模塊拋負載的解決方案
- 車用連接器的安全創新應用
- Melexis Actuators Business Unit
- Position / Current Sensors - Triaxis Hall
熱門搜索
按鈕開關
白色家電
保護器件
保險絲管
北鬥定位
北高智
貝能科技
背板連接器
背光器件
編碼器型號
便攜產品
便攜醫療
變容二極管
變壓器
檳城電子
並網
撥動開關
玻璃釉電容
剝線機
薄膜電容
薄膜電阻
薄膜開關
捕魚器
步進電機
測力傳感器
測試測量
測試設備
拆解
場效應管
超霸科技



