教你如何將電容器巧作變壓器?
發布時間:2014-09-18 責任編輯:sherryyu
【導讀】本文為大家分享的是一款比較實用的電路設計,教你如何巧妙的將電容器變成變壓器。有詳細的電路分析,給大家參考學習!
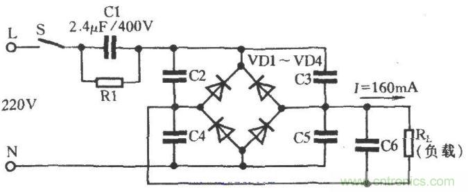
如圖是用電容器代替常用的變壓器,將市電220V降至整流器所需要的交流低電壓電路。在電路中主要由電容器C1降壓,耐壓值為400V;C1的電容量依據輸出電流確定。在220V/50Hz條件下,電容器C1的取值與輸出電流按下式估算: C=15I 式中:I為輸出電流,單位為A;C的單位為μF。 元件選擇:C1可用紙介金屬膜電容器或紙介油浸電容器,耐壓為400V。為了避免電源斷開C1上仍有電荷,所以在C1兩端跨接了一隻1MΩ的泄放電阻R1。電容器C2、C3、C4、C5均為消除調製交流聲和其他高頻幹擾而設置的。C6為濾波電容器,RL為負載電阻器。

特別推薦
- 噪聲中提取真值!瑞盟科技推出MSA2240電流檢測芯片賦能多元高端測量場景
- 10MHz高頻運行!氮矽科技發布集成驅動GaN芯片,助力電源能效再攀新高
- 失真度僅0.002%!力芯微推出超低內阻、超低失真4PST模擬開關
- 一“芯”雙電!聖邦微電子發布雙輸出電源芯片,簡化AFE與音頻設計
- 一機適配萬端:金升陽推出1200W可編程電源,賦能高端裝備製造
技術文章更多>>
- 一秒檢測,成本降至萬分之一,光引科技把幾十萬的台式光譜儀“搬”到了手腕上
- AI服務器電源機櫃Power Rack HVDC MW級測試方案
- 突破工藝邊界,奎芯科技LPDDR5X IP矽驗證通過,速率達9600Mbps
- 通過直接、準確、自動測量超低範圍的氯殘留來推動反滲透膜保護
- 從技術研發到規模量產:恩智浦第三代成像雷達平台,賦能下一代自動駕駛!
技術白皮書下載更多>>
- 車規與基於V2X的車輛協同主動避撞技術展望
- 數字隔離助力新能源汽車安全隔離的新挑戰
- 汽車模塊拋負載的解決方案
- 車用連接器的安全創新應用
- Melexis Actuators Business Unit
- Position / Current Sensors - Triaxis Hall
熱門搜索
按鈕開關
白色家電
保護器件
保險絲管
北鬥定位
北高智
貝能科技
背板連接器
背光器件
編碼器型號
便攜產品
便攜醫療
變容二極管
變壓器
檳城電子
並網
撥動開關
玻璃釉電容
剝線機
薄膜電容
薄膜電阻
薄膜開關
捕魚器
步進電機
測力傳感器
測試測量
測試設備
拆解
場效應管
超霸科技


