實例解析:三相逆變過壓IGBT損壞的問題
發布時間:2015-03-28 責任編輯:echolady
【導讀】zaishejiguochengzhongjingchanghuichuxiandianlubaocuodewenti。fashengzhezhongqingkuang,womentongchanghuianbujiubandeduicuowujinxingpaizhabingshunlijiejue。danshiyoudeshihoukenenghuiyinweizhishichubeidexianzhichuxiancuowuerwufajiejue。benwenzhuyaojiangjiesanxiangnibianqidianluzhongdeIGBT柵極過壓導致IGBT損壞問題。

圖1

圖2
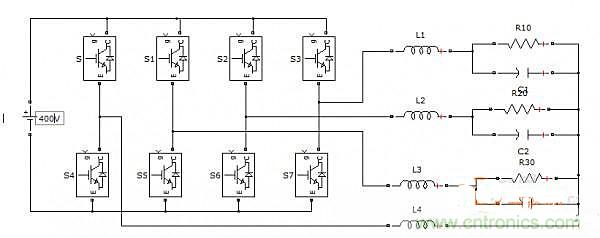
圖1、圖2為主電路拓撲。三相四橋臂逆變器+LC濾波器。IGBT型號為:英飛淩耐壓1200V電流75A的IGBT。驅動芯片為:concept 2sc0108_17,耐壓為1700V。直流母線電壓由可調變壓器輸出經整流橋整流再經電容濾波得到。
當直流母線為300V時,在打開逆變器的情況下(即給PWM信號),逆變器工作正常,輸出三相交流電。然後把直流母線電壓升高為400V,逆變器工作正常。保持直流母線電壓不變,關逆變(IGBT基極電壓為-9V),再開逆變。發生故障。檢查發現C相的concept驅動損壞。C相橋臂的IGBT上下管的G極E極間各自並的一個穩壓二極管(SMBJ13)擊穿短路,C相橋臂IGBT上下管的柵極都燒壞,既給GE加15V電源,CE也不能導通。該橋臂IGBT內部反並聯的二極管正常。
最初猜測是IGBT柵極出現了高壓,但是不知道是什麼原因造成了柵極的高壓,下麵我們就來具體問題具體分析。
圖1為主電路圖,其中R代表負載。圖2為IGBT驅動。2端接上管柵極,1端接上管發射極。5端接下管柵極,4端接下管發射極。
congqudongboxingkan,bingmeiyoumilequ,zhejiushuomingguanzidekaiguandianyayinglibijiaoxiao。congboxingdoudukan,dongtaineizubijiaoda。yinci,ruguorucijiagaoya,chuxianmilexiaoyingjiuhuibanqiaojubuzhitong。
congshaodaidianliuchuxiandejianfengdianyakan,yidanjubuzhitongguanduanhouguoyajichuanerdaozhizhaguan。zhediankeyitongguojiadasiqudedaojiejue。lingyifangmian,lizizhongdecelvejuedingleyoukaijilangyong。jianyiyonglubangkongzhicelve,kaijidianliuruanqidong。
本篇文章以一個錯誤的電路為例,深度剖析問題,並給出了相應的解決方法,希望大家在看過本篇文章之後能夠有所收獲。
相關閱讀:
MOSFET簡化三相逆變器拓撲設計
經驗之談:解析三相電供電故障及其改善措施
教你用萬用表判定三相異步電動機繞組同名端
特別推薦
- 噪聲中提取真值!瑞盟科技推出MSA2240電流檢測芯片賦能多元高端測量場景
- 10MHz高頻運行!氮矽科技發布集成驅動GaN芯片,助力電源能效再攀新高
- 失真度僅0.002%!力芯微推出超低內阻、超低失真4PST模擬開關
- 一“芯”雙電!聖邦微電子發布雙輸出電源芯片,簡化AFE與音頻設計
- 一機適配萬端:金升陽推出1200W可編程電源,賦能高端裝備製造
技術文章更多>>
- 築基AI4S:摩爾線程全功能GPU加速中國生命科學自主生態
- 一秒檢測,成本降至萬分之一,光引科技把幾十萬的台式光譜儀“搬”到了手腕上
- AI服務器電源機櫃Power Rack HVDC MW級測試方案
- 突破工藝邊界,奎芯科技LPDDR5X IP矽驗證通過,速率達9600Mbps
- 通過直接、準確、自動測量超低範圍的氯殘留來推動反滲透膜保護
技術白皮書下載更多>>
- 車規與基於V2X的車輛協同主動避撞技術展望
- 數字隔離助力新能源汽車安全隔離的新挑戰
- 汽車模塊拋負載的解決方案
- 車用連接器的安全創新應用
- Melexis Actuators Business Unit
- Position / Current Sensors - Triaxis Hall
熱門搜索



