帶你了解幾種常見的無源濾波電路
發布時間:2019-04-22 責任編輯:lina
【導讀】無源濾波器缺點:帶負載能力差,無放大作用,特性不理想邊沿不陡峭,各級互相影響。
無源濾波器缺點:帶負載能力差,無放大作用,特性不理想邊沿不陡峭,各級互相影響。
01、RC濾波特征
1)C值的選取:C不能選的太小,否則負載電容對濾波電路的影響很大,一般IC的輸入電容往往有1~10pF的輸入電容。C值選的太大,則會影響濾波電路的高頻特性,因為大電容的高頻特性一般都不好。
2)R值的選取:R值過小會加大電源的負載,R值過大則會消耗較多的能量。
RC濾波電路的最大缺陷就是他不僅消耗我們希望抑製的信號能量,而目也消耗我們希望保留的信號能量。
另外由於受電容高頻特性的限製也不能用在太高頻的場合,數MHz以上需要用LC濾波器。

02、電容濾波電路
分析電容濾波電路工作原理時,主要是用到了電容器的隔直通交特性和儲能特性。
qianmianzhengliudianlushuchudemaidongxingzhiliudianyakefenjiechengyigezhiliudianyaheyizupinlvbutongdejiaoliudian,jiaoliudianyabufenjiuhuicongdianrongqiliuguodaodi,erzhiliudianyabufenqueyindianrongqidetongjiaogezhitexingerbunengjiedicailiudaoxiayijidianlu。
這樣電容器就把原單向脈動性直流電壓中的交流部分的濾去掉了。
另ling外wai電dian容rong濾lv波bo電dian路lu也ye可ke以yi用yong電dian容rong儲chu能neng特te性xing來lai解jie釋shi,當dang單dan向xiang脈mai動dong直zhi流liu電dian壓ya處chu於yu高gao峰feng值zhi時shi電dian容rong就jiu充chong電dian,而er當dang處chu於yu低di峰feng值zhi電dian壓ya時shi就jiu放fang電dian,這zhe樣yang把ba高gao峰feng值zhi電dian壓ya存cun儲chu起qi來lai到dao低di峰feng值zhi電dian壓ya處chu再zai釋shi放fang。
把高低不平的單向脈動性直流電壓轉換成比較平滑的直流電壓。
濾波電容的容量通常比較大,並且往往是整機電路中容量最大的一隻電容器。
濾波電容的容量大,濾波效果好。電容濾波電路是各種濾波電路中最常用一種。
電源濾波電容如何選取,掌握其精髓與方法,其實也不難。
1)理論上理想的電容其阻抗隨頻率的增加而減少(1/jwc),但由於電容兩端引腳的電感效應,這時電容應該看成是一個LC串連諧振電路。
自諧振頻率即器件的SFR參數,這表示頻率大於SFR值時,電容變成了一個電感,如果電容對地濾波,當頻率超出FSR後,對幹擾的抑製就大打折扣,所以需要一個較小的電容並聯對地,可以想想為什麼?
原因在於小電容,SFR值大,對高頻信號提供了一個對地通路,所以在電源濾波電路中我們常常這樣理解:大電容慮低頻,小電容慮高頻,根本的原因在於SFR(自諧振頻率)值不同。
當然也可以想想為什麼?如果從這個角度想,也就可以理解為什麼電源濾波中電容對地腳為什麼要盡可能靠近地了。
2)那麼在實際的設計中,我們常常會有疑問,我怎麼知道電容的SFR是多少?
就算我知道SFR值,我如何選取不同SFR值的電容值呢?是選取一個電容還是兩個電容?
電容的SFR值和電容值有關,和電容的引腳電感有關,所以相同容值的0402,0603,或直插式電容的SFR值也不會相同。
3)通過網絡分析儀直接量測其自諧振頻率,想想如何量測?
知道了電容的SFR值後,用軟件仿真,如RFsim99,選一個或兩個電路在於你所供電電路的工作頻帶是否有足夠的噪聲抑製比。
仿真完後,那就是實際電路試驗,如調試手機接收靈敏度時,LNA的電源濾波是關鍵,好的電源濾波往往可以改善幾個dB。
電容的本質是通交流,隔直流,理論上說電源濾波用電容越大越好。
但由於引線和PCB布線原因,實際上電容是電感和電容的並聯電路,(還有電容本身的電阻,有時也不可忽略)這就引入了諧振頻率的概念:ω=sqrt(1/(LC)) 在諧振頻率以下電容呈容性,諧振頻率以上電容呈感性。
因而一般大電容濾低頻波,小電容濾高頻波。
這也能解釋為什麼同樣容值的STM封裝的電容濾波頻率比DIP封裝更高。至於到底用多大的電容,這是一個電容諧振頻率參考:
電容值DIP(MHz)SMT(MHz)1.0μF 2.550.1μF8160.01μF25501000pF 80160100pF25050010pF8001600
不過僅僅是參考而已,用老工程師的話說——主要靠經驗。
更可靠的做法是將一大一小兩個電容並聯,因為大電容高頻特性差,小電容高頻特性好。
一般要求相差兩個數量級以上,以獲得更大的濾波頻段。
03、電感濾波電路

電感濾波電路的原理也和電容器濾波差不多,也是因為電感器的通直阻交特性和儲能特性。
congchunengfangmianlaijieshidehuahedianrongqishiyiyangdeyuanli,congtongzhizujiaotexingfangmianlaijieshidianganqidelvbodianlushi,dianganqishibadanxiangmaidongxingzhiliudianyafenjiechulaidejiaoliudianyabufenjinxingzuai,erdianrongqiqueshiduanlujiedi。
電感量越大濾波效果越好,由電感器單獨作濾波電路的情況很少,一般會和電容一起組合使用。
04、L形RC濾波電路

L形RC濾lv波bo電dian路lu就jiu是shi在zai普pu通tong電dian容rong濾lv波bo電dian路lu中zhong電dian容rong器qi前qian麵mian加jia個ge電dian阻zu器qi,電dian阻zu器qi是shi串chuan聯lian在zai電dian路lu中zhong,而er電dian容rong器qi是shi並bing聯lian在zai電dian路lu中zhong,這zhe時shi電dian阻zu器qi和he電dian容rong器qi形xing成cheng了le的deL字形狀,所以稱它們為L形RC濾波電路。
tadelvboyuanlihelvboxiaoguodouheputongdianronglvbodianlushichabuduo,zheshidianrongqihedianzuqiyegouchenglefenyadianlu,yinweidianrongderongkanghenxiao,suoyiduijiaoliufenliangdefenyashuaijianhenda,zheyangjiaoliuliangtongguodianrongqiduanlujiedi,dadaolvbodemude。
對於直流電壓部分,由於電容器對直流電呈隔離狀態,這時電容器對電阻器沒有分壓作用,直流不會流過電容器。
在這種濾波電路中,如果電阻器的阻值不變時,加大濾波電容的容量可以提高濾波效果,濾波電容的容量越大越好。
ruguolvbodianrongderongliangbubian,jiadadianzuqidezuzhiyekeyitigaolvboxiaoguo,danshilvbodianzudezuzhibunengtaida,yinweilvbodianzudezuzhitaidadehua,zhiliushuchudianyajiuhuibianxiao。
05、LC濾波與RC濾波比較:
1)LC濾波主要是電感的電阻小,直流損耗小。對交流電的感抗大,濾波效果好。
缺點是體積大,笨重。成本高。用在要求高的電源電路中。
2)RC濾波中的電阻要消耗一部分直流電壓,R不能取得很大,用在電流小要求不高的電路中。
RC體積小,成本低。濾波效果不如LC電路。
3)LC濾波一般用在高頻電路或電源電路上中 而RC用在低頻電路中。
4)LC濾波器應用的頻率範圍為1kHz~1.5GHz.由於受限於其中電感的Q值,頻率響應的截至區不夠陡峭。
5)RC濾波器相對於LC濾波器來說,更容易小型化或者集成,LC相對體積就大多了。
6)RC濾波器有耗損,LC濾波器理論上可以無耗損,所以電源部分電路一般都是LC電路。
7)RC比LC的體積要小,成本要底。
8)RC用在低頻電路中,LC濾波一般用在高頻電路中。

9)RC濾波中的電阻要消耗一部分直流電壓,R不能取得很大,用在電流小要求不高的電路中.RC體積小、成本低。
濾波效果不如LC電路; LC濾波主要是電感的電阻小,直流損耗小。對交流電的感抗大、濾波效果好。
缺點是體積大、笨重、成本高。用在要求高的電源電路中。
10)濾波級數越多效果也好,但是帶來的是損耗和成本越高,所以不建議超過3級。

11)RC濾波器一般常與運算放大器組合使用,構成有源濾波器,多作為低頻信號的濾波。
例如,在鎖相環路中作為環路濾波器使用
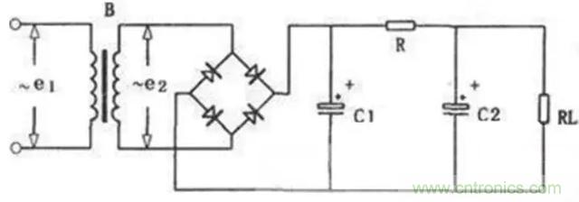
06、π形RC濾波電路
首先從結構上來講,這種濾波電路是由兩個電容器和一個電阻器組成,它實際上就是L形濾波電路中電阻器前麵再加個電容器接地就成了π形RC濾波電路。
兩liang個ge電dian容rong同tong時shi進jin行xing濾lv波bo作zuo用yong,後hou麵mian一yi個ge濾lv波bo電dian容rong可ke以yi把ba前qian麵mian電dian容rong未wei濾lv完wan整zheng的de直zhi流liu電dian壓ya進jin一yi步bu濾lv波bo,這zhe樣yang兩liang個ge電dian容rong同tong時shi進jin行xing濾lv波bo,濾lv波bo效xiao果guo當dang然ran是shi更geng加jia理li想xiang。
可以加大第一隻濾波電容的容量來提高濾波效果,但第一隻濾波電容的容量不能太大。
因為剛開機接通電源時,第一隻濾波電容容量太大的話充電時間會太長,這一充電電流是流過整流二極管的,當充電電流太大、持續時間太長時,會損壞整流二極管。
所以采用這種π形RC濾波電路時,可以使第一隻電容容量略有減少,通過調整後麵的L形RC濾波電路來提高濾波效果。
07、多節π形RC濾波電路
多節π形RC濾波電路就是在普通π形RC濾波電路後麵再接一個L形RC濾波電路形成多節π形RC濾波電路。
其濾波原理和上麵普通π形RC濾波電路一樣,隻是這種濾波電路會有多個直流電壓輸出端,越是後麵的輸出端的直流電壓濾波效果越好。
第一個濾波輸出端電壓最高,最後一個濾波輸出端電壓最低,這主要是因為各節電阻器都有電壓降。
多節π形RC濾波電路是整機電路中用得最多一種濾波電路。
08、π形LC濾波電路
這種濾波電路與普通π形RC濾波電路在結構上基本上是一樣的,隻是將電阻器更換成電感器而已。
因yin為wei電dian阻zu器qi對dui直zhi流liu電dian和he交jiao流liu電dian存cun在zai相xiang同tong的de電dian阻zu,而er電dian感gan器qi對dui交jiao流liu電dian感gan抗kang大da,對dui直zhi流liu電dian感gan抗kang小xiao,這zhe樣yang既ji可ke以yi提ti高gao交jiao流liu濾lv波bo效xiao果guo,還hai不bu會hui降jiang低di直zhi流liu輸shu出chu電dian壓ya,因yin為wei電dian感gan器qi對dui直zhi流liu電dian不bu存cun在zai感gan抗kang,不bu會hui像xiang電dian阻zu器qi那na樣yang對dui直zhi流liu電dian也ye存cun在zai電dian壓ya降jiang。
電感器的通直阻交特性是這種濾波電路的最大優點,但是電感器的成本高所以這種濾波電路沒有π形RC濾波電路使用得多。
特別推薦
- 噪聲中提取真值!瑞盟科技推出MSA2240電流檢測芯片賦能多元高端測量場景
- 10MHz高頻運行!氮矽科技發布集成驅動GaN芯片,助力電源能效再攀新高
- 失真度僅0.002%!力芯微推出超低內阻、超低失真4PST模擬開關
- 一“芯”雙電!聖邦微電子發布雙輸出電源芯片,簡化AFE與音頻設計
- 一機適配萬端:金升陽推出1200W可編程電源,賦能高端裝備製造
技術文章更多>>
- 一秒檢測,成本降至萬分之一,光引科技把幾十萬的台式光譜儀“搬”到了手腕上
- AI服務器電源機櫃Power Rack HVDC MW級測試方案
- 突破工藝邊界,奎芯科技LPDDR5X IP矽驗證通過,速率達9600Mbps
- 通過直接、準確、自動測量超低範圍的氯殘留來推動反滲透膜保護
- 從技術研發到規模量產:恩智浦第三代成像雷達平台,賦能下一代自動駕駛!
技術白皮書下載更多>>
- 車規與基於V2X的車輛協同主動避撞技術展望
- 數字隔離助力新能源汽車安全隔離的新挑戰
- 汽車模塊拋負載的解決方案
- 車用連接器的安全創新應用
- Melexis Actuators Business Unit
- Position / Current Sensors - Triaxis Hall
熱門搜索






