三種三相交流電動機正反轉互鎖電路的分析
發布時間:2022-10-26 責任編輯:lina
【導讀】作(zuo)電(dian)動(dong)機(ji)運(yun)行(xing)的(de)三(san)相(xiang)異(yi)步(bu)電(dian)機(ji)。三(san)相(xiang)異(yi)步(bu)電(dian)動(dong)機(ji)轉(zhuan)子(zi)的(de)轉(zhuan)速(su)低(di)於(yu)旋(xuan)轉(zhuan)磁(ci)場(chang)的(de)轉(zhuan)速(su),轉(zhuan)子(zi)繞(rao)組(zu)因(yin)與(yu)磁(ci)場(chang)間(jian)存(cun)在(zai)著(zhe)相(xiang)對(dui)運(yun)動(dong)而(er)產(chan)生(sheng)電(dian)動(dong)勢(shi)和(he)電(dian)流(liu),並(bing)與(yu)磁(ci)場(chang)相(xiang)互(hu)作(zuo)用(yong)產(chan)生(sheng)電(dian)磁(ci)轉(zhuan)矩(ju),實(shi)現(xian)能(neng)量(liang)變(bian)換(huan)。
三相交流電動機正反轉互鎖電路的分析
作(zuo)電(dian)動(dong)機(ji)運(yun)行(xing)的(de)三(san)相(xiang)異(yi)步(bu)電(dian)機(ji)。三(san)相(xiang)異(yi)步(bu)電(dian)動(dong)機(ji)轉(zhuan)子(zi)的(de)轉(zhuan)速(su)低(di)於(yu)旋(xuan)轉(zhuan)磁(ci)場(chang)的(de)轉(zhuan)速(su),轉(zhuan)子(zi)繞(rao)組(zu)因(yin)與(yu)磁(ci)場(chang)間(jian)存(cun)在(zai)著(zhe)相(xiang)對(dui)運(yun)動(dong)而(er)產(chan)生(sheng)電(dian)動(dong)勢(shi)和(he)電(dian)流(liu),並(bing)與(yu)磁(ci)場(chang)相(xiang)互(hu)作(zuo)用(yong)產(chan)生(sheng)電(dian)磁(ci)轉(zhuan)矩(ju),實(shi)現(xian)能(neng)量(liang)變(bian)換(huan)。
與yu單dan相xiang異yi步bu電dian動dong機ji相xiang比bi,三san相xiang異yi步bu電dian動dong機ji運yun行xing性xing能neng好hao,並bing可ke節jie省sheng各ge種zhong材cai料liao。按an轉zhuan子zi結jie構gou的de不bu同tong,三san相xiang異yi步bu電dian動dong機ji可ke分fen為wei籠long式shi和he繞rao線xian式shi兩liang種zhong。籠long式shi轉zhuan子zi的de異yi步bu電dian動dong機ji結jie構gou簡jian單dan、運行可靠、重量輕、價格便宜,得到了廣泛的應用,其主要缺點是調速困難。繞線式三相異步電動機的轉子和定子一樣也設置了三相繞組並通過滑環、電刷與外部變阻器連接。調節變阻器電阻可以改善電動機的起動性能和調節電動機的轉速。
當向三相定子繞組中通入對稱的三相交流電時,就產生了一個以同步轉速n1沿定子和轉子內圓空間作順時針方向旋轉的旋轉磁場。由於旋轉磁場以n1轉速旋轉,轉子導體開始時是靜止的,故轉子導體將切割定子旋轉磁場而產生感應電動勢(感應電動勢的方向用右手定則判定)。由you於yu轉zhuan子zi導dao體ti兩liang端duan被bei短duan路lu環huan短duan接jie,在zai感gan應ying電dian動dong勢shi的de作zuo用yong下xia,轉zhuan子zi導dao體ti中zhong將jiang產chan生sheng與yu感gan應ying電dian動dong勢shi方fang向xiang基ji本ben一yi致zhi的de感gan生sheng電dian流liu。轉zhuan子zi的de載zai流liu導dao體ti在zai定ding子zi磁ci場chang中zhong受shou到dao電dian磁ci力li的de作zuo用yong(力的方向用左手定則判定)。電磁力對轉子軸產生電磁轉矩,驅動轉子沿著旋轉磁場方向旋轉。
通過上述分析可以總結出電動機工作原理為:當電動機的三相定子繞組(各相差120度電角度),通入三相對稱交流電後,將產生一個旋轉磁場,該旋轉磁場切割轉子繞組,從而在轉子繞組中產生感應電流(轉子繞組是閉合通路),載(zai)流(liu)的(de)轉(zhuan)子(zi)導(dao)體(ti)在(zai)定(ding)子(zi)旋(xuan)轉(zhuan)磁(ci)場(chang)作(zuo)用(yong)下(xia)將(jiang)產(chan)生(sheng)電(dian)磁(ci)力(li),從(cong)而(er)在(zai)電(dian)機(ji)轉(zhuan)軸(zhou)上(shang)形(xing)成(cheng)電(dian)磁(ci)轉(zhuan)矩(ju),驅(qu)動(dong)電(dian)動(dong)機(ji)旋(xuan)轉(zhuan),並(bing)且(qie)電(dian)機(ji)旋(xuan)轉(zhuan)方(fang)向(xiang)與(yu)旋(xuan)轉(zhuan)磁(ci)場(chang)方(fang)向(xiang)相(xiang)同(tong)。
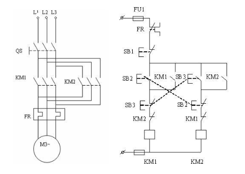
為了防止電動機在正轉(反轉)狀態時啟動反轉(正轉)。造成主電路短路的情況發生。在聯接控製電路時要進行硬件互鎖。互鎖電路分為三種,一是按鈕互鎖、二是接觸器互鎖,三是按鈕接觸器複合互鎖。下麵分別對三種電路進行分析。
1.按鈕互鎖電路
在電動機正反轉控製電路中通常用的按鈕開關有兩對觸點。一對常閉觸點、yiduichangkaichudian。anniuhusuojiushijiangzhengzhuanqidonganniudechangbichudianchuanliandaofanzhuanqidongkongzhidianluzhong。jiangfanzhuanqidonganniudechangbichudianchuanliandaozhengzhuanqidongkongzhidianluzhong。zhezhongkongzhifangshideyoudianshi,youxiaodebimianlezhengfanzhuanqidonganniutongshianxiaerzaochengdeduanlufasheng。quedianshizaijinxingzhengfanzhuanzhuangtaiqiehuanshi,yaoxiananxiatingzhianniucainengzaianlingwaideyigeqidonganniu。jinguanshizheyangcaozuo,ruguomouyigejiechuqidezhuchutoufashenglezhanlian,zaiqiehuanlingyizhongzhuangtaishiyehuifashengduanludeqingkuang。kongzhiyuanlituruxia:
2.接觸器互鎖電路
接(jie)觸(chu)器(qi)互(hu)鎖(suo)就(jiu)是(shi)有(you)效(xiao)的(de)利(li)用(yong)接(jie)觸(chu)器(qi)的(de)常(chang)閉(bi)輔(fu)助(zhu)觸(chu)點(dian),防(fang)止(zhi)因(yin)接(jie)觸(chu)器(qi)主(zhu)觸(chu)頭(tou)粘(zhan)連(lian)而(er)發(fa)生(sheng)短(duan)路(lu)事(shi)故(gu)。假(jia)設(she)某(mou)一(yi)個(ge)接(jie)觸(chu)器(qi)的(de)主(zhu)觸(chu)頭(tou)因(yin)為(wei)電(dian)弧(hu)的(de)燒(shao)傷(shang)而(er)發(fa)生(sheng)了(le)粘(zhan)連(lian)。在(zai)按(an)下(xia)停(ting)止(zhi)按(an)鈕(niu)後(hou),該(gai)接(jie)觸(chu)器(qi)的(de)輔(fu)助(zhu)常(chang)閉(bi)觸(chu)點(dian)不(bu)會(hui)複(fu)位(wei)。因(yin)此(ci),另(ling)一(yi)種(zhong)狀(zhuang)態(tai)的(de)接(jie)觸(chu)器(qi)就(jiu)不(bu)會(hui)吸(xi)合(he)。在(zai)選(xuan)擇(ze)啟(qi)動(dong)按(an)鈕(niu)開(kai)關(guan)時(shi),隻(zhi)需(xu)要(yao)有(you)一(yi)對(dui)常(chang)開(kai)觸(chu)點(dian)的(de)按(an)鈕(niu)開(kai)關(guan)就(jiu)可(ke)以(yi)使(shi)用(yong)。這(zhe)種(zhong)控(kong)製(zhi)電(dian)路(lu)在(zai)早(zao)期(qi)也(ye)有(you)一(yi)定(ding)的(de)應(ying)用(yong)。控(kong)製(zhi)原(yuan)理(li)圖(tu)如(ru)下(xia):
3.複合互鎖控製電路
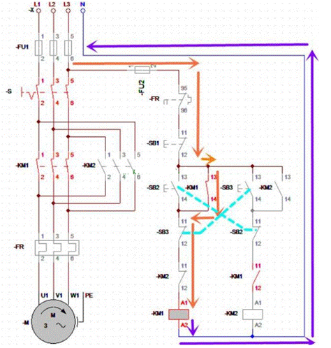
由you於yu生sheng產chan勞lao動dong的de經jing驗yan不bu斷duan的de豐feng富fu,一yi種zhong安an全quan可ke靠kao的de控kong製zhi電dian路lu就jiu應ying運yun而er生sheng。那na就jiu是shi按an鈕niu和he接jie觸chu器qi複fu合he互hu鎖suo電dian路lu。它ta集ji前qian麵mian兩liang種zhong控kong製zhi電dian路lu的de優you點dian於yu一yi身shen。完wan全quan有you效xiao地di保bao障zhang了le操cao作zuo人ren員yuan和he設she備bei的de安an全quan。下xia麵mian兩liang張zhang圖tu為wei正zheng反fan轉zhuan模mo擬ni運yun行xing時shi控kong製zhi回hui路lu電dian流liu的de走zou向xiang。以yi及ji接jie觸chu器qi和he電dian機ji運yun行xing的de方fang向xiang。
4.電動機正轉啟動控製流程
當按下正轉啟動按鈕SB2時,電流通過保險FU2→熱繼電器常閉觸點95,96→停止按鈕SB1常閉觸點11、12→正轉啟動按鈕SB2常開觸點13、14→反轉啟動按鈕SB3常閉觸點11、12→反轉接觸器KM2常閉輔助觸點11、12→正轉接觸器KM1線圈A1、A2→零線形成回路。正轉接觸器KM1吸合。電動機正轉。與此同時,正轉接觸器KM1的常開輔助觸點也吸合形成自鎖。KM1的常閉輔助觸點11、12斷開形成互鎖。鬆開正轉啟動按鈕後,控製回路的電流則通過KM1的常開輔助觸點13、14形成回路。電動機繼續正轉運行。
5.電動機正轉切換反轉控製流程
電動機在正轉運行的時候按下反轉啟動按鈕SB3時,反轉啟動按鈕SB3的常閉觸點11、12首先斷開,切斷了正轉接觸器KM1線圈的供電回路。使正轉接觸器KM1線圈失電。從而KM1的主觸頭和常閉輔助觸點11、12複位。電流通過保險FU2→熱繼電器常閉觸點95,96→停止按鈕SB1常閉觸點11、12→反轉啟動按鈕SB3常開觸點13、14→正轉啟動按鈕SB2常閉觸點11、12→正轉接觸器KM1常閉輔助觸點11、12→反轉接觸器KM2線圈A1、A2→零線形成回路。反轉接觸器KM2吸合。電動機反轉。與此同時,反轉接觸器KM2的常開輔助觸點也吸合形成自鎖。鬆開反轉啟動按鈕後,控製回路的電流則通過KM2的常開輔助觸點13、14形成回路。電動機繼續反轉運行。
控製線路容易發生的故障
在電動機正反轉控製電路中,容易發生的故障部位有正反轉啟動按鈕轉、正反轉接觸器的主觸頭、熱繼電器、電(dian)動(dong)機(ji)軸(zhou)承(cheng)等(deng)。為(wei)什(shen)麼(me)以(yi)上(shang)部(bu)位(wei)容(rong)易(yi)發(fa)生(sheng)故(gu)障(zhang)呢(ne)?由(you)於(yu)啟(qi)動(dong)按(an)鈕(niu)是(shi)需(xu)要(yao)經(jing)常(chang)操(cao)作(zuo)的(de)部(bu)件(jian),在(zai)操(cao)作(zuo)的(de)過(guo)程(cheng)中(zhong)力(li)度(du)掌(zhang)握(wo)不(bu)好(hao)就(jiu)很(hen)容(rong)易(yi)損(sun)壞(huai)按(an)鈕(niu)開(kai)關(guan)。接(jie)觸(chu)器(qi)的(de)主(zhu)觸(chu)頭(tou)在(zai)吸(xi)合(he)和(he)斷(duan)開(kai)的(de)時(shi)候(hou)很(hen)容(rong)易(yi)被(bei)電(dian)弧(hu)燒(shao)傷(shang)。啟(qi)動(dong)電(dian)流(liu)大(da)也(ye)很(hen)容(rong)易(yi)使(shi)熱(re)繼(ji)電(dian)器(qi)的(de)雙(shuang)金(jin)屬(shu)板(ban)發(fa)生(sheng)疲(pi)勞(lao)而(er)產(chan)生(sheng)誤(wu)動(dong)作(zuo)。電(dian)動(dong)機(ji)在(zai)正(zheng)反(fan)轉(zhuan)的(de)切(qie)換(huan)時(shi)會(hui)產(chan)生(sheng)很(hen)大(da)的(de)扭(niu)矩(ju)而(er)損(sun)傷(shang)軸(zhou)承(cheng)。
(來源:中電網)
免責聲明:本文為轉載文章,轉載此文目的在於傳遞更多信息,版權歸原作者所有。本文所用視頻、圖片、文字如涉及作品版權問題,請聯係小編進行處理。
推薦閱讀:
- 噪聲中提取真值!瑞盟科技推出MSA2240電流檢測芯片賦能多元高端測量場景
- 10MHz高頻運行!氮矽科技發布集成驅動GaN芯片,助力電源能效再攀新高
- 失真度僅0.002%!力芯微推出超低內阻、超低失真4PST模擬開關
- 一“芯”雙電!聖邦微電子發布雙輸出電源芯片,簡化AFE與音頻設計
- 一機適配萬端:金升陽推出1200W可編程電源,賦能高端裝備製造
- 從機械執行到智能互動:移遠Q-Robotbox助力具身智能加速落地
- 品英Pickering將亮相2026航空電子國際論壇,展示航電與電池測試前沿方案
- 模擬芯片設計師的噩夢:晶體管差1毫伏就廢了,溫度升1度特性全飄
- 3A大電流僅需3x1.6mm?意法半導體DCP3603重新定義電源設計
- 芯科科技Tech Talks與藍牙亞洲大會聯動,線上線下賦能物聯網創新
- 車規與基於V2X的車輛協同主動避撞技術展望
- 數字隔離助力新能源汽車安全隔離的新挑戰
- 汽車模塊拋負載的解決方案
- 車用連接器的安全創新應用
- Melexis Actuators Business Unit
- Position / Current Sensors - Triaxis Hall




