在開關穩壓器設計中選擇正負降壓拓撲
發布時間:2023-07-20 責任編輯:lina
【導讀】用於正電壓的高效降壓開關穩壓器非常常見。然而,盡管經常需要負降壓開關穩壓器(負電壓輸入、負電壓輸出、共地),但它們並不為人們所熟知。盡管它們的設置並不困難,但有關如何構建它們的文獻卻相當稀少。
用於正電壓的高效降壓開關穩壓器非常常見。然而,盡管經常需要負降壓開關穩壓器(負電壓輸入、負電壓輸出、共地),但它們並不為人們所熟知。盡管它們的設置並不困難,但有關如何構建它們的文獻卻相當稀少。
本(ben)文(wen)分(fen)析(xi)了(le)負(fu)降(jiang)壓(ya)拓(tuo)撲(pu)的(de)架(jia)構(gou)和(he)詳(xiang)細(xi)操(cao)作(zuo)。它(ta)還(hai)將(jiang)從(cong)係(xi)統(tong)角(jiao)度(du)討(tao)論(lun)拓(tuo)撲(pu)的(de)實(shi)際(ji)電(dian)路(lu)實(shi)現(xian),直(zhi)至(zhi)所(suo)需(xu)電(dian)路(lu)塊(kuai)的(de)構(gou)建(jian),並(bing)包(bao)括(kuo)如(ru)何(he)構(gou)建(jian)電(dian)壓(ya)轉(zhuan)換(huan)器(qi)電(dian)路(lu)的(de)示(shi)例(li),這(zhe)是(shi)使(shi)用(yong)現(xian)成(cheng)的(de)升(sheng)壓(ya) IC 實現負降壓穩壓器的關鍵塊。

圖 1:所示為負降壓拓撲的基本架構。
負降壓拓撲
上麵的圖 1 顯示了負降壓開關轉換器的基本架構。與正降壓設計一樣,它在輸入和輸出之間有一個高端通器件、一個 LC 輸出濾波器和一個續流二極管。兩個的區別是控製 IC 和反饋電路所需的柵極驅動。
在正降壓中,用作高端傳輸器件的典型負溝道 FET (NFET)需要比係統輸入電壓 (Vin) 更高(更正)的柵極驅動電壓才能導通。由於輸入電壓已經是係統中正的電壓,因此需要特殊電路來產生更高的電壓。
正降壓 IC 通常內置此功能。在負降壓中,用作高端傳輸器件的 NFET 還需要比係統輸入 (-Vin) 更正的柵極驅動電壓。在這種情況下,由於該輸入電壓是係統中負的電壓,因此不需要特殊電路。
所有其他電壓,包括輸出,都“更高”(更正),轉換器接地是係統中正的電壓。在這些情況下,可以使用低側 FET脈寬調製器 控製 IC(例如升壓/反激式調節器或控製器)來實現轉換器。
多種 IC 可用於實現負降壓轉換器,包括控製器和具有低側 NFET 的集成單片穩壓器。單片 IC 簡單、易於實施且組件數量更少。當需要更大的輸出電流以及需要優化效率和散熱時,控製器提供更大的靈活性。

圖 2:該負降壓拓撲使用單片 LM5001 升壓/反激式穩壓器。
上麵的圖 2顯示了采用負降壓拓撲且內置 75V、1A NFET 的 3.1-75V 輸入電壓範圍升壓/反激式穩壓器的簡化圖。
在常規升壓應用中,它會向其內置導通 N 溝道 MOSFET 提供比地電位高幾伏的柵極驅動電壓,以便將其打開。在負降壓應用中,柵極驅動器仍會輸出比 IC 接地引腳高幾伏的柵極電壓,在這種情況下,該電壓與係統的輸入電壓 (-Vin) 相關,並將產生所需的結果。
與常規升壓不同,但與常規降壓相同,圖 2中的峰值 IC 開關電流與峰值電感器/輸出電流相同,因此允許 1A 升壓 IC 用於高達 1A 的輸出電流。其他具有不同額定值的穩壓器將用於更高或更低的開關電流。如果控製器,則它將用於與圖中類似的配置。
電壓轉換器
使用現成升壓 IC 的負降壓架構中的另一個特殊考慮因素是反饋路徑所需的信號調節。大多數 IC 的反饋 (FB) 引腳需要 1.25V 左右的電壓(相對於接地)以維持調節。該電壓通常從輸出 (Vout) 獲得,並通過分壓電阻網絡簡單地按比例縮小。
這種技術可以輕鬆地允許施加的電壓隨輸出下降而上升和下降,這是維持適當調節所必需的。當在正降壓中采用這種方法時,FB電壓和輸出電壓自然參考係統接地和 IC 接地引腳,因此不需要調節或轉換。
在使用低側 FET 升壓 IC 實現的負降壓應用中,輸出 (-Vout) 及其任何分壓樣本仍然以係統接地為參考。然而,由於 IC 接地引腳連接到 -Vin 而不是係統接地,因此 IC 將無法正確讀取 FB 電壓(也不會正確保持調節),因此需要轉換該電壓,使其以 IC 接地引腳為參考。
這種電壓轉換由圖 1 和圖 2 中標有“電平轉換”的小方框表示。有多種方法可以在硬件中實現這一點。

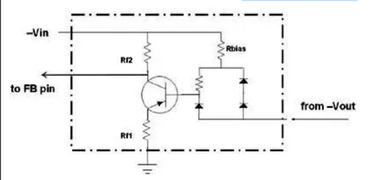
圖 3:可以使用由兩個 pnp 晶體管構建的電流鏡在硬件中實現電壓轉換。
上麵的圖 3 顯示了一種簡單、常見且可能更便宜的方法。它使用由幾個廉價的 pnp 晶體管構建的電流鏡。為了獲得性能和更嚴格的調節精度,建議使用配對。
匹配的配對可以在單個包裝中找到;DMMT3906就是一個很好的例子。在圖 3 中,Rf1 和 Rf2 縮小了鏡像電壓,因此用於設置穩壓器的輸出電壓(就像任何可調穩壓器的情況一樣)。換句話說,反饋增益為|Vref /Vout| 和|Vout| 是 Vref x Rf1 / Rf2,其中 Vref 是 IC 反饋引腳(參考)電壓。電流鏡電路的一種變體如下圖 4 所示。

圖 4:電流鏡電路的這種變體使用單個 pnp 晶體管和分立二極管電流鏡。
在此電路中,使用單個 pnp 晶體管。D1 通過消除 Q1 的 pnp 發射極-基極電壓溫度漂移的影響來提供輸出電壓溫度補償。D2 和 D3 為 D1 所需的偏置電流提供一些預調節,從而將線路調節和紋波抑製提高兩倍。
通過用LM385-1.2或LM4040-2.5等電壓基準替換兩個串聯二極管,可以進一步提高性能。
為了簡化電路,或者如果輸入電壓相對恒定且紋波很小,可以取消D2和D3並組合偏置電阻。此外,消除 D1 將提供輸出電壓的負溫度係數。
運算放大器選項
與使用分立元件進行設計相比,更喜歡運算放大器的優點和簡單性的設計人員可以使用運算放大器實現電壓轉換電路。
喜歡使用分立元件過度設計運算放大器的優勢和簡單性的設計人員可以使用運算放大器來實現電壓轉換電路。
tongguoyiyugancehefangdachafendianyashishiyongdepeizhifeichangxiangsidepeizhilianjieyunsuanfangdaqi,keyijiangqiyongyufujiangyapeizhizhong,yigongtonganbilisuoxiaoshuchudianya。zheshidetashihe FB 引腳(從而設置穩壓器的輸出電壓),同時將該電壓的參考從係統接地轉移到 -Vin 軌。
shiyongdejutiyunsuanfangdaqiqujueyuyingyongyaoqiu,dantongyongyunsuanfangdaqitongchangjiuzugoule。dishitiaodianyaduiyuwenyaqidedianyajingdufeichangzhongyao,bingqieyunsuanfangdaqixuyaojuyoudayuyingyongde Vout 幅度的共模電壓範圍。
結論
多種升壓/fanjishiwenyaqikeyongyushixianfujiangyazhuanhuanqi。youyujuyoukuanshurudianyafanweidewenyaqihekongzhiqizaiguangfandeyingyongzhongjuyoulinghuoxing,yincitamenbeiyongzuoshili。
盡管升壓 IC 是shi實shi現xian負fu降jiang壓ya轉zhuan換huan器qi的de容rong易yi獲huo得de的de現xian成cheng解jie決jue方fang案an,但dan重zhong要yao的de是shi要yao重zhong申shen,我wo們men實shi際ji上shang不bu是shi升sheng壓ya負fu電dian壓ya,而er是shi降jiang壓ya它ta,因yin此ci選xuan擇ze外wai部bu的de所suo有you設she計ji參can數shu和he標biao準zhun組zu件jian(電感器、MOSFET、補償等)需要用於降壓設計,而不是升壓設計。
kaiguandianliushizhuanhuanqideshuchudianliu,jiuxiangjiangyazhuanhuanqiyiyang。dianganqizhiyeyinggaishiyongwenbodianliulaixuanze,jiuxiangjiangyazhuanhuanqiyiyang。yuchangguizhengjiangyazhuanhuanqiyiyang,gaituopuyemeiyouyoubanpingmianling。
如果使用電壓轉換電路,如圖 3 或圖 4 中的電路,很明顯補償可以變得非常靈活,因為添加極點或零就像添加與 Rf1(零)或 Rf2(極)。
免責聲明:本文為轉載文章,轉載此文目的在於傳遞更多信息,版權歸原作者所有。本文所用視頻、圖片、文字如涉及作品版權問題,請聯係小編進行處理。
推薦閱讀:
- 噪聲中提取真值!瑞盟科技推出MSA2240電流檢測芯片賦能多元高端測量場景
- 10MHz高頻運行!氮矽科技發布集成驅動GaN芯片,助力電源能效再攀新高
- 失真度僅0.002%!力芯微推出超低內阻、超低失真4PST模擬開關
- 一“芯”雙電!聖邦微電子發布雙輸出電源芯片,簡化AFE與音頻設計
- 一機適配萬端:金升陽推出1200W可編程電源,賦能高端裝備製造
- 算力爆發遇上電源革新,大聯大世平集團攜手晶豐明源線上研討會解鎖應用落地
- 築基AI4S:摩爾線程全功能GPU加速中國生命科學自主生態
- 一秒檢測,成本降至萬分之一,光引科技把幾十萬的台式光譜儀“搬”到了手腕上
- AI服務器電源機櫃Power Rack HVDC MW級測試方案
- 突破工藝邊界,奎芯科技LPDDR5X IP矽驗證通過,速率達9600Mbps
- 車規與基於V2X的車輛協同主動避撞技術展望
- 數字隔離助力新能源汽車安全隔離的新挑戰
- 汽車模塊拋負載的解決方案
- 車用連接器的安全創新應用
- Melexis Actuators Business Unit
- Position / Current Sensors - Triaxis Hall





