【靜噪控製的基礎 第12章】LC複合型EMI靜噪濾波器的使用方法
發布時間:2014-07-18 責任編輯:willwoyo
【導讀】本章的學習目的是為了有效地使用LC複合型EMI靜噪濾波器。LC複合型EMI靜噪濾波器過去多用於模擬視頻線的噪聲抑製,近來廣泛用於從手機主板到連接LCD麵板的扁平電纜等單端數字總線中。
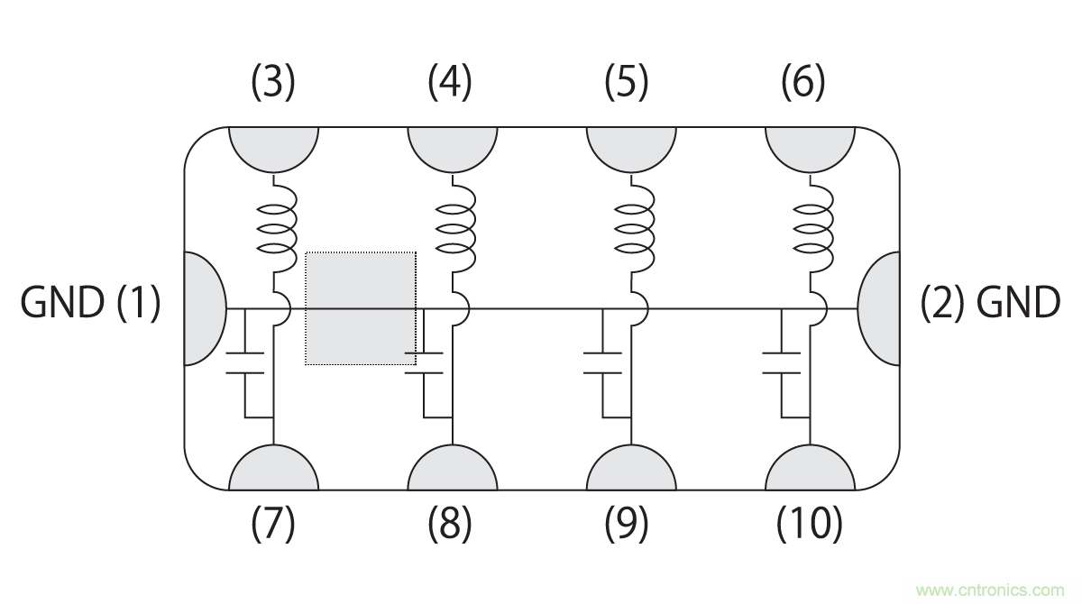
因此,LC複合型EMI靜噪濾波器多為4條線路集成在1個芯片中的數組型。


圖1 4組數組型LC複合濾波器的示例:NFA18SL係列
π型或T型LC 複合型濾波器有C-L-C結構的π型、L-C-L結構的T型、C-L或L-C結構的L型等多種結構。選擇哪一種結構,取決於濾波器前後電路的阻抗。LC濾 波器中的電容器(雖有例外)具有用低阻抗的電容器將高頻成分旁路掉、導入大地,從而除去噪聲的作用,因此,與此電容器相接部分的阻抗越高效果越好。
另 一方麵,電感器具有所謂的用高阻抗使高頻噪聲反彈的作用,因此電感器與高阻抗部分相接則效果差,反之與低阻抗的電路相接則效果好。此原理歸納於圖2中。圖 中顯示了輸入端阻抗和輸出端阻抗的高低和該條件下噪聲除去效果好的濾波器結構。從圖中可以看出,對於L型濾波器這類不具有對稱結構的濾波器,若輸入輸出端 接反,則效果發生變化。使用時應加以注意。


圖2 輸入輸出端阻抗和效果好的濾波器結構的組合
[page]具有多個諧振頻率的濾波器
在 本章開頭提到,近來,LC複合型的濾波器多用於手機的噪聲抑製,但是手機的噪聲抑製的特點是,不僅要除去泄漏到手機外的噪聲,還有必要進行手機內的噪聲幹 擾抑製。手機執行大量的數字處理,若此過程中產生的噪聲幹擾到移動電話的接收電波,則會導致接受靈敏度降低的問題。對於泄露到外部的噪聲的抑製,由於受到 噪聲影響的機器離得較遠,因而相對容易;而對於手機內部的噪聲幹擾,由於相互之間的距離近,必須采取確實有效的噪聲抑製措施。
通 常,此噪聲幹擾中,有必要采取抑製措施的頻率為手機的載波頻率700MHz-2GHz附近,但若搭載了電視調諧器 ,則對於500MHz左右的頻率也需要采取抑製措施。常規的LC型濾波器明確表現的自諧振頻率為1個,但這類濾波器的令噪聲衰減的帶寬窄,在需要應對上述 大範圍的情況下,則性能不足。
因此,還設置了具有多個自諧振頻率LC複合型濾波器。如圖3的設計例子,除了在2GHz附近,在500MHz附近也有自諧振頻率,對電視頻帶和手機的載波頻率都有效。根據噪聲抑製所需的頻帶,對照插入損耗特性數據來選擇濾波器,有可能有效地降低噪聲,請嚐試一下這種方法。

圖3 具有2種自諧振頻率的LC複合型濾波器的例子
特別推薦
- 噪聲中提取真值!瑞盟科技推出MSA2240電流檢測芯片賦能多元高端測量場景
- 10MHz高頻運行!氮矽科技發布集成驅動GaN芯片,助力電源能效再攀新高
- 失真度僅0.002%!力芯微推出超低內阻、超低失真4PST模擬開關
- 一“芯”雙電!聖邦微電子發布雙輸出電源芯片,簡化AFE與音頻設計
- 一機適配萬端:金升陽推出1200W可編程電源,賦能高端裝備製造
技術文章更多>>
- 貿澤EIT係列新一期,探索AI如何重塑日常科技與用戶體驗
- 算力爆發遇上電源革新,大聯大世平集團攜手晶豐明源線上研討會解鎖應用落地
- 創新不止,創芯不已:第六屆ICDIA創芯展8月南京盛大啟幕!
- AI時代,為什麼存儲基礎設施的可靠性決定數據中心的經濟效益
- 矽典微ONELAB開發係列:為毫米波算法開發者打造的全棧工具鏈
技術白皮書下載更多>>
- 車規與基於V2X的車輛協同主動避撞技術展望
- 數字隔離助力新能源汽車安全隔離的新挑戰
- 汽車模塊拋負載的解決方案
- 車用連接器的安全創新應用
- Melexis Actuators Business Unit
- Position / Current Sensors - Triaxis Hall
熱門搜索




