電流互感器二次側為什麼不能開路
發布時間:2019-03-15 責任編輯:wenwei
【導讀】大部分電工經常會聽到這樣的一句話:“電流互感器的二次側不能開路,電壓互感器二次側不能短路”。在工作中,大家一定會把這句話當做“聖經”一(yi)樣(yang)對(dui)待(dai),拆(chai)除(chu)電(dian)流(liu)互(hu)感(gan)器(qi)二(er)次(ci)線(xian)時(shi),先(xian)用(yong)短(duan)接(jie)片(pian)或(huo)短(duan)接(jie)線(xian)把(ba)二(er)次(ci)側(ce)短(duan)接(jie),然(ran)後(hou)再(zai)進(jin)行(xing)拆(chai)線(xian)或(huo)接(jie)線(xian)工(gong)作(zuo),這(zhe)樣(yang)才(cai)能(neng)保(bao)證(zheng)人(ren)的(de)安(an)全(quan),是(shi)非(fei)常(chang)正(zheng)確(que)的(de)做(zuo)法(fa)。
我(wo)自(zi)己(ji)曾(zeng)經(jing)拆(chai)電(dian)度(du)表(biao)的(de)電(dian)流(liu)線(xian)時(shi),遇(yu)到(dao)過(guo)短(duan)接(jie)不(bu)牢(lao)靠(kao),端(duan)子(zi)處(chu)劈(pi)裏(li)啪(pa)啦(la)放(fang)電(dian)現(xian)象(xiang)。那(na)麼(me)電(dian)流(liu)互(hu)感(gan)器(qi)二(er)次(ci)為(wei)什(shen)麼(me)不(bu)能(neng)開(kai)路(lu)呢(ne)?是(shi)什(shen)麼(me)原(yuan)理(li)呢(ne)?會(hui)產(chan)生(sheng)什(shen)麼(me)樣(yang)的(de)後(hou)果(guo)呢(ne)?下(xia)麵(mian)為(wei)大(da)家(jia)仔(zai)細(xi)的(de)分(fen)析(xi),希(xi)望(wang)大(da)家(jia)都(dou)能(neng)理(li)解(jie)。
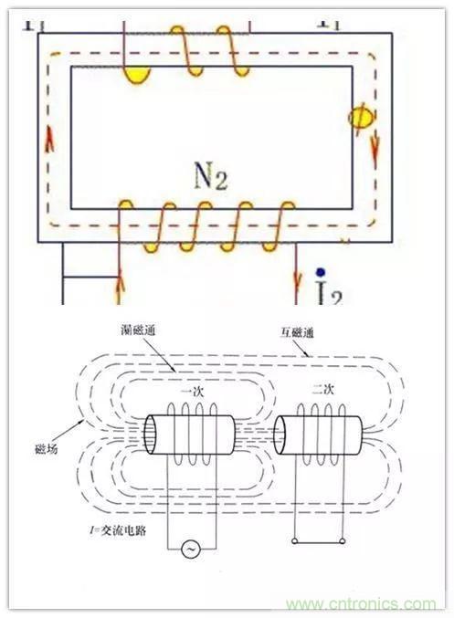
電dian流liu互hu感gan器qi的de測ce量liang電dian路lu如ru下xia圖tu所suo示shi,原yuan方fang電dian流liu是shi由you被bei測ce試shi的de電dian路lu決jue定ding的de,當dang負fu荷he的de電dian阻zu大da小xiao不bu同tong時shi,原yuan邊bian的de電dian流liu大da小xiao也ye不bu同tong,在zai正zheng常chang運yun行xing時shi,電dian流liu互hu感gan器qi的de副fu方fang相xiang當dang於yu短duan路lu,副fu方fang電dian流liu有you強qiang烈lie的de去qu磁ci作zuo用yong,即ji副fu方fang的de磁ci動dong勢shi近jin似si與yu原yuan方fang的de磁ci動dong勢shi大da小xiao相xiang等deng、方向相反,因而產生鐵心中的磁通所需的合成磁動勢和相應的勵磁電流很小。

若(ruo)副(fu)方(fang)開(kai)路(lu),則(ze)原(yuan)方(fang)電(dian)流(liu)全(quan)部(bu)成(cheng)為(wei)勵(li)磁(ci)電(dian)流(liu),使(shi)鐵(tie)心(xin)中(zhong)的(de)磁(ci)通(tong)增(zeng)大(da),鐵(tie)心(xin)過(guo)分(fen)飽(bao)和(he),鐵(tie)耗(hao)急(ji)劇(ju)增(zeng)大(da),引(yin)起(qi)互(hu)感(gan)器(qi)發(fa)熱(re)損(sun)壞(huai)。同(tong)時(shi)因(yin)副(fu)繞(rao)組(zu)匝(za)數(shu)很(hen)多(duo),將(jiang)會(hui)感(gan)應(ying)出(chu)危(wei)險(xian)的(de)高(gao)電(dian)壓(ya),危(wei)及(ji)操(cao)作(zuo)人(ren)員(yuan)和(he)測(ce)量(liang)設(she)備(bei)的(de)安(an)全(quan)。
電流互感器正常工作(不開路)
電流互感器正常工作的時候,次級所接負載為電流表或電度表電流線圈yijibiansongqideng,zhexiexianquandezukangdouhenxiao,jibenshangyunxingzaiduanluzhuangtai。zhezhongqingkuangxia,dianliuhuganqideyicidianliuhecijidianliusuochanshengdecitongxianghudixiao,shitiexinzhongdecitongmiduweichizaijiaodishuiping,tongchangzailingdianjitesila(磁通密度的單位:T),由於次級電阻很小,所以次級電壓也很低。

電流互感器二次側開路情況下
當電流互感器次級繞組開路時,這時候一次電流如果沒有變化,二次回路斷開,或者電阻很大,那麼二次側的電流為0,或(huo)者(zhe)非(fei)常(chang)小(xiao),二(er)次(ci)線(xian)圈(quan)或(huo)鐵(tie)芯(xin)的(de)磁(ci)通(tong)量(liang)就(jiu)很(hen)小(xiao),不(bu)能(neng)抵(di)消(xiao)掉(diao)一(yi)次(ci)磁(ci)通(tong)量(liang)。這(zhe)時(shi)候(hou)一(yi)次(ci)電(dian)流(liu)全(quan)部(bu)變(bian)為(wei)勵(li)磁(ci)電(dian)流(liu),使(shi)鐵(tie)心(xin)飽(bao)和(he),這(zhe)個(ge)變(bian)化(hua)是(shi)突(tu)然(ran)的(de),叫(jiao)突(tu)變(bian),它(ta)的(de)磁(ci)通(tong)密(mi)度(du)高(gao)達(da)幾(ji)個(ge)特(te)斯(si)拉(la)以(yi)上(shang)。磁(ci)通(tong)密(mi)度(du)突(tu)變(bian),二(er)次(ci)電(dian)壓(ya)很(hen)高(gao)。

電流互感器二次開路的後果
這種情況後出現後,會產生一下後果:
1. 二次產生數千伏電壓(這個沒有驗證過,是照抄的規程),高電壓可能擊穿電流互感器的絕緣,使整個配電設備外殼帶電,也可能讓檢修人員觸電,有生命危險。
2. 鐵芯突變飽和會使互感器的鐵芯損耗增加,鐵芯會發熱,損壞互感器。
3. 互感器飽鐵芯飽和,計量失準,CT比差和角差加大。
推薦閱讀:
特別推薦
- 噪聲中提取真值!瑞盟科技推出MSA2240電流檢測芯片賦能多元高端測量場景
- 10MHz高頻運行!氮矽科技發布集成驅動GaN芯片,助力電源能效再攀新高
- 失真度僅0.002%!力芯微推出超低內阻、超低失真4PST模擬開關
- 一“芯”雙電!聖邦微電子發布雙輸出電源芯片,簡化AFE與音頻設計
- 一機適配萬端:金升陽推出1200W可編程電源,賦能高端裝備製造
技術文章更多>>
- 築基AI4S:摩爾線程全功能GPU加速中國生命科學自主生態
- 一秒檢測,成本降至萬分之一,光引科技把幾十萬的台式光譜儀“搬”到了手腕上
- AI服務器電源機櫃Power Rack HVDC MW級測試方案
- 突破工藝邊界,奎芯科技LPDDR5X IP矽驗證通過,速率達9600Mbps
- 通過直接、準確、自動測量超低範圍的氯殘留來推動反滲透膜保護
技術白皮書下載更多>>
- 車規與基於V2X的車輛協同主動避撞技術展望
- 數字隔離助力新能源汽車安全隔離的新挑戰
- 汽車模塊拋負載的解決方案
- 車用連接器的安全創新應用
- Melexis Actuators Business Unit
- Position / Current Sensors - Triaxis Hall
熱門搜索
微波功率管
微波開關
微波連接器
微波器件
微波三極管
微波振蕩器
微電機
微調電容
微動開關
微蜂窩
位置傳感器
溫度保險絲
溫度傳感器
溫控開關
溫控可控矽
聞泰
穩壓電源
穩壓二極管
穩壓管
無焊端子
無線充電
無線監控
無源濾波器
五金工具
物聯網
顯示模塊
顯微鏡結構
線圈
線繞電位器
線繞電阻


