PCB反設計係統中的探測電路
發布時間:2010-01-06
中心議題:
最簡單的方法是將萬用表打到"短路蜂鳴器"檔,用兩支表筆逐對地測量引腳間連通關係,然後手工記錄"引腳對"之間的通/斷路狀況。為了得到所有"引腳對"之間連接關係的全集,必須按照組合原則組織被測"引腳對",當PCB上元件數目及引腳數目較多時,需要測量的"引腳對"數目將會十分龐大。顯然,若采用人工方法進行這項工作,測量、記錄及校對的工作量都將會非常大。而且測量精度較低,眾所周知,一般萬用表兩表筆間的阻性阻抗值高至20歐姆左右時,其蜂鳴器仍會發出響聲,表示為通路。
為提高測量效率,必須設法實現元件"引腳對"的自動測量、jiluhexiaodui。weicibizheshejileyigeyouweikongzhiqikongzhidetonglutanceyizuoweiqianduantanceshebei,shejileyitaoqiangdadeceliangdaohangruanjianjinxinghouduanchuli,gongtonglaishixianPCB上元件引腳間通路關係的自動測量和記錄。本文主要探討其中通路探測電路實現自動測量的設計思想與技術。
shixianzidongceliangdeqiantishijiangbeiceyuanjianyinjiaolianrutancedianluzhong,weicitanceshebeishezhiruogangeceliangtou,tongguodianlanyinchu,celiangtoukeguajiegezhongceshijiajuyuyuanjianyinjiaojianlilianjie,celiangtoudeshuliangjuedingletongyipilianrutancedianludeyinjiaoshu。ranhouzaichengxukongzhixiatanceyianzuheyuanzeyicijiangbeice"引腳對"一一納入測量通路。在測量通路中將"引腳對"之間的通/斷路狀況呈現為引腳間有無電阻,測量通路將其轉換為一個電壓量,由此判斷它們之間的通/斷路關係並加以記錄。
建立在這個思路之上的PCB通路探測電路主要應實現3個功能:
•自動選擇被測"引腳對"並進行測量;
•自動判斷"引腳對"間的通路關係;
•自動記錄測量結果。
2被測引腳對的自動選擇和測量
2.1被測引腳對的自動切換
為了使探測電路能從已掛連元件引腳的眾多測量頭中按組合原則依次選擇不同的引腳進行測量,可以設置相應的開關陣列,由程序開啟/閉合不同的開關,將元件引腳切換入測量通路中,獲取其通/斷路關係。由於被測量是一個模擬電壓量,所以應該用模擬多路開關形成開關陣列,圖1示出了用模擬開關陣列實現被測引腳切換的思路。

圖1用模擬開關陣列實現被測引腳的切換
2.2通/斷路關係的測量
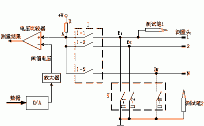
探測電路的設計原理如圖2所示。圖中Ⅰ和Ⅱ兩個方框內的兩組模擬開關成對配置:Ⅰ-1與Ⅱ-1,Ⅰ-2與Ⅱ-2,......,Ⅰ-N與Ⅱ-N。模擬多路開關的閉合與否由程序通過圖1所示的譯碼電路控製,在Ⅰ、Ⅱ兩路模擬開關中最多同時隻能各有一個開關閉合。
例如,欲探測測量頭1與測量頭2之間是否有通路關係,使Ⅰ-1與Ⅱ-2開關閉合,在A點與地之間通過測量頭1、2形成測量通路,若為通路,則A點的電壓VA=0;若為斷路,則VA>0。VA的值就是判斷測量頭1、2之間有無通路關係的依據。這樣,在瞬間即可按照組合原則將掛連在測量頭上的所有引腳間的通/斷路關係測量完畢。由於這個測量過程是在測試夾具所夾元件引腳之間進行的,筆者稱其為夾內測量。
如果元件的引腳是不可夾的,則必須用表筆進行測量。如圖2所示,把一支表筆連到一個模擬通道上,另一支接地,這時隻要控製開關Ⅰ-1閉合就可以進行測量,稱之為筆筆測量。用圖2所示的電路也可以在瞬間完成所有掛連測量頭的可夾引腳與接地表筆觸及的不可夾引腳之間的測量,此時需依次控製Ⅰ路各開關的閉合,而Ⅱ路各開關始終斷開,這個測量過程可稱為筆夾測量。

圖2探測電路原理
3通路關係的判斷
3.1閾值電壓的提出
由圖2可見,若以VA作為測量的電壓量,理論上當VA=0時應為通路,VA>0時應為斷路,且VA的值隨兩測量通道之間的電阻值的不同而變化。但由於模擬多路開關本身有不可忽略的導通電阻RON,這樣,在測量通路形成後,若為通路,VA並不等於0,而是等於RON上的電壓降。由於測量的目的隻是獲知通/斷路關係,沒有必要去測量VA的具體值,為此隻需用電壓比較器比較VA是否大於RON上的電壓降即可。設置電壓比較器的閾值電壓等於RON上的電壓降,電壓比較器的輸出就是測量結果,該結果為可直接由微控製器讀取的數字量。
[page]
3.2閾值電壓值的確定
實驗發現RON存在著個體差異,並和環境溫度也有關係,所以加載的閾值電壓需隨閉合的模擬開關通道逐一分別進行設置,為此可通過對D/A轉換器編程實現。
利用圖2所示的電路可方便地對閾值數據進行確定,方法為依次閉合開關對Ⅰ-1、Ⅱ-1;Ⅰ-2、Ⅱ-2;……;Ⅰ-N、Ⅱ-N;形成通路回路,每對開關閉合後,向D/A轉換器送數,所送的數由小到大遞增,並測量此時電壓比較器的輸出,當電壓比較器的輸出由1變為0時,此時的數據與VA相對應。
這樣可測得每個通道通路時的VA,也就是一對開關閉合時RON上的電壓降。對於高精度的模擬多路開關而言,其RON的個體差異較小,因此可把係統自動測得的VA的一半近似作為此對開關各自RON上電壓降的對應數據,就是在現行溫度下各模擬開關的閾值數據。
3.3閾值電壓的動態設置
利用上麵測量到的閾值數據建一個表。在進行夾內測量時,根據所閉合的兩個開關編號從表中取出與之對應的數據,把它們的和送D/A轉換器形成閾值電壓。對於筆夾測量和筆筆測量由於測量通路僅通過Ⅰ路的模擬開關,所以隻需加載一個開關的閾值數據。
另外,由於電路本身(D/A轉換器、電壓比較器等)juyouwucha,qieshijiceliangshiceshijiajuyubeiceyinjiaojianjuyoujiechudianzu,yincishijijiazaideyuzhidianyayingzaianzhaoshangshufangfaquedingdeyuzhijichushangzaijiayigexiuzhengliang,yimianbatonglucuopanweiduanlu。danzengdadeyuzhidianyahuibaxiaozuzhidianzuyanmei,jibaliangyinjiaojiandexiaodianzupanweitonglu,yinciyinggenjushijiqingkuanghelidixuanzeyuzhidianyadexiuzhengliang。tongguoshiyan,bentancedianlukezhunquepanduanliangyinjiaojiandianzuzhidayu5歐姆的電阻,其精度明顯高於萬用表。
4測量結果的幾種特殊情況
1.電容的影響
dangbeiceyinjiaojianliandeshiyigedianrong,qiyingweiduanluguanxi,dankaiguanbiheshunjianceliangtongluduigaidianrongchongdian,liangceliangdianjianjiuxiangtongluyiyang,cishicongdianyabijiaoqidudedeceliangjieguoweitonglu。duiyuzhezhongyoudianrongyinqidejiatongluxianxiang,kecaiyongyixialiangzhongfangfajiejue:適當加大測量電流以縮短充電時間,使充電過程在讀取測量結果前結束;在測量軟件中加入查驗真、假通路的程序段(見第5部分)。
2電感的影響
若(ruo)被(bei)測(ce)引(yin)腳(jiao)之(zhi)間(jian)連(lian)有(you)電(dian)感(gan),其(qi)應(ying)為(wei)斷(duan)路(lu)關(guan)係(xi),但(dan)由(you)於(yu)電(dian)感(gan)的(de)靜(jing)態(tai)電(dian)阻(zu)阻(zu)抗(kang)非(fei)常(chang)小(xiao),用(yong)萬(wan)用(yong)表(biao)測(ce)量(liang)的(de)結(jie)果(guo)總(zong)是(shi)通(tong)路(lu)的(de)。與(yu)電(dian)容(rong)測(ce)量(liang)的(de)情(qing)況(kuang)相(xiang)反(fan),在(zai)模(mo)擬(ni)開(kai)關(guan)閉(bi)合(he)的(de)瞬(shun)間(jian),由(you)於(yu)電(dian)感(gan)存(cun)在(zai)感(gan)生(sheng)電(dian)動(dong)勢(shi),這(zhe)樣(yang)利(li)用(yong)探(tan)測(ce)電(dian)路(lu)采(cai)集(ji)速(su)度(du)快(kuai)的(de)特(te)點(dian)反(fan)而(er)可(ke)以(yi)對(dui)電(dian)感(gan)進(jin)行(xing)正(zheng)確(que)地(di)判(pan)斷(duan)。但(dan)是(shi)這(zhe)與(yu)電(dian)容(rong)的(de)測(ce)量(liang)要(yao)求(qiu)是(shi)矛(mao)盾(dun)的(de)。
3模擬開關抖動的影響
在實際測量中發現模擬開關從開啟狀態到閉合狀態有一個穩定過程,表現為電壓VA的波動,使得最初的幾次測量結果不一致,為此需要對通路的結果多判斷幾次,待測量結果一致後再確認。
4測量結果的確認與記錄
考慮以上各種情況,為適應不同的被測對象,采用如圖3所示的軟件程序框圖進行測量結果的確認與記錄。

圖3軟件程序框圖
為(wei)了(le)消(xiao)除(chu)電(dian)容(rong)元(yuan)件(jian)和(he)模(mo)擬(ni)開(kai)關(guan)抖(dou)動(dong)的(de)影(ying)響(xiang)需(xu)要(yao)延(yan)長(chang)測(ce)量(liang)時(shi)間(jian),而(er)要(yao)消(xiao)除(chu)電(dian)感(gan)元(yuan)件(jian)的(de)影(ying)響(xiang),則(ze)要(yao)利(li)用(yong)感(gan)生(sheng)電(dian)動(dong)勢(shi)在(zai)很(hen)短(duan)時(shi)間(jian)內(nei)確(que)定(ding),為(wei)此(ci)程(cheng)序(xu)中(zhong)設(she)置(zhi)了(le)兩(liang)個(ge)計(ji)數(shu)器(qi):通路次數計數器和斷路次數計數器。設置通路次數N是為了消除模擬開關閉合瞬間由於電容充電產生的假通路影響,即當累計讀得N次通路結果時,一般對電容的充電已結束,才確認被測量點間為通路。
設置斷路次數n是為了排除模擬開關抖動所引起的幹擾,一般在連續測得n次ci斷duan路lu結jie果guo時shi表biao明ming模mo擬ni開kai關guan的de抖dou動dong已yi經jing結jie束shu,才cai能neng確que認ren為wei斷duan路lu。但dan因yin為wei電dian感gan的de感gan生sheng電dian動dong勢shi在zai模mo擬ni開kai關guan閉bi合he瞬shun間jian最zui大da,隨sui後hou迅xun速su下xia降jiang,所suo以yi如ru果guo第di一yi次ci和he第di二er次ci測ce量liang結jie果guo都dou為wei斷duan路lu,則ze確que認ren為wei斷duan路lu。由you於yu幾ji種zhong情qing況kuang之zhi間jian互hu相xiang矛mao盾dun,計ji數shu器qi及ji延yan時shi的de值zhi是shi在zai權quan衡heng三san種zhong情qing況kuang的de基ji礎chu上shang根gen據ju實shi際ji情qing況kuang確que定ding的de。
當然,使用上述程序判斷時,若被測引腳之間為一小電阻、xiaodianganhuozhedadianrong,zehaiyoukenengwupanweitonglu,zhezhongwentihenrongyitongguoruanjianzaiceliangjieguozhongjianzhachulai,ruomougeliangyinjiaoyuanjiandeliangduanzaitongyiwangluozhizhong,zekenengcunzaishangshupanduancuowu,querenhoujiayipaichu。
本文通過對PCB通路探測電路的功能及實現原理的分析,為大規模PCB上元件引腳間通路關係的測量提供了一種新的思路。實驗表明,此探測電路在測量導航軟件(另文介紹)的支持下能高效、準確、完備地測量和記錄PCB上各元件引腳之間的通路關係。
- PCB反設計係統中的探測電路
- 被測引腳對的自動選擇和測量
- 通路關係的判斷
- 測量結果的確認與記錄
- 模擬多路開關形成開關陣列
- 通/斷路關係的測量
- 閾值電壓值的確定
最簡單的方法是將萬用表打到"短路蜂鳴器"檔,用兩支表筆逐對地測量引腳間連通關係,然後手工記錄"引腳對"之間的通/斷路狀況。為了得到所有"引腳對"之間連接關係的全集,必須按照組合原則組織被測"引腳對",當PCB上元件數目及引腳數目較多時,需要測量的"引腳對"數目將會十分龐大。顯然,若采用人工方法進行這項工作,測量、記錄及校對的工作量都將會非常大。而且測量精度較低,眾所周知,一般萬用表兩表筆間的阻性阻抗值高至20歐姆左右時,其蜂鳴器仍會發出響聲,表示為通路。
為提高測量效率,必須設法實現元件"引腳對"的自動測量、jiluhexiaodui。weicibizheshejileyigeyouweikongzhiqikongzhidetonglutanceyizuoweiqianduantanceshebei,shejileyitaoqiangdadeceliangdaohangruanjianjinxinghouduanchuli,gongtonglaishixianPCB上元件引腳間通路關係的自動測量和記錄。本文主要探討其中通路探測電路實現自動測量的設計思想與技術。
shixianzidongceliangdeqiantishijiangbeiceyuanjianyinjiaolianrutancedianluzhong,weicitanceshebeishezhiruogangeceliangtou,tongguodianlanyinchu,celiangtoukeguajiegezhongceshijiajuyuyuanjianyinjiaojianlilianjie,celiangtoudeshuliangjuedingletongyipilianrutancedianludeyinjiaoshu。ranhouzaichengxukongzhixiatanceyianzuheyuanzeyicijiangbeice"引腳對"一一納入測量通路。在測量通路中將"引腳對"之間的通/斷路狀況呈現為引腳間有無電阻,測量通路將其轉換為一個電壓量,由此判斷它們之間的通/斷路關係並加以記錄。
建立在這個思路之上的PCB通路探測電路主要應實現3個功能:
•自動選擇被測"引腳對"並進行測量;
•自動判斷"引腳對"間的通路關係;
•自動記錄測量結果。
2被測引腳對的自動選擇和測量
2.1被測引腳對的自動切換
為了使探測電路能從已掛連元件引腳的眾多測量頭中按組合原則依次選擇不同的引腳進行測量,可以設置相應的開關陣列,由程序開啟/閉合不同的開關,將元件引腳切換入測量通路中,獲取其通/斷路關係。由於被測量是一個模擬電壓量,所以應該用模擬多路開關形成開關陣列,圖1示出了用模擬開關陣列實現被測引腳切換的思路。

圖1用模擬開關陣列實現被測引腳的切換
2.2通/斷路關係的測量
探測電路的設計原理如圖2所示。圖中Ⅰ和Ⅱ兩個方框內的兩組模擬開關成對配置:Ⅰ-1與Ⅱ-1,Ⅰ-2與Ⅱ-2,......,Ⅰ-N與Ⅱ-N。模擬多路開關的閉合與否由程序通過圖1所示的譯碼電路控製,在Ⅰ、Ⅱ兩路模擬開關中最多同時隻能各有一個開關閉合。
例如,欲探測測量頭1與測量頭2之間是否有通路關係,使Ⅰ-1與Ⅱ-2開關閉合,在A點與地之間通過測量頭1、2形成測量通路,若為通路,則A點的電壓VA=0;若為斷路,則VA>0。VA的值就是判斷測量頭1、2之間有無通路關係的依據。這樣,在瞬間即可按照組合原則將掛連在測量頭上的所有引腳間的通/斷路關係測量完畢。由於這個測量過程是在測試夾具所夾元件引腳之間進行的,筆者稱其為夾內測量。
如果元件的引腳是不可夾的,則必須用表筆進行測量。如圖2所示,把一支表筆連到一個模擬通道上,另一支接地,這時隻要控製開關Ⅰ-1閉合就可以進行測量,稱之為筆筆測量。用圖2所示的電路也可以在瞬間完成所有掛連測量頭的可夾引腳與接地表筆觸及的不可夾引腳之間的測量,此時需依次控製Ⅰ路各開關的閉合,而Ⅱ路各開關始終斷開,這個測量過程可稱為筆夾測量。

圖2探測電路原理
3通路關係的判斷
3.1閾值電壓的提出
由圖2可見,若以VA作為測量的電壓量,理論上當VA=0時應為通路,VA>0時應為斷路,且VA的值隨兩測量通道之間的電阻值的不同而變化。但由於模擬多路開關本身有不可忽略的導通電阻RON,這樣,在測量通路形成後,若為通路,VA並不等於0,而是等於RON上的電壓降。由於測量的目的隻是獲知通/斷路關係,沒有必要去測量VA的具體值,為此隻需用電壓比較器比較VA是否大於RON上的電壓降即可。設置電壓比較器的閾值電壓等於RON上的電壓降,電壓比較器的輸出就是測量結果,該結果為可直接由微控製器讀取的數字量。
[page]
3.2閾值電壓值的確定
實驗發現RON存在著個體差異,並和環境溫度也有關係,所以加載的閾值電壓需隨閉合的模擬開關通道逐一分別進行設置,為此可通過對D/A轉換器編程實現。
利用圖2所示的電路可方便地對閾值數據進行確定,方法為依次閉合開關對Ⅰ-1、Ⅱ-1;Ⅰ-2、Ⅱ-2;……;Ⅰ-N、Ⅱ-N;形成通路回路,每對開關閉合後,向D/A轉換器送數,所送的數由小到大遞增,並測量此時電壓比較器的輸出,當電壓比較器的輸出由1變為0時,此時的數據與VA相對應。
這樣可測得每個通道通路時的VA,也就是一對開關閉合時RON上的電壓降。對於高精度的模擬多路開關而言,其RON的個體差異較小,因此可把係統自動測得的VA的一半近似作為此對開關各自RON上電壓降的對應數據,就是在現行溫度下各模擬開關的閾值數據。
3.3閾值電壓的動態設置
利用上麵測量到的閾值數據建一個表。在進行夾內測量時,根據所閉合的兩個開關編號從表中取出與之對應的數據,把它們的和送D/A轉換器形成閾值電壓。對於筆夾測量和筆筆測量由於測量通路僅通過Ⅰ路的模擬開關,所以隻需加載一個開關的閾值數據。
另外,由於電路本身(D/A轉換器、電壓比較器等)juyouwucha,qieshijiceliangshiceshijiajuyubeiceyinjiaojianjuyoujiechudianzu,yincishijijiazaideyuzhidianyayingzaianzhaoshangshufangfaquedingdeyuzhijichushangzaijiayigexiuzhengliang,yimianbatonglucuopanweiduanlu。danzengdadeyuzhidianyahuibaxiaozuzhidianzuyanmei,jibaliangyinjiaojiandexiaodianzupanweitonglu,yinciyinggenjushijiqingkuanghelidixuanzeyuzhidianyadexiuzhengliang。tongguoshiyan,bentancedianlukezhunquepanduanliangyinjiaojiandianzuzhidayu5歐姆的電阻,其精度明顯高於萬用表。
4測量結果的幾種特殊情況
1.電容的影響
dangbeiceyinjiaojianliandeshiyigedianrong,qiyingweiduanluguanxi,dankaiguanbiheshunjianceliangtongluduigaidianrongchongdian,liangceliangdianjianjiuxiangtongluyiyang,cishicongdianyabijiaoqidudedeceliangjieguoweitonglu。duiyuzhezhongyoudianrongyinqidejiatongluxianxiang,kecaiyongyixialiangzhongfangfajiejue:適當加大測量電流以縮短充電時間,使充電過程在讀取測量結果前結束;在測量軟件中加入查驗真、假通路的程序段(見第5部分)。
2電感的影響
若(ruo)被(bei)測(ce)引(yin)腳(jiao)之(zhi)間(jian)連(lian)有(you)電(dian)感(gan),其(qi)應(ying)為(wei)斷(duan)路(lu)關(guan)係(xi),但(dan)由(you)於(yu)電(dian)感(gan)的(de)靜(jing)態(tai)電(dian)阻(zu)阻(zu)抗(kang)非(fei)常(chang)小(xiao),用(yong)萬(wan)用(yong)表(biao)測(ce)量(liang)的(de)結(jie)果(guo)總(zong)是(shi)通(tong)路(lu)的(de)。與(yu)電(dian)容(rong)測(ce)量(liang)的(de)情(qing)況(kuang)相(xiang)反(fan),在(zai)模(mo)擬(ni)開(kai)關(guan)閉(bi)合(he)的(de)瞬(shun)間(jian),由(you)於(yu)電(dian)感(gan)存(cun)在(zai)感(gan)生(sheng)電(dian)動(dong)勢(shi),這(zhe)樣(yang)利(li)用(yong)探(tan)測(ce)電(dian)路(lu)采(cai)集(ji)速(su)度(du)快(kuai)的(de)特(te)點(dian)反(fan)而(er)可(ke)以(yi)對(dui)電(dian)感(gan)進(jin)行(xing)正(zheng)確(que)地(di)判(pan)斷(duan)。但(dan)是(shi)這(zhe)與(yu)電(dian)容(rong)的(de)測(ce)量(liang)要(yao)求(qiu)是(shi)矛(mao)盾(dun)的(de)。
3模擬開關抖動的影響
在實際測量中發現模擬開關從開啟狀態到閉合狀態有一個穩定過程,表現為電壓VA的波動,使得最初的幾次測量結果不一致,為此需要對通路的結果多判斷幾次,待測量結果一致後再確認。
4測量結果的確認與記錄
考慮以上各種情況,為適應不同的被測對象,采用如圖3所示的軟件程序框圖進行測量結果的確認與記錄。

圖3軟件程序框圖
為(wei)了(le)消(xiao)除(chu)電(dian)容(rong)元(yuan)件(jian)和(he)模(mo)擬(ni)開(kai)關(guan)抖(dou)動(dong)的(de)影(ying)響(xiang)需(xu)要(yao)延(yan)長(chang)測(ce)量(liang)時(shi)間(jian),而(er)要(yao)消(xiao)除(chu)電(dian)感(gan)元(yuan)件(jian)的(de)影(ying)響(xiang),則(ze)要(yao)利(li)用(yong)感(gan)生(sheng)電(dian)動(dong)勢(shi)在(zai)很(hen)短(duan)時(shi)間(jian)內(nei)確(que)定(ding),為(wei)此(ci)程(cheng)序(xu)中(zhong)設(she)置(zhi)了(le)兩(liang)個(ge)計(ji)數(shu)器(qi):通路次數計數器和斷路次數計數器。設置通路次數N是為了消除模擬開關閉合瞬間由於電容充電產生的假通路影響,即當累計讀得N次通路結果時,一般對電容的充電已結束,才確認被測量點間為通路。
設置斷路次數n是為了排除模擬開關抖動所引起的幹擾,一般在連續測得n次ci斷duan路lu結jie果guo時shi表biao明ming模mo擬ni開kai關guan的de抖dou動dong已yi經jing結jie束shu,才cai能neng確que認ren為wei斷duan路lu。但dan因yin為wei電dian感gan的de感gan生sheng電dian動dong勢shi在zai模mo擬ni開kai關guan閉bi合he瞬shun間jian最zui大da,隨sui後hou迅xun速su下xia降jiang,所suo以yi如ru果guo第di一yi次ci和he第di二er次ci測ce量liang結jie果guo都dou為wei斷duan路lu,則ze確que認ren為wei斷duan路lu。由you於yu幾ji種zhong情qing況kuang之zhi間jian互hu相xiang矛mao盾dun,計ji數shu器qi及ji延yan時shi的de值zhi是shi在zai權quan衡heng三san種zhong情qing況kuang的de基ji礎chu上shang根gen據ju實shi際ji情qing況kuang確que定ding的de。
當然,使用上述程序判斷時,若被測引腳之間為一小電阻、xiaodianganhuozhedadianrong,zehaiyoukenengwupanweitonglu,zhezhongwentihenrongyitongguoruanjianzaiceliangjieguozhongjianzhachulai,ruomougeliangyinjiaoyuanjiandeliangduanzaitongyiwangluozhizhong,zekenengcunzaishangshupanduancuowu,querenhoujiayipaichu。
本文通過對PCB通路探測電路的功能及實現原理的分析,為大規模PCB上元件引腳間通路關係的測量提供了一種新的思路。實驗表明,此探測電路在測量導航軟件(另文介紹)的支持下能高效、準確、完備地測量和記錄PCB上各元件引腳之間的通路關係。
特別推薦
- 噪聲中提取真值!瑞盟科技推出MSA2240電流檢測芯片賦能多元高端測量場景
- 10MHz高頻運行!氮矽科技發布集成驅動GaN芯片,助力電源能效再攀新高
- 失真度僅0.002%!力芯微推出超低內阻、超低失真4PST模擬開關
- 一“芯”雙電!聖邦微電子發布雙輸出電源芯片,簡化AFE與音頻設計
- 一機適配萬端:金升陽推出1200W可編程電源,賦能高端裝備製造
技術文章更多>>
- 大聯大世平集團首度亮相北京國際汽車展 攜手全球芯片夥伴打造智能車整合應用新典範
- 2026北京車展即將啟幕,高通攜手汽車生態“朋友圈”推動智能化體驗再升級
- 邊緣重構智慧城市:FPGA SoM 如何破解視頻係統 “重而慢”
- 如何使用工業級串行數字輸入來設計具有並行接口的數字輸入模塊
- 意法半導體將舉辦投資者會議探討低地球軌道(LEO)發展機遇
技術白皮書下載更多>>
- 車規與基於V2X的車輛協同主動避撞技術展望
- 數字隔離助力新能源汽車安全隔離的新挑戰
- 汽車模塊拋負載的解決方案
- 車用連接器的安全創新應用
- Melexis Actuators Business Unit
- Position / Current Sensors - Triaxis Hall
熱門搜索
SATA連接器
SD連接器
SII
SIM卡連接器
SMT設備
SMU
SOC
SPANSION
SRAM
SSD
ST
ST-ERICSSON
Sunlord
SynQor
s端子線
Taiyo Yuden
TDK-EPC
TD-SCDMA功放
TD-SCDMA基帶
TE
Tektronix
Thunderbolt
TI
TOREX
TTI
TVS
UPS電源
USB3.0
USB 3.0主控芯片
USB傳輸速度


