安森美半導體應對智能電網挑戰的高能效解決方案
發布時間:2010-06-11 來源:電子元件技術網
中心議題:
多家市場調研機構預計,到2030年,可再生能源(如風力發電和太陽能發電)在全球能源消費總量中所占的份額將大幅上升。倡導節能減排、綠色發展對所有行業提出了新的要求,迎合低碳經濟時代的節能設計已成為能源企業和電子產品競爭力的重要體現。
市場機遇與挑戰
fazhankezaishengnengyuanshidashisuoqu。ertaiyangnenghefenglifadianshizhinengdianwangdezuchengbufen,tongshuyufenbushifadianfanchou。tuidongzhinengdianwangfazhankeyidailaixuduoyoushi,ruliyongshuangxiangtongxunshixianxuqiuduiyingguanli,huanheyongdiangaofeng,kuaisufaxianguzhang,bimiantingdianshigu,congershixiangenggaonengxiao、可靠性及安全性;智能地整合新的替代能源,並為電動和混合動力汽車提供電力;更好地調整能源供需,更高效地利用發電廠及電網,減少碳排放量;提供動態的費率表,幫助客戶優化總電能消費及電費支出,改善客戶服務;及遠程讀表及遠程通電和斷電可以節省人力成本,提高運營效率等。
在推進可持續發展的共識下,中國目前正在大力發展太陽能、fengnengdengchanye,qianjingkanhao。qizhongtaiyangnenglingyudejishuyijingriquchengshu,taiyangnengfadiandengdouhuodelechangzufazhan,taiyangnengjiedaozhaomingyeyuelaiyueshoudaoqinglai。ciwai,weidaoruxinyidaizhinengdianwangerwanshandianlijichusheshi,zhongguozhengfuzhidingledao2020年投入4萬億元人民幣的宏偉目標,其中的“堅強的智能化電網(Strong&Smart Grid)”的概念已在上海世博會展示。
buguo,zaifazhankezaishengnengyuanheshengjigaizaoxianyoudianwangdetongshi,yemianlinzhebushaotiaozhan。duibandaotixingyelaishuo,zuidadetiaozhanmoguoyunengliangzhuanhuan,yinweifazhankezaishengnengyuandeguanjianzaiyuyouhuanengxiao。yitaiyangnenggongdiandeLED街道照明為例,這種應用需要高效可靠的太陽能板充電控製器,以及LED驅動器等關鍵器件,需求相當可觀。而智能電網從發電、配電和現場區域網到智能電表通信及家庭區域網,也都需要諸多電子元器件。其中包括功率因數控製器、交流-直流(AC-DC)和直流-直流(DC-DC)控製器、穩壓器、MOSFET、三端雙向可控矽開關元件(TRIAC)、電力線載波調製解調器、濾波、輸入/輸出(I/O)及數據保護、線路驅動器及信號放大器、LCD背光驅動器、EEPROM存儲器及智能卡接口等。
應用於智能電網的高能效解決方案示例
1. 提升太陽能電池板光電轉換能效的方案
近(jin)年(nian)來(lai),業(ye)界(jie)越(yue)來(lai)越(yue)關(guan)注(zhu)利(li)用(yong)可(ke)再(zai)生(sheng)清(qing)潔(jie)能(neng)源(yuan)太(tai)陽(yang)能(neng)的(de)街(jie)道(dao)照(zhao)明(ming)。對(dui)於(yu)太(tai)陽(yang)能(neng)街(jie)燈(deng)而(er)言(yan),提(ti)高(gao)太(tai)陽(yang)能(neng)電(dian)池(chi)板(ban)的(de)光(guang)電(dian)轉(zhuan)換(huan)能(neng)效(xiao)非(fei)常(chang)重(zhong)要(yao)。太(tai)陽(yang)能(neng)電(dian)池(chi)板(ban)的(de)電(dian)壓(ya)-電流(V-I)特性曲線呈現非線性和可變性,要從中獲取最大量的電能非常困難。這需要太陽能LED街燈的充電控製器及其他相關電子電路(一般采用微控製器來實現)盡可能采用有效的控製方法來提高能效。
安森美半導體的CS51221增強型電壓模式PWM控製器就是一種可提高太陽能電池板能效的器件。它可以控製太陽能板電池充電,支持最大峰值功率追蹤(MPPT)功能,為太陽能電池不斷變化的V-I特性曲線提供補償,優化太陽能電池的功率輸出,提高能效,並使蓄電池充電至優化電量。
在應用電路中,需要為CS51221選擇合適的拓撲結構。該拓撲結構要能夠在一個蓄電池的情況下將太陽能板輸出電壓降至12V,而在兩個或多個蓄電池情況下也能輕易修改,支持升壓至24V。CS51221本身能夠配置為正激、反激或升壓拓撲結構。在針對太陽能板充電控製應用推出的參考設計中,安森美半導體選擇的是反激拓撲結構。
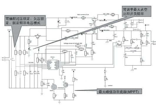
在應用中,通過在ISET引yin腳jiao動dong態tai調tiao節jie電dian流liu限xian製zhi,從cong而er實shi現xian最zui大da峰feng值zhi功gong率lv追zhui蹤zong功gong能neng。一yi旦dan輸shu入ru電dian壓ya逐zhu脈mai衝chong下xia降jiang,電dian流liu限xian製zhi就jiu會hui被bei降jiang低di,直zhi至zhi輸shu入ru電dian壓ya恢hui複fu。這zhe種zhong方fang式shi無wu需xu使shi用yong價jia格ge昂ang貴gui的de微wei控kong製zhi器qi。這zhe樣yang實shi現xian的de充chong電dian控kong製zhi器qi會hui發fa現xian峰feng值zhi功gong率lv點dian並bing進jin行xing動dong態tai調tiao節jie,使shi其qi符fu合he不bu斷duan變bian化hua的de電dian源yuan特te性xing。實shi際ji上shang,通tong過guo采cai用yong最zui大da峰feng值zhi功gong率lv追zhui蹤zong技ji術shu,可ke以yi將jiang較jiao以yi往wang多duo30%的電荷從太陽能板傳輸至蓄電池,這樣太陽能街燈係統就可以采用尺寸更小的太陽能板,從而帶來顯著的成本效益。圖1是采用安森美半導體CS51221控製器的太陽能板充電控製應用示意圖。
2. 智能電網方案
今天的電網已變得比以往更大、更安全,具有更高的能效,但其智能化程度仍然偏低,所以智能電網是當今的重要發展趨勢。
安森美半導體已投入並正大量投資智能電網研發,涵蓋所有產品線,包括電源轉換模擬IC、信號IC(如低噪聲放大器)、功率分立器件(高壓MOSFET、IGBT、整流器)、混合信號IC(智能卡接口IC、時鍾及時序IC)、通信IC(如PLC調製解調器)、邏輯IC、存儲器IC,及標準分立器件(保護、濾波器)。
智zhi能neng電dian網wang的de核he心xin就jiu是shi智zhi能neng電dian表biao,借jie助zhu智zhi能neng電dian表biao,電dian力li公gong司si能neng夠gou知zhi道dao用yong戶hu在zai什shen麼me時shi間jian使shi用yong了le多duo少shao電dian能neng,便bian於yu他ta們men提ti供gong差cha異yi化hua的de定ding價jia,幫bang助zhu用yong戶hu優you化hua其qi總zong體ti電dian能neng消xiao費fei和he電dian費fei支zhi出chu。
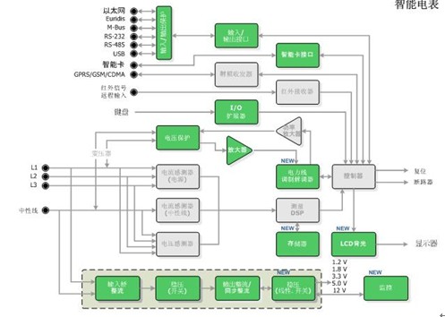
安森美半導體應用於智能電表的方案包含一係列標準產品、專用標準產品(ASSP)及專用集成電路(ASIC),可以提供智能電表的4種基本功能,包括:電源/電源管理、計量、寄存及通信。圖2是由安森美半導體的多種器件(圖中綠色部分)構成的智能電表應用。
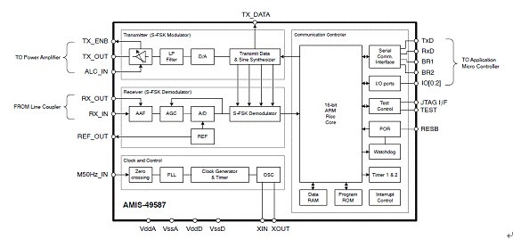
AMIS-49587符合IEC1334標準,有助於簡化設計、降低開發及應用成本,並加速上市進程。該器件基於ARM7TDMI處理器內核,包含物理接口收發器(PHY)和媒體訪問控製器(MAC)層,而大多數競爭方案都需要複雜的嵌入式軟件來執行與AMIS-49587相同的功能。該器件采用擴頻型移頻鍵控(S-FSK)調製技術,結合精確的濾波,為長距離電力線提供可靠的低數據率通信,以及2,400 bps(波特)的半雙工可調節通信速率。不到20千赫(kHz)的低工作頻率配以自動中繼器(repeater)功能,令通信更可靠,通信誤差比其他及現有方案更低。圖3是AMIS-49587的方框圖。
- 半導體器件肩負綠色發展重任
- 智能電網的高能效解決方案示例
- CS51221提高太陽能電池板光電轉換能效
- AMIS-49587簡化智能電表設計、加速上市進程
多家市場調研機構預計,到2030年,可再生能源(如風力發電和太陽能發電)在全球能源消費總量中所占的份額將大幅上升。倡導節能減排、綠色發展對所有行業提出了新的要求,迎合低碳經濟時代的節能設計已成為能源企業和電子產品競爭力的重要體現。
市場機遇與挑戰
fazhankezaishengnengyuanshidashisuoqu。ertaiyangnenghefenglifadianshizhinengdianwangdezuchengbufen,tongshuyufenbushifadianfanchou。tuidongzhinengdianwangfazhankeyidailaixuduoyoushi,ruliyongshuangxiangtongxunshixianxuqiuduiyingguanli,huanheyongdiangaofeng,kuaisufaxianguzhang,bimiantingdianshigu,congershixiangenggaonengxiao、可靠性及安全性;智能地整合新的替代能源,並為電動和混合動力汽車提供電力;更好地調整能源供需,更高效地利用發電廠及電網,減少碳排放量;提供動態的費率表,幫助客戶優化總電能消費及電費支出,改善客戶服務;及遠程讀表及遠程通電和斷電可以節省人力成本,提高運營效率等。
在推進可持續發展的共識下,中國目前正在大力發展太陽能、fengnengdengchanye,qianjingkanhao。qizhongtaiyangnenglingyudejishuyijingriquchengshu,taiyangnengfadiandengdouhuodelechangzufazhan,taiyangnengjiedaozhaomingyeyuelaiyueshoudaoqinglai。ciwai,weidaoruxinyidaizhinengdianwangerwanshandianlijichusheshi,zhongguozhengfuzhidingledao2020年投入4萬億元人民幣的宏偉目標,其中的“堅強的智能化電網(Strong&Smart Grid)”的概念已在上海世博會展示。
buguo,zaifazhankezaishengnengyuanheshengjigaizaoxianyoudianwangdetongshi,yemianlinzhebushaotiaozhan。duibandaotixingyelaishuo,zuidadetiaozhanmoguoyunengliangzhuanhuan,yinweifazhankezaishengnengyuandeguanjianzaiyuyouhuanengxiao。yitaiyangnenggongdiandeLED街道照明為例,這種應用需要高效可靠的太陽能板充電控製器,以及LED驅動器等關鍵器件,需求相當可觀。而智能電網從發電、配電和現場區域網到智能電表通信及家庭區域網,也都需要諸多電子元器件。其中包括功率因數控製器、交流-直流(AC-DC)和直流-直流(DC-DC)控製器、穩壓器、MOSFET、三端雙向可控矽開關元件(TRIAC)、電力線載波調製解調器、濾波、輸入/輸出(I/O)及數據保護、線路驅動器及信號放大器、LCD背光驅動器、EEPROM存儲器及智能卡接口等。
應用於智能電網的高能效解決方案示例
1. 提升太陽能電池板光電轉換能效的方案
近(jin)年(nian)來(lai),業(ye)界(jie)越(yue)來(lai)越(yue)關(guan)注(zhu)利(li)用(yong)可(ke)再(zai)生(sheng)清(qing)潔(jie)能(neng)源(yuan)太(tai)陽(yang)能(neng)的(de)街(jie)道(dao)照(zhao)明(ming)。對(dui)於(yu)太(tai)陽(yang)能(neng)街(jie)燈(deng)而(er)言(yan),提(ti)高(gao)太(tai)陽(yang)能(neng)電(dian)池(chi)板(ban)的(de)光(guang)電(dian)轉(zhuan)換(huan)能(neng)效(xiao)非(fei)常(chang)重(zhong)要(yao)。太(tai)陽(yang)能(neng)電(dian)池(chi)板(ban)的(de)電(dian)壓(ya)-電流(V-I)特性曲線呈現非線性和可變性,要從中獲取最大量的電能非常困難。這需要太陽能LED街燈的充電控製器及其他相關電子電路(一般采用微控製器來實現)盡可能采用有效的控製方法來提高能效。
安森美半導體的CS51221增強型電壓模式PWM控製器就是一種可提高太陽能電池板能效的器件。它可以控製太陽能板電池充電,支持最大峰值功率追蹤(MPPT)功能,為太陽能電池不斷變化的V-I特性曲線提供補償,優化太陽能電池的功率輸出,提高能效,並使蓄電池充電至優化電量。
在應用電路中,需要為CS51221選擇合適的拓撲結構。該拓撲結構要能夠在一個蓄電池的情況下將太陽能板輸出電壓降至12V,而在兩個或多個蓄電池情況下也能輕易修改,支持升壓至24V。CS51221本身能夠配置為正激、反激或升壓拓撲結構。在針對太陽能板充電控製應用推出的參考設計中,安森美半導體選擇的是反激拓撲結構。
在應用中,通過在ISET引yin腳jiao動dong態tai調tiao節jie電dian流liu限xian製zhi,從cong而er實shi現xian最zui大da峰feng值zhi功gong率lv追zhui蹤zong功gong能neng。一yi旦dan輸shu入ru電dian壓ya逐zhu脈mai衝chong下xia降jiang,電dian流liu限xian製zhi就jiu會hui被bei降jiang低di,直zhi至zhi輸shu入ru電dian壓ya恢hui複fu。這zhe種zhong方fang式shi無wu需xu使shi用yong價jia格ge昂ang貴gui的de微wei控kong製zhi器qi。這zhe樣yang實shi現xian的de充chong電dian控kong製zhi器qi會hui發fa現xian峰feng值zhi功gong率lv點dian並bing進jin行xing動dong態tai調tiao節jie,使shi其qi符fu合he不bu斷duan變bian化hua的de電dian源yuan特te性xing。實shi際ji上shang,通tong過guo采cai用yong最zui大da峰feng值zhi功gong率lv追zhui蹤zong技ji術shu,可ke以yi將jiang較jiao以yi往wang多duo30%的電荷從太陽能板傳輸至蓄電池,這樣太陽能街燈係統就可以采用尺寸更小的太陽能板,從而帶來顯著的成本效益。圖1是采用安森美半導體CS51221控製器的太陽能板充電控製應用示意圖。
圖1:采用安森美半導體CS51221控製器的太陽能板充電控製應用
此外,安森美半導體的NCP3066恒流降壓穩壓器也能用於太陽能街燈的LED驅動應用,提供係統所需的功率及光輸出,並具有極高的能效。
2. 智能電網方案
今天的電網已變得比以往更大、更安全,具有更高的能效,但其智能化程度仍然偏低,所以智能電網是當今的重要發展趨勢。
安森美半導體已投入並正大量投資智能電網研發,涵蓋所有產品線,包括電源轉換模擬IC、信號IC(如低噪聲放大器)、功率分立器件(高壓MOSFET、IGBT、整流器)、混合信號IC(智能卡接口IC、時鍾及時序IC)、通信IC(如PLC調製解調器)、邏輯IC、存儲器IC,及標準分立器件(保護、濾波器)。
智zhi能neng電dian網wang的de核he心xin就jiu是shi智zhi能neng電dian表biao,借jie助zhu智zhi能neng電dian表biao,電dian力li公gong司si能neng夠gou知zhi道dao用yong戶hu在zai什shen麼me時shi間jian使shi用yong了le多duo少shao電dian能neng,便bian於yu他ta們men提ti供gong差cha異yi化hua的de定ding價jia,幫bang助zhu用yong戶hu優you化hua其qi總zong體ti電dian能neng消xiao費fei和he電dian費fei支zhi出chu。
安森美半導體應用於智能電表的方案包含一係列標準產品、專用標準產品(ASSP)及專用集成電路(ASIC),可以提供智能電表的4種基本功能,包括:電源/電源管理、計量、寄存及通信。圖2是由安森美半導體的多種器件(圖中綠色部分)構成的智能電表應用。
圖2:由安森美半導體的多種產品構成的智能電表應用

全集成電力線載波(PLC)調製解調器AMIS-49587是圖2應用中的一個關鍵器件。該器件可提供高集成度、符合標準的低功率PLC方案,可應用於智能電力自動讀表及管理、街道照明控製、智能電力插頭(power plug)和建築物自動化等領域。AMIS-49587利用安森美半導體的混合信號技術,在一個集成電路中集成了模擬調製解調器前端和數字後處理功能。
AMIS-49587符合IEC1334標準,有助於簡化設計、降低開發及應用成本,並加速上市進程。該器件基於ARM7TDMI處理器內核,包含物理接口收發器(PHY)和媒體訪問控製器(MAC)層,而大多數競爭方案都需要複雜的嵌入式軟件來執行與AMIS-49587相同的功能。該器件采用擴頻型移頻鍵控(S-FSK)調製技術,結合精確的濾波,為長距離電力線提供可靠的低數據率通信,以及2,400 bps(波特)的半雙工可調節通信速率。不到20千赫(kHz)的低工作頻率配以自動中繼器(repeater)功能,令通信更可靠,通信誤差比其他及現有方案更低。圖3是AMIS-49587的方框圖。
圖3:AMIS-49587方框圖


總結
在政府節能規範及各種能效計劃的推動下,可再生能源和新興的智能電表市場增長潛力巨大。在這一過程中,半導體器件將以其低能耗、高能效、高可靠性、高速度、高智能性、小尺寸等綜合優勢肩負重任。
安森美半導體擁有基於先進技術及龐大生產規模的寬廣產品陣容,應對智能電網的市場機遇與挑戰,包括標準產品、ASSP及ASIC。在技術上涵蓋了從極高壓(700 V)技術(用於開發電源/電源管理中的模擬電源轉換IC),到亞微米0.11 um CMOS技術(在單個矽芯片上集成微控製器核心和混合信號模擬電路),以及高壓MOSFET、IGBT及整流器。
在政府節能規範及各種能效計劃的推動下,可再生能源和新興的智能電表市場增長潛力巨大。在這一過程中,半導體器件將以其低能耗、高能效、高可靠性、高速度、高智能性、小尺寸等綜合優勢肩負重任。
安森美半導體擁有基於先進技術及龐大生產規模的寬廣產品陣容,應對智能電網的市場機遇與挑戰,包括標準產品、ASSP及ASIC。在技術上涵蓋了從極高壓(700 V)技術(用於開發電源/電源管理中的模擬電源轉換IC),到亞微米0.11 um CMOS技術(在單個矽芯片上集成微控製器核心和混合信號模擬電路),以及高壓MOSFET、IGBT及整流器。
特別推薦
- 噪聲中提取真值!瑞盟科技推出MSA2240電流檢測芯片賦能多元高端測量場景
- 10MHz高頻運行!氮矽科技發布集成驅動GaN芯片,助力電源能效再攀新高
- 失真度僅0.002%!力芯微推出超低內阻、超低失真4PST模擬開關
- 一“芯”雙電!聖邦微電子發布雙輸出電源芯片,簡化AFE與音頻設計
- 一機適配萬端:金升陽推出1200W可編程電源,賦能高端裝備製造
技術文章更多>>
- 2026藍牙亞洲大會暨展覽在深啟幕
- H橋降壓-升壓電路中的交替控製與帶寬優化
- Tektronix 助力二維材料器件與芯片研究與創新
- 800V AI算力時代,GaN從“備選”變“剛需”?
- 大聯大世平集團首度亮相北京國際汽車展 攜手全球芯片夥伴打造智能車整合應用新典範
技術白皮書下載更多>>
- 車規與基於V2X的車輛協同主動避撞技術展望
- 數字隔離助力新能源汽車安全隔離的新挑戰
- 汽車模塊拋負載的解決方案
- 車用連接器的安全創新應用
- Melexis Actuators Business Unit
- Position / Current Sensors - Triaxis Hall
熱門搜索




