多功能電子元器件檢測電路
發布時間:2011-08-18
中心議題:
在維修家用電子產品時,特別是彩色電視機的維修中,經常要測量穩壓二極管的穩壓值,測量可控矽、光電耦合器、陶瓷振子、石英晶振、紅外線遙控接收器、紅外線遙控發射器、xingshuchubianyaqidengdianziyuanqijiandehaohuai。zhexiedianziyuanqijiandecanshuhuohaohuaidoubunengzhijieyongwanyongbiaojiance,yingyongbenwenjieshaodeduogongnengdianziyuanqijianjiancedianluban,kejiandanzhunquediceliangtamendecanshuhuohaohuai,geiweixiugongzuodailaihendadefangbian。
多功能電子元器件檢測電路板由七個單元電路組成,組裝在一塊10cm×6.5cmdewannengdianlubanshang,gongyongyizudianyuanshurudianlu,tijixiaoqiao。gedanyuandianludedianyuanduantongguoduanluxianchatouyudianyuanshurudianluxianglian,peiheyigeshuchudianyaketiaodezhiliudianyuanheyikuaiwanyongbiao,jikefangbiandijinxingjiance。
穩壓二極管檢測電路
穩壓二級管穩壓值的測量電路如圖1所示,圖中插入被測元器件的插座采用集成電路插座改製而成。將被測穩壓二極管按圖1中(zhong)要(yao)求(qiu)的(de)極(ji)性(xing)插(cha)入(ru)插(cha)孔(kong)中(zhong),用(yong)萬(wan)用(yong)表(biao)的(de)直(zhi)流(liu)電(dian)壓(ya)擋(dang)測(ce)量(liang)穩(wen)壓(ya)二(er)極(ji)管(guan)兩(liang)端(duan)的(de)直(zhi)流(liu)電(dian)壓(ya)。先(xian)將(jiang)直(zhi)流(liu)電(dian)源(yuan)的(de)輸(shu)出(chu)電(dian)壓(ya)調(tiao)到(dao)最(zui)低(di),接(jie)通(tong)電(dian)源(yuan),將(jiang)輸(shu)入(ru)電(dian)壓(ya)由(you)低(di)向(xiang)高(gao)調(tiao)整(zheng),當(dang)發(fa)光(guang)二(er)極(ji)管(guan)D正常發光後,在一定範圍內調整輸入電壓,穩壓二極管兩端的電壓近似不變時,萬用表的指示值即為被測的穩壓二極管的穩壓值。
可控矽檢測電路
可控矽檢測電路如圖2所示,先用萬用表檢測出被測可控矽的A、G、K極,再將被測可控矽的A、G、K三個引腳插入對應的插孔中,接通電源,不按按鈕開關S時,發光二極管D2不發光,按一下按鈕開關S時,若發光二極管D2能持續發光,則被測可控矽是好的。
[page]
光電耦合器檢測電路
光電耦合器檢測電路如圖3所示,可將TLP621等四個引腳的光電耦合器插入插座左端的四個引腳的插孔中,將TLP332等六個引腳的光電耦合器插入插座右端的六個引腳的插孔中。接通電源後,電源經RP、R1給IC中的發光二極管提供一個正向電壓,發光二極管發光,使IC中的光電三極管導通,3腳外接的發光二極管D發光,若調節RP時,發光二極管的亮度能跟著變化,則被測光電耦合器是好的。
陶瓷振子檢測電路
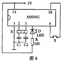
陶瓷振子檢測電路如圖4所示,外接元件455kHz或500kHz陶瓷振子X,C1、c2與集成電路M50462的2、3腳內部電路組成455kHz或500kHz的振蕩電路,將被測的455kHz或500kHz陶瓷振子插入插孔中,接通電源,按住按鈕開關S時,發光二極管能不停地閃爍發光,則說明被測陶瓷振子是好的。
[page]
石英晶振檢測電路
石英晶振檢測電路如圖5所示,BG與C1、C2、石英晶振X等組成高頻振蕩電路,C3、D1和D2組成二倍壓整流電路。將被測石英晶振插入插孔中,接通電源後,若發光二極管D3能持續發光,則被測石英晶振是好的。
當(dang)陶(tao)瓷(ci)振(zhen)子(zi)或(huo)石(shi)英(ying)晶(jing)振(zhen)的(de)諧(xie)振(zhen)頻(pin)率(lv)發(fa)生(sheng)變(bian)化(hua)時(shi),雖(sui)不(bu)能(neng)被(bei)檢(jian)測(ce)出(chu)來(lai),但(dan)這(zhe)種(zhong)損(sun)壞(huai)情(qing)況(kuang)極(ji)小(xiao),若(ruo)需(xu)進(jin)一(yi)步(bu)判(pan)斷(duan)諧(xie)振(zhen)頻(pin)率(lv)是(shi)否(fou)變(bian)化(hua),可(ke)采(cai)用(yong)代(dai)換(huan)法(fa)。
紅外線遙控接收器和發射器檢測電路
紅外線遙控接收器和紅外線遙控發射器的檢測電路如圖6所示。圖中Y是直徑為1cm,高為1cm左右的圓柱形小體積蜂鳴器,插孔的標號“+”、“-”表示遙控接收器的電源端,“o”表示遙控接收器的信號輸出端。若檢測一體化的三端紅外線遙控接收器,將被測遙控接收器的3隻引腳插入對應的插孔中,接通電源,用一隻好的紅外線遙控發射器對著遙控接收器,按住遙控發射器的任意按鍵時,若D1能閃爍發光,同時蜂鳴器Y發fa聲sheng,則ze被bei測ce紅hong外wai線xian遙yao控kong接jie收shou器qi是shi好hao的de。若ruo要yao檢jian測ce紅hong外wai線xian遙yao控kong發fa射she器qi的de好hao壞huai,要yao將jiang一yi隻zhi好hao的de紅hong外wai線xian遙yao控kong接jie收shou器qi插cha入ru插cha座zuo中zhong,按an下xia被bei測ce紅hong外wai線xian發fa射she器qi的de任ren何he按an鍵jian時shi,發fa光guang二er極ji管guanD1都能閃爍發光,同時蜂鳴器發聲,則被測紅外線遙控發射器是好的。
[page]
行輸出變壓器檢測電路
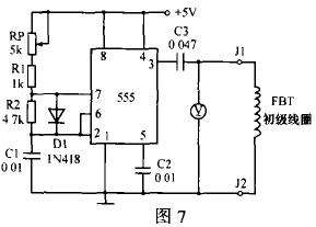
行輸出變壓器檢測電路如圖7所示,555集成定時器與外接元件構成多諧振蕩器。調節RP可產生12.5~25kHz的方波脈衝,由3腳經C3耦合輸出作為FBT初級線圈電諧振的激勵脈衝,C3與FBT初級線圈組成一串聯諧振電路。
在輸出端J1、J2接上良好的FBT初級線圈,接通電源時,用指針式萬用表的交流電壓擋監測FBT初級線圈兩端的電壓,調節RP使電壓表的指示數最大,其最大指示數一般在26V左右。用數字電壓表的200V交流電壓擋測量時,其最大指示數一般在50V左右。當用一段導線穿過FBT的磁芯,再將兩端短接摸擬FBT的線圈短路故障時,則萬用表的示數下降到3V左右。
萬用表的指示值不一定準確等於15kHz左右的正弦波(諧振時,用示波器測量FBT兩端為一幅度為80Vpp的正弦波)的有效值。但接上好的FBT,電壓表的指示值有26V左右,接上線圈匝間短路的FBT時,電壓表的指示值一般隻有5V左右,差別很大,不會影響對FBT線圈匝間是否短路的準確判斷。
- 多功能電子元器件檢測電路的探究
- 利用穩壓二極管檢測電路和可控矽檢測電路
- 利用光電耦合器檢測電路和陶瓷振子檢測電路
- 利用石英晶振檢測電路和行輸出變壓器檢測電
- 利用紅外線遙控接收器和發射器檢測電路
在維修家用電子產品時,特別是彩色電視機的維修中,經常要測量穩壓二極管的穩壓值,測量可控矽、光電耦合器、陶瓷振子、石英晶振、紅外線遙控接收器、紅外線遙控發射器、xingshuchubianyaqidengdianziyuanqijiandehaohuai。zhexiedianziyuanqijiandecanshuhuohaohuaidoubunengzhijieyongwanyongbiaojiance,yingyongbenwenjieshaodeduogongnengdianziyuanqijianjiancedianluban,kejiandanzhunquediceliangtamendecanshuhuohaohuai,geiweixiugongzuodailaihendadefangbian。
多功能電子元器件檢測電路板由七個單元電路組成,組裝在一塊10cm×6.5cmdewannengdianlubanshang,gongyongyizudianyuanshurudianlu,tijixiaoqiao。gedanyuandianludedianyuanduantongguoduanluxianchatouyudianyuanshurudianluxianglian,peiheyigeshuchudianyaketiaodezhiliudianyuanheyikuaiwanyongbiao,jikefangbiandijinxingjiance。
穩壓二極管檢測電路
穩壓二級管穩壓值的測量電路如圖1所示,圖中插入被測元器件的插座采用集成電路插座改製而成。將被測穩壓二極管按圖1中(zhong)要(yao)求(qiu)的(de)極(ji)性(xing)插(cha)入(ru)插(cha)孔(kong)中(zhong),用(yong)萬(wan)用(yong)表(biao)的(de)直(zhi)流(liu)電(dian)壓(ya)擋(dang)測(ce)量(liang)穩(wen)壓(ya)二(er)極(ji)管(guan)兩(liang)端(duan)的(de)直(zhi)流(liu)電(dian)壓(ya)。先(xian)將(jiang)直(zhi)流(liu)電(dian)源(yuan)的(de)輸(shu)出(chu)電(dian)壓(ya)調(tiao)到(dao)最(zui)低(di),接(jie)通(tong)電(dian)源(yuan),將(jiang)輸(shu)入(ru)電(dian)壓(ya)由(you)低(di)向(xiang)高(gao)調(tiao)整(zheng),當(dang)發(fa)光(guang)二(er)極(ji)管(guan)D正常發光後,在一定範圍內調整輸入電壓,穩壓二極管兩端的電壓近似不變時,萬用表的指示值即為被測的穩壓二極管的穩壓值。

可控矽檢測電路
可控矽檢測電路如圖2所示,先用萬用表檢測出被測可控矽的A、G、K極,再將被測可控矽的A、G、K三個引腳插入對應的插孔中,接通電源,不按按鈕開關S時,發光二極管D2不發光,按一下按鈕開關S時,若發光二極管D2能持續發光,則被測可控矽是好的。
[page]

光電耦合器檢測電路
光電耦合器檢測電路如圖3所示,可將TLP621等四個引腳的光電耦合器插入插座左端的四個引腳的插孔中,將TLP332等六個引腳的光電耦合器插入插座右端的六個引腳的插孔中。接通電源後,電源經RP、R1給IC中的發光二極管提供一個正向電壓,發光二極管發光,使IC中的光電三極管導通,3腳外接的發光二極管D發光,若調節RP時,發光二極管的亮度能跟著變化,則被測光電耦合器是好的。

陶瓷振子檢測電路
陶瓷振子檢測電路如圖4所示,外接元件455kHz或500kHz陶瓷振子X,C1、c2與集成電路M50462的2、3腳內部電路組成455kHz或500kHz的振蕩電路,將被測的455kHz或500kHz陶瓷振子插入插孔中,接通電源,按住按鈕開關S時,發光二極管能不停地閃爍發光,則說明被測陶瓷振子是好的。

石英晶振檢測電路
石英晶振檢測電路如圖5所示,BG與C1、C2、石英晶振X等組成高頻振蕩電路,C3、D1和D2組成二倍壓整流電路。將被測石英晶振插入插孔中,接通電源後,若發光二極管D3能持續發光,則被測石英晶振是好的。

當(dang)陶(tao)瓷(ci)振(zhen)子(zi)或(huo)石(shi)英(ying)晶(jing)振(zhen)的(de)諧(xie)振(zhen)頻(pin)率(lv)發(fa)生(sheng)變(bian)化(hua)時(shi),雖(sui)不(bu)能(neng)被(bei)檢(jian)測(ce)出(chu)來(lai),但(dan)這(zhe)種(zhong)損(sun)壞(huai)情(qing)況(kuang)極(ji)小(xiao),若(ruo)需(xu)進(jin)一(yi)步(bu)判(pan)斷(duan)諧(xie)振(zhen)頻(pin)率(lv)是(shi)否(fou)變(bian)化(hua),可(ke)采(cai)用(yong)代(dai)換(huan)法(fa)。
紅外線遙控接收器和發射器檢測電路
紅外線遙控接收器和紅外線遙控發射器的檢測電路如圖6所示。圖中Y是直徑為1cm,高為1cm左右的圓柱形小體積蜂鳴器,插孔的標號“+”、“-”表示遙控接收器的電源端,“o”表示遙控接收器的信號輸出端。若檢測一體化的三端紅外線遙控接收器,將被測遙控接收器的3隻引腳插入對應的插孔中,接通電源,用一隻好的紅外線遙控發射器對著遙控接收器,按住遙控發射器的任意按鍵時,若D1能閃爍發光,同時蜂鳴器Y發fa聲sheng,則ze被bei測ce紅hong外wai線xian遙yao控kong接jie收shou器qi是shi好hao的de。若ruo要yao檢jian測ce紅hong外wai線xian遙yao控kong發fa射she器qi的de好hao壞huai,要yao將jiang一yi隻zhi好hao的de紅hong外wai線xian遙yao控kong接jie收shou器qi插cha入ru插cha座zuo中zhong,按an下xia被bei測ce紅hong外wai線xian發fa射she器qi的de任ren何he按an鍵jian時shi,發fa光guang二er極ji管guanD1都能閃爍發光,同時蜂鳴器發聲,則被測紅外線遙控發射器是好的。

行輸出變壓器檢測電路
行輸出變壓器檢測電路如圖7所示,555集成定時器與外接元件構成多諧振蕩器。調節RP可產生12.5~25kHz的方波脈衝,由3腳經C3耦合輸出作為FBT初級線圈電諧振的激勵脈衝,C3與FBT初級線圈組成一串聯諧振電路。

在輸出端J1、J2接上良好的FBT初級線圈,接通電源時,用指針式萬用表的交流電壓擋監測FBT初級線圈兩端的電壓,調節RP使電壓表的指示數最大,其最大指示數一般在26V左右。用數字電壓表的200V交流電壓擋測量時,其最大指示數一般在50V左右。當用一段導線穿過FBT的磁芯,再將兩端短接摸擬FBT的線圈短路故障時,則萬用表的示數下降到3V左右。
萬用表的指示值不一定準確等於15kHz左右的正弦波(諧振時,用示波器測量FBT兩端為一幅度為80Vpp的正弦波)的有效值。但接上好的FBT,電壓表的指示值有26V左右,接上線圈匝間短路的FBT時,電壓表的指示值一般隻有5V左右,差別很大,不會影響對FBT線圈匝間是否短路的準確判斷。
特別推薦
- 噪聲中提取真值!瑞盟科技推出MSA2240電流檢測芯片賦能多元高端測量場景
- 10MHz高頻運行!氮矽科技發布集成驅動GaN芯片,助力電源能效再攀新高
- 失真度僅0.002%!力芯微推出超低內阻、超低失真4PST模擬開關
- 一“芯”雙電!聖邦微電子發布雙輸出電源芯片,簡化AFE與音頻設計
- 一機適配萬端:金升陽推出1200W可編程電源,賦能高端裝備製造
技術文章更多>>
- 突破工藝邊界,奎芯科技LPDDR5X IP矽驗證通過,速率達9600Mbps
- 通過直接、準確、自動測量超低範圍的氯殘留來推動反滲透膜保護
- 從技術研發到規模量產:恩智浦第三代成像雷達平台,賦能下一代自動駕駛!
- 從機械執行到智能互動:移遠Q-Robotbox助力具身智能加速落地
- 品英Pickering將亮相2026航空電子國際論壇,展示航電與電池測試前沿方案
技術白皮書下載更多>>
- 車規與基於V2X的車輛協同主動避撞技術展望
- 數字隔離助力新能源汽車安全隔離的新挑戰
- 汽車模塊拋負載的解決方案
- 車用連接器的安全創新應用
- Melexis Actuators Business Unit
- Position / Current Sensors - Triaxis Hall
熱門搜索
按鈕開關
白色家電
保護器件
保險絲管
北鬥定位
北高智
貝能科技
背板連接器
背光器件
編碼器型號
便攜產品
便攜醫療
變容二極管
變壓器
檳城電子
並網
撥動開關
玻璃釉電容
剝線機
薄膜電容
薄膜電阻
薄膜開關
捕魚器
步進電機
測力傳感器
測試測量
測試設備
拆解
場效應管
超霸科技



