詳細解析全自動洗衣機原理及電路圖
發布時間:2011-12-31
中心議題:
全自動洗衣機就是將洗衣的全過程(泡浸-洗滌-漂洗-脫水)預先設定好N個程序,洗衣時選擇其中一個程序,打開水龍頭和啟動洗衣機開關後洗衣的全過程就會自動完成,洗衣完成時由蜂鳴器發出響聲。
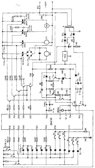
全自動洗衣機由洗衣係統和控製電路組成。其控製電路分為機械和電腦型,電腦型控製電路是以單片機作為控製電路的核心。圖1給出單片機Z86C09組成的全自動洗衣機的控製電路。
Ⅰ.自動洗衣機的洗衣程序
洗衣機麵板上有4個按鈕K1、K2、K5和K6。
K1用於水流選擇,分兩檔:普通水流與柔和水流;
K2用於洗衣周期選擇,可以選擇洗滌、漂洗和脫水三個過程;
K5是暫停開關;
K6是洗衣程序選擇鍵。洗衣程序分為標準程序和經濟程序。
洗衣機的標準洗衣程序是:洗滌——脫水——脫水——漂洗——脫水——漂洗——脫水。經濟洗衣程序少一次漂洗和脫水過程。
1.滌過程
通電後,洗衣機進入暫停狀態,以便放好衣物。若不選擇洗衣周期,則洗衣機從洗滌過程開始。當按暫停開關鍵K5時,進入洗滌過程。首先進水閥FV通電,打開進水開關,向洗衣楊供水;當到達預定水位時,水位開關K4接通,進水閥斷電關閉,停止進水;電機MO接通電源,帶動波輪旋轉,形成洗衣水流。電機MO是一個正反轉電機,可以形成往返水流,有利於洗滌衣物。
2.脫水過程
洗滌或漂洗過程結束後,電機MO停止轉動,排水閥MG通電,開始排水。排水閥動作時,帶動離合器動作,使電機可以帶動內桶轉動。當水位低到一定值時,水位開關K4斷開,再經過一段時間後,電機開始正轉,帶動內桶高速旋轉,甩幹衣物。
3.漂洗過程
與洗滌過程操作相同,隻是時間短一些。
全部洗衣工作完成後,由蜂鳴器發出音響,表示衣物已洗幹淨。
Ⅱ.洗衣機控製器的硬件組成原理
洗衣機控製器由單片機Z86C09作為控製器的核心所構成,該控製器具有以下特點:
(1)具有較強的抗幹擾能力,當受到外部強幹擾,程序出錯時,可以自動使係統複位重新執行程序。
(2)采用無噪聲、無電磁幹擾的雙向晶閘管作為控製元件,控製電磁閥和電機。
(3)具有欠壓和過壓保護,欠壓時,控製器不工作;超壓時,保護電路起作用。
(4)具有瞬間掉電保護功能,電源短時間停電後,電壓恢複時,能夠維持原運行程序的工作狀態並繼續完成洗衣程序。
(5)各種操作和洗衣機的運行狀態均用LED顯示。
下麵分別介紹各部分的特點及組成原理。
1.單片機Z86C09
Z86C09是Z8係列單片機中最簡單的一種,成本較低。采用COMS結構,具有耗電少、抗幹擾力強和工作電壓寬等特點,可在2.5~5.5V的電壓範圍內工作。Z86C09有14條I/O線,P2.0~P2.7是雙向I/O口,可以按位設置輸入或輸出。P3口中P3.1~3.3規定為輸入口,可作為輸入端或中斷請求端。P3.4~P3.6規定為輸出口。Z86C09內部含有2個多功能定時/計數器,2K字節的ROM和144字節的寄存器陣列。
2.電源電路部分
控製器的電源由變壓器B、整流二極管D14~D19、濾波電容C1和穩壓集成電路7806組成。7806輸出的電壓分三路分別用於晶閘管觸發,提供鍵盤輸入和LED顯示,以及提供單片機的電源。後兩路各經過一個二極管和一個電容,當7806的輸出電壓下降時,還可以依靠電容保持的能量,維持電路再工作一段時間。
晶體管T11、T10和穩壓管DW組成欠壓保護電路。當電源電壓不足,T11的基極電壓小於3.9V時,T11截止,T10也截止。Z86C09的P3.1端沒有電壓,常為低電平。T12截止,造成T5~T9的發射極均懸空,因此T5~T9截止,不受Z86C09控製。這時,雖然Z86C09能夠正常工作,但外圍控製元件全部關斷,洗衣機不工作。單片機的P3.1端輸入判別欠壓保護電路工作狀態的信號,隻有當電壓正常後,單片機才開始執行洗衣程序。
當電源電壓超過使用電壓時,壓敏電阻MR的阻值會突然變小,使電壓不能超過保護電壓值,當過壓時間較長時,則會燒斷保險絲RD。
[page]
3.過零檢測電路
過零檢測電路由晶體管T14,變壓器B和二極管D17~D19組成。D17起隔離作用,在電壓為零時,脈動電壓為零,T14截止。由於T14的集電極電阻接到T10的集電極,隻有在T10導通,即電源電壓正常,T14才能在電源電壓過零時輸出高電平。Z86C09的P3.1端檢測過零信號。
4.鍵盤和顯示電路
鍵盤由K1~K6組成,其中K3、K4是檢測開關,按鍵狀態的檢測采用掃描方法,由單片機的P3.4~P3.6輸出掃描信號,使晶體管T1~T3輪流導通,T1~T3輸出的高電平通過二極管D1~D6後掃描每個鍵。6個鍵分為兩組,按鍵信號由P3.2和P3.3輸入。P3.2和P3.3常態為低電平,當按下某一鍵,並且高電平掃描到這個鍵時,P3.2或P3.3輸入才變為高電平。Z86C09檢測到這個高電平,再根據當前掃描到哪一位,即可判別出哪個鍵按下,D1~D6的作用是防止多個鍵同時按下時,對三條掃描線產生的短路。
顯示電路由LED1~LED7組成。顯示方式采用動態掃描方式,列掃帚信號線與行掃帚線共用,行顯示信號直接由Z86C09的P2.4~P2.6驅動。由於LED要求的亮度不,所以驅動電流不大,約9mA。每個LED顯示的時間是總的顯示時間的1/3,平均電流約為3mA。
5.雙向晶閘管觸發電路
雙向晶閘管采用直流觸發,晶閘管的門極由晶體管T5~T8控製,晶體管導通時,觸發雙向晶閘管導通,第Ⅱ~Ⅲ象限觸發,T5~T8的集電極電阻用於限流。由於1A和3A的雙向晶閘管所需要的觸發電流較小,容易受外界的幹擾。為了提高係統的抗幹擾能力,在1A和3A的雙向晶閘管觸發回路中各並聯一個0.01uF的電容,抑製瞬時的幹擾信號。兩個8A的雙向晶閘管用於控製電機MO正轉和反轉。這兩個晶閘管在任何時候最多隻允許一個導通,如果兩個同時導通,則會損壞晶閘管。兩個8A雙向晶閘管的兩個主電極上並聯一個100Ω的電阻和0.01uF的電容組成阻容回路,用來吸收雙向晶閘管兩主電極之間的瞬時電壓脈衝,保護雙向晶閘管。
附:文中的單片機也可采用AT89S51等來構成。


- 自動洗衣機的洗衣程序設計
- 洗衣機控製器的硬件組成原理
- 程序:洗滌—脫水—脫水—漂洗—脫水—漂洗—脫水
- 硬件:單片機Z86C09、電源、過零檢測、鍵盤和顯示、雙向晶閘管觸發電路
全自動洗衣機就是將洗衣的全過程(泡浸-洗滌-漂洗-脫水)預先設定好N個程序,洗衣時選擇其中一個程序,打開水龍頭和啟動洗衣機開關後洗衣的全過程就會自動完成,洗衣完成時由蜂鳴器發出響聲。
全自動洗衣機由洗衣係統和控製電路組成。其控製電路分為機械和電腦型,電腦型控製電路是以單片機作為控製電路的核心。圖1給出單片機Z86C09組成的全自動洗衣機的控製電路。
Ⅰ.自動洗衣機的洗衣程序
洗衣機麵板上有4個按鈕K1、K2、K5和K6。
K1用於水流選擇,分兩檔:普通水流與柔和水流;
K2用於洗衣周期選擇,可以選擇洗滌、漂洗和脫水三個過程;
K5是暫停開關;
K6是洗衣程序選擇鍵。洗衣程序分為標準程序和經濟程序。
洗衣機的標準洗衣程序是:洗滌——脫水——脫水——漂洗——脫水——漂洗——脫水。經濟洗衣程序少一次漂洗和脫水過程。
1.滌過程
通電後,洗衣機進入暫停狀態,以便放好衣物。若不選擇洗衣周期,則洗衣機從洗滌過程開始。當按暫停開關鍵K5時,進入洗滌過程。首先進水閥FV通電,打開進水開關,向洗衣楊供水;當到達預定水位時,水位開關K4接通,進水閥斷電關閉,停止進水;電機MO接通電源,帶動波輪旋轉,形成洗衣水流。電機MO是一個正反轉電機,可以形成往返水流,有利於洗滌衣物。
2.脫水過程
洗滌或漂洗過程結束後,電機MO停止轉動,排水閥MG通電,開始排水。排水閥動作時,帶動離合器動作,使電機可以帶動內桶轉動。當水位低到一定值時,水位開關K4斷開,再經過一段時間後,電機開始正轉,帶動內桶高速旋轉,甩幹衣物。
3.漂洗過程
與洗滌過程操作相同,隻是時間短一些。
全部洗衣工作完成後,由蜂鳴器發出音響,表示衣物已洗幹淨。
Ⅱ.洗衣機控製器的硬件組成原理
洗衣機控製器由單片機Z86C09作為控製器的核心所構成,該控製器具有以下特點:
(1)具有較強的抗幹擾能力,當受到外部強幹擾,程序出錯時,可以自動使係統複位重新執行程序。
(2)采用無噪聲、無電磁幹擾的雙向晶閘管作為控製元件,控製電磁閥和電機。
(3)具有欠壓和過壓保護,欠壓時,控製器不工作;超壓時,保護電路起作用。
(4)具有瞬間掉電保護功能,電源短時間停電後,電壓恢複時,能夠維持原運行程序的工作狀態並繼續完成洗衣程序。
(5)各種操作和洗衣機的運行狀態均用LED顯示。
下麵分別介紹各部分的特點及組成原理。
1.單片機Z86C09
Z86C09是Z8係列單片機中最簡單的一種,成本較低。采用COMS結構,具有耗電少、抗幹擾力強和工作電壓寬等特點,可在2.5~5.5V的電壓範圍內工作。Z86C09有14條I/O線,P2.0~P2.7是雙向I/O口,可以按位設置輸入或輸出。P3口中P3.1~3.3規定為輸入口,可作為輸入端或中斷請求端。P3.4~P3.6規定為輸出口。Z86C09內部含有2個多功能定時/計數器,2K字節的ROM和144字節的寄存器陣列。
2.電源電路部分
控製器的電源由變壓器B、整流二極管D14~D19、濾波電容C1和穩壓集成電路7806組成。7806輸出的電壓分三路分別用於晶閘管觸發,提供鍵盤輸入和LED顯示,以及提供單片機的電源。後兩路各經過一個二極管和一個電容,當7806的輸出電壓下降時,還可以依靠電容保持的能量,維持電路再工作一段時間。
晶體管T11、T10和穩壓管DW組成欠壓保護電路。當電源電壓不足,T11的基極電壓小於3.9V時,T11截止,T10也截止。Z86C09的P3.1端沒有電壓,常為低電平。T12截止,造成T5~T9的發射極均懸空,因此T5~T9截止,不受Z86C09控製。這時,雖然Z86C09能夠正常工作,但外圍控製元件全部關斷,洗衣機不工作。單片機的P3.1端輸入判別欠壓保護電路工作狀態的信號,隻有當電壓正常後,單片機才開始執行洗衣程序。
當電源電壓超過使用電壓時,壓敏電阻MR的阻值會突然變小,使電壓不能超過保護電壓值,當過壓時間較長時,則會燒斷保險絲RD。
[page]
3.過零檢測電路
過零檢測電路由晶體管T14,變壓器B和二極管D17~D19組成。D17起隔離作用,在電壓為零時,脈動電壓為零,T14截止。由於T14的集電極電阻接到T10的集電極,隻有在T10導通,即電源電壓正常,T14才能在電源電壓過零時輸出高電平。Z86C09的P3.1端檢測過零信號。
4.鍵盤和顯示電路
鍵盤由K1~K6組成,其中K3、K4是檢測開關,按鍵狀態的檢測采用掃描方法,由單片機的P3.4~P3.6輸出掃描信號,使晶體管T1~T3輪流導通,T1~T3輸出的高電平通過二極管D1~D6後掃描每個鍵。6個鍵分為兩組,按鍵信號由P3.2和P3.3輸入。P3.2和P3.3常態為低電平,當按下某一鍵,並且高電平掃描到這個鍵時,P3.2或P3.3輸入才變為高電平。Z86C09檢測到這個高電平,再根據當前掃描到哪一位,即可判別出哪個鍵按下,D1~D6的作用是防止多個鍵同時按下時,對三條掃描線產生的短路。
顯示電路由LED1~LED7組成。顯示方式采用動態掃描方式,列掃帚信號線與行掃帚線共用,行顯示信號直接由Z86C09的P2.4~P2.6驅動。由於LED要求的亮度不,所以驅動電流不大,約9mA。每個LED顯示的時間是總的顯示時間的1/3,平均電流約為3mA。
5.雙向晶閘管觸發電路
雙向晶閘管采用直流觸發,晶閘管的門極由晶體管T5~T8控製,晶體管導通時,觸發雙向晶閘管導通,第Ⅱ~Ⅲ象限觸發,T5~T8的集電極電阻用於限流。由於1A和3A的雙向晶閘管所需要的觸發電流較小,容易受外界的幹擾。為了提高係統的抗幹擾能力,在1A和3A的雙向晶閘管觸發回路中各並聯一個0.01uF的電容,抑製瞬時的幹擾信號。兩個8A的雙向晶閘管用於控製電機MO正轉和反轉。這兩個晶閘管在任何時候最多隻允許一個導通,如果兩個同時導通,則會損壞晶閘管。兩個8A雙向晶閘管的兩個主電極上並聯一個100Ω的電阻和0.01uF的電容組成阻容回路,用來吸收雙向晶閘管兩主電極之間的瞬時電壓脈衝,保護雙向晶閘管。
附:文中的單片機也可采用AT89S51等來構成。


特別推薦
- 噪聲中提取真值!瑞盟科技推出MSA2240電流檢測芯片賦能多元高端測量場景
- 10MHz高頻運行!氮矽科技發布集成驅動GaN芯片,助力電源能效再攀新高
- 失真度僅0.002%!力芯微推出超低內阻、超低失真4PST模擬開關
- 一“芯”雙電!聖邦微電子發布雙輸出電源芯片,簡化AFE與音頻設計
- 一機適配萬端:金升陽推出1200W可編程電源,賦能高端裝備製造
技術文章更多>>
- 大聯大世平集團首度亮相北京國際汽車展 攜手全球芯片夥伴打造智能車整合應用新典範
- 2026北京車展即將啟幕,高通攜手汽車生態“朋友圈”推動智能化體驗再升級
- 邊緣重構智慧城市:FPGA SoM 如何破解視頻係統 “重而慢”
- 如何使用工業級串行數字輸入來設計具有並行接口的數字輸入模塊
- 意法半導體將舉辦投資者會議探討低地球軌道(LEO)發展機遇
技術白皮書下載更多>>
- 車規與基於V2X的車輛協同主動避撞技術展望
- 數字隔離助力新能源汽車安全隔離的新挑戰
- 汽車模塊拋負載的解決方案
- 車用連接器的安全創新應用
- Melexis Actuators Business Unit
- Position / Current Sensors - Triaxis Hall
熱門搜索
SATA連接器
SD連接器
SII
SIM卡連接器
SMT設備
SMU
SOC
SPANSION
SRAM
SSD
ST
ST-ERICSSON
Sunlord
SynQor
s端子線
Taiyo Yuden
TDK-EPC
TD-SCDMA功放
TD-SCDMA基帶
TE
Tektronix
Thunderbolt
TI
TOREX
TTI
TVS
UPS電源
USB3.0
USB 3.0主控芯片
USB傳輸速度



