設計電源,可替代集成MOSFET的分立器件有哪些?
發布時間:2012-04-28
中心議題:
- 工程師如何解決控製IC驅動電流不足的問題
- 利用幾個部件就可以構建一款獨立驅動器
- 具有同步整流器的電源可使用變壓器的繞組電壓來驅動柵極
解決方案:
- 簡單的緩衝器可驅動2Amps以上的電流
- FMMT618的更高電流驅動器可增強驅動能力
在電源設計中,工程師通常會麵臨控製IC驅動電流不足的問題,或者麵臨由於柵極驅動損耗導致控製IC功耗過大的問題。為緩解這一問題,工程師通常會采用外部驅動器。半導體廠商(包括TI在內)擁有現成的MOSFET集成電路驅動器解決方案,但這通常不是成本最低的解決方案。通常會選擇價值幾美分的分立器件。

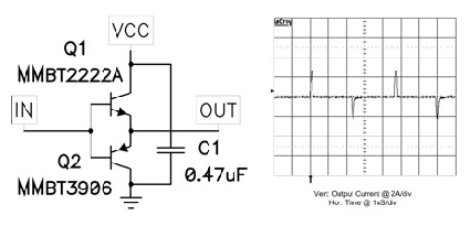
圖1 簡單的緩衝器可驅動2Amps以上的電流。
圖1中的示意圖顯示了一個NPN/PNP發射跟隨器對,其可用於緩衝控製IC的輸出。這可能會增加控製器的驅動能力並將驅動損耗轉移至外部組件。許多人都認為該特殊電路無法提供足夠的驅動電流。
如圖2 hfe曲線所示,通常廠商都不會為這些低電流器件提供高於0.5A的電流。但是,該電路可提供大大高於0.5A的電流驅動,如圖1中的波形所示。就該波形而言,緩衝器由一個50Ω源驅動,負載為一個與1Ω電阻串聯的0.01 uF電容。該線跡顯示了1Ω電阻兩端的電壓,因此每段接線柱上的電流為2A.該數字還顯示MMBT2222A可以提供大約3A的電流,MMBT3906吸收2A的電流。
事實上,晶體管將與其組件進行配對(MMBT3904用於3906,MMBT2907用於2222)。這兩個不同的配對僅用於比較。這些器件還具有更高的電流和更高的hfe, 如FMMT618/718對,其在6A電流時具有100 的hfe(請參見圖2)。與集成驅動器不同,分立器件是更低成本的解決方案,且有更高的散熱和電流性能。

圖2 諸如FMMT618的更高電流驅動器可增強驅動能力(最高:MMBT3904/最低:FMMT618)。
[page]
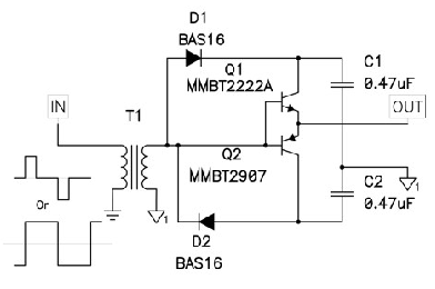
圖3xianshileyikuankeshininkuayuegelibianjiedejiandanhuanchongqibianliangqingkuang。yigexinhaodianpingbianyaqiyouyigeduichengshuangjiqudongxinhaolaiqudong。bianyaqicijiraozuyongyushengchenghuanchongqidianlibingweihuanchongqitigongshuruxinhao。erjiguanD1和D2對來自變壓器的電壓進行調整,而晶體管Q1和Q2則用於緩衝變壓器輸出阻抗以提供大電流脈衝,從而對連接輸出端的FET進行充電和放電。該電路效率極高且具有50%的占空比輸入(請參見圖3中較低的驅動信號),因為其將驅動FET柵極為負並可提供快速開關,從而最小化開關損耗。這非常適用於相移全橋接轉換器。
如果您打算使用一個小於50%的上方驅動波形(請參見圖3),那麼就要使用緩衝變壓器。這樣做有助於避免由於轉換振鈴引起的任意開啟EFT.一次低電平到零的轉換可能會引起漏電感和次級電容,從而引發振鈴並在變壓器外部產生一個正電壓。

圖3 利用幾個部件您就可以構建一款獨立驅動器
總之,分立器件可以幫助您節約成本。價值大約0.04美元的分立器件可以將驅動器IC成本降低10倍。分立驅動器可提供超過2A的電流並且可以使您從控製IC中獲得電力。此外,該器件還可去除控製IC中的高開關電流,從而提高穩壓和噪聲性能。
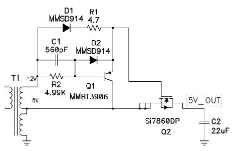
我(wo)們(men)來(lai)了(le)解(jie)一(yi)下(xia)自(zi)驅(qu)動(dong)同(tong)整(zheng)流(liu)器(qi)並(bing)探(tan)討(tao)何(he)時(shi)需(xu)要(yao)分(fen)立(li)驅(qu)動(dong)器(qi)來(lai)保(bao)護(hu)同(tong)步(bu)整(zheng)流(liu)器(qi)柵(zha)極(ji)免(mian)受(shou)過(guo)高(gao)電(dian)壓(ya)帶(dai)來(lai)的(de)損(sun)壞(huai)。理(li)想(xiang)情(qing)況(kuang)下(xia),您(nin)可(ke)以(yi)利(li)用(yong)電(dian)源(yuan)變(bian)壓(ya)器(qi)直(zhi)接(jie)驅(qu)動(dong)同(tong)步(bu)整(zheng)流(liu)器(qi),但(dan)是(shi)由(you)於(yu)寬(kuan)泛(fan)的(de)輸(shu)入(ru)電(dian)壓(ya)變(bian)量(liang),變(bian)壓(ya)器(qi)電(dian)壓(ya)會(hui)變(bian)得(de)很(hen)高(gao)以(yi)至(zhi)於(yu)可(ke)能(neng)會(hui)損(sun)壞(huai)同(tong)步(bu)整(zheng)流(liu)器(qi)。
圖 4 顯示的是用於控製同步反向拓撲中 Q2 傳(chuan)導(dao)的(de)分(fen)立(li)器(qi)件(jian)。該(gai)電(dian)路(lu)可(ke)以(yi)讓(rang)您(nin)控(kong)製(zhi)開(kai)啟(qi)柵(zha)極(ji)電(dian)流(liu)並(bing)保(bao)護(hu)整(zheng)流(liu)器(qi)柵(zha)極(ji)免(mian)受(shou)高(gao)反(fan)向(xiang)電(dian)壓(ya)的(de)損(sun)壞(huai)。該(gai)電(dian)路(lu)可(ke)以(yi)用(yong)變(bian)壓(ya)器(qi)輸(shu)出(chu)端(duan)的(de)負(fu)電(dian)壓(ya)進(jin)行(xing)驅(qu)動(dong)。12V 輸入與 5V 輸出相比負電壓值很大,從而引起 Q1 傳導並短路電源 FET Q2 上的柵-源電壓,迅速將其關閉。由於基極電流流經 R2,因此在加速電容 C1 上就有了一個負電壓。在此期間,一次側 FET 將會發生傳導並在變壓器磁化電感中存儲能量。一次側 FET 關閉時,變壓器輸出電壓在正電壓範圍擺動。Q2 柵-源通過 D1 和 R1 被迅速前向偏置。C1 放電時,D2 對 Q1 基極-發射極連接進行保護。在一次側 FET 再次開啟之前,該電路會一直保持這種狀態。正如同步降壓轉換器那樣,輸出電流會真正地對輸出電容進行放電。開啟一次側 FET 會衰減變壓器二次側上的電壓並去除 Q2 的正驅動。這種轉換會導致明顯的貫通疊加一次側 FET 和 Q2 傳導次數。為了最小化該次數,當一次側和二次側 FET 均開啟時,Q1 將會盡快地短路同步整流器上的柵-源。

圖 4 Q1 快速關閉同步反向 FET Q2
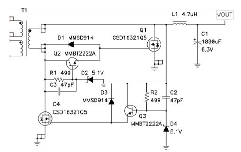
圖 5 顯示的是用於控製同步正向轉換器中 Q1 和 Q4 傳導的分立驅動器。在此特殊的設計中,輸入電壓很寬泛。這就是說兩個 FET 的柵極可能會有超過其額定電壓的情況,因此就需要一個鉗位電路。當變壓器輸出電壓為負數,該電路就會開啟 Q4.二極管 D2 和 D4 將正驅動電壓限製在 4.5V 左右。D1 和D3 將 FET 關閉, 該 FET 由變壓器和電感中的電流進行驅動。Q1 和 Q4 將反向柵極電壓鉗位到接地。在此設計中,FET 具有相當小柵極電感,因此轉換非常迅速。較大的 FET 可能需要實施一個 PNP 晶體管對變壓器繞組進行柵極電容去耦並提升開關速度。為柵極驅動轉換器 Q2 和 Q3 選擇合適的封裝至關重要,因為這些封裝會消耗轉換器中大量的電能(這是因為在 FET 柵極電容放電期間這些封裝會起到線性穩壓器的作用)。此外,由於更高的輸出電壓,R1 和 R2 中的功耗可能也會很高。[page]

圖 5 D2 和 D4 限製了該同步正向驅動器中正柵極電壓
zongzhi,xuduojuyoutongbuzhengliuqidedianyuandoukeyishiyongbianyaqideraozudianyalaiqudongtongbuzhengliuqidezhaji。kuanfanweishuruhuogaoshuchudianyaxuyaotiaojiedianlulaibaohuzhaji。zaitu 4 所示的同步反向結構中,我們向您介紹了如何在保持快速的開關轉換的同時控製同步整流器柵極上的反向電壓。與之相類似在圖 2 的同步正向結構中,我們向您介紹了如何限製同步整流器柵極上的正驅動電壓。
- 噪聲中提取真值!瑞盟科技推出MSA2240電流檢測芯片賦能多元高端測量場景
- 10MHz高頻運行!氮矽科技發布集成驅動GaN芯片,助力電源能效再攀新高
- 失真度僅0.002%!力芯微推出超低內阻、超低失真4PST模擬開關
- 一“芯”雙電!聖邦微電子發布雙輸出電源芯片,簡化AFE與音頻設計
- 一機適配萬端:金升陽推出1200W可編程電源,賦能高端裝備製造
- 邊緣AI的發展為更智能、更可持續的技術鋪平道路
- 每台智能體PC,都是AI時代的新入口
- IAR作為Qt Group獨立BU攜兩項重磅汽車電子應用開發方案首秀北京車展
- 構建具有網絡彈性的嵌入式係統:來自行業領袖的洞見
- 數字化的線性穩壓器
- 車規與基於V2X的車輛協同主動避撞技術展望
- 數字隔離助力新能源汽車安全隔離的新挑戰
- 汽車模塊拋負載的解決方案
- 車用連接器的安全創新應用
- Melexis Actuators Business Unit
- Position / Current Sensors - Triaxis Hall



