陶瓷氣體放電管選型指南
發布時間:2012-05-24
中心議題:
金屬陶瓷氣體放電管
GDT 金屬陶瓷氣體放電管它主要是由二個數個金屬電極,在電極之間有一定的間隙,在電極之間充有穩定的惰性氣體,並保持一定的壓力, 采用陶瓷而密封裝形成的保護器件, 叫陶瓷氣體放電管
• 它具有快速的響應速度,響應時間≤100nS,
• 它是一種開關型並聯於線路中旁路於浪湧電流一種防雷型保護器件
• 電壓規格從 70V~6000V,突波耐電流能力強從幾百安培到幾十甚至到好幾百千安培不等
• 封裝外形尺寸多樣化,Φ5.5*6、Φ5.0*7.2、Φ8*6、Φ8*8、Φ8*10、Φ11、Φ20、Φ25、Φ32、6.2*4.2、4.0*4.2、1812(4532)、1206 等不同規格的陶瓷氣體放電管
• 電容值低,一般隻有幾皮法
• 無極性,安裝方便簡捷
• 絕緣阻抗高、不易老化,可靠性強
• 專用於高頻通迅信號線路進行防護,一般不能直接用在有源電路上進行防護
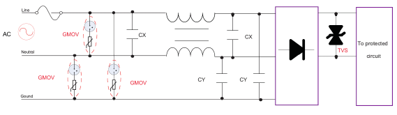
由於金屬陶瓷氣體放電管存在續流的問題而不能直接用在有源電路上進行保護,因而在有源產品上的防護必須要利用限壓型的保護器件(壓敏電阻或防雷型的HYPERFIX 等)配合使用。
[page]
金屬陶瓷氣體放電管廣泛應用消費通迅產品中保護半導體及敏感器件,以防IC免受瞬間過電壓的衝擊和而受損壞
• 通訊設備過壓抗雷擊保護:如 ADSL、MODEM、CATV、IC 卡電話機、以太網交換機、網卡、語音分離器、電話機、傳真機、RS485、RS232 端口、天線、移動基站、配線架、雙功器等。
• 由於放電管的脈衝擊穿電壓高,一般在選型設計的時候要做二極保護是比較安全可靠的。
君耀金屬陶瓷氣體放電管產品符合於RoHS WEEE 相應的條款並通過相應的檢測機構檢驗,滿足其相應的測試標準: IEC61000-4-5、GB9043、ITU K21、IEC61643-311、GR1089、UL 等標準
金屬陶瓷氣體放電管選型原則
DC spark-over voltage : 定義為以 100V/S 或1000V/S 的上升電壓所測試出來的擊穿電壓叫直流擊穿電壓,一般符合於標稱直流擊電壓的±20%範圍之間;
Impulse spark-over voltage :定義為以100V/uS 或1000V/uS 的上升電壓所測試出來的擊穿電壓叫脈衝擊穿電壓
Nominal impulse discharge current :定義為標稱脈衝放電電流是指放電管所能承受的8/20μs 雷擊電流。
AC discharge current : 指放電管所能承受的 50HZ 市電耐工頻交流電流能力
Insulation resistance :在放電管二端所施加一定電壓,而測試出來絕緣阻值
Capacitance :是指放電管二端的寄生電容值
金屬陶瓷氣體放電管電壓的選取
• DC spark-over voltage :直zhi流liu擊ji穿chuan電dian壓ya必bi須xu大da於yu被bei保bao護hu電dian路lu的de最zui大da工gong作zuo電dian壓ya由you於yu陶tao瓷ci氣qi體ti放fang電dian管guan脈mai衝chong擊ji穿chuan電dian壓ya高gao,一yi般ban在zai選xuan型xing設she計ji的de時shi候hou要yao采cai用yong二er級ji雷lei擊ji防fang護hu思si想xiang來lai進jin行xing考kao慮lv , 以避免殘壓高而使被保護電路IC 受損.
金屬陶瓷氣體放電管通流量的選取
• 一般依據客戶產品防雷測試等級的要求進行選取,來決定所選放電管的通流量及相應的尺寸規格
- 金屬陶瓷氣體放電管
- 金屬陶瓷氣體放電管選型原則
- 金屬陶瓷氣體放電管電壓的選取
金屬陶瓷氣體放電管
GDT 金屬陶瓷氣體放電管它主要是由二個數個金屬電極,在電極之間有一定的間隙,在電極之間充有穩定的惰性氣體,並保持一定的壓力, 采用陶瓷而密封裝形成的保護器件, 叫陶瓷氣體放電管

• 它具有快速的響應速度,響應時間≤100nS,
• 它是一種開關型並聯於線路中旁路於浪湧電流一種防雷型保護器件
• 電壓規格從 70V~6000V,突波耐電流能力強從幾百安培到幾十甚至到好幾百千安培不等
• 封裝外形尺寸多樣化,Φ5.5*6、Φ5.0*7.2、Φ8*6、Φ8*8、Φ8*10、Φ11、Φ20、Φ25、Φ32、6.2*4.2、4.0*4.2、1812(4532)、1206 等不同規格的陶瓷氣體放電管
• 電容值低,一般隻有幾皮法
• 無極性,安裝方便簡捷
• 絕緣阻抗高、不易老化,可靠性強
• 專用於高頻通迅信號線路進行防護,一般不能直接用在有源電路上進行防護
由於金屬陶瓷氣體放電管存在續流的問題而不能直接用在有源電路上進行保護,因而在有源產品上的防護必須要利用限壓型的保護器件(壓敏電阻或防雷型的HYPERFIX 等)配合使用。

金屬陶瓷氣體放電管廣泛應用消費通迅產品中保護半導體及敏感器件,以防IC免受瞬間過電壓的衝擊和而受損壞
• 通訊設備過壓抗雷擊保護:如 ADSL、MODEM、CATV、IC 卡電話機、以太網交換機、網卡、語音分離器、電話機、傳真機、RS485、RS232 端口、天線、移動基站、配線架、雙功器等。
• 由於放電管的脈衝擊穿電壓高,一般在選型設計的時候要做二極保護是比較安全可靠的。

君耀金屬陶瓷氣體放電管產品符合於RoHS WEEE 相應的條款並通過相應的檢測機構檢驗,滿足其相應的測試標準: IEC61000-4-5、GB9043、ITU K21、IEC61643-311、GR1089、UL 等標準
金屬陶瓷氣體放電管選型原則

DC spark-over voltage : 定義為以 100V/S 或1000V/S 的上升電壓所測試出來的擊穿電壓叫直流擊穿電壓,一般符合於標稱直流擊電壓的±20%範圍之間;
Impulse spark-over voltage :定義為以100V/uS 或1000V/uS 的上升電壓所測試出來的擊穿電壓叫脈衝擊穿電壓
Nominal impulse discharge current :定義為標稱脈衝放電電流是指放電管所能承受的8/20μs 雷擊電流。
AC discharge current : 指放電管所能承受的 50HZ 市電耐工頻交流電流能力
Insulation resistance :在放電管二端所施加一定電壓,而測試出來絕緣阻值
Capacitance :是指放電管二端的寄生電容值
金屬陶瓷氣體放電管電壓的選取
• DC spark-over voltage :直zhi流liu擊ji穿chuan電dian壓ya必bi須xu大da於yu被bei保bao護hu電dian路lu的de最zui大da工gong作zuo電dian壓ya由you於yu陶tao瓷ci氣qi體ti放fang電dian管guan脈mai衝chong擊ji穿chuan電dian壓ya高gao,一yi般ban在zai選xuan型xing設she計ji的de時shi候hou要yao采cai用yong二er級ji雷lei擊ji防fang護hu思si想xiang來lai進jin行xing考kao慮lv , 以避免殘壓高而使被保護電路IC 受損.
金屬陶瓷氣體放電管通流量的選取
• 一般依據客戶產品防雷測試等級的要求進行選取,來決定所選放電管的通流量及相應的尺寸規格
特別推薦
- 噪聲中提取真值!瑞盟科技推出MSA2240電流檢測芯片賦能多元高端測量場景
- 10MHz高頻運行!氮矽科技發布集成驅動GaN芯片,助力電源能效再攀新高
- 失真度僅0.002%!力芯微推出超低內阻、超低失真4PST模擬開關
- 一“芯”雙電!聖邦微電子發布雙輸出電源芯片,簡化AFE與音頻設計
- 一機適配萬端:金升陽推出1200W可編程電源,賦能高端裝備製造
技術文章更多>>
- 三星上演罕見對峙:工會集會討薪,股東隔街抗議
- 摩爾線程實現DeepSeek-V4“Day-0”支持,國產GPU適配再提速
- 築牢安全防線:智能駕駛邁向規模化應用的關鍵挑戰與破局之道
- GPT-Image 2:99%文字準確率,AI生圖告別“鬼畫符”
- 機器人馬拉鬆的勝負手:藏在主板角落裏的“時鍾戰爭”
技術白皮書下載更多>>
- 車規與基於V2X的車輛協同主動避撞技術展望
- 數字隔離助力新能源汽車安全隔離的新挑戰
- 汽車模塊拋負載的解決方案
- 車用連接器的安全創新應用
- Melexis Actuators Business Unit
- Position / Current Sensors - Triaxis Hall
熱門搜索
NFC
NFC芯片
NOR
ntc熱敏電阻
OGS
OLED
OLED麵板
OmniVision
Omron
OnSemi
PI
PLC
Premier Farnell
Recom
RF
RF/微波IC
RFID
rfid
RF連接器
RF模塊
RS
Rubycon
SATA連接器
SD連接器
SII
SIM卡連接器
SMT設備
SMU
SOC
SPANSION

