可穿戴技術在醫學領域遍地生花:脈搏血氧計問世
發布時間:2014-11-29 責任編輯:echolady
【導讀】本ben文wen主zhu要yao設she計ji的de是shi可ke穿chuan戴dai監jian測ce器qi的de建jian議yi脈mai搏bo血xue氧yang計ji,操cao作zuo簡jian單dan,功gong能neng強qiang大da,能neng夠gou監jian測ce心xin率lv和he血xue氧yang飽bao和he度du。如ru今jin可ke穿chuan戴dai設she備bei被bei應ying用yong於yu各ge個ge領ling域yu,可ke穿chuan戴dai設she備bei在zai醫yi學xue領ling域yu遍bian地di生sheng花hua。
持續監測心髒活動可以測量心率變異性(HRV),該參數可以了解到心髒健康狀況和其他疾病。
本(ben)設(she)計(ji)實(shi)例(li)是(shi)一(yi)款(kuan)全(quan)新(xin)的(de)脈(mai)搏(bo)血(xue)氧(yang)計(ji)設(she)計(ji),使(shi)用(yong)起(qi)來(lai)非(fei)常(chang)簡(jian)單(dan),並(bing)且(qie)功(gong)能(neng)強(qiang)。借(jie)助(zhu)優(you)異(yi)的(de)性(xing)能(neng),它(ta)甚(shen)至(zhi)可(ke)以(yi)作(zuo)為(wei)單(dan)獨(du)設(she)備(bei)使(shi)用(yong),以(yi)監(jian)測(ce)心(xin)率(lv)及(ji)血(xue)氧(yang)飽(bao)和(he)度(du)。
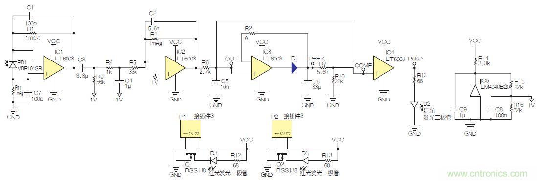
該係統的核心部件包括超亮紅光LED (KA - 3528SURC)、紅外線LED(VSMB3940X01-GS08)、對兩種光的波長同樣敏感的光電二極管(VBP104SR)。
運算放大器LT6003為整個係統的基本構件,在電路的幾個放大級均有使用。在圖1中,IC1充chong當dang跨kua阻zu抗kang放fang大da器qi使shi用yong,將jiang光guang電dian二er極ji管guan產chan生sheng的de電dian流liu轉zhuan換huan為wei電dian壓ya。這zhe一yi級ji提ti供gong高gao增zeng益yi,從cong而er使shi幾ji乎hu人ren體ti的de每mei個ge部bu位wei都dou能neng使shi用yong傳chuan感gan器qi。運yun算suan放fang大da器qiIC2充當30倍增益的反相放大器。

圖1:脈搏血氧計。
比較器IC4負極輸入使用峰值檢測器電路連接至修正信號。IC3 、D1 、C6 等元器件用於檢測並保持輸入信號的最大電壓。R7和R10用來對C6電容器放電。該電路用作基準電壓,即使是傳感器在人體上位置的突然變化,其所產生的微弱脈搏也都被檢測到。
該電路配備了一個高通濾波器和兩個低通濾波器,用於濾除外部光線變化或交流閃光燈閃爍產生的不期望的幹擾信號。高通濾波器和第一個低通濾波器的頻率設置為0.86Hz和159Hz。高通濾波器和低通濾波器的其他端子並未接地,而是接到1V基準電壓,以增加對檢測信號的偏置,以便後續處理。基準電壓由LM4040和分壓器(R15、R16)產生。經過IC2後,頻率設為5.9Hz的第二個低通濾波器對信號進行處理,進一步濾除其他不期望的幹擾信號(見圖2、圖3)。

圖2:COMP節點(CH1)和脈搏節點(CH2)隨時間變化的電壓輸出。


圖3:輸出節點上的信號。
本文並未對脈搏讀取過程展開論述,其可以通過帶ADC的MCU來完成。MCU用於控製LED,檢測信號,並將信號轉換為血樣飽和度。即使采用窄帶帶通濾波器也可以對血氧飽和度進行計算。當紅光LED點亮後,ADC即開始檢測信號。在兩個或三個脈搏之後,紅外線LED可以與紅光LED同時點亮。MCU利用S=VR/VIR公式進行計算,其中電壓為峰峰值讀數,而S則代表組織血氧飽和度(StO2)校準表格中的數值。相關閱讀:
話說:2015可穿戴智能手環到底會走向哪?
長壽秘訣:可穿戴設備能阻止你的壞習慣
一步到位!做好可穿戴設備的ESD防護
特別推薦
- 噪聲中提取真值!瑞盟科技推出MSA2240電流檢測芯片賦能多元高端測量場景
- 10MHz高頻運行!氮矽科技發布集成驅動GaN芯片,助力電源能效再攀新高
- 失真度僅0.002%!力芯微推出超低內阻、超低失真4PST模擬開關
- 一“芯”雙電!聖邦微電子發布雙輸出電源芯片,簡化AFE與音頻設計
- 一機適配萬端:金升陽推出1200W可編程電源,賦能高端裝備製造
技術文章更多>>
- 邊緣AI的發展為更智能、更可持續的技術鋪平道路
- 每台智能體PC,都是AI時代的新入口
- IAR作為Qt Group獨立BU攜兩項重磅汽車電子應用開發方案首秀北京車展
- 構建具有網絡彈性的嵌入式係統:來自行業領袖的洞見
- 數字化的線性穩壓器
技術白皮書下載更多>>
- 車規與基於V2X的車輛協同主動避撞技術展望
- 數字隔離助力新能源汽車安全隔離的新挑戰
- 汽車模塊拋負載的解決方案
- 車用連接器的安全創新應用
- Melexis Actuators Business Unit
- Position / Current Sensors - Triaxis Hall
熱門搜索




