電氣控製回路設計競爭與冒險並存
發布時間:2015-02-04 責任編輯:echolady
【導讀】tongguoduidianqikongzhihuilushejideyanjiu,faxianjingzhengyumaoxianbingcunwentideshili。tongguoshilifenxi,jieshiledianqikongzhihuilushejiguochengzhongchuxiandejishumangdian。jingguojingyandezongjie,yijiduishejiyuanlidegaijin,dianqikongzhixitongdegongzuozhiliangzaikekaoxinghexiaolvfangmiandoudedaoleyouxiaodetisheng。
電(dian)氣(qi)控(kong)製(zhi)回(hui)路(lu)中(zhong)如(ru)果(guo)存(cun)在(zai)競(jing)爭(zheng)與(yu)冒(mao)險(xian)問(wen)題(ti),就(jiu)會(hui)直(zhi)接(jie)危(wei)及(ji)人(ren)機(ji)安(an)全(quan),造(zao)成(cheng)重(zhong)大(da)事(shi)故(gu),後(hou)果(guo)不(bu)堪(kan)設(she)想(xiang),因(yin)此(ci),在(zai)電(dian)氣(qi)控(kong)製(zhi)回(hui)路(lu)的(de)設(she)計(ji)應(ying)用(yong)中(zhong)應(ying)引(yin)起(qi)高(gao)度(du)重(zhong)視(shi)。在(zai)電(dian)子(zi)線(xian)路(lu)的(de)設(she)計(ji)中(zhong),競(jing)爭(zheng)與(yu)冒(mao)險(xian)的(de)問(wen)題(ti)處(chu)於(yu)重(zhong)要(yao)的(de)位(wei)置(zhi),因(yin)為(wei)該(gai)問(wen)題(ti)的(de)存(cun)在(zai)關(guan)係(xi)到(dao)係(xi)統(tong)是(shi)否(fou)能(neng)可(ke)靠(kao)地(di)工(gong)作(zuo)。另(ling)外(wai),由(you)於(yu)強(qiang)電(dian)構(gou)成(cheng)的(de)電(dian)氣(qi)控(kong)製(zhi)一(yi)般(ban)比(bi)較(jiao)直(zhi)觀(guan),易(yi)於(yu)識(shi)讀(du),很(hen)少(shao)出(chu)現(xian)競(jing)爭(zheng)與(yu)冒(mao)險(xian)問(wen)題(ti),易(yi)被(bei)忽(hu)視(shi)。如(ru)果(guo)在(zai)設(she)計(ji)中(zhong)考(kao)慮(lv)不(bu)周(zhou)或(huo)生(sheng)產(chan)、檢修過程中控製回路接線錯誤,都會產生該問題。
1電路分析
軟起動器起動電機旁路運行後,電機自由停車和延時停機的控製原理圖如圖1所示,電機的起動通過中間繼電器KA1的吸合來實現;起動達速後中間繼電器KA2吸合,旁路接觸器KM得電,電機旁路運行;SB1按下時,KA2、KM線圈斷電,電機自由停車;當按下SB2時,時間繼電器KT線圈得電,常開觸點瞬時閉合並自保持,直至KT的延時斷開的常閉觸點打開,將KA2、KM線圈斷電,電機停止。該回路從控製原理上分析無問題,但仔細觀察會發現延時停止回路存在問題。
如果中間繼電器KA2和時間繼電器KT采用不同類型的產品時(如一個采用電磁式繼電器,另一個為電子式繼電器),由於線圈動作時間相差較大,KA1和KT在動作上存在搶時間的問題,即當按下SB2時,KT得電並自保持,但當KT延時斷開的常閉觸點打開瞬間,KT的線圈斷電,自鎖觸點打開,KT的延時斷開常閉觸點又會瞬時閉合;在KT延時斷開的常閉觸點從延時打開到瞬時閉合的時間中,如果KA2斷開,則電機能夠停止;否則,電機無法延時停止(因為還沒等KA2斷開,KT的延時斷開常閉觸點又閉合了,導致KA2無法斷電)。這種延時停車有時成功,有時失敗,其結果是控製回路不能可靠工作,就是典型的競爭與冒險問題。如果KT是電子式時間繼電器(如ST3PC-D),而KA2又是電磁式中間繼電器(如JZC3 -22 d),這時,由於KT總是先完成動作,而KA2又由於線圈存在剩磁而釋放較慢,造成KA2無法可靠斷電。若將KT、KA2改為同一類型繼電器(如該例中的KT改為JSK4-224d),則可解決此類問題。

圖1電機自由停車和延時停機控製原理。
2改進設計
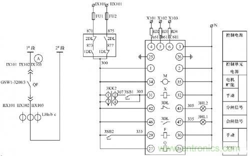
圖2為未改進前的聯絡櫃控製電路圖。圖2中,聯絡櫃中的手動、自動控製的框架式斷路器去消由於原理設計缺陷,轉換開關在自動檔時,欠壓線圈Q與合閘線圈X得電時出現競爭與冒險問題,造成斷路器不能可靠合閘。為了突出主要問題,將其他輔助回路略去,在儲能電機已儲能時,如果300#線得電,欠壓線圈Q先吸合,則自動合閘成功,否則就失敗,即是造成自動合閘有時成功、有時失敗的原因。
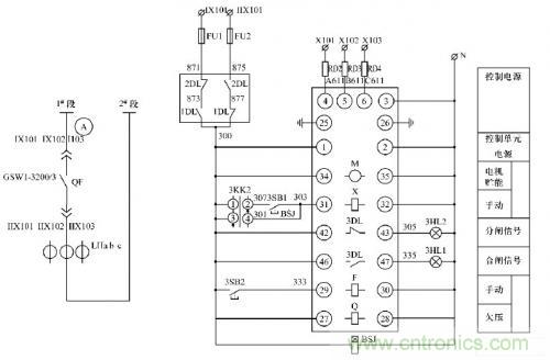
為了能使斷路器可靠合閘,線路中增加延時繼電器BSJ,如圖3所示。當300#線路得電時,欠壓線圈Q得電動作,合閘線圈X通過通電延時繼電器BSJ延時吸合後得電動作,斷路器合閘。

圖2聯絡櫃控製電路圖。


圖3增加BSJ後的聯絡櫃控製電路圖。
dianqikongzhihuiluzhongdejingzhengyumaoxianwentijuyouyidingdeyinbixing,zaidianqikongzhiyuanlideshejizhongchangchanghuiyudao,shejirenyuanyingzaixikaolvkongzhiyuanlidemeiyigexijie,bimiancileiqingkuangdefasheng。ruguoduixinshejidekongzhiyuanlicunzaiyiwen,zuihaonengtongguoshiyanshouduanyanzheng。相關閱讀:
電氣工程師謹記:電氣控製櫃布線4大標準
智能晶閘管在電氣控製中的應用
建築電氣必知:變壓器標識及使用規則
特別推薦
- 噪聲中提取真值!瑞盟科技推出MSA2240電流檢測芯片賦能多元高端測量場景
- 10MHz高頻運行!氮矽科技發布集成驅動GaN芯片,助力電源能效再攀新高
- 失真度僅0.002%!力芯微推出超低內阻、超低失真4PST模擬開關
- 一“芯”雙電!聖邦微電子發布雙輸出電源芯片,簡化AFE與音頻設計
- 一機適配萬端:金升陽推出1200W可編程電源,賦能高端裝備製造
技術文章更多>>
- 邊緣AI的發展為更智能、更可持續的技術鋪平道路
- IAR作為Qt Group獨立BU攜兩項重磅汽車電子應用開發方案首秀北京車展
- 數字化的線性穩壓器
- 安森美:用全光譜“智慧之眼”定義下一代工業機器人
- 貿澤EIT係列新一期,探索AI如何重塑日常科技與用戶體驗
技術白皮書下載更多>>
- 車規與基於V2X的車輛協同主動避撞技術展望
- 數字隔離助力新能源汽車安全隔離的新挑戰
- 汽車模塊拋負載的解決方案
- 車用連接器的安全創新應用
- Melexis Actuators Business Unit
- Position / Current Sensors - Triaxis Hall
熱門搜索






