三大招幫你實現CAN總線節點設計的可靠性
發布時間:2017-02-20 責任編輯:susan
【導讀】CAN總線通訊已經從汽車電子行業逐漸向各行各業鋪開使用了,例如軌道交通、礦井監控等。在設計CAN總線接口電路時需要注意哪些問題呢?
對於提高CAN總線節點的可靠性而言,離不開隔離、總線阻抗匹配、總線保護等,在設計CAN節點時要注意這些點以提高總線電路可靠性和安全性。
一、隔離
信號隔離
隔(ge)離(li)收(shou)發(fa)器(qi)可(ke)將(jiang)總(zong)線(xian)和(he)控(kong)製(zhi)電(dian)路(lu)進(jin)行(xing)電(dian)氣(qi)隔(ge)離(li),將(jiang)高(gao)壓(ya)阻(zu)擋(dang)在(zai)控(kong)製(zhi)係(xi)統(tong)之(zhi)外(wai),可(ke)以(yi)有(you)效(xiao)地(di)保(bao)證(zheng)操(cao)作(zuo)人(ren)員(yuan)的(de)人(ren)身(shen)及(ji)係(xi)統(tong)安(an)全(quan)。不(bu)僅(jin)如(ru)此(ci),隔(ge)離(li)可(ke)以(yi)抑(yi)製(zhi)由(you)接(jie)地(di)電(dian)勢(shi)差(cha)、接地環路引起的各種共模幹擾,保證總線在嚴重幹擾和其它係統級噪聲存在的情況下不間斷、無差錯運行。如圖 1所(suo)示(shi),使(shi)用(yong)隔(ge)離(li)收(shou)發(fa)器(qi)後(hou),可(ke)以(yi)有(you)效(xiao)防(fang)止(zhi)形(xing)成(cheng)地(di)環(huan)路(lu),總(zong)線(xian)參(can)考(kao)地(di)可(ke)跟(gen)隨(sui)共(gong)模(mo)電(dian)壓(ya)的(de)波(bo)動(dong)而(er)波(bo)動(dong),共(gong)模(mo)電(dian)壓(ya)全(quan)部(bu)由(you)隔(ge)離(li)帶(dai)承(cheng)受(shou),共(gong)模(mo)電(dian)壓(ya)對(dui)總(zong)線(xian)信(xin)號(hao)變(bian)得(de)不(bu)再(zai)可(ke)見(jian),從(cong)而(er)保(bao)證(zheng)總(zong)線(xian)穩(wen)定(ding)可(ke)靠(kao)地(di)通(tong)信(xin)。

CAN總線上建議使用磁隔離技術。磁隔離技術可靠性較高,磁耦消除了與光耦合器相關的不確定的電流傳送比率、非線性傳送特性以及隨時間漂移和隨溫度漂移問題;磁耦均帶有25KV/us的瞬態共模抑製能力,且能夠在電壓差峰值560V的環境下正常工作。磁耦器件可提供5000Vrms/min及6000V/10sec的電壓隔離保護,多種型號的磁耦帶有±15KV的ESD保護。長壽命。采用芯片級變壓器技術傳輸信號,消除光耦傳輸時的器件損耗。器件內部基本不存在損耗,正常工作條件下至少達到50年nian工gong作zuo壽shou命ming。低di功gong耗hao。磁ci耦ou基ji於yu芯xin片pian級ji變bian壓ya器qi傳chuan輸shu原yuan理li,信xin號hao傳chuan輸shu時shi幾ji乎hu不bu存cun在zai能neng量liang損sun耗hao,因yin此ci能neng以yi極ji低di的de功gong耗hao實shi現xian高gao度du的de數shu據ju隔ge離li。相xiang同tong速su率lv下xia,其qi功gong耗hao僅jin為wei光guang耦ou的de1/10~1/6。
電源隔離
信號通道做隔離後,建議電源通道也做隔離,可直接采用帶隔離的DC-DC隔離模塊實現,如下圖所示。

DC-DC隔離電源模塊
二、阻抗匹配
電信號在在電纜上shang傳chuan輸shu時shi,當dang阻zu抗kang不bu連lian續xu或huo者zhe發fa生sheng突tu變bian時shi,就jiu會hui發fa生sheng信xin號hao反fan射she。反fan射she的de過guo程cheng十shi分fen的de複fu雜za,甚shen至zhi可ke能neng發fa生sheng多duo次ci反fan射she,反fan射she的de信xin號hao疊die加jia在zai正zheng常chang的de信xin號hao上shang,引yin起qi電dian平ping變bian化hua,導dao致zhi數shu據ju傳chuan輸shu出chu現xian錯cuo誤wu。為wei了le消xiao減jian這zhe種zhong信xin號hao反fan射she的de方fang法fa,我wo們men是shi使shi傳chuan輸shu電dian纜lan上shang的de阻zu抗kang保bao持chi連lian續xu,但dan是shi電dian纜lan總zong是shi有you終zhong點dian的de,終zhong點dian的de阻zu抗kang是shi突tu變bian的de,為wei了le使shi終zhong點dian阻zu抗kang保bao持chi連lian續xu,CAN-Bus規定要在電纜兩端接入匹配電阻。這個終端電阻的阻值一般選用120Ω。如圖 3所示。

CAN總線終端電阻匹配
三、保護措施
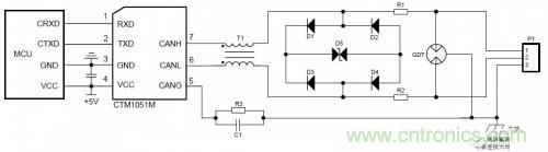
節點在戶外等惡劣的現場環境時,容易遭受大能量的雷擊,此時需要對CAN 信號端口添加更高等級的防護電路,保證節點不被損壞以及總線的可靠通訊。

CAN節點端口推薦電路
上圖中除了右端的保護電路,中間使用的CAN隔離收發器模塊,該模塊主要集成了CAN收發器、DC-DC電源模塊、信號隔離電路三部分電路,打包封裝成一個獨立的模塊,可大大簡化CAN硬件設定的難度,降低開發時間成本。

CTM1051CAN隔離收發模塊
特別推薦
- 噪聲中提取真值!瑞盟科技推出MSA2240電流檢測芯片賦能多元高端測量場景
- 10MHz高頻運行!氮矽科技發布集成驅動GaN芯片,助力電源能效再攀新高
- 失真度僅0.002%!力芯微推出超低內阻、超低失真4PST模擬開關
- 一“芯”雙電!聖邦微電子發布雙輸出電源芯片,簡化AFE與音頻設計
- 一機適配萬端:金升陽推出1200W可編程電源,賦能高端裝備製造
技術文章更多>>
- 貿澤EIT係列新一期,探索AI如何重塑日常科技與用戶體驗
- 算力爆發遇上電源革新,大聯大世平集團攜手晶豐明源線上研討會解鎖應用落地
- 創新不止,創芯不已:第六屆ICDIA創芯展8月南京盛大啟幕!
- AI時代,為什麼存儲基礎設施的可靠性決定數據中心的經濟效益
- 矽典微ONELAB開發係列:為毫米波算法開發者打造的全棧工具鏈
技術白皮書下載更多>>
- 車規與基於V2X的車輛協同主動避撞技術展望
- 數字隔離助力新能源汽車安全隔離的新挑戰
- 汽車模塊拋負載的解決方案
- 車用連接器的安全創新應用
- Melexis Actuators Business Unit
- Position / Current Sensors - Triaxis Hall
熱門搜索






