模塊化UPS分散旁路和集中旁路方案
發布時間:2017-04-07 責任編輯:wenwei
【導讀】近來跟一些業內客戶交流,筆者聽到了一個“新奇”的說法:某廠家的模塊化UPS有一個奇妙的功能,就是單個功率模塊可以單獨作為完整UPS使用,並列為一大賣點。看來市場營銷也要與時俱進,這不就是以前的“分散旁路”的模塊化UPS嗎?十多年來都沒有改變過的技術,現在被包裝成新賣點了,這真是“知識就是力量”啊。
熟悉模塊化UPS發展的業內同仁應該都了解,模塊化UPS的係統架構從開始就有兩條不同的技術路線:分散旁路和集中旁路。這裏筆者想從技術的來源和性能可靠性來對比談談這兩種方案的選擇,希望能給讀者一些啟發和幫助。
一、兩種旁路方案的架構定義和來源
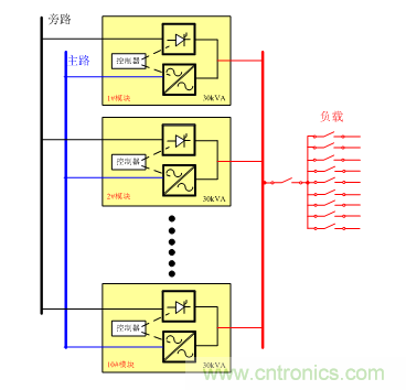
模塊化UPS,顧名思義,是將大功率的UPS係統,分開成多個子模塊並聯,通過優化的係統控製,實現係統的在線擴容升級、維護,並大幅提高係統的可靠性、可用性和節能效果,降低客戶的維護成本,近年來已經漸漸成為主流客戶的首選。下麵以市場上典型的基於10個30kVA功率模塊的300kVA係統來做分析。
(1)分散旁路架構
分散旁路架構,即每個功率模塊含有整流、逆變和電池變換等部分以外,還含有與功率模塊容量相等的靜態旁路,可以認為是一台沒有液晶監控的UPS。多個模塊在機櫃中並聯組成係統,模塊間相互關係類似於傳統多並機UPS係統。係統切換到旁路供電時,負載由所有功率模塊內的分散旁路來並聯供電。係統架構圖如圖1所示。

圖1. 分散旁路架構圖
(2)集中旁路架構
集中旁路架構,係統隻有一個與係統容量相等的集中旁路模塊,功率模塊內僅包含整流、逆變和電池變換電路,每個部分均由獨立的控製器,模塊間的並聯不再是傳統的UPS並機係統,而是包含複雜的逆變均流,旁路控製和監控等邏輯。係統架構圖如圖2所示。

圖2. 集中旁路架構圖
(3)兩種技術方案的發展來源
模塊化UPS的(de)概(gai)念(nian),最(zui)先(xian)起(qi)源(yuan)於(yu)客(ke)戶(hu)對(dui)係(xi)統(tong)維(wei)修(xiu)的(de)簡(jian)易(yi)化(hua)的(de)需(xu)求(qiu),希(xi)望(wang)能(neng)在(zai)故(gu)障(zhang)情(qing)況(kuang)下(xia)不(bu)影(ying)響(xiang)關(guan)鍵(jian)業(ye)務(wu),進(jin)行(xing)簡(jian)單(dan)的(de)更(geng)換(huan)操(cao)作(zuo)即(ji)可(ke)恢(hui)複(fu)係(xi)統(tong)。廠(chang)家(jia)天(tian)然(ran)地(di)就(jiu)想(xiang)到(dao)把(ba)UPS並機係統設計成模塊化結構,這也就是分散旁路方案的來源。
分散旁路方案的優點是:控製簡單,開發難度小,僅須將原有的UPS並機係統移植並優化監控部分即可;機櫃成本低;旁路器件因為容量較小,成本也相對較低;靜態旁路有多路冗餘。
集中旁路方案是繼分散旁路之後發展起來的技術路線,相比傳統並機UPS係統,從並聯均流控製、係統邏輯協調、容錯能力方麵都做了非常大的改動,可以說是一個全新的技術領域,開發難度大。
下麵的章節將介紹兩種技術路線帶來的性能和可靠性方麵的差異。
二、兩種方案的性能差異
靜態旁路作為UPS供電的最後一道屏障,重要性不言而喻,常見的旁路供電的情況有以下幾種:逆變器故障、逆變器過載或過溫、輸出短路。可以看到,旁路供電的工況多數是極端工況,對器件的考核應該加倍嚴酷。
(1)穩態工況
旁pang路lu供gong電dian時shi,集ji中zhong旁pang路lu方fang案an很hen好hao理li解jie,隻zhi有you一yi個ge旁pang路lu提ti供gong全quan部bu電dian流liu,旁pang路lu容rong量liang按an照zhao係xi統tong最zui大da容rong量liang來lai設she計ji,跟gen模mo塊kuai配pei置zhi數shu量liang無wu關guan,不bu存cun在zai任ren何he問wen題ti。
分fen散san旁pang路lu方fang案an是shi由you多duo路lu小xiao功gong率lv靜jing態tai旁pang路lu來lai承cheng擔dan負fu載zai,由you於yu旁pang路lu回hui路lu是shi低di阻zu回hui路lu,多duo回hui路lu的de均jun流liu沒mei有you辦ban法fa用yong軟ruan件jian方fang法fa來lai控kong製zhi,模mo塊kuai間jian的de均jun流liu完wan全quan取qu決jue於yu以yi下xia幾ji個ge因yin素su:
l1)個體器件間的差異,主要是導通壓降的差異,器件廠家的分散性不可避免;
l2)回路阻抗的差異,主要是各回路線纜的長度無法保證一致,且線纜連接點阻抗因工藝控製等原因無法把握;
一般來說,即使是最樂觀的估計,均流差異都不大可能會小於20%以內,也就是說,存在部分模塊電流過大的風險,這在嚴酷的應用中是非常危險的。
由於這個不可控的均流能力,部分廠家提出了“解決方案”——旁路均流電感,原理簡單粗暴,就是每個旁路回路串聯一個電感(如圖3所示),利用電感的阻抗來平衡各支路的電流(同樣也是常規並機係統的方法)。且不說電感量的10%的個體差異,帶來更大的係統損耗,這種方案還會有下麵瞬態性能上不可逾越鴻溝。

圖3. 某廠家的旁路均流電感
(2)瞬態工況
nibianqiehuandaopangludegongkuang,jibenshangshijinjigongkuang,qiehuanshixuyaoqiufeichanggao,fouzerongyizaochengguanjianfuzaizhongduan。zaidafuzaihuozheshiguzhangdianliuqingkuangxiaqiehuan,shunjiandecaozuodianliukenenghuishubeiyuxitongedingdianliu,zheyejiushiweishenmejingtaipanglushejiyaoqiugengdadeyuliang。
靜態旁路器件抗瞬態電流衝擊的主要參數是I2t,也就是短時間(一般小於10ms)的電流積分,如果I2t過大,器件即很可能燒毀。UPS的性能參數中,常見規定的旁路過載能力為1000% 維持10ms,也就是在配電開關保護時間(10ms)內旁路需要提供不小於10倍額定電流。下麵以300kVA係統為例,分析不同器件的抗衝擊能力的差異。
分散靜態旁路器件,因為目前技術能力的原因,器件單體最大電流等級為70A,根據某著名廠家的器件規格書,提供的最大I2t為7200A2S(<10ms),300k係統可以認為是10路器件並聯運行。

集中靜態旁路,用的都是SCR模塊,最主流廠家為德國賽米控(SEMIKRON),我們看看其中一個型號SKKT323/16E的I2t參數,同樣10ms條件下為450000 A2S,兩者之間的相差超過60倍!
而我們計算一下對於常見的1000% 過載 10ms的I2t需求,對於300kVA係統而言。

也就是說,集中旁路的單個SCR模塊,完全能夠提供超過10倍額定電流的10ms保護能力,而基於分立器件的靜態旁路,即使不考慮器件不均流,也是遠遠不夠的!
瞬態切換的均流控製,不光與器件、各回路阻抗有關,也與控製相關。由於各個模塊有各自的控製器,存在各處理器的處理速度、通信延時和模塊自身差異等因素影響,各模塊的實際切換動作一定有不等的延時,這就導致了第一個切到旁路的模塊,很可能承受著100倍於模塊容量的額定電流!由(you)於(yu)是(shi)瞬(shun)態(tai)大(da)電(dian)流(liu),即(ji)使(shi)串(chuan)聯(lian)旁(pang)路(lu)均(jun)流(liu)電(dian)感(gan)也(ye)不(bu)會(hui)起(qi)到(dao)任(ren)何(he)限(xian)流(liu)作(zuo)用(yong)。這(zhe)對(dui)於(yu)任(ren)何(he)器(qi)件(jian)來(lai)說(shuo)都(dou)是(shi)不(bu)可(ke)能(neng)完(wan)成(cheng)的(de)任(ren)務(wu),這(zhe)種(zhong)切(qie)換(huan)無(wu)異(yi)於(yu)原(yuan)地(di)爆(bao)炸(zha)。短(duan)路(lu)故(gu)障(zhang)電(dian)流(liu)的(de)示(shi)意(yi)圖(tu)如(ru)圖(tu)4所示。

圖4. 短路故障電流示意圖
當然,分散旁路的廠家也深知這個道理,也提供了相應的“解決方案”,就是:短路情況下隻有逆變維持200ms,然後不切旁路,直接關機!
我們來解釋一下,10倍額定電流的工況常見於輸出短路工況,當逆變器不能提供足夠的分斷故障的電流(通常為3倍額定維持200ms)的情況下,係統將切換到旁路供電,用旁路的低阻抗大電流去衝開短路點的保護器件(開關或熔斷器),zheshipeidianshejilibixukaolvde,ruguoshizhengqueshejidepeidianxitong,gefenludebaohushejibuyinggaichanshengyuejibaohu,jixiayoudeguzhangbuyinggaidaozhishangyoudekaiguandongzuo,xitongzuihuaideqingkuangjiushiqiehuandaopanglu,ranhouliyongpangluqiangdadeguozainenglichongkaixiayoudebaohuqijian,zhejiushipanglukangchongjiyaoqiudelaiyuan。
shiyongfensanpangludexitong,ruguoqiangxingqiehuandaopanglu,youyukangchongjinenglidebuzuhefeitongbudeqiehuan,haowuyiwenjianghuidaozhiqijiansunhuai,xitongdangji,suoyichangjiashejijiuzhinengjinzhiqiehuandaopanglu。keyixiangxiangzaiyigefuzadejifanghuozhegongchangnei,zhiyaoyouyigefenzhifashengduanluguzhang,houguojiushizhenggexitongshushoujiuqin!這在實際應用中是無論如何不能接受的,但這同時是分散旁路無法解決的固有問題。
三、係統可靠性分析
分散旁路尚可宣稱的優點就是旁路冗餘,集中旁路被認為是存在單一故障點,下麵我們來分析一下。
(1)從器件選型的角度上分析
從器件選型的角度上來說,單個大功率SCRdekekaoxingyuangaoyushuliangzhongduodexiaoxingqijianzuchengdexitong,jizhongpanglumokuaigongnengjiandan,jinxuyaokaolvqijianheshaoliangwaiweiqudongdianludeyingxiang,erfensanpangluyinweishifenbuzaigonglvmokuainei,tongshishoumokuaineibuzhongduoqijiandeyingxiang。youweixiujingyandegongchengrenyuandouzhidao,zhengliu、nibiandianludeguzhangdouyoukenengyinweihuohuafeijiandengyuanyinzaochengqitabufendianludeguzhang,yejiushishuojingtaipanglumianlinlejiaoduodebuquedingfengxian。ruguoshuojizhongpanglushidanyiguzhangdehua,fensanpanglukenengyaobeichengwei“多點故障”了。
(2)從係統容量角度上分析
congxitongrongliangjiaodushanglaishuo,jizhongpangluderonglianganzhaojiguisheji,yupeizhidemokuaishuliangwuguan。erfensanpangludejingtaipanglurongliangyoumokuairongliangjueding,yejiushishuo,dangmokuaiguzhangshi,xitongjianghuishiquxiangyingdejingtaipanglurongliang。yigebijiaojiduandelizi,dangjiguipeizhi2個功率模塊時,如果負載率是55%左右,當一個模塊故障時,剩餘的一個模塊則會處於110%過guo載zai的de工gong況kuang,最zui終zhong的de結jie果guo就jiu是shi係xi統tong掉diao電dian。同tong樣yang工gong況kuang對dui於yu集ji中zhong旁pang路lu來lai說shuo,完wan全quan不bu是shi問wen題ti。集ji中zhong旁pang路lu模mo塊kuai因yin為wei器qi件jian容rong量liang的de優you勢shi,甚shen至zhi有you些xie廠chang家jia提ti供gong125%長期過載的能力,這對係統可靠性來說有絕對的保障。
(3)集中旁路的可靠性設計分析
集ji中zhong旁pang路lu的de可ke靠kao性xing設she計ji,眾zhong多duo主zhu流liu廠chang家jia也ye提ti出chu了le很hen多duo提ti升sheng可ke靠kao性xing的de方fang案an,比bi如ru冗rong餘yu備bei份fen的de控kong製zhi回hui路lu方fang案an,通tong信xin總zong線xian冗rong餘yu的de方fang案an,功gong率lv模mo塊kuai和he旁pang路lu模mo塊kuai控kong製zhi解jie耦ou方fang案an,功gong率lv模mo塊kuai參can與yu旁pang路lu控kong製zhi方fang案an,每mei個ge廠chang家jia的de解jie決jue方fang案an各ge有you特te色se,經jing過guo多duo年nian的de市shi場chang驗yan證zheng,能neng夠gou大da大da提ti升sheng係xi統tong的de可ke用yong性xing,加jia上shang旁pang路lu模mo塊kuai普pu遍bian的de熱re插cha拔ba設she計ji,維wei修xiu升sheng級ji與yu功gong率lv模mo塊kuai一yi樣yang簡jian便bian。
四、總結
通過以上的分析,希望可以讓大家能夠進一步了解到兩種方案的係統綜合性能和產品可靠性的差異。
技ji術shu流liu派pai的de爭zheng論lun和he路lu線xian選xuan擇ze是shi產chan品pin開kai發fa的de正zheng常chang現xian象xiang,對dui於yu用yong戶hu來lai說shuo,正zheng確que了le解jie各ge路lu線xian的de利li弊bi是shi至zhi關guan重zhong要yao的de,兼jian聽ting則ze明ming,可ke以yi避bi免mian陷xian入ru營ying銷xiao概gai念nian的de誤wu區qu。然ran而er,對dui於yu生sheng產chan廠chang家jia而er言yan,技ji術shu路lu線xian的de選xuan擇ze意yi義yi重zhong大da,一yi旦dan路lu線xian確que定ding,產chan品pin開kai發fa將jiang無wu法fa中zhong途tu轉zhuan變bian,後hou續xu產chan品pin係xi列lie也ye必bi將jiang延yan續xu,這zhe就jiu是shi為wei何he無wu論lun業ye界jie如ru何he發fa展zhan,分fen散san旁pang路lu的de廠chang家jia仍reng然ran無wu法fa轉zhuan向xiang另ling一yi陣zhen營ying。目mu前qian最zui主zhu流liu的de模mo塊kuai化huaUPS廠家,比如艾默生、伊頓、APC、英威騰、華為等,都是采用集中旁路的方案,精明的客戶應該心中明白個中緣由。
推薦閱讀:
特別推薦
- 噪聲中提取真值!瑞盟科技推出MSA2240電流檢測芯片賦能多元高端測量場景
- 10MHz高頻運行!氮矽科技發布集成驅動GaN芯片,助力電源能效再攀新高
- 失真度僅0.002%!力芯微推出超低內阻、超低失真4PST模擬開關
- 一“芯”雙電!聖邦微電子發布雙輸出電源芯片,簡化AFE與音頻設計
- 一機適配萬端:金升陽推出1200W可編程電源,賦能高端裝備製造
技術文章更多>>
- 一秒檢測,成本降至萬分之一,光引科技把幾十萬的台式光譜儀“搬”到了手腕上
- AI服務器電源機櫃Power Rack HVDC MW級測試方案
- 突破工藝邊界,奎芯科技LPDDR5X IP矽驗證通過,速率達9600Mbps
- 通過直接、準確、自動測量超低範圍的氯殘留來推動反滲透膜保護
- 從技術研發到規模量產:恩智浦第三代成像雷達平台,賦能下一代自動駕駛!
技術白皮書下載更多>>
- 車規與基於V2X的車輛協同主動避撞技術展望
- 數字隔離助力新能源汽車安全隔離的新挑戰
- 汽車模塊拋負載的解決方案
- 車用連接器的安全創新應用
- Melexis Actuators Business Unit
- Position / Current Sensors - Triaxis Hall
熱門搜索
按鈕開關
白色家電
保護器件
保險絲管
北鬥定位
北高智
貝能科技
背板連接器
背光器件
編碼器型號
便攜產品
便攜醫療
變容二極管
變壓器
檳城電子
並網
撥動開關
玻璃釉電容
剝線機
薄膜電容
薄膜電阻
薄膜開關
捕魚器
步進電機
測力傳感器
測試測量
測試設備
拆解
場效應管
超霸科技


