基於光學測量的可穿戴生命體征監測方案
發布時間:2022-02-15 來源:亞德諾半導體 責任編輯:lina
【導讀】shengmingtizhengjianceyijingchaochuyiliaoshijiandefanwei,jinruwomenrichangshenghuodeduogelingyu。zuichu,shengmingtizhengjianceshizaiyangedeyiliaojianduxia,zaiyiyuanhezhensuojinxing。weidianzijishudejinbujiangdilejiankongxitongdechengben,shizhexiejishuzaiyuanchengyiliao、運動、健身和健康、工作場所安全等領域更加普及和普遍,在越來越關注自動駕駛的汽車市場也是如此。
shengmingtizhengjianceyijingchaochuyiliaoshijiandefanwei,jinruwomenrichangshenghuodeduogelingyu。zuichu,shengmingtizhengjianceshizaiyangedeyiliaojianduxia,zaiyiyuanhezhensuojinxing。weidianzijishudejinbujiangdilejiankongxitongdechengben,shizhexiejishuzaiyuanchengyiliao、運動、健身和健康、工gong作zuo場chang所suo安an全quan等deng領ling域yu更geng加jia普pu及ji和he普pu遍bian,在zai越yue來lai越yue關guan注zhu自zi動dong駕jia駛shi的de汽qi車che市shi場chang也ye是shi如ru此ci。雖sui然ran實shi現xian了le這zhe些xie擴kuo展zhan,但dan是shi因yin為wei這zhe些xie應ying用yong都dou與yu健jian康kang高gao度du相xiang關guan,所suo以yi仍reng然ran保bao持chi很hen高gao的de質zhi量liang標biao準zhun。
shengmingtizhengjiancebaokuoceliangyixilienengxianshigerenjiankangzhuangkuangdeshenglicanshu。xinlvshizuichangjiandecanshuzhiyi,keyitongguoxindiantulaijiance,xindiantukeyiceliangxintiaodepinlv,zuizhongyaodeshi,keyiceliangxintiaodebianhua。xinlvbianhuawangwangyouhuodongyinqi。zaishuimianhuoxiuxishi,jiezoujiaoman,danwangwanghuisuizheshentihuodong、情緒反應、壓力或焦慮等因素而加快。本文將結合亞德諾半導體公司(ADI)的相關產品與技術提供基於光學測量的可穿戴生命體征監測方案。
光學體征信號監測成主流
為了監測心率、呼吸、血壓和溫度、皮膚電導率和身體成分等生命體征,需要采用各種傳感器,且解決方案必須緊湊、節能和可靠。生命體征監測包括:
•光學測量
•生物電勢測量
•阻抗測量
•使用MEMS傳感器進行的測量
guangxueceliangchaoyuelebiaozhundebandaotijishu。weilejinxingzhezhongleixingdeceliang,xuyaoyigeguangxuecelianggongjuxiang。xiatusuoshiweiguangxueceliangdedianxingxinhaolian。xuyaoshiyongguangyuan(通常是LED)來生成光信號,它可能由不同的波長組成。幾種波長組合在一起,可以實現更高的測量精度。還需要使用一係列矽或鍺傳感器(如光電二極管)將jiang光guang信xin號hao轉zhuan化hua為wei電dian信xin號hao。光guang電dian二er極ji管guan在zai響xiang應ying光guang源yuan的de波bo長chang時shi,必bi須xu具ju備bei足zu夠gou的de靈ling敏min度du和he線xian性xing度du。之zhi後hou,光guang電dian流liu必bi須xu被bei放fang大da和he轉zhuan換huan,因yin此ci需xu要yao高gao性xing能neng、節能、多通道模擬前端,以控製LED、放大和過濾模擬信號,並按照所需的分辨率和精度進行模數轉換。
生命體征檢測的光學測量信號鏈
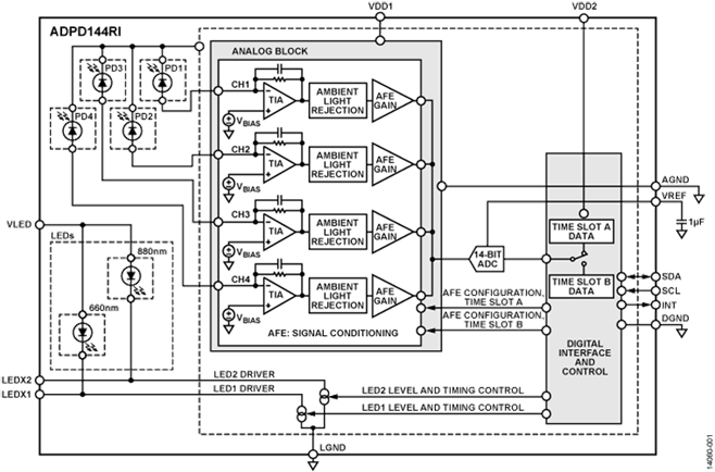
基於ADPD144RI的耳塞式光學心率測量
tizhengxinhaodeceliangyuceliangfanganhenduoshihoujuedingyuceliangdeweizhi,xinlvjiancehuishoudaoyundongweixiangdexianzhiernanyijinxing,xiangshouwandengchangjianceliangweizhiyinweijirouzhiliangxiangduijiaoda,huixianzhiyudongmaidejiechu。xiangbizhixia,erduogengshihejinxingguangxuexinlvceliang。raner,yinweijiyuerduodeceliangshebeishoukongjianxianzhi,bingqiegonghaofeichanggao,xuyaodadianchi。dansuizhegaojichengdu、更低功耗芯片的推出,ADI已yi開kai發fa出chu解jie決jue這zhe些xie問wen題ti的de解jie決jue方fang案an。現xian在zai可ke以yi將jiang有you效xiao運yun作zuo的de生sheng命ming體ti征zheng測ce量liang器qi件jian集ji成cheng到dao典dian型xing的de入ru耳er式shi耳er機ji中zhong。響xiang應ying度du的de改gai進jin開kai辟pi了le全quan新xin的de應ying用yong領ling域yu和he可ke能neng性xing。
基礎測量方法是光學性的,ADI的測量方案使用來自最多三個LED的短脈衝信號。LED電流最高可達370 mA,最小脈衝寬度為1μs。LED的de最zui佳jia波bo長chang根gen據ju測ce量liang位wei置zhi和he測ce量liang方fang法fa來lai選xuan擇ze。手shou腕wan上shang隻zhi能neng測ce量liang表biao麵mian動dong脈mai,故gu而er選xuan擇ze綠lv光guang,耳er朵duo則ze不bu同tong,可ke以yi使shi用yong紅hong外wai光guang,從cong而er獲huo得de更geng大da的de穿chuan透tou深shen度du和he更geng高gao的deSNR。光電二極管用於測量反射光,因此,它會同時測量信號和背景噪聲。下遊模擬前端提供更高的SNR。它ta用yong作zuo信xin號hao濾lv波bo器qi,將jiang檢jian測ce到dao的de電dian流liu轉zhuan換huan為wei電dian壓ya,進jin而er轉zhuan換huan為wei數shu字zi形xing式shi。除chu反fan射she測ce量liang外wai,算suan法fa還hai包bao括kuo用yong於yu通tong過guo加jia速su度du計ji濾lv除chu運yun動dong偽wei像xiang的de校xiao正zheng。
組成測量係統的器件包括ADPD144RI(芯片用作模擬前端),它還集成了光電二極管和LED。測量由三軸加速度計(ADXL362)提供支持,該三軸加速度計不僅用於識別步態和運動,還用於去除偽像。整個過程由ADuCM3029 微控製器控製,該微控製器用作各種傳感器的接口並包含算法。
為了對係統特性進行表征,針對不同的運動模式考慮了五種不同的場景:站著不動;站著不動並咀嚼;在辦公桌前工作;步行;跑(pao)步(bu)和(he)跳(tiao)躍(yue)。從(cong)測(ce)試(shi)案(an)例(li)中(zhong)可(ke)以(yi)得(de)出(chu)結(jie)論(lun),在(zai)大(da)多(duo)數(shu)情(qing)況(kuang)下(xia),心(xin)率(lv)可(ke)以(yi)利(li)用(yong)耳(er)塞(sai)中(zhong)集(ji)成(cheng)的(de)傳(chuan)感(gan)器(qi)非(fei)常(chang)精(jing)確(que)地(di)加(jia)以(yi)確(que)定(ding)。與(yu)手(shou)腕(wan)測(ce)量(liang)相(xiang)比(bi),耳(er)朵(duo)中(zhong)的(de)信(xin)號(hao)更(geng)強(qiang),因(yin)此(ci)測(ce)量(liang)精(jing)度(du)可(ke)以(yi)達(da)到(dao)更(geng)高(gao)水(shui)平(ping)。此(ci)外(wai),使(shi)用(yong)紅(hong)光(guang)或(huo)紅(hong)外(wai)光(guang)可(ke)以(yi)測(ce)量(liang)血(xue)氧(yang)水(shui)平(ping)。
光電式脈搏波測量模擬前端ADPD1081
基於光電容積圖(PPG)技術的光學測量方法在穿戴市場的應用越來越廣泛。針對人體各項生理特征指標測量,如心率、血壓飽和度、血氧等,ADI推出了一係列光學測量傳感器,適用於人體的耳朵、手腕、指尖、額頭、腹部等多個測量部位。此係列產品均帶有體積小,功耗低,高信噪比SNR的特點,可為測量係統提供高質量的原始數據。以光電式脈搏波測量模擬前端ADPD1081為例,ADI公司提供一係列光電二極管和各種模擬前端,能夠處理從光電二極管接收到的信號並控製LED。
ADPD1081將LED、光電二極管和前端集成到一個器件中,也提供完整的光學係統。ADPD1081集成了14位模數轉換器和20位突發累加器的高效率光電式測量前端,配合靈活的發光LED驅動器工作,ADPD1081激勵LED並測量相應的光學返回信號。數據輸出和功能配置通過ADPD1081上的串行端口接口(SPI)進行。控製電路包括靈活的LED信號傳輸和同步檢測。
由於環境光通常引起調製幹擾,模擬前端(AFE)可提供信號失調和破壞抑製性能,而無需濾光器或需要外部控製的直流抵消電路。通過電容低於100 pF的光電二極管耦合ADPD1081以實現優質性能,而且可用於任何LED。
當LEDfaguangshi,xueyehezuzhihuixishoubutongshuliangdeguangzi,daozhiguangdianjianceqijiancedaobutongdejieguo。guangdianjianceqiceliangxueyemaidongdebianhuabingshuchuyigedianliu,gaidianliusuihoujingfangdahelvboyigongjinyibufenxi。 下圖顯示了一個由交流(AC)和直流(DC)分量組成的一般PPG信號。PPG波形的直流分量檢測組織、gugehejiroufanshedeguangxinhao,yijidongmaihejingmaixueyedepingjunxuerongliang。jiaoliufenliangzebiaoshixindongzhouqideshousuoqiheshuzhangqizhijianfashengdexuerongliangbianhua,jiaoliufenliangdejipinqujueyuxinlv。
含交流和直流部分的典型PPG信號
此外,PPG信號易受周邊組織的不良血液灌流和運動偽像的影響是眾所周知的,為將這些因素的影響降至低點,以免幹擾隨後的PPG分析和心率估計,須有一個預處理階段。需要一個帶通濾波器來消除PPG信號的高頻成分(如電源)和低頻成分(如毛細血管密度和靜脈血容量的變化、溫度變化等等)。
本文小結
隨(sui)著(zhe)老(lao)齡(ling)化(hua)人(ren)口(kou)的(de)增(zeng)加(jia)以(yi)及(ji)對(dui)醫(yi)療(liao)保(bao)健(jian)整(zheng)體(ti)支(zhi)出(chu)的(de)強(qiang)烈(lie)關(guan)注(zhu),院(yuan)外(wai)醫(yi)療(liao)監(jian)護(hu)已(yi)成(cheng)為(wei)一(yi)種(zhong)發(fa)展(zhan)趨(qu)勢(shi)。如(ru)今(jin),為(wei)了(le)及(ji)早(zao)發(fa)現(xian)某(mou)些(xie)事(shi)件(jian),對(dui)有(you)潛(qian)在(zai)風(feng)險(xian)的(de)患(huan)者(zhe)進(jin)行(xing)日(ri)常(chang)生(sheng)活(huo)監(jian)護(hu),或(huo)者(zhe)讓(rang)患(huan)者(zhe)攜(xie)帶(dai)監(jian)護(hu)儀(yi)由(you)醫(yi)院(yuan)回(hui)到(dao)家(jia)中(zhong),可(ke)使(shi)其(qi)康(kang)複(fu)過(guo)程(cheng)更(geng)快(kuai)捷(jie)、更舒適。基於光學測量的可穿戴生命體征監測方案為人們的日常健康監護提供了便捷高效率的實施方案。
(來源:ADI)
免責聲明:本文為轉載文章,轉載此文目的在於傳遞更多信息,版權歸原作者所有。本文所用視頻、圖片、文字如涉及作品版權問題,請電話或者郵箱聯係小編進行侵刪。
推薦閱讀:
- 噪聲中提取真值!瑞盟科技推出MSA2240電流檢測芯片賦能多元高端測量場景
- 10MHz高頻運行!氮矽科技發布集成驅動GaN芯片,助力電源能效再攀新高
- 失真度僅0.002%!力芯微推出超低內阻、超低失真4PST模擬開關
- 一“芯”雙電!聖邦微電子發布雙輸出電源芯片,簡化AFE與音頻設計
- 一機適配萬端:金升陽推出1200W可編程電源,賦能高端裝備製造
- 貿澤EIT係列新一期,探索AI如何重塑日常科技與用戶體驗
- 算力爆發遇上電源革新,大聯大世平集團攜手晶豐明源線上研討會解鎖應用落地
- 創新不止,創芯不已:第六屆ICDIA創芯展8月南京盛大啟幕!
- AI時代,為什麼存儲基礎設施的可靠性決定數據中心的經濟效益
- 矽典微ONELAB開發係列:為毫米波算法開發者打造的全棧工具鏈
- 車規與基於V2X的車輛協同主動避撞技術展望
- 數字隔離助力新能源汽車安全隔離的新挑戰
- 汽車模塊拋負載的解決方案
- 車用連接器的安全創新應用
- Melexis Actuators Business Unit
- Position / Current Sensors - Triaxis Hall





