模擬量輸入測量值顯示滿量程(上溢)的故障處理方法
發布時間:2023-05-29 責任編輯:lina
【導讀】在本文介紹6ES7331-7KF02-0AB0模擬量輸入所有測量值顯示滿量程(上溢)的故障處理方法,對儀表工用好有所幫助。
在本文介紹6ES7331-7KF02-0AB0模擬量輸入所有測量值顯示滿量程(上溢)的故障處理方法,對儀表工用好有所幫助。
背景介紹
1、西門子PLC模擬量輸入模塊6ES7331-7KF02-0AB0。
2、模塊4個通道接2線製儀表,儀表通過隔離式安全柵接至模塊。
3、2個通道接4線製儀表,其中一個是露點儀。
故障分析與處理
1、故障模塊和正常模塊互換位置,發現隻有在特定位置的模塊會出現故障。排除模塊故障。
2、在控製櫃內依次拆除各通道接線,拆除露點儀接線後,其他通道測量值恢複正常。經檢查發現露點儀4-20mA信號負端接地。
3、恢複其他通道接線,單獨斷開露點儀接線,測量值正常片刻後,再次溢出。
4、將2線製儀表跳過隔離式安全柵,直接接入模塊後各通道恢複正常。
5、測量儀表24VDC電源,正與負端電壓約24V,正與地電壓約12V,地與負端電壓約12V。
6、將24VDC電源負端接地,係統恢複正常。
7、恢複安全柵接線,恢複露點儀接線,係統正常。
故障原因
參考電位差異,引起共模幹擾,造成模塊6ES7331-7KF02-0AB0測量值溢出。
故障改善措施
1、6ES7331-7KF02-0AB0正確的接線

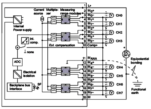
模擬量輸入模塊6ES7331-7KF02-0AB0用於電流測量的2線製和4線製測量傳感器的連接時首先必須根量程卡位置,2線製電流為D,4線製測量為C;兩線製電流測量時直接連接到模塊端子上,如連接到通道CH0時,把測量的正M0 連接到端子2上,測量的負M0-連接到端子3上,無須接地;4線製測量時,如果使用隔離電源時,必須將所有測量電路的M-與參考電位Mana(模塊端子11)相連接,並與模塊的電源M-進行等電位連接,並一起進行功能性接地;如果使用非隔離電源的接地4線製傳感器時,不需要互連MANA和M-(端子 11、13、15、17、19)的情況,因為測量信號負端M-與本地接地電位已經互連,並且參考電勢Mana和本地接地點也已經互連。COMP 是用於外部補償,而Mana是參考電位,一般模擬量輸入模塊6ES7331-7KF02-0AB0使用內部補償,所以必須將COMP 與參考電位Mana短接。
2線製輸入,不推薦把模塊設為4線製,再串電源的接法;無論2線製或4線製輸入,對6ES7331-7KF02-0AB0來說都是正接正,負接負,隻是電流流向是反的,2線製電流接法的電流是流出模塊的,而4線製電流接法的電流是流入模塊的;將模板的測量模塊,及在其屬性中作相應的設置,即2線製或4線製。同一組2通道的輸入類型必須一致。測量模塊與模板屬性設為2線製或4線製即可。
2、一直是顯示滿量程?
若排除測量模式和量程卡的問題後,問題仍存在,可能是共模電壓過高。製造有限公司的經驗是:采用模擬量信號隔離器或,其後以4線製信號接入6ES7331-7KF02-0AB0模塊。
3、如何避免6ES7331-7KF02-0AB0模塊超過共模電壓(Ucm)以及如何避免出現隨後的上溢或下溢現象?
當輸入端開路且連接了零電勢測量變送器時,可能會稍稍超過共模電壓值。因此,必須對隔離4線測量變送器、零電勢電壓傳感器以及隔離熱電偶采取如下措施:
①M- 輸入端必須連接到模塊地;
②MANA也必須接地;
③將沒用到的COMP 端接地;
注意事項:如果沒有采取這些措施,正常工作的測量變送器的測量值也有可能出現壞值。
通道組輸入端的處理:
①如果通道組的兩個輸入端都沒有使用,請將測量範圍模塊插入“D”設置;
②如果通道組有一個輸入端沒有使用;
③請參閱4-20mA測量範圍手冊裏的說明書;
④短接電壓/熱電偶測量範圍的開路輸入端(將M 和M-連接在一起)並將其接地。
免責聲明:本文為轉載文章,轉載此文目的在於傳遞更多信息,版權歸原作者所有。本文所用視頻、圖片、文字如涉及作品版權問題,請聯係小編進行處理。
推薦閱讀:
- 噪聲中提取真值!瑞盟科技推出MSA2240電流檢測芯片賦能多元高端測量場景
- 10MHz高頻運行!氮矽科技發布集成驅動GaN芯片,助力電源能效再攀新高
- 失真度僅0.002%!力芯微推出超低內阻、超低失真4PST模擬開關
- 一“芯”雙電!聖邦微電子發布雙輸出電源芯片,簡化AFE與音頻設計
- 一機適配萬端:金升陽推出1200W可編程電源,賦能高端裝備製造
- 貿澤EIT係列新一期,探索AI如何重塑日常科技與用戶體驗
- 算力爆發遇上電源革新,大聯大世平集團攜手晶豐明源線上研討會解鎖應用落地
- 創新不止,創芯不已:第六屆ICDIA創芯展8月南京盛大啟幕!
- AI時代,為什麼存儲基礎設施的可靠性決定數據中心的經濟效益
- 矽典微ONELAB開發係列:為毫米波算法開發者打造的全棧工具鏈
- 車規與基於V2X的車輛協同主動避撞技術展望
- 數字隔離助力新能源汽車安全隔離的新挑戰
- 汽車模塊拋負載的解決方案
- 車用連接器的安全創新應用
- Melexis Actuators Business Unit
- Position / Current Sensors - Triaxis Hall



