大電流LED調光方法的對比分析
發布時間:2008-10-11 來源:www.dzsc.com
中心論題:
- 調光範圍
- 固定頻率降壓LED驅動器的調光
解決方案:
- 使能調光方案
- 串行調光方案
- 並行調光方案
隨著LED顯示屏的市場不斷增長,高對比度變成了一個時髦的詞。最近,業內一家電子製造商巨頭推出了具備動態LED背光控製的高清晰度70英寸LCD電視,其對比度高達500,000:1,耗電量卻減少了一半。該公司將如此高的對比度歸功於調光技術的采用。
對比度一般都被定義為係統可產生出的最亮色彩(白色)與最暗色彩(黑色)的發光度比率。可以通過控製進入的正向電流來調節LED的亮度級別,即模擬調光。LEDdesecaikeyisuizhezhengxiangdianliudebianhuaerweiyi,yinciduiyuyixiekerongrensecaiweiyidedidangzhaomingxitongeryan,monitiaoguangbushiweiyigeheshidexuanze。danshi,duiyujiyuLED的LCD顯示屏等的高端應用來說,為獲得想要的色彩一致性和各種亮度級別,就必須采用更複雜的調光技術。針對高端應用的LED驅動器一般都采用固定頻率工作模式與PWM調光機製。在PWM調光中,LED正向電流以減少的占空比在0%至100%間轉換,以進行亮度控製。然而,PWM調光信號的頻率必須大於100Hz,yimianchuxianshanshuohuodoudong。weijinliangjiangdiketingdaozaoshenghefushe,gaoduanzhaomingxitongdetiaoguangpinlvfanweiyibanyaoqiujiwanhezi。keshi,genggaodetiaoguangpinlvjiangdafusuoxiaoqudongdetiaoguangfanwei,fanerjiangdixitongdezuidaliangdu。benwenjiangtantaozaigudingpinlv、時間延遲磁滯控製和固定導通時間的降壓式LED驅動器中,高頻PWM調光技術的性能表現,並通過測試數據來衡量不同配置下的性能。
調光範圍
在PWM調光中,LED正向電流以受控的占空比(DDim)進行開/關(ON/OFF),以達到想要的亮度級別。DDim的動態範圍定義了PWM調光配置所能實現的最大亮度級別。如上所述,LED亮度與LED正向電流成比例,因此,在使用PWM調光配置時所得到的最高和最低LED電流平均值分別由式1和式2表示。
ILED_Max=DDim_Max×ILED (1)
ILED_Min=DDim_Min×ILED (2)
其中,ILED為LED電流,ILED_Max為LED電流的平均最高值,ILED_Min為LED電流的平均最低值,DDim_Max為最大調光占空比,DDim_Min為最小調光占空比。因此,最高和最低LED明亮的比率,又被看作PWM調光範圍,用式3表示。
調光範圍=DDim_Max/DDim_Min (3)
式3表示PWM調光範圍與最大、最小調光占空比之間的關係。對於給定的調光頻率FDim,DDim_Max表示最大占空比,即LED電流在下一個調光周期開始前,從所需的正向電流降低至零的時間;DDim_Min表示最小占空比,即LED電流由零升至所需的正向電流(IF)的時間。
可以采用多個不同的電路來實現正向LED電流的開/關切換

在使能調光方案中,LED電流的開/關是通過把開關穩壓器或者電源FET驅動器設置成使能(Enable)或失效(Disable)來實現的。使能調光的缺點是調光延遲較大(tD,tSU&tSD)。tD指需要啟動開關穩壓器電路所需的時間。如果利用調光信號去開/關電源FET驅動器,而不是去開關穩壓器,則可以消除這種延遲。tSU和tSD指電感器電流上升至所需LED電流,並將電流下降到零電流所需的時間,這種延遲很大程度視乎LEDqudongqidechuandongtexing。shinengtiaoguangfangankeyizaiditiaoguangpinlvxiatigongjiaodadetiaoguangfanwei。danshi,youyutiaoguangyanchibijiaoda,ruguozengjiatiaoguangpinlv,huimingxianjiangditiaoguangfanwei。
串行調光方案將一個開關與LED串聯在一起,這樣,LED電流從IF和零之間的切換將隨著串聯開關的導通(ON)和斷開(OFF)來執行。在這種配置中,當串行開關器導通時,峰值檢測器被用來確保電壓信號在反饋引腳(FB)處的連續性。串行調光沒有延遲時間tD和tSD,因此要優於使能調光。不過,這種方法的tSU較大,在高調光頻率下所能達至的調光範圍比較小。
並行調光方案把一個分流開關與LED並聯在一起。一旦將這個開關設置成OFF或ON,立刻會有電流IF流進或者流出LED。並行調光能明顯減少tD、tSU和tSD,因為它可長期維持連續的電感器電流,這個電流的平均值大約等於所需的LED正zheng向xiang電dian流liu。因yin此ci,這zhe種zhong調tiao光guang配pei置zhi適shi合he那na些xie在zai高gao調tiao光guang頻pin率lv下xia要yao求qiu寬kuan調tiao光guang範fan圍wei的de應ying用yong。但dan是shi,並bing行xing調tiao光guang必bi須xu配pei合he開kai關guan穩wen理li器qi拓tuo樸pu來lai使shi用yong,因yin為wei隻zhi有you這zhe種zhong布bu局ju才cai可ke提ti供gong連lian續xu的de輸shu出chu電dian感gan器qi電dian流liu。此ci外wai,由you於yu分fen流liu開kai關guan(shunt switch)的功率耗散,這種方式將降低整體係統的效率。下文將探討與固定頻率、磁滯和固定導通時間降壓式LED驅動器一起工作時,使能調光和並行調光方案的性能。
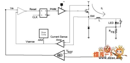
固定頻率降壓LED驅動器的調光
固定頻率電流模式降壓LED驅動器。驅動器可通過選用Enable_Dim控製或Shunt_Dim控製,配置成使能調光或並行調光。LED驅動器的典型使能調光波形,這些波形是用LM3045(1A的16MHz固定頻率LED驅動器)來產生的。
- 噪聲中提取真值!瑞盟科技推出MSA2240電流檢測芯片賦能多元高端測量場景
- 10MHz高頻運行!氮矽科技發布集成驅動GaN芯片,助力電源能效再攀新高
- 失真度僅0.002%!力芯微推出超低內阻、超低失真4PST模擬開關
- 一“芯”雙電!聖邦微電子發布雙輸出電源芯片,簡化AFE與音頻設計
- 一機適配萬端:金升陽推出1200W可編程電源,賦能高端裝備製造
- 貿澤EIT係列新一期,探索AI如何重塑日常科技與用戶體驗
- 算力爆發遇上電源革新,大聯大世平集團攜手晶豐明源線上研討會解鎖應用落地
- 創新不止,創芯不已:第六屆ICDIA創芯展8月南京盛大啟幕!
- AI時代,為什麼存儲基礎設施的可靠性決定數據中心的經濟效益
- 矽典微ONELAB開發係列:為毫米波算法開發者打造的全棧工具鏈
- 車規與基於V2X的車輛協同主動避撞技術展望
- 數字隔離助力新能源汽車安全隔離的新挑戰
- 汽車模塊拋負載的解決方案
- 車用連接器的安全創新應用
- Melexis Actuators Business Unit
- Position / Current Sensors - Triaxis Hall




