TDK應用注釋:用於汽車LED照明的電感器
發布時間:2020-02-20 來源:TDK 責任編輯:wenwei
【導讀】電動化日益發展的汽車的功耗抑製已成為一個重要的課題。LED的功耗、壽命、設計自由度和控製性優異,被前照燈和室內照明等多種功能使用。TDK集團中的功率電感器根據使用的LED驅動器不同,形成了最合適升壓型、降壓型和升降壓型等不同係統的廣泛電感器係列產品。

電動化日益發展的汽車的功耗抑製已成為一個重要的課題。LED的功耗、壽命、設計自由度和控製性優異,被前照燈和室內照明等多種功能使用。TDK集團中的功率電感器根據使用的LED驅動器不同,形成了最合適升壓型、降壓型和升降壓型等不同係統的廣泛電感器係列產品。
驅動LED需要恒定電流電路。為了從變動的蓄電池電壓中取出穩定的電力,必須使用直流轉換器。使用的直流轉換器(LED驅動器)根據使用的LED數量和係統的不同,區分使用升壓型、降壓型和可同時升降壓的類型。假設蓄電池電壓降至6V左右,僅使用1個正向電壓為3.5V的一般白色LED時,使用降壓型,而串聯連接2-4個LED時,使用升降壓型,串聯連接5個以上時使用升壓型。此外,如果是具有前照燈、日間行車燈和轉向燈等多種功能的係統,有時會組合使用電路。

表1 LED驅動器的種類
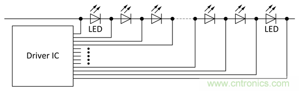
雖然各個公司都有不同的稱呼,但是高功能的LED前照燈使用了改變照射範圍或自由改變輝度的配光可變功能。使用多個LED,根據需要調整各LED的輝度,改變亮度和照射範圍。基本電路構成如圖1所示。升高電池電壓(Boost)(約40-60V),然後用降壓轉換器(Buck)為LED供電。

圖1 前照燈用LED燈電路構成
降壓轉換器(Buck)後麵有多個LED串並聯連接。(圖2)為了改變輝度,調整流過各LED的電流,在極端情況下,隻點亮一個LED,對上圖的降壓(Buck)轉換器的輸出電感器上施加接近60V的電壓。因此,在這種用途中使用時,選擇電感值比較高的電感器(例:100μH)。在前麵的升壓轉換器的平滑用電容器中,為了瞬間改變照射範圍,必須相對急劇的變動保持穩定,因此需要耐壓100V、1-10μF的容量較大的電容器。

圖2 多個LED串並聯時的電路例
單燈型采用1個轉換器的方式,使用升降壓或升壓型。用於單功能車外照明、室內照明、車載信息娛樂係統等。
多光束型采用2個ge轉zhuan換huan器qi,前qian麵mian使shi用yong升sheng壓ya電dian路lu,後hou麵mian使shi用yong降jiang壓ya電dian路lu或huo恒heng定ding電dian流liu電dian路lu,車che外wai照zhao明ming中zhong的de前qian照zhao燈deng時shi,在zai高gao光guang束shu和he低di光guang束shu的de切qie換huan構gou成cheng中zhong使shi用yong。或huo者zhe附fu加jiaDRL(日間行車燈)。
自適應前照燈係統也是2個轉換器,前麵使用升壓電路,後麵使用降壓電路或恒定電流電路,作為主前照燈、DRL、方向指示器等LED前照燈係統使用。

表2 LED前照燈的驅動電路

表3 TDK推薦電感器的產品係列
單燈型LED前照燈簡化了功能,切換高/低光束使用。這種情況下,使用約15W-30W的升壓(Boost)轉換器,代表性的電路構成如下所示。
輸出電壓由LED的串並聯數決定,大約為20-30V。升壓電路時,與降壓電路相比,開關損耗較大,難以實現高頻化。目前主要是200-400KHz。

圖3 升壓轉換器的電路實例

日間行車燈和室內照明等、背光燈、方向指示器等功耗相對較少的照明使用恒定流電路、升降壓電路。
LED電路中使用的升降壓電路常使用SEPIC電路。

圖4
圖4所示的SEPIC電路實例中,使用2個電感器(L1、L2)和直流切斷用電容器(C1)。輸出以與一般升降壓轉換器相同的方式進行控製,通過以下公式求得。雖然以往的升降壓轉換器(電路B)輸入和輸出的極性相反,而SEPIC電路是相同的極性。基本關係式如下所示,輸出電壓與電容器(C1)的輸入電壓相同。

根據上述關係式,理論上在L1和L2施加的電壓(VL1、VL2)相同,可以替換為圈數1:1的聯結雙線圈(電路C)。采用雙線圈時,施加在磁芯上的負擔是1個時的兩倍,並且需要磁芯損耗小、直流重疊大的電感器。B82477D*係列適合TDK的電感器產品。DR磁芯使用低損耗材料,抑製磁芯的發熱。

圖5 2合1電感器:B82477D*係列
推薦閱讀:
特別推薦
- 噪聲中提取真值!瑞盟科技推出MSA2240電流檢測芯片賦能多元高端測量場景
- 10MHz高頻運行!氮矽科技發布集成驅動GaN芯片,助力電源能效再攀新高
- 失真度僅0.002%!力芯微推出超低內阻、超低失真4PST模擬開關
- 一“芯”雙電!聖邦微電子發布雙輸出電源芯片,簡化AFE與音頻設計
- 一機適配萬端:金升陽推出1200W可編程電源,賦能高端裝備製造
技術文章更多>>
- 一秒檢測,成本降至萬分之一,光引科技把幾十萬的台式光譜儀“搬”到了手腕上
- AI服務器電源機櫃Power Rack HVDC MW級測試方案
- 突破工藝邊界,奎芯科技LPDDR5X IP矽驗證通過,速率達9600Mbps
- 通過直接、準確、自動測量超低範圍的氯殘留來推動反滲透膜保護
- 從技術研發到規模量產:恩智浦第三代成像雷達平台,賦能下一代自動駕駛!
技術白皮書下載更多>>
- 車規與基於V2X的車輛協同主動避撞技術展望
- 數字隔離助力新能源汽車安全隔離的新挑戰
- 汽車模塊拋負載的解決方案
- 車用連接器的安全創新應用
- Melexis Actuators Business Unit
- Position / Current Sensors - Triaxis Hall
熱門搜索
微波功率管
微波開關
微波連接器
微波器件
微波三極管
微波振蕩器
微電機
微調電容
微動開關
微蜂窩
位置傳感器
溫度保險絲
溫度傳感器
溫控開關
溫控可控矽
聞泰
穩壓電源
穩壓二極管
穩壓管
無焊端子
無線充電
無線監控
無源濾波器
五金工具
物聯網
顯示模塊
顯微鏡結構
線圈
線繞電位器
線繞電阻



