LDO參數指標淺談
發布時間:2023-03-29 責任編輯:lina
【導讀】在zai整zheng個ge電dian子zi產chan品pin設she計ji中zhong,電dian源yuan部bu分fen是shi整zheng個ge產chan品pin正zheng常chang運yun行xing發fa揮hui最zui佳jia性xing能neng的de基ji礎chu。一yi個ge複fu雜za的de電dian源yuan係xi統tong,會hui經jing過guo多duo種zhong電dian壓ya之zhi間jian的de轉zhuan換huan,在zai我wo們men初chu始shi設she計ji時shi會hui比bi較jiao關guan心xin輸shu入ru電dian壓ya範fan圍wei,輸shu出chu電dian壓ya值zhi和he輸shu出chu電dian流liu最zui大da是shi多duo少shao,但dan是shi否fou隻zhi需xu要yao了le解jie這zhe些xie參can數shu就jiu夠gou了le呢ne,顯xian然ran不bu是shi。
在zai整zheng個ge電dian子zi產chan品pin設she計ji中zhong,電dian源yuan部bu分fen是shi整zheng個ge產chan品pin正zheng常chang運yun行xing發fa揮hui最zui佳jia性xing能neng的de基ji礎chu。一yi個ge複fu雜za的de電dian源yuan係xi統tong,會hui經jing過guo多duo種zhong電dian壓ya之zhi間jian的de轉zhuan換huan,在zai我wo們men初chu始shi設she計ji時shi會hui比bi較jiao關guan心xin輸shu入ru電dian壓ya範fan圍wei,輸shu出chu電dian壓ya值zhi和he輸shu出chu電dian流liu最zui大da是shi多duo少shao,但dan是shi否fou隻zhi需xu要yao了le解jie這zhe些xie參can數shu就jiu夠gou了le呢ne,顯xian然ran不bu是shi。
在模擬電路采樣中我們會比較關心電源輸出紋波和噪聲指標;在數字電路中並發式或突發式電流突變時電壓波動幅度的變化,我們又會關注瞬態響應指標;在低功耗手持設備中我們會關心靜態電流,轉換效率指標,進而要考慮功率耗散和溫升,TJ,封裝等一係列問題,甚至在一些複雜的係統中我們還會關注powergood,反接短路保護,EMI/EMC,上下電跟蹤及時序等。
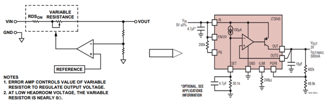
在芯片係列中有線性穩壓器(LDO)和開關電源(DC/DC)。LDO看似簡單,實際非常重要。例如,將負載與不幹淨的電源隔離或者構建低噪聲電源來為敏感電路供電。LDO電路簡單,隻能做降壓,低紋波噪聲,快速瞬態響應。
LDO關鍵性能參數
最小壓差
即輸入與輸出之間能夠維持正常工作的最小壓差。VIN=VOUT+Vdropout。芯片的的設計工藝和結構不同,壓差不同;電流增加溫度升高壓降也會增大。

2. 輸入電壓
我們需要考慮輸入電壓的最高瞬態值和浪湧電壓來選,通常按照找2倍以上耐壓值取較安全。
3. 輸出電流
實(shi)際(ji)輸(shu)出(chu)能(neng)力(li)與(yu)壓(ya)差(cha)和(he)電(dian)流(liu)有(you)關(guan),手(shou)冊(ce)中(zhong)給(gei)表(biao)示(shi)的(de)理(li)想(xiang)狀(zhuang)態(tai)。實(shi)際(ji)的(de)輸(shu)出(chu)能(neng)力(li)和(he)壓(ya)差(cha)及(ji)電(dian)流(liu)相(xiang)關(guan)。大(da)的(de)輸(shu)出(chu)電(dian)流(liu)值(zhi)散(san)熱(re)問(wen)題(ti)越(yue)嚴(yan)重(zhong),如(ru)果(guo)是(shi)大(da)電(dian)流(liu)的(de)應(ying)用(yong)盡(jin)量(liang)使(shi)用(yong)開(kai)關(guan)電(dian)源(yuan)。

4. 熱阻參數
TJMAX:芯片內核正常工作的最高參數,該值越高內核耐熱性越好,其中ƟJA和ƟJC越小越好。
在使用中要確保芯片的內核溫度TJ不會超過芯片標定的正常運行最大結溫。元器件結溫計算:TJ=TA+θJA·PH。

5. 紋波/噪聲
PSRR衡量電路抑製電源輸入端出現的外來信號(噪聲和紋波),使這些幹擾信號不至於破壞電路輸出的能力。在實際場景中越是低頻的噪聲越難抑製。在100 kHz 至 1 MHz 範圍內的電源抑製非常重要,因為 LDO 經常跟高效的開關電源配合使用來為敏感的模擬電路供電。

6. 瞬態響應
瞬態響應是指電流階躍變化時的輸出電壓變化。它與電容,控製環路的增益帶寬和負載電流變化的大小和速率有關。
它是電源穩定性很重要的參數,不合適可能會導致係統偶發複位等現象。

注意事項:LDO的輸出和輸入電容類型和值要選對,否則可能會出現穩定性問題。
LDO的結構趨勢
ADI 基於電流基準構架的LT3042、LT3045和LT3094係列產品在節省時間和成本的同時提高應用的性能。相比舊的構架極大的改善了電壓調節能力和瞬態響應。它們的噪聲和PSRR性能不受輸出電壓的影響。
此外,多個器件可以直接並聯,以進一步降低輸出噪聲,增加輸出電流,並可在PCB上散熱。


LDO 看似簡單實則非常重要,想要運用LDO的最佳性能,需要綜合考慮多種因素。工程師需要了解基本術語後,有效地使用數據手冊信息來確定對於設計而言最為重要的參數。
(來源:Cadence楷登PCB及封裝資源中心微信公眾號)
免責聲明:本文為轉載文章,轉載此文目的在於傳遞更多信息,版權歸原作者所有。本文所用視頻、圖片、文字如涉及作品版權問題,請聯係小編進行處理。
推薦閱讀:
廣汽、比亞迪、豐田、本田等都來參與,AUTO TECH 2023 華南展今年有哪些亮點?
- 噪聲中提取真值!瑞盟科技推出MSA2240電流檢測芯片賦能多元高端測量場景
- 10MHz高頻運行!氮矽科技發布集成驅動GaN芯片,助力電源能效再攀新高
- 失真度僅0.002%!力芯微推出超低內阻、超低失真4PST模擬開關
- 一“芯”雙電!聖邦微電子發布雙輸出電源芯片,簡化AFE與音頻設計
- 一機適配萬端:金升陽推出1200W可編程電源,賦能高端裝備製造
- 從機械執行到智能互動:移遠Q-Robotbox助力具身智能加速落地
- 品英Pickering將亮相2026航空電子國際論壇,展示航電與電池測試前沿方案
- 模擬芯片設計師的噩夢:晶體管差1毫伏就廢了,溫度升1度特性全飄
- 3A大電流僅需3x1.6mm?意法半導體DCP3603重新定義電源設計
- 芯科科技Tech Talks與藍牙亞洲大會聯動,線上線下賦能物聯網創新
- 車規與基於V2X的車輛協同主動避撞技術展望
- 數字隔離助力新能源汽車安全隔離的新挑戰
- 汽車模塊拋負載的解決方案
- 車用連接器的安全創新應用
- Melexis Actuators Business Unit
- Position / Current Sensors - Triaxis Hall



