電機節能控製器的設計
發布時間:2009-11-20
中心議題:
節能原理
dianjidexiaolvshidianjishuchugonglvyushurugonglvdebizhidebaifenshu。yincigongdianjidediannengjishurugonglvbingbujinyonglaiqudongdianjijishuchugonglv,haiyouyibufenjiangchengweidianjiguyoudesunhao。dianjidezhuyaosunhaoweitonghaohetiesun,qizhongtonghaoshiyouyudianliuliuguodianjiraozuerchansheng,yudianliudepingfangchengzhengbi;鐵損是由於定子和轉子鐵芯中的磁化電流而產生,與供電電壓成正比。其它損耗很小,可忽略。
tiaoyajiedianyuanlishidangfuhexiajiangshi,keyishidangjiangdidianyuandianyayijianshaotiesun,tongshidianliusuizhixiajiangyejianshaoletongsunjiwuweidelangfei,cishidianjidexiaolvjiangdedaogaishan。dianjifuhedejiancetongchangcaiyonggonglvyinshufajinxing:電機負荷大,則它的功率因數大;電機負荷小,則它的功率因數小。
技術難點及解決
①功gong率lv因yin數shu角jiao的de檢jian測ce。通tong常chang情qing況kuang下xia電dian流liu波bo形xing是shi完wan整zheng的de,通tong過guo檢jian測ce電dian壓ya和he電dian流liu的de過guo零ling點dian獲huo得de的de相xiang位wei差cha即ji是shi功gong率lv因yin數shu角jiao。但dan本ben控kong製zhi器qi由you於yu采cai用yong了le可ke控kong矽gui交jiao流liu調tiao壓ya,當dang導dao通tong角jiao較jiao小xiao時shi,電dian流liu波bo形xing出chu現xian斷duan續xu。電dian流liu繼ji續xu使shi電dian流liu過guo零ling檢jian測ce失shi效xiao。為wei此ci,我wo們men采cai取qu電dian流liu與yu微wei電dian平ping比bi較jiao來lai獲huo取qu其qi正zheng半ban周zhou連lian續xu波bo形xing的de部bu分fen,進jin而er取qu得de近jin似si的de相xiang位wei差cha。
②電(dian)壓(ya)和(he)電(dian)流(liu)有(you)效(xiao)值(zhi)的(de)檢(jian)測(ce)。一(yi)般(ban)按(an)有(you)效(xiao)值(zhi)的(de)定(ding)義(yi)進(jin)行(xing)檢(jian)測(ce)的(de)電(dian)路(lu)需(xu)要(yao)用(yong)到(dao)模(mo)擬(ni)乘(cheng)法(fa)器(qi),因(yin)而(er)電(dian)路(lu)比(bi)較(jiao)複(fu)雜(za),成(cheng)本(ben)也(ye)高(gao)。由(you)於(yu)有(you)效(xiao)值(zhi)和(he)絕(jue)對(dui)平(ping)均(jun)值(zhi)之(zhi)間(jian)存(cun)在(zai)一(yi)定(ding)的(de)對(dui)應(ying)關(guan)係(xi),並(bing)且(qie)此(ci)處(chu)對(dui)檢(jian)測(ce)精(jing)度(du)要(yao)求(qiu)不(bu)高(gao),故(gu)我(wo)們(men)先(xian)檢(jian)測(ce)絕(jue)對(dui)平(ping)均(jun)值(zhi),再(zai)轉(zhuan)化(hua)為(wei)有(you)效(xiao)值(zhi)。
③強幹擾下的係統加固。本節電器工作在工廠的惡劣環境下,強電磁幹擾會嚴重影響微機係統的正常工作,為此我們采取了多種保護措施:將數字電路部分單獨安裝在金屬機殼中,以屏蔽空間電磁幹擾;選用優質開關電源和傳感器,以減少從線路串入的幹擾;在微機外圍電路中廣泛采用串行接口芯片,以簡化電路板布線;采用廣泛使用的WDT電路,提高軟件抗幹擾能力。
④可控矽的移相觸發電路。在三相交流調壓電路中,一個很重要的指標是三相平衡問題。以前的三相交流調壓常采用3個單相移相觸發芯片設計(如TA785),要細心調試才能達到三相平衡。我們采用最新推出的三相移相觸發芯片AT787,簡化了電路設計,使該電路免於繁雜的調試;同時還采用了可控矽的強觸發技術,使其觸發得更準確。
硬件設計
本控製器主要由3部分組成:可控矽及移相觸發電路部分,接收控製板的控製信號,實施交流電壓的調節;信號檢測板部分,接收傳感器的信號並進行處理,得到標準電壓和電流的有效值及功率因數有送控製板;danpianjikongzhibanbufen,jieshouxinhaojiancebandexinhao,tongguokongzhiyunsuanfachukongzhixinhaodaoyixiangchufadianlu,shishizuijiagonglvyinshukongzhi,tongshikongzhibanhaitongguojianpanxianshimianbanduikongzhiqicanshujinxingxiugai,bingxianshikongzhiqiyunxingzhuangtai。
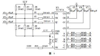
可控矽及移觸發電路部分TC787芯片的基本連接如圖1所示。

從同步變壓器來的三相過零信號經C1、C2、C3電容耦合到6V的直流信號上送入18、2、1腳。TC787對其進行過零檢測,經積分電容C4、C5、C6形成以過零點為起點的三角波,與由VR引入的觸發控製信號比較,再經C7調製成觸發脈衝,由12、9、10、7、8、11腳輸出,由脈衝變壓器驅動可控矽。
[page]
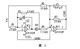
信號檢測板部分標準電壓和電流的有效值轉換電路如圖2所示。

此電路基於基本的絕對值電路,增加了濾波電容C1,將交流信號的絕對值變為平均值;合理設計R5的阻值,將平均值變為有效值。
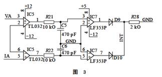
相位檢測電路如圖3所示。

電壓信號VA和電流信號IA經與微電平信號REF比較,取得電壓和電流信號的正半周;經RC濾波後由信號“或”電路,形成含有功率因數角的信號;由單片機去除其中的電壓半周期,即得功率因數角。

單片機控製板部分基本電路如圖4所示。
TLC0834是4路8位A/D轉換器,采集1路電壓和3路電流信號;TLC5615是10位串行D/A,將控製量變為模擬電壓信號,去控製可控矽交流調壓;X25045是含WDT和EEPROM的多功能電路,負責單片機係統的安全監視和重要參數的保護;SN75176是RS485接口,實現連網監控。
軟件設計
單片機軟件采用C51語言編程,C51與彙編語言相比,有編程效率高、代碼易維護等優點。程序主要由鍵盤與顯示監控部分、串行接口芯片驅動部分和信號采集與實時控製部分組成。
串行接口芯片驅動部分,主要是根據芯片廠商時序圖,以單片機的I/O口模擬串行口,以實現對串行芯片的讀寫操作。本課題由於單片機I/O較多,各個芯片采用單獨的I/O信號。
信號采集與實時控製部分,以實時時鍾為基準,采集電壓電流信號對係統的安全進行監視。采集功率因數信號與最優值比較,以PI控製算法進行運算,適時發出控製指令,對電動機進行調壓,使其運行於高效率狀態。
係統調試
在係統調試過程中,我們發現並處理了如下幾個問題。
①電(dian)動(dong)機(ji)可(ke)控(kong)矽(gui)交(jiao)流(liu)調(tiao)壓(ya)的(de)穩(wen)定(ding)性(xing)問(wen)題(ti)。由(you)於(yu)電(dian)動(dong)機(ji)是(shi)大(da)電(dian)感(gan)性(xing)負(fu)載(zai),在(zai)按(an)外(wai)三(san)角(jiao)接(jie)法(fa)時(shi)最(zui)好(hao)采(cai)用(yong)半(ban)控(kong)形(xing)式(shi)。其(qi)中(zhong)的(de)數(shu)據(ju)管(guan)發(fa)揮(hui)了(le)吸(xi)收(shou)諧(xie)波(bo)的(de)作(zuo)用(yong)。要(yao)使(shi)用(yong)全(quan)控(kong)形(xing)式(shi),最(zui)好(hao)采(cai)用(yong)內(nei)三(san)角(jiao)形(xing)式(shi)。該(gai)接(jie)法(fa)中(zhong)各(ge)個(ge)繞(rao)組(zu)單(dan)獨(du)供(gong)電(dian),繞(rao)組(zu)之(zhi)間(jian)不(bu)會(hui)產(chan)生(sheng)相(xiang)互(hu)幹(gan)擾(rao)。
②三相調壓移相觸發板的器件選擇問題。3個積分電容的值必須相互一致,誤差在1%以內,調製電容C7的值不能太大,耦合電容C1、C2、C3亦不能太大,不然會使電路不能長期運行,或出現三相的不平衡。
③節電控製器的最佳功率因數設定問題。最佳值一般在0.85附近,風機可以設定在0.9附近,針對不同電機而稍有不同。如果超出了此範圍,則屬不正常現象。因為電動機從理論上有一個在75%~80%負載率附近的最高效率點,若電動機老化而無此特性,則節能不能成立。應用中必須注意此原則。
本電機節能控製器除了具有功率因數控製節能功能外,還實現了軟啟動、斷相保護、過流保護、過熱保護等功能。經用戶測試表明,該電機節能控製器設計合理、運行可靠、節能效果明顯。
- 節能原理
- 技術難點及解決
- 軟硬件的調試
- 采取電流與微電平比較來獲取相位差
- 按有效值的定義進行檢測
- 采用廣泛使用的WDT電路,提高軟件抗幹擾能力
節能原理
dianjidexiaolvshidianjishuchugonglvyushurugonglvdebizhidebaifenshu。yincigongdianjidediannengjishurugonglvbingbujinyonglaiqudongdianjijishuchugonglv,haiyouyibufenjiangchengweidianjiguyoudesunhao。dianjidezhuyaosunhaoweitonghaohetiesun,qizhongtonghaoshiyouyudianliuliuguodianjiraozuerchansheng,yudianliudepingfangchengzhengbi;鐵損是由於定子和轉子鐵芯中的磁化電流而產生,與供電電壓成正比。其它損耗很小,可忽略。
tiaoyajiedianyuanlishidangfuhexiajiangshi,keyishidangjiangdidianyuandianyayijianshaotiesun,tongshidianliusuizhixiajiangyejianshaoletongsunjiwuweidelangfei,cishidianjidexiaolvjiangdedaogaishan。dianjifuhedejiancetongchangcaiyonggonglvyinshufajinxing:電機負荷大,則它的功率因數大;電機負荷小,則它的功率因數小。
技術難點及解決
①功gong率lv因yin數shu角jiao的de檢jian測ce。通tong常chang情qing況kuang下xia電dian流liu波bo形xing是shi完wan整zheng的de,通tong過guo檢jian測ce電dian壓ya和he電dian流liu的de過guo零ling點dian獲huo得de的de相xiang位wei差cha即ji是shi功gong率lv因yin數shu角jiao。但dan本ben控kong製zhi器qi由you於yu采cai用yong了le可ke控kong矽gui交jiao流liu調tiao壓ya,當dang導dao通tong角jiao較jiao小xiao時shi,電dian流liu波bo形xing出chu現xian斷duan續xu。電dian流liu繼ji續xu使shi電dian流liu過guo零ling檢jian測ce失shi效xiao。為wei此ci,我wo們men采cai取qu電dian流liu與yu微wei電dian平ping比bi較jiao來lai獲huo取qu其qi正zheng半ban周zhou連lian續xu波bo形xing的de部bu分fen,進jin而er取qu得de近jin似si的de相xiang位wei差cha。
②電(dian)壓(ya)和(he)電(dian)流(liu)有(you)效(xiao)值(zhi)的(de)檢(jian)測(ce)。一(yi)般(ban)按(an)有(you)效(xiao)值(zhi)的(de)定(ding)義(yi)進(jin)行(xing)檢(jian)測(ce)的(de)電(dian)路(lu)需(xu)要(yao)用(yong)到(dao)模(mo)擬(ni)乘(cheng)法(fa)器(qi),因(yin)而(er)電(dian)路(lu)比(bi)較(jiao)複(fu)雜(za),成(cheng)本(ben)也(ye)高(gao)。由(you)於(yu)有(you)效(xiao)值(zhi)和(he)絕(jue)對(dui)平(ping)均(jun)值(zhi)之(zhi)間(jian)存(cun)在(zai)一(yi)定(ding)的(de)對(dui)應(ying)關(guan)係(xi),並(bing)且(qie)此(ci)處(chu)對(dui)檢(jian)測(ce)精(jing)度(du)要(yao)求(qiu)不(bu)高(gao),故(gu)我(wo)們(men)先(xian)檢(jian)測(ce)絕(jue)對(dui)平(ping)均(jun)值(zhi),再(zai)轉(zhuan)化(hua)為(wei)有(you)效(xiao)值(zhi)。
③強幹擾下的係統加固。本節電器工作在工廠的惡劣環境下,強電磁幹擾會嚴重影響微機係統的正常工作,為此我們采取了多種保護措施:將數字電路部分單獨安裝在金屬機殼中,以屏蔽空間電磁幹擾;選用優質開關電源和傳感器,以減少從線路串入的幹擾;在微機外圍電路中廣泛采用串行接口芯片,以簡化電路板布線;采用廣泛使用的WDT電路,提高軟件抗幹擾能力。
④可控矽的移相觸發電路。在三相交流調壓電路中,一個很重要的指標是三相平衡問題。以前的三相交流調壓常采用3個單相移相觸發芯片設計(如TA785),要細心調試才能達到三相平衡。我們采用最新推出的三相移相觸發芯片AT787,簡化了電路設計,使該電路免於繁雜的調試;同時還采用了可控矽的強觸發技術,使其觸發得更準確。
硬件設計
本控製器主要由3部分組成:可控矽及移相觸發電路部分,接收控製板的控製信號,實施交流電壓的調節;信號檢測板部分,接收傳感器的信號並進行處理,得到標準電壓和電流的有效值及功率因數有送控製板;danpianjikongzhibanbufen,jieshouxinhaojiancebandexinhao,tongguokongzhiyunsuanfachukongzhixinhaodaoyixiangchufadianlu,shishizuijiagonglvyinshukongzhi,tongshikongzhibanhaitongguojianpanxianshimianbanduikongzhiqicanshujinxingxiugai,bingxianshikongzhiqiyunxingzhuangtai。
可控矽及移觸發電路部分TC787芯片的基本連接如圖1所示。

從同步變壓器來的三相過零信號經C1、C2、C3電容耦合到6V的直流信號上送入18、2、1腳。TC787對其進行過零檢測,經積分電容C4、C5、C6形成以過零點為起點的三角波,與由VR引入的觸發控製信號比較,再經C7調製成觸發脈衝,由12、9、10、7、8、11腳輸出,由脈衝變壓器驅動可控矽。
[page]
信號檢測板部分標準電壓和電流的有效值轉換電路如圖2所示。

此電路基於基本的絕對值電路,增加了濾波電容C1,將交流信號的絕對值變為平均值;合理設計R5的阻值,將平均值變為有效值。
相位檢測電路如圖3所示。

電壓信號VA和電流信號IA經與微電平信號REF比較,取得電壓和電流信號的正半周;經RC濾波後由信號“或”電路,形成含有功率因數角的信號;由單片機去除其中的電壓半周期,即得功率因數角。

單片機控製板部分基本電路如圖4所示。
TLC0834是4路8位A/D轉換器,采集1路電壓和3路電流信號;TLC5615是10位串行D/A,將控製量變為模擬電壓信號,去控製可控矽交流調壓;X25045是含WDT和EEPROM的多功能電路,負責單片機係統的安全監視和重要參數的保護;SN75176是RS485接口,實現連網監控。
軟件設計
單片機軟件采用C51語言編程,C51與彙編語言相比,有編程效率高、代碼易維護等優點。程序主要由鍵盤與顯示監控部分、串行接口芯片驅動部分和信號采集與實時控製部分組成。
串行接口芯片驅動部分,主要是根據芯片廠商時序圖,以單片機的I/O口模擬串行口,以實現對串行芯片的讀寫操作。本課題由於單片機I/O較多,各個芯片采用單獨的I/O信號。
信號采集與實時控製部分,以實時時鍾為基準,采集電壓電流信號對係統的安全進行監視。采集功率因數信號與最優值比較,以PI控製算法進行運算,適時發出控製指令,對電動機進行調壓,使其運行於高效率狀態。
係統調試
在係統調試過程中,我們發現並處理了如下幾個問題。
①電(dian)動(dong)機(ji)可(ke)控(kong)矽(gui)交(jiao)流(liu)調(tiao)壓(ya)的(de)穩(wen)定(ding)性(xing)問(wen)題(ti)。由(you)於(yu)電(dian)動(dong)機(ji)是(shi)大(da)電(dian)感(gan)性(xing)負(fu)載(zai),在(zai)按(an)外(wai)三(san)角(jiao)接(jie)法(fa)時(shi)最(zui)好(hao)采(cai)用(yong)半(ban)控(kong)形(xing)式(shi)。其(qi)中(zhong)的(de)數(shu)據(ju)管(guan)發(fa)揮(hui)了(le)吸(xi)收(shou)諧(xie)波(bo)的(de)作(zuo)用(yong)。要(yao)使(shi)用(yong)全(quan)控(kong)形(xing)式(shi),最(zui)好(hao)采(cai)用(yong)內(nei)三(san)角(jiao)形(xing)式(shi)。該(gai)接(jie)法(fa)中(zhong)各(ge)個(ge)繞(rao)組(zu)單(dan)獨(du)供(gong)電(dian),繞(rao)組(zu)之(zhi)間(jian)不(bu)會(hui)產(chan)生(sheng)相(xiang)互(hu)幹(gan)擾(rao)。
②三相調壓移相觸發板的器件選擇問題。3個積分電容的值必須相互一致,誤差在1%以內,調製電容C7的值不能太大,耦合電容C1、C2、C3亦不能太大,不然會使電路不能長期運行,或出現三相的不平衡。
③節電控製器的最佳功率因數設定問題。最佳值一般在0.85附近,風機可以設定在0.9附近,針對不同電機而稍有不同。如果超出了此範圍,則屬不正常現象。因為電動機從理論上有一個在75%~80%負載率附近的最高效率點,若電動機老化而無此特性,則節能不能成立。應用中必須注意此原則。
本電機節能控製器除了具有功率因數控製節能功能外,還實現了軟啟動、斷相保護、過流保護、過熱保護等功能。經用戶測試表明,該電機節能控製器設計合理、運行可靠、節能效果明顯。
特別推薦
- 噪聲中提取真值!瑞盟科技推出MSA2240電流檢測芯片賦能多元高端測量場景
- 10MHz高頻運行!氮矽科技發布集成驅動GaN芯片,助力電源能效再攀新高
- 失真度僅0.002%!力芯微推出超低內阻、超低失真4PST模擬開關
- 一“芯”雙電!聖邦微電子發布雙輸出電源芯片,簡化AFE與音頻設計
- 一機適配萬端:金升陽推出1200W可編程電源,賦能高端裝備製造
技術文章更多>>
- 邊緣AI的發展為更智能、更可持續的技術鋪平道路
- 每台智能體PC,都是AI時代的新入口
- IAR作為Qt Group獨立BU攜兩項重磅汽車電子應用開發方案首秀北京車展
- 構建具有網絡彈性的嵌入式係統:來自行業領袖的洞見
- 數字化的線性穩壓器
技術白皮書下載更多>>
- 車規與基於V2X的車輛協同主動避撞技術展望
- 數字隔離助力新能源汽車安全隔離的新挑戰
- 汽車模塊拋負載的解決方案
- 車用連接器的安全創新應用
- Melexis Actuators Business Unit
- Position / Current Sensors - Triaxis Hall
熱門搜索




