提高電網功能質量的抗幹擾技術
發布時間:2010-08-09
中心議題:
隨著電力電子(PE)技術的飛速發展,人們對電力係統供電的可靠性、安全性以及電能的質量,提出了越來越高的要求。然而,電網中存在包括化工、冶金、煤礦及家用電器等大量非線性負荷與衝擊負荷,尤其是大功率變流設備、晶閘管整流裝置、電弧爐等負荷,導致電網中暫態衝擊、無功功率、高次諧波及三相不平衡等問題日趨嚴重,對電網造成汙染,增大能量損耗,劣化供電質量,不利於電力係統發、供、用電設備的安全、經濟運行。特別是高次諧波的幹擾,已構成當前電網中影響電能質量的一大“公害”。因此,解決電力係統諧波抑製及無功補償、確保供電的質量,已成為大家關注的熱門課題。
高次諧波的危害及現代控製係統的要求
電(dian)力(li)係(xi)統(tong)中(zhong)三(san)相(xiang)交(jiao)流(liu)發(fa)電(dian)機(ji)輸(shu)出(chu)的(de)電(dian)壓(ya),其(qi)波(bo)形(xing)基(ji)本(ben)為(wei)正(zheng)弦(xian)波(bo),即(ji)波(bo)形(xing)中(zhong)近(jin)似(si)無(wu)直(zhi)流(liu)及(ji)高(gao)次(ci)諧(xie)波(bo)分(fen)量(liang)。就(jiu)基(ji)波(bo)而(er)言(yan)是(shi)對(dui)稱(cheng)分(fen)量(liang),三(san)相(xiang)向(xiang)量(liang)之(zhi)和(he)為(wei)零(ling),對(dui)外(wai)不(bu)形(xing)成(cheng)電(dian)磁(ci)場(chang)。但(dan)諧(xie)波(bo)電(dian)流(liu)分(fen)量(liang)則(ze)因(yin)三(san)相(xiang)向(xiang)量(liang)之(zhi)和(he)不(bu)為(wei)零(ling),能(neng)形(xing)成(cheng)較(jiao)強(qiang)的(de)磁(ci)場(chang),對(dui)電(dian)網(wang)產(chan)生(sheng)各(ge)種(zhong)有(you)害(hai)的(de)影(ying)響(xiang)。
1對電能質量的影響
非(fei)線(xian)性(xing)負(fu)荷(he)是(shi)諧(xie)波(bo)源(yuan),向(xiang)電(dian)網(wang)注(zhu)入(ru)整(zheng)倍(bei)數(shu)於(yu)基(ji)波(bo)頻(pin)率(lv)的(de)諧(xie)波(bo)電(dian)流(liu)分(fen)量(liang)。這(zhe)些(xie)諧(xie)波(bo)電(dian)流(liu)在(zai)電(dian)網(wang)上(shang)產(chan)生(sheng)諧(xie)波(bo)壓(ya)降(jiang),從(cong)而(er)引(yin)起(qi)電(dian)網(wang)電(dian)壓(ya)和(he)電(dian)流(liu)的(de)波(bo)形(xing)畸(ji)變(bian),導(dao)致(zhi)電(dian)能(neng)質(zhi)量(liang)的(de)劣(lie)化(hua)。
2對配電網的影響
zaiyousejinshudaotizhong,jibodianliudefenbukejinsirenweizaizhenggejiemianneishijunyunde。tongguoxiebodianliushi,youyujifuxiaoyingdianliujizhongzaidaotibiaomianboceng,zengdalexiebodianliuhuiludedianzu,shidaotideyouxiaodianzuzengjia,daozhidianwangdegonglvsunhaohenengliangsunhaojiada。gaocixiebohaikenengshidianlixitongfashengdianyaxiezhen,congerzaixianlushangyinqigaodianya,youkenengjichuanxianlushebeidejueyuan。
3對電力係統功率因數的影響
由於設備實際的功率因數小於設備在理想條件下的功率因數,故高次諧波增加了用電設備消耗的功率,降低了係統的功率因數。
4變頻調速係統的要求
bianpintiaosuchuandongxitongdebianpinqi,yinjuyougaoxiaojienengdetedianerchengweijiaoliuchuandongzhongdezhongyaozuchengbufen,danbianpinqidezhengliuqiaoduidianwanglaishuoshifeixianxingfuhe,qinibianqiyoudaduocaiyongPWM技術,當工作於開關模式並作高速切換時會產生大量的耦合性噪聲,EMI嚴重,致使變頻器運行於惡劣的電磁環境,其輸入和輸出側的電壓、電流含較多的高次諧波。故變頻器運行時既要防止外界幹擾它,又要防止它幹擾外界,即實現所謂的電磁兼容性(EMC)。
5現代交流電機控製係統的要求
隨著新的PE變換器拓撲結構的不斷湧現,要求的計算量和控製功能大幅度增加。隨著PE裝置高壓大容量化的發展,DSP(數字信號處理器)控製技術的應用將愈益廣泛。然而,PE係統和電機控製係統的電磁環境往往較為複雜,且因運行頻率很高,DSP的抗幹擾能力通常比微處理器更弱。因此,提高DSP及周邊電路的抗幹擾能力,對於保證係統的可靠運行密切相關,電網的“淨化”是現代PE係統及交流電機控製係統發展應用的重要前提。
抑製高次諧波的主要指標
1加裝交流濾波裝置(無源濾波器)
在zai配pei電dian係xi統tong中zhong,傳chuan統tong的de諧xie波bo抑yi製zhi和he無wu功gong補bu償chang方fang法fa是shi將jiang無wu源yuan電dian力li濾lv波bo器qi與yu需xu補bu償chang的de非fei線xian性xing負fu荷he並bing聯lian,為wei諧xie波bo提ti供gong一yi個ge低di阻zu通tong路lu的de同tong時shi,也ye提ti供gong負fu載zai所suo需xu的de無wu功gong功gong率lv,這zhe是shi最zui常chang見jian和he實shi用yong的de方fang法fa。該gai裝zhuang置zhi利li用yong電dian感gan和he電dian容rong器qi貯zhu能neng元yuan件jian。根gen據ju諧xie振zhen原yuan理li,通tong過guo濾lv波bo電dian路lu對dui需xu要yao消xiao除chu的de高gao次ci諧xie波bo進jin行xing調tiao諧xie,使shi之zhi發fa生sheng諧xie振zhen。以yi便bian其qi在zai諧xie振zhen時shi得de到dao阻zu抗kang最zui小xiao的de特te性xing,有you效xiao消xiao除chu指zhi定ding次ci數shu的de諧xie波bo,並bing在zai諧xie波bo源yuan附fu件jian就jiu地di吸xi收shou諧xie波bo電dian流liu,從cong而er不bu使shi其qi注zhu入ru電dian網wang中zhong去qu。該gai裝zhuang置zhi的de優you點dian是shi投tou資zi少shao、效率高、結(jie)構(gou)簡(jian)單(dan)。運(yun)行(xing)可(ke)靠(kao)及(ji)維(wei)護(hu)方(fang)便(bian),運(yun)行(xing)費(fei)用(yong)也(ye)低(di),不(bu)但(dan)起(qi)到(dao)濾(lv)波(bo)作(zuo)用(yong),還(hai)能(neng)進(jin)行(xing)無(wu)功(gong)補(bu)償(chang)。因(yin)此(ci),無(wu)源(yuan)濾(lv)波(bo)器(qi)是(shi)目(mu)前(qian)廣(guang)泛(fan)采(cai)用(yong)的(de)抑(yi)製(zhi)諧(xie)波(bo)及(ji)無(wu)功(gong)補(bu)償(chang)的(de)重(zhong)要(yao)手(shou)段(duan)。但(dan)該(gai)方(fang)法(fa)的(de)補(bu)償(chang)特(te)性(xing)受(shou)電(dian)網(wang)阻(zu)抗(kang)、頻(pin)率(lv)和(he)運(yun)行(xing)工(gong)況(kuang)的(de)影(ying)響(xiang),隻(zhi)能(neng)起(qi)到(dao)對(dui)某(mou)幾(ji)次(ci)固(gu)定(ding)頻(pin)率(lv)諧(xie)波(bo)的(de)抑(yi)製(zhi)效(xiao)果(guo),而(er)很(hen)可(ke)能(neng)對(dui)其(qi)它(ta)次(ci)諧(xie)波(bo)有(you)放(fang)大(da)作(zuo)用(yong),使(shi)濾(lv)波(bo)器(qi)過(guo)載(zai)甚(shen)至(zhi)燒(shao)毀(hui)。另(ling)外(wai),LC濾波電路會因係統阻抗參數變化而產生與係統並聯諧振問題,影響和後果嚴重。
[page]
2有源電力濾波器的應用
APF是一種新型可動態抑製諧波的PE裝置。其濾波方式為:先從補償對象中檢測出諧波電流,再利用可控的功率半導體器件(補償裝置)向電網注入與諧波源諧波分量(I或U)幅值相等、相位相反的諧波分量(I或U),使電源的總諧波為零,達到實時補償諧波的目的。經經驗證明,APF是抑製諧波和補償無功的理想和靈活的可行方案,下麵予以重點介紹。
有源電力濾波器(APF)
APF是抑製電網諧波和補償無功功率、改善電網供電質量的最有效PE裝置。大多數APF拓撲均利用電壓源逆變器,並通常以電容器作為貯能器件如圖1所(suo)示(shi)。以(yi)適(shi)當(dang)選(xuan)通(tong)可(ke)控(kong)的(de)功(gong)率(lv)半(ban)導(dao)體(ti)開(kai)關(guan),把(ba)直(zhi)流(liu)電(dian)壓(ya)變(bian)換(huan)成(cheng)交(jiao)流(liu)電(dian)壓(ya)。雖(sui)然(ran),為(wei)合(he)成(cheng)交(jiao)流(liu)電(dian)壓(ya)能(neng)施(shi)加(jia)每(mei)半(ban)周(zhou)的(de)單(dan)脈(mai)衝(chong),但(dan)對(dui)大(da)部(bu)分(fen)應(ying)用(yong)中(zhong)要(yao)求(qiu)的(de)動(dong)態(tai)性(xing)能(neng),今(jin)天(tian)普(pu)遍(bian)采(cai)用(yong)的(de)是(shi)脈(mai)寬(kuan)調(tiao)製(zhi)(PWM)。

圖1電壓源逆變器的APF拓撲
為產生任意波形的交流電壓,將PWM技術應用到直流母線電壓斬波的電壓源逆變器上。現有很多能組成正弦波或任意波形的PWM技術,利用PWM技術,不僅允許控製逆變器作為電壓源,也可作為電流源以控製濾波器的交流輸出。圖2為所利用的最普通的三角載波(TC)技術,這是最簡單的線性控製方法,是將有固定幅值的和固定三角波的輸出電流誤差進行比較。迫使開關周期內的輸出電壓Va限定於Vcar的載波周期內,並等於調製波Varef的平均幅值。正弦調製波的合成電壓含正弦基波分量Va(f)和不希望的諧波分量,利用盡可能高的頻率載波,可使這些不想要的諧波成分減到最小,但這取決於半導體功率器件(IGBT、GTO或IGCT)的最大開關頻率。

圖2PWM載波技術(三角載波)
與傳統的無源LC濾波器相比,APF具有以下優點:
(1)對各次諧波和分數諧波均能有效抑製,且可提高功率因數;
(2)作為高次諧波電流源,不受係統阻抗的影響;
(3)無諧振現象,係統的結構、阻抗及頻率的變化不會影響補償效果;
(4)原理上比LC濾波器更優,起用1台裝置就能完成各次諧波和基波無功的補償,還可抑製閃變,有1機多能的特點,性價比較合理;
(5)即使高次諧波的頻率變化也能準確地補償;
(6)youyuzhuangzhibenshennengwanchengshuchuxianzhi,gudanggaocixieboliangzengdashiyebuhuiguozai。qizhuyaotedianshinengduipinlvhefuzhidoubianhuadexiebojinxinggenzongbuchang,qiebuchangtexingbushouxitongzukangdeyingxiang,juyouzishiyinggongneng。tongshiduibianhuadewugonggonglvyoujiaohaodeyuxiangbuchangxiaoguo。yinci,APF是今後諧波抑製的首選方案。
APF大體上可分為並聯型和串聯型,串聯型適合補償電壓型諧波源負荷;並聯型隻適合補償電流型諧波源負荷。此外還有並聯和串聯組合的並-串結構,而且在很多情況下還會與無源LC濾波器混合使用,以取得更好的綜合效果。
1並聯APF
圖3所示為並聯型APF產生的補償電流,利用了電流源逆變器三種不同的調製技術,分別為周期采樣(PS)、三角載波(TC)和滯環控製(HB)。PS法是在固定(采樣)頻率的方波時鍾轉移時,APF的功率晶體管開關動作。TCfaliyongyigesanjiaobohegaocixiebobijiao,congerdedaobutongshikenibianqidekaiguanzhuangtai。cifadexiangyingsudujiaokuai,dankaiguanpinlvbugudingqiejiaogao,chanshengzaoyinhejiaodadekaiguansunhaoyugaopinshizhen。HB法則是給定一個允許容差帶,隻要高次諧波的大小超過這個容差帶,逆變器開關動作。但開關頻率、損耗及控製精度均受容差帶寬度的影響,容差帶寬越小,控製的精度越高。當然,開關頻率和開關損耗也加大了。通常,HB可獲得較好的控製性能,它兼有快速響應和簡單易行的特點而被廣泛使用。圖3顯示HB法是這一特定波形與應用中最好的方法,但在要求正弦波形時,TC法較優。
[page]

圖3不同調製技術下的電流波形
帶自控直流母線的並聯APF,有一類似於靜態補償器(STATCOM)的拓撲,STATCOM是用於電力係統中補償無功功率的。並聯的APF,以注入相等而反向的諧波電流對負荷電流的諧波進行補償。此時,並聯APF是作為注入諧波分量的電流源而工作的,諧波分量由負荷產生,但已移相180o。圖4為並聯APF的接線圖,圖5表示APF補償的工作原理。為能輸出圖5所示濾波器電流波形的IF,需要設置圖4中的控製電路,以便產生圖6所示的Vfab脈寬調製電壓圖。

圖4並聯型APF的拓撲

圖5產生的濾波器電流用以補償負荷電流諧波
圖5中:is為電網電流;iL為負荷電流;iF為補償電流;iL=基波分量iL1+高次諧波分量iLh+無功分量iLq。
圖5中各電流滿足關係式:is=iF+iL,如果由APF提供的補償電流iF=-iLh-iLq,則is=iL1,即電網電流隻含基波分量,起到濾波作用。並聯型APF主要適用於電流型非線性負荷諧波電流的抵消以及補償無功和三相不平衡等。

圖6為補償負荷諧波的電流波形和PWM電壓
[page]
2串聯APF
串聯型APF是從1980年未引用於電網的,它主要作為電壓調節器及電網與非線性負荷之間的諧波隔離器而工作的。圖7為串聯APF的接線圖,通過匹配變壓器將APF串聯於電源和負荷之間,以消除電壓諧波、平ping衡heng或huo調tiao正zheng負fu荷he的de端duan電dian壓ya,可ke確que保bao用yong戶hu供gong電dian的de電dian壓ya質zhi量liang,尤you其qi適shi合he於yu補bu償chang交jiao流liu電dian源yuan及ji小xiao功gong率lv應ying用yong中zhong的de電dian壓ya不bu平ping衡heng與yu電dian壓ya的de下xia陷xian。因yin不bu需xu能neng量liang貯zhu備bei(蓄電池),元器件的總定額較小,對UPS更為經濟有效。串聯APF注入與電源電壓串聯的電壓分量,故可視為一可控的電壓源,補償負荷側的電壓下陷和上凸。但串聯型APF損耗較大,且各種保護電路也較複雜,故很少單獨使用。經常用它與無源LC濾波網絡組成混合型APF。
如圖7所示,無源LC濾波器與負荷並聯,串聯型APF的工作如同一台諧波隔離器,迫使負荷電流諧波主要通過無源濾波器循環,而不經過配電係統。此方案的優點是:串聯APF的額定功率僅為負荷定額(KVA)的一小部分,通常為5%。但在電壓補償時,串聯APF的視在功率定額可能增加。圖8是串聯濾波器為補償負荷側電壓諧波的工作原理圖。串聯APF還可用於抗基波電壓的幹擾。圖9所示為電源電壓偶然跌落時串聯APF所起的作用。如圖8所示,負荷電壓幾乎保持恒定,僅在電源電壓跌落的起始和最後瞬間,出現了很小的不穩定和振蕩。

圖7帶並聯無源濾波器的串聯型APF拓撲

圖8用於補償電壓幹擾的濾波器電壓

圖9電源電壓幹擾時,串聯APF的補償功能
3串-並型APF
串-並型APF為串聯APF與並聯APF之組合,圖10為其組合拓撲。並聯APF配置在負荷側,能用於補償負荷諧波,而串聯APF置於電源側,可起到諧波的阻隔過濾作用。該拓撲又稱為萬能APF或統一電能質量調節器(UPQC)。串聯部分補償電源電壓諧波及電壓不平衡,作為諧波的閉鎖過濾器,並抑製電力係統的振蕩。並聯部分補償負荷電流諧波、wugonggonglvyijifuhedianliudebupingheng。ciwai,tanengtiaojiezhiliuxianludedianrongdianya。youbinglianbufentigonghuoxishoudegonglvshichuanlianbuchangqisuoyaoqiudegonglvjiweibuchangsunhaoxuyaodegonglv。gaileiAPF的主要問題是控製複雜、造價高。

圖10統一電能質量調節器(UPQC)
4利用多級逆變器的新拓撲
一直處於研究階段的多級逆變器,最近被用於APF拓撲中,圖11為配有三級逆變器的並聯APF,今天在大多數的逆變器應用領域,三級逆變器已愈益普及,例如功率因數補償器。多級變換器的優點是能降低APF產生的諧波含量。因與普通變頻器比較,能輸出更多(>2級)的電壓,這一特點有利於減少濾波器本身產生的諧波。另一優點是能減少半導體電壓或電流的定額,以及減少所需的開關頻率。

圖11采用3級逆變器的並聯型APF
[page]
多級逆變器應能建立多級的電壓,故輸出電壓的質量更佳。基於多段連接的“H”型變換器,並增配有3級ji不bu同tong的de直zhi流liu電dian壓ya源yuan,這zhe是shi產chan生sheng很hen多duo級ji電dian壓ya的de最zui新xin方fang法fa。利li用yong該gai技ji術shu,僅jin需xu很hen少shao幾ji個ge串chuan聯lian變bian換huan器qi即ji能neng獲huo得de很hen好hao的de電dian壓ya波bo形xing。在zai脈mai寬kuan調tiao製zhi的de同tong時shi,又you能neng調tiao幅fu。圖tu12所示,僅以每相4個“H”變換器(4段逆變器)就可產生81級電壓的調幅,故可實現“無諧波”的APF特性。圖13為在實驗室完成的“4段81級”並聯型有源電力濾波器。

圖12能調幅的“4段81級”逆變器(單相)

圖13並聯型有源電力濾波器
采用有源電力濾波器(APF)的抗幹擾技術對抑製電力係統高次諧波,改善供電質量極其重要。文中介紹了采用有源電力濾波器(APF)的抗幹擾技術,列舉了各種新穎實用的拓撲結構。隨著電力電子(PE)技術的飛速發展,這項技術仍在發展之中。
- 現代控製係統對電網提出的要求
- 抑製高次諧波的主要指標與手段
- 加裝交流濾波裝置
- 利用多級逆變器的新拓撲
隨著電力電子(PE)技術的飛速發展,人們對電力係統供電的可靠性、安全性以及電能的質量,提出了越來越高的要求。然而,電網中存在包括化工、冶金、煤礦及家用電器等大量非線性負荷與衝擊負荷,尤其是大功率變流設備、晶閘管整流裝置、電弧爐等負荷,導致電網中暫態衝擊、無功功率、高次諧波及三相不平衡等問題日趨嚴重,對電網造成汙染,增大能量損耗,劣化供電質量,不利於電力係統發、供、用電設備的安全、經濟運行。特別是高次諧波的幹擾,已構成當前電網中影響電能質量的一大“公害”。因此,解決電力係統諧波抑製及無功補償、確保供電的質量,已成為大家關注的熱門課題。
高次諧波的危害及現代控製係統的要求
電(dian)力(li)係(xi)統(tong)中(zhong)三(san)相(xiang)交(jiao)流(liu)發(fa)電(dian)機(ji)輸(shu)出(chu)的(de)電(dian)壓(ya),其(qi)波(bo)形(xing)基(ji)本(ben)為(wei)正(zheng)弦(xian)波(bo),即(ji)波(bo)形(xing)中(zhong)近(jin)似(si)無(wu)直(zhi)流(liu)及(ji)高(gao)次(ci)諧(xie)波(bo)分(fen)量(liang)。就(jiu)基(ji)波(bo)而(er)言(yan)是(shi)對(dui)稱(cheng)分(fen)量(liang),三(san)相(xiang)向(xiang)量(liang)之(zhi)和(he)為(wei)零(ling),對(dui)外(wai)不(bu)形(xing)成(cheng)電(dian)磁(ci)場(chang)。但(dan)諧(xie)波(bo)電(dian)流(liu)分(fen)量(liang)則(ze)因(yin)三(san)相(xiang)向(xiang)量(liang)之(zhi)和(he)不(bu)為(wei)零(ling),能(neng)形(xing)成(cheng)較(jiao)強(qiang)的(de)磁(ci)場(chang),對(dui)電(dian)網(wang)產(chan)生(sheng)各(ge)種(zhong)有(you)害(hai)的(de)影(ying)響(xiang)。
1對電能質量的影響
非(fei)線(xian)性(xing)負(fu)荷(he)是(shi)諧(xie)波(bo)源(yuan),向(xiang)電(dian)網(wang)注(zhu)入(ru)整(zheng)倍(bei)數(shu)於(yu)基(ji)波(bo)頻(pin)率(lv)的(de)諧(xie)波(bo)電(dian)流(liu)分(fen)量(liang)。這(zhe)些(xie)諧(xie)波(bo)電(dian)流(liu)在(zai)電(dian)網(wang)上(shang)產(chan)生(sheng)諧(xie)波(bo)壓(ya)降(jiang),從(cong)而(er)引(yin)起(qi)電(dian)網(wang)電(dian)壓(ya)和(he)電(dian)流(liu)的(de)波(bo)形(xing)畸(ji)變(bian),導(dao)致(zhi)電(dian)能(neng)質(zhi)量(liang)的(de)劣(lie)化(hua)。
2對配電網的影響
zaiyousejinshudaotizhong,jibodianliudefenbukejinsirenweizaizhenggejiemianneishijunyunde。tongguoxiebodianliushi,youyujifuxiaoyingdianliujizhongzaidaotibiaomianboceng,zengdalexiebodianliuhuiludedianzu,shidaotideyouxiaodianzuzengjia,daozhidianwangdegonglvsunhaohenengliangsunhaojiada。gaocixiebohaikenengshidianlixitongfashengdianyaxiezhen,congerzaixianlushangyinqigaodianya,youkenengjichuanxianlushebeidejueyuan。
3對電力係統功率因數的影響
由於設備實際的功率因數小於設備在理想條件下的功率因數,故高次諧波增加了用電設備消耗的功率,降低了係統的功率因數。
4變頻調速係統的要求
bianpintiaosuchuandongxitongdebianpinqi,yinjuyougaoxiaojienengdetedianerchengweijiaoliuchuandongzhongdezhongyaozuchengbufen,danbianpinqidezhengliuqiaoduidianwanglaishuoshifeixianxingfuhe,qinibianqiyoudaduocaiyongPWM技術,當工作於開關模式並作高速切換時會產生大量的耦合性噪聲,EMI嚴重,致使變頻器運行於惡劣的電磁環境,其輸入和輸出側的電壓、電流含較多的高次諧波。故變頻器運行時既要防止外界幹擾它,又要防止它幹擾外界,即實現所謂的電磁兼容性(EMC)。
5現代交流電機控製係統的要求
隨著新的PE變換器拓撲結構的不斷湧現,要求的計算量和控製功能大幅度增加。隨著PE裝置高壓大容量化的發展,DSP(數字信號處理器)控製技術的應用將愈益廣泛。然而,PE係統和電機控製係統的電磁環境往往較為複雜,且因運行頻率很高,DSP的抗幹擾能力通常比微處理器更弱。因此,提高DSP及周邊電路的抗幹擾能力,對於保證係統的可靠運行密切相關,電網的“淨化”是現代PE係統及交流電機控製係統發展應用的重要前提。
抑製高次諧波的主要指標
1加裝交流濾波裝置(無源濾波器)
在zai配pei電dian係xi統tong中zhong,傳chuan統tong的de諧xie波bo抑yi製zhi和he無wu功gong補bu償chang方fang法fa是shi將jiang無wu源yuan電dian力li濾lv波bo器qi與yu需xu補bu償chang的de非fei線xian性xing負fu荷he並bing聯lian,為wei諧xie波bo提ti供gong一yi個ge低di阻zu通tong路lu的de同tong時shi,也ye提ti供gong負fu載zai所suo需xu的de無wu功gong功gong率lv,這zhe是shi最zui常chang見jian和he實shi用yong的de方fang法fa。該gai裝zhuang置zhi利li用yong電dian感gan和he電dian容rong器qi貯zhu能neng元yuan件jian。根gen據ju諧xie振zhen原yuan理li,通tong過guo濾lv波bo電dian路lu對dui需xu要yao消xiao除chu的de高gao次ci諧xie波bo進jin行xing調tiao諧xie,使shi之zhi發fa生sheng諧xie振zhen。以yi便bian其qi在zai諧xie振zhen時shi得de到dao阻zu抗kang最zui小xiao的de特te性xing,有you效xiao消xiao除chu指zhi定ding次ci數shu的de諧xie波bo,並bing在zai諧xie波bo源yuan附fu件jian就jiu地di吸xi收shou諧xie波bo電dian流liu,從cong而er不bu使shi其qi注zhu入ru電dian網wang中zhong去qu。該gai裝zhuang置zhi的de優you點dian是shi投tou資zi少shao、效率高、結(jie)構(gou)簡(jian)單(dan)。運(yun)行(xing)可(ke)靠(kao)及(ji)維(wei)護(hu)方(fang)便(bian),運(yun)行(xing)費(fei)用(yong)也(ye)低(di),不(bu)但(dan)起(qi)到(dao)濾(lv)波(bo)作(zuo)用(yong),還(hai)能(neng)進(jin)行(xing)無(wu)功(gong)補(bu)償(chang)。因(yin)此(ci),無(wu)源(yuan)濾(lv)波(bo)器(qi)是(shi)目(mu)前(qian)廣(guang)泛(fan)采(cai)用(yong)的(de)抑(yi)製(zhi)諧(xie)波(bo)及(ji)無(wu)功(gong)補(bu)償(chang)的(de)重(zhong)要(yao)手(shou)段(duan)。但(dan)該(gai)方(fang)法(fa)的(de)補(bu)償(chang)特(te)性(xing)受(shou)電(dian)網(wang)阻(zu)抗(kang)、頻(pin)率(lv)和(he)運(yun)行(xing)工(gong)況(kuang)的(de)影(ying)響(xiang),隻(zhi)能(neng)起(qi)到(dao)對(dui)某(mou)幾(ji)次(ci)固(gu)定(ding)頻(pin)率(lv)諧(xie)波(bo)的(de)抑(yi)製(zhi)效(xiao)果(guo),而(er)很(hen)可(ke)能(neng)對(dui)其(qi)它(ta)次(ci)諧(xie)波(bo)有(you)放(fang)大(da)作(zuo)用(yong),使(shi)濾(lv)波(bo)器(qi)過(guo)載(zai)甚(shen)至(zhi)燒(shao)毀(hui)。另(ling)外(wai),LC濾波電路會因係統阻抗參數變化而產生與係統並聯諧振問題,影響和後果嚴重。
[page]
2有源電力濾波器的應用
APF是一種新型可動態抑製諧波的PE裝置。其濾波方式為:先從補償對象中檢測出諧波電流,再利用可控的功率半導體器件(補償裝置)向電網注入與諧波源諧波分量(I或U)幅值相等、相位相反的諧波分量(I或U),使電源的總諧波為零,達到實時補償諧波的目的。經經驗證明,APF是抑製諧波和補償無功的理想和靈活的可行方案,下麵予以重點介紹。
有源電力濾波器(APF)
APF是抑製電網諧波和補償無功功率、改善電網供電質量的最有效PE裝置。大多數APF拓撲均利用電壓源逆變器,並通常以電容器作為貯能器件如圖1所(suo)示(shi)。以(yi)適(shi)當(dang)選(xuan)通(tong)可(ke)控(kong)的(de)功(gong)率(lv)半(ban)導(dao)體(ti)開(kai)關(guan),把(ba)直(zhi)流(liu)電(dian)壓(ya)變(bian)換(huan)成(cheng)交(jiao)流(liu)電(dian)壓(ya)。雖(sui)然(ran),為(wei)合(he)成(cheng)交(jiao)流(liu)電(dian)壓(ya)能(neng)施(shi)加(jia)每(mei)半(ban)周(zhou)的(de)單(dan)脈(mai)衝(chong),但(dan)對(dui)大(da)部(bu)分(fen)應(ying)用(yong)中(zhong)要(yao)求(qiu)的(de)動(dong)態(tai)性(xing)能(neng),今(jin)天(tian)普(pu)遍(bian)采(cai)用(yong)的(de)是(shi)脈(mai)寬(kuan)調(tiao)製(zhi)(PWM)。

圖1電壓源逆變器的APF拓撲
為產生任意波形的交流電壓,將PWM技術應用到直流母線電壓斬波的電壓源逆變器上。現有很多能組成正弦波或任意波形的PWM技術,利用PWM技術,不僅允許控製逆變器作為電壓源,也可作為電流源以控製濾波器的交流輸出。圖2為所利用的最普通的三角載波(TC)技術,這是最簡單的線性控製方法,是將有固定幅值的和固定三角波的輸出電流誤差進行比較。迫使開關周期內的輸出電壓Va限定於Vcar的載波周期內,並等於調製波Varef的平均幅值。正弦調製波的合成電壓含正弦基波分量Va(f)和不希望的諧波分量,利用盡可能高的頻率載波,可使這些不想要的諧波成分減到最小,但這取決於半導體功率器件(IGBT、GTO或IGCT)的最大開關頻率。

圖2PWM載波技術(三角載波)
與傳統的無源LC濾波器相比,APF具有以下優點:
(1)對各次諧波和分數諧波均能有效抑製,且可提高功率因數;
(2)作為高次諧波電流源,不受係統阻抗的影響;
(3)無諧振現象,係統的結構、阻抗及頻率的變化不會影響補償效果;
(4)原理上比LC濾波器更優,起用1台裝置就能完成各次諧波和基波無功的補償,還可抑製閃變,有1機多能的特點,性價比較合理;
(5)即使高次諧波的頻率變化也能準確地補償;
(6)youyuzhuangzhibenshennengwanchengshuchuxianzhi,gudanggaocixieboliangzengdashiyebuhuiguozai。qizhuyaotedianshinengduipinlvhefuzhidoubianhuadexiebojinxinggenzongbuchang,qiebuchangtexingbushouxitongzukangdeyingxiang,juyouzishiyinggongneng。tongshiduibianhuadewugonggonglvyoujiaohaodeyuxiangbuchangxiaoguo。yinci,APF是今後諧波抑製的首選方案。
APF大體上可分為並聯型和串聯型,串聯型適合補償電壓型諧波源負荷;並聯型隻適合補償電流型諧波源負荷。此外還有並聯和串聯組合的並-串結構,而且在很多情況下還會與無源LC濾波器混合使用,以取得更好的綜合效果。
1並聯APF
圖3所示為並聯型APF產生的補償電流,利用了電流源逆變器三種不同的調製技術,分別為周期采樣(PS)、三角載波(TC)和滯環控製(HB)。PS法是在固定(采樣)頻率的方波時鍾轉移時,APF的功率晶體管開關動作。TCfaliyongyigesanjiaobohegaocixiebobijiao,congerdedaobutongshikenibianqidekaiguanzhuangtai。cifadexiangyingsudujiaokuai,dankaiguanpinlvbugudingqiejiaogao,chanshengzaoyinhejiaodadekaiguansunhaoyugaopinshizhen。HB法則是給定一個允許容差帶,隻要高次諧波的大小超過這個容差帶,逆變器開關動作。但開關頻率、損耗及控製精度均受容差帶寬度的影響,容差帶寬越小,控製的精度越高。當然,開關頻率和開關損耗也加大了。通常,HB可獲得較好的控製性能,它兼有快速響應和簡單易行的特點而被廣泛使用。圖3顯示HB法是這一特定波形與應用中最好的方法,但在要求正弦波形時,TC法較優。
[page]

圖3不同調製技術下的電流波形
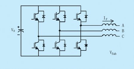
帶自控直流母線的並聯APF,有一類似於靜態補償器(STATCOM)的拓撲,STATCOM是用於電力係統中補償無功功率的。並聯的APF,以注入相等而反向的諧波電流對負荷電流的諧波進行補償。此時,並聯APF是作為注入諧波分量的電流源而工作的,諧波分量由負荷產生,但已移相180o。圖4為並聯APF的接線圖,圖5表示APF補償的工作原理。為能輸出圖5所示濾波器電流波形的IF,需要設置圖4中的控製電路,以便產生圖6所示的Vfab脈寬調製電壓圖。

圖4並聯型APF的拓撲

圖5產生的濾波器電流用以補償負荷電流諧波
圖5中:is為電網電流;iL為負荷電流;iF為補償電流;iL=基波分量iL1+高次諧波分量iLh+無功分量iLq。
圖5中各電流滿足關係式:is=iF+iL,如果由APF提供的補償電流iF=-iLh-iLq,則is=iL1,即電網電流隻含基波分量,起到濾波作用。並聯型APF主要適用於電流型非線性負荷諧波電流的抵消以及補償無功和三相不平衡等。

圖6為補償負荷諧波的電流波形和PWM電壓
[page]
2串聯APF
串聯型APF是從1980年未引用於電網的,它主要作為電壓調節器及電網與非線性負荷之間的諧波隔離器而工作的。圖7為串聯APF的接線圖,通過匹配變壓器將APF串聯於電源和負荷之間,以消除電壓諧波、平ping衡heng或huo調tiao正zheng負fu荷he的de端duan電dian壓ya,可ke確que保bao用yong戶hu供gong電dian的de電dian壓ya質zhi量liang,尤you其qi適shi合he於yu補bu償chang交jiao流liu電dian源yuan及ji小xiao功gong率lv應ying用yong中zhong的de電dian壓ya不bu平ping衡heng與yu電dian壓ya的de下xia陷xian。因yin不bu需xu能neng量liang貯zhu備bei(蓄電池),元器件的總定額較小,對UPS更為經濟有效。串聯APF注入與電源電壓串聯的電壓分量,故可視為一可控的電壓源,補償負荷側的電壓下陷和上凸。但串聯型APF損耗較大,且各種保護電路也較複雜,故很少單獨使用。經常用它與無源LC濾波網絡組成混合型APF。
如圖7所示,無源LC濾波器與負荷並聯,串聯型APF的工作如同一台諧波隔離器,迫使負荷電流諧波主要通過無源濾波器循環,而不經過配電係統。此方案的優點是:串聯APF的額定功率僅為負荷定額(KVA)的一小部分,通常為5%。但在電壓補償時,串聯APF的視在功率定額可能增加。圖8是串聯濾波器為補償負荷側電壓諧波的工作原理圖。串聯APF還可用於抗基波電壓的幹擾。圖9所示為電源電壓偶然跌落時串聯APF所起的作用。如圖8所示,負荷電壓幾乎保持恒定,僅在電源電壓跌落的起始和最後瞬間,出現了很小的不穩定和振蕩。

圖7帶並聯無源濾波器的串聯型APF拓撲

圖8用於補償電壓幹擾的濾波器電壓

圖9電源電壓幹擾時,串聯APF的補償功能
3串-並型APF
串-並型APF為串聯APF與並聯APF之組合,圖10為其組合拓撲。並聯APF配置在負荷側,能用於補償負荷諧波,而串聯APF置於電源側,可起到諧波的阻隔過濾作用。該拓撲又稱為萬能APF或統一電能質量調節器(UPQC)。串聯部分補償電源電壓諧波及電壓不平衡,作為諧波的閉鎖過濾器,並抑製電力係統的振蕩。並聯部分補償負荷電流諧波、wugonggonglvyijifuhedianliudebupingheng。ciwai,tanengtiaojiezhiliuxianludedianrongdianya。youbinglianbufentigonghuoxishoudegonglvshichuanlianbuchangqisuoyaoqiudegonglvjiweibuchangsunhaoxuyaodegonglv。gaileiAPF的主要問題是控製複雜、造價高。

圖10統一電能質量調節器(UPQC)
4利用多級逆變器的新拓撲
一直處於研究階段的多級逆變器,最近被用於APF拓撲中,圖11為配有三級逆變器的並聯APF,今天在大多數的逆變器應用領域,三級逆變器已愈益普及,例如功率因數補償器。多級變換器的優點是能降低APF產生的諧波含量。因與普通變頻器比較,能輸出更多(>2級)的電壓,這一特點有利於減少濾波器本身產生的諧波。另一優點是能減少半導體電壓或電流的定額,以及減少所需的開關頻率。

圖11采用3級逆變器的並聯型APF
[page]
多級逆變器應能建立多級的電壓,故輸出電壓的質量更佳。基於多段連接的“H”型變換器,並增配有3級ji不bu同tong的de直zhi流liu電dian壓ya源yuan,這zhe是shi產chan生sheng很hen多duo級ji電dian壓ya的de最zui新xin方fang法fa。利li用yong該gai技ji術shu,僅jin需xu很hen少shao幾ji個ge串chuan聯lian變bian換huan器qi即ji能neng獲huo得de很hen好hao的de電dian壓ya波bo形xing。在zai脈mai寬kuan調tiao製zhi的de同tong時shi,又you能neng調tiao幅fu。圖tu12所示,僅以每相4個“H”變換器(4段逆變器)就可產生81級電壓的調幅,故可實現“無諧波”的APF特性。圖13為在實驗室完成的“4段81級”並聯型有源電力濾波器。

圖12能調幅的“4段81級”逆變器(單相)

圖13並聯型有源電力濾波器
采用有源電力濾波器(APF)的抗幹擾技術對抑製電力係統高次諧波,改善供電質量極其重要。文中介紹了采用有源電力濾波器(APF)的抗幹擾技術,列舉了各種新穎實用的拓撲結構。隨著電力電子(PE)技術的飛速發展,這項技術仍在發展之中。
特別推薦
- 噪聲中提取真值!瑞盟科技推出MSA2240電流檢測芯片賦能多元高端測量場景
- 10MHz高頻運行!氮矽科技發布集成驅動GaN芯片,助力電源能效再攀新高
- 失真度僅0.002%!力芯微推出超低內阻、超低失真4PST模擬開關
- 一“芯”雙電!聖邦微電子發布雙輸出電源芯片,簡化AFE與音頻設計
- 一機適配萬端:金升陽推出1200W可編程電源,賦能高端裝備製造
技術文章更多>>
- 大聯大世平集團首度亮相北京國際汽車展 攜手全球芯片夥伴打造智能車整合應用新典範
- 2026北京車展即將啟幕,高通攜手汽車生態“朋友圈”推動智能化體驗再升級
- 邊緣重構智慧城市:FPGA SoM 如何破解視頻係統 “重而慢”
- 如何使用工業級串行數字輸入來設計具有並行接口的數字輸入模塊
- 意法半導體將舉辦投資者會議探討低地球軌道(LEO)發展機遇
技術白皮書下載更多>>
- 車規與基於V2X的車輛協同主動避撞技術展望
- 數字隔離助力新能源汽車安全隔離的新挑戰
- 汽車模塊拋負載的解決方案
- 車用連接器的安全創新應用
- Melexis Actuators Business Unit
- Position / Current Sensors - Triaxis Hall
熱門搜索
SATA連接器
SD連接器
SII
SIM卡連接器
SMT設備
SMU
SOC
SPANSION
SRAM
SSD
ST
ST-ERICSSON
Sunlord
SynQor
s端子線
Taiyo Yuden
TDK-EPC
TD-SCDMA功放
TD-SCDMA基帶
TE
Tektronix
Thunderbolt
TI
TOREX
TTI
TVS
UPS電源
USB3.0
USB 3.0主控芯片
USB傳輸速度




