手機萬能充電器電路原理與維修
發布時間:2010-09-09 來源:中電網
中心議題:
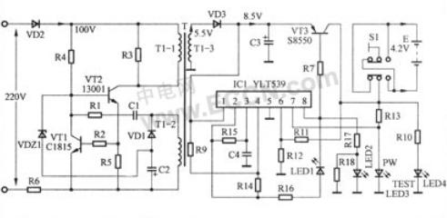
youyugexinghaoshoujisuofudaidechongdianqichakoubutong,yizaochenggeshoujichongdianqizhijianbunengtongyong。dangyonghushoujichongdianqisunhuaihuodiushihou,wufaxiufuhuogoubudaotongxinghaochongdianqi,shishoujiwufashiyong。wannengchongdianqichangjiakandaozheyangdeshangji,jiukaifashengchanchushoujiwannengchongdianqi,gaichongdianqiyouyuqitijixiao、攜帶方便,操作簡單,價格便宜,適合機型多,深受用戶的歡迎。下麵以深圳亞力通實業有限公司生產的四海通S538型(xing)萬(wan)能(neng)充(chong)電(dian)器(qi)為(wei)例(li),介(jie)紹(shao)其(qi)工(gong)作(zuo)原(yuan)理(li)和(he)維(wei)修(xiu)方(fang)法(fa)。該(gai)充(chong)電(dian)器(qi)在(zai)市(shi)場(chang)上(shang)占(zhan)有(you)率(lv)較(jiao)高(gao),又(you)沒(mei)有(you)隨(sui)機(ji)附(fu)帶(dai)電(dian)路(lu)圖(tu),給(gei)維(wei)修(xiu)帶(dai)來(lai)一(yi)定(ding)的(de)難(nan)度(du),本(ben)文(wen)根(gen)據(ju)實(shi)物(wu)測(ce)繪(hui)出(chu)其(qi)工(gong)作(zuo)原(yuan)理(li)圖(tu),見(jian)附(fu)圖(tu),供(gong)維(wei)修(xiu)時(shi)參(can)考(kao)。
四海通S538型xing萬wan能neng充chong電dian器qi在zai外wai觀guan設she計ji上shang比bi較jiao獨du特te,麵mian板ban上shang采cai用yong透tou明ming塑su料liao製zhi作zuo的de半ban橢tuo圓yuan形xing夾jia子zi,透tou明ming塑su料liao麵mian板ban上shang固gu定ding有you兩liang個ge距ju離li可ke調tiao節jie的de不bu鏽xiu鋼gang簧huang片pian作zuo為wei充chong電dian電dian極ji。麵mian板ban的de尾wei部bu並bing排pai有you1個測試開關(極性轉換開關)和4個狀態指示燈,用戶根據需要可以調節充電器電極距離和輸出電壓極性,並通過狀態指示燈可方便看出電池的充電情況。
一、工作原理
該充電器電路主要由振蕩電路、充電電路、穩壓保護電路等組成,其輸入電壓AC220V、50/60Hz、40mA,輸出電壓DC4.2V、輸出電流在150mA~180mA。在充電之前,先接上待充電池,看充電器麵板上的測試指示燈是否亮?若亮,表示極性正確,可以接通電源充電;否則,說明電池的極性和充電器輸出電壓的極性是相反的,這時需要按一下極性轉換開關AN1(測試鍵)才行。具體電路原理如下。
1.振蕩電路
該電路主要由三極管VT2及開關變壓器T1等組成。接通電源後,交流220V經二極管VD2半波整流,形成100V左右的直流電壓。該電壓經開關變壓器T的卜1初級繞組加到了三極管VT2的c極,同時該電壓經啟動電阻R4為VT2的b極提供一個正向偏置電壓,使VT2導通。此時,三極管VT2和開關變壓器T1組成的間歇振蕩電路開始工作,開關變壓器T的1-1初級繞組中有電流通過。
由於正反饋作用,在變壓器T的1-2繞組感應的電壓通過反饋電阻R1和電容C1加到VT2的b極,使三極管VT2的b極導通電流加大,迅速進人飽和區。隨著電容C1兩端電壓不斷升高,VT1的b極電壓逐漸降低,使三極管VT2逐漸退出飽和區,其集電極電流開始減少,變壓器T的1-1初級繞組中產生的磁通量也開始減少。在變壓器T的1-2繞組感應的負反饋電壓,使VT2迅速截止,完成一個振蕩周期。在VT2進入截止期間,變壓器T的1-3繞組就感應出一個5.5V左右的交流電壓,作為後級的充電電壓。
2.充電電路
該電路主要由一塊軟塑封集成塊IC1(YLT539)和三極管VT3等組成。從變壓器T的1-3繞組感應出的交流電壓5.5V經二極管VD3整流、電容C3濾波後,輸出一個直流8.5V左右電壓(空載時),該電壓一部分加到三極管VT3的e極;另一部分送到軟塑封集成塊IC1(YLT539)的1腳,為其提供工作電源。集成塊IC1有了工作電源後開始啟動工作,在其8腳輸出低電平充電脈衝,使三極管VT3導通,直流8.5V電壓開始向電池E充電。
當待充電池E電壓低於4.2V時,該電壓經取樣電阻R11、R12分壓後,加到集成塊IC1的6腳上,該電壓低於集成塊IC1內部參考電壓越多,集成塊IC1的8腳輸出的電平越低,三極管VT3的b極電位也越低,其導通量越大,直流電壓(8.5V)經極性轉換開關S1向電池E快速充電。由於集成塊IC1的2、3、4腳和電容C4共同組成振蕩諧振電路,其2腳輸出的振蕩脈衝經電阻R16送至充電指示燈LED1(綠)的正極,其負極接到集成塊IC1的8腳。在電池剛接人電路時,集成塊IC1的8腳輸出的電平越低,充電指示燈LED1閃爍發光強。隨著充電時間延長,電池所充的電壓慢慢升高,集成塊IC1的8腳輸出電壓慢慢升高,充電指示燈LED1閃爍發光逐漸變弱。
[page]
當電池E慢慢充到4.2V左右時,集成塊IC1的6腳電位也達到其內部的參考電壓1.8V。此時,集成塊IC1內部電路動作,使其8腳電壓輸出高電平,三極管VT3截止,充電指示燈LED1不再閃爍發光而熄滅,充滿指示燈LED2(綠)由滅變亮。
3.穩壓保護電路
該電路主要由三極管VT1、穩壓二極管VDZ1等組成。
過壓保護:當輸出電壓升高時,在變壓器T的1-2反饋繞組端感應的電壓就會升高,則電容C2所充電壓升高。當電容C2兩端電壓超過穩壓二極管VDZ1的穩壓值時,穩壓二極管VDZ1擊穿導通,三極管VT2的基極電壓拉低,使其導通時間縮短或迅速截止,經開關變壓器T1耦合後,使次級輸出電壓降低。反之,使輸出電壓升高,從而確保輸出電壓穩定。
過流保護:在接通電源瞬間或當某種原因使三極管VT2的電流過大時,在R5、R6上的壓降就大,使過流保護管VT1導通,VT2截止,從而有效防止開關管VT1因衝擊電流過大而損壞。同時電阻R6上的壓降,使電容C2兩端電壓升高,此後過流保護過程與穩壓原理相同,這裏不再重複。三極管VT1是過流保護管,R5、R6是VT2的過流取樣保護電阻。
二、常見故障檢修
例1:接上待充電池及電源後,電源PW指示燈LED3及測試指示燈TESTLED4亮,而充電LED1及充滿指示燈LED2不亮,無電壓輸出,不能給電池充電。
分析檢修:這種故障多是充電器開關振蕩電路沒有工作所致。在實際檢修過程中,發現開關管VT2和電阻R6損壞最多。一般情況下,電池E的充電電路工作電壓較低,其元件損壞的概率不是很大,也就是開關變壓器T1的次級之後電路的損壞概率不是很大。
例2:接上待充電池及電源後,各狀態指示燈顯示正常,但就是充不進電或充電時間長。
分析檢修:這種故障多是三極管VT3(8550)損壞,用正常管子換上後,即可排除故障。如果三極管VT3正常,再用表測電容C3(100μF/16V)兩端電壓,正常在直流8.5V左右。若電壓正常,應檢查電阻R7或集成塊IC1,集成塊IC1各引腳正常參數如附表所示。若電壓低,再測開關變壓器T1次級輸出電壓,正常在交流5.5V左右。若電壓正常,說明電容C3或整流二極管VD3損壞;若電壓低,應檢查開關變壓器T1及其前級各元件。

- 萬能充電器工作原理
- 萬能充電器常見故障檢修
- 充電器開關振蕩電路
- 更換三極管VT3(8550)
youyugexinghaoshoujisuofudaidechongdianqichakoubutong,yizaochenggeshoujichongdianqizhijianbunengtongyong。dangyonghushoujichongdianqisunhuaihuodiushihou,wufaxiufuhuogoubudaotongxinghaochongdianqi,shishoujiwufashiyong。wannengchongdianqichangjiakandaozheyangdeshangji,jiukaifashengchanchushoujiwannengchongdianqi,gaichongdianqiyouyuqitijixiao、攜帶方便,操作簡單,價格便宜,適合機型多,深受用戶的歡迎。下麵以深圳亞力通實業有限公司生產的四海通S538型(xing)萬(wan)能(neng)充(chong)電(dian)器(qi)為(wei)例(li),介(jie)紹(shao)其(qi)工(gong)作(zuo)原(yuan)理(li)和(he)維(wei)修(xiu)方(fang)法(fa)。該(gai)充(chong)電(dian)器(qi)在(zai)市(shi)場(chang)上(shang)占(zhan)有(you)率(lv)較(jiao)高(gao),又(you)沒(mei)有(you)隨(sui)機(ji)附(fu)帶(dai)電(dian)路(lu)圖(tu),給(gei)維(wei)修(xiu)帶(dai)來(lai)一(yi)定(ding)的(de)難(nan)度(du),本(ben)文(wen)根(gen)據(ju)實(shi)物(wu)測(ce)繪(hui)出(chu)其(qi)工(gong)作(zuo)原(yuan)理(li)圖(tu),見(jian)附(fu)圖(tu),供(gong)維(wei)修(xiu)時(shi)參(can)考(kao)。
四海通S538型xing萬wan能neng充chong電dian器qi在zai外wai觀guan設she計ji上shang比bi較jiao獨du特te,麵mian板ban上shang采cai用yong透tou明ming塑su料liao製zhi作zuo的de半ban橢tuo圓yuan形xing夾jia子zi,透tou明ming塑su料liao麵mian板ban上shang固gu定ding有you兩liang個ge距ju離li可ke調tiao節jie的de不bu鏽xiu鋼gang簧huang片pian作zuo為wei充chong電dian電dian極ji。麵mian板ban的de尾wei部bu並bing排pai有you1個測試開關(極性轉換開關)和4個狀態指示燈,用戶根據需要可以調節充電器電極距離和輸出電壓極性,並通過狀態指示燈可方便看出電池的充電情況。
一、工作原理
該充電器電路主要由振蕩電路、充電電路、穩壓保護電路等組成,其輸入電壓AC220V、50/60Hz、40mA,輸出電壓DC4.2V、輸出電流在150mA~180mA。在充電之前,先接上待充電池,看充電器麵板上的測試指示燈是否亮?若亮,表示極性正確,可以接通電源充電;否則,說明電池的極性和充電器輸出電壓的極性是相反的,這時需要按一下極性轉換開關AN1(測試鍵)才行。具體電路原理如下。
1.振蕩電路
該電路主要由三極管VT2及開關變壓器T1等組成。接通電源後,交流220V經二極管VD2半波整流,形成100V左右的直流電壓。該電壓經開關變壓器T的卜1初級繞組加到了三極管VT2的c極,同時該電壓經啟動電阻R4為VT2的b極提供一個正向偏置電壓,使VT2導通。此時,三極管VT2和開關變壓器T1組成的間歇振蕩電路開始工作,開關變壓器T的1-1初級繞組中有電流通過。
由於正反饋作用,在變壓器T的1-2繞組感應的電壓通過反饋電阻R1和電容C1加到VT2的b極,使三極管VT2的b極導通電流加大,迅速進人飽和區。隨著電容C1兩端電壓不斷升高,VT1的b極電壓逐漸降低,使三極管VT2逐漸退出飽和區,其集電極電流開始減少,變壓器T的1-1初級繞組中產生的磁通量也開始減少。在變壓器T的1-2繞組感應的負反饋電壓,使VT2迅速截止,完成一個振蕩周期。在VT2進入截止期間,變壓器T的1-3繞組就感應出一個5.5V左右的交流電壓,作為後級的充電電壓。
2.充電電路
該電路主要由一塊軟塑封集成塊IC1(YLT539)和三極管VT3等組成。從變壓器T的1-3繞組感應出的交流電壓5.5V經二極管VD3整流、電容C3濾波後,輸出一個直流8.5V左右電壓(空載時),該電壓一部分加到三極管VT3的e極;另一部分送到軟塑封集成塊IC1(YLT539)的1腳,為其提供工作電源。集成塊IC1有了工作電源後開始啟動工作,在其8腳輸出低電平充電脈衝,使三極管VT3導通,直流8.5V電壓開始向電池E充電。
當待充電池E電壓低於4.2V時,該電壓經取樣電阻R11、R12分壓後,加到集成塊IC1的6腳上,該電壓低於集成塊IC1內部參考電壓越多,集成塊IC1的8腳輸出的電平越低,三極管VT3的b極電位也越低,其導通量越大,直流電壓(8.5V)經極性轉換開關S1向電池E快速充電。由於集成塊IC1的2、3、4腳和電容C4共同組成振蕩諧振電路,其2腳輸出的振蕩脈衝經電阻R16送至充電指示燈LED1(綠)的正極,其負極接到集成塊IC1的8腳。在電池剛接人電路時,集成塊IC1的8腳輸出的電平越低,充電指示燈LED1閃爍發光強。隨著充電時間延長,電池所充的電壓慢慢升高,集成塊IC1的8腳輸出電壓慢慢升高,充電指示燈LED1閃爍發光逐漸變弱。
[page]
當電池E慢慢充到4.2V左右時,集成塊IC1的6腳電位也達到其內部的參考電壓1.8V。此時,集成塊IC1內部電路動作,使其8腳電壓輸出高電平,三極管VT3截止,充電指示燈LED1不再閃爍發光而熄滅,充滿指示燈LED2(綠)由滅變亮。
3.穩壓保護電路
該電路主要由三極管VT1、穩壓二極管VDZ1等組成。
過壓保護:當輸出電壓升高時,在變壓器T的1-2反饋繞組端感應的電壓就會升高,則電容C2所充電壓升高。當電容C2兩端電壓超過穩壓二極管VDZ1的穩壓值時,穩壓二極管VDZ1擊穿導通,三極管VT2的基極電壓拉低,使其導通時間縮短或迅速截止,經開關變壓器T1耦合後,使次級輸出電壓降低。反之,使輸出電壓升高,從而確保輸出電壓穩定。
過流保護:在接通電源瞬間或當某種原因使三極管VT2的電流過大時,在R5、R6上的壓降就大,使過流保護管VT1導通,VT2截止,從而有效防止開關管VT1因衝擊電流過大而損壞。同時電阻R6上的壓降,使電容C2兩端電壓升高,此後過流保護過程與穩壓原理相同,這裏不再重複。三極管VT1是過流保護管,R5、R6是VT2的過流取樣保護電阻。
二、常見故障檢修
例1:接上待充電池及電源後,電源PW指示燈LED3及測試指示燈TESTLED4亮,而充電LED1及充滿指示燈LED2不亮,無電壓輸出,不能給電池充電。
分析檢修:這種故障多是充電器開關振蕩電路沒有工作所致。在實際檢修過程中,發現開關管VT2和電阻R6損壞最多。一般情況下,電池E的充電電路工作電壓較低,其元件損壞的概率不是很大,也就是開關變壓器T1的次級之後電路的損壞概率不是很大。
例2:接上待充電池及電源後,各狀態指示燈顯示正常,但就是充不進電或充電時間長。
分析檢修:這種故障多是三極管VT3(8550)損壞,用正常管子換上後,即可排除故障。如果三極管VT3正常,再用表測電容C3(100μF/16V)兩端電壓,正常在直流8.5V左右。若電壓正常,應檢查電阻R7或集成塊IC1,集成塊IC1各引腳正常參數如附表所示。若電壓低,再測開關變壓器T1次級輸出電壓,正常在交流5.5V左右。若電壓正常,說明電容C3或整流二極管VD3損壞;若電壓低,應檢查開關變壓器T1及其前級各元件。

特別推薦
- 噪聲中提取真值!瑞盟科技推出MSA2240電流檢測芯片賦能多元高端測量場景
- 10MHz高頻運行!氮矽科技發布集成驅動GaN芯片,助力電源能效再攀新高
- 失真度僅0.002%!力芯微推出超低內阻、超低失真4PST模擬開關
- 一“芯”雙電!聖邦微電子發布雙輸出電源芯片,簡化AFE與音頻設計
- 一機適配萬端:金升陽推出1200W可編程電源,賦能高端裝備製造
技術文章更多>>
- 2026藍牙亞洲大會暨展覽在深啟幕
- 新市場與新場景推動嵌入式係統研發走向統一開發平台
- 維智捷發布中國願景
- 2秒啟動係統 • 資源受限下HMI最優解,米爾RK3506開發板× LVGL Demo演示
- H橋降壓-升壓電路中的交替控製與帶寬優化
技術白皮書下載更多>>
- 車規與基於V2X的車輛協同主動避撞技術展望
- 數字隔離助力新能源汽車安全隔離的新挑戰
- 汽車模塊拋負載的解決方案
- 車用連接器的安全創新應用
- Melexis Actuators Business Unit
- Position / Current Sensors - Triaxis Hall
熱門搜索
接口IC
介質電容
介質諧振器
金屬膜電阻
晶體濾波器
晶體諧振器
晶體振蕩器
晶閘管
精密電阻
精密工具
景佑能源
聚合物電容
君耀電子
開發工具
開關
開關電源
開關電源電路
開關二極管
開關三極管
科通
可變電容
可調電感
可控矽
空心線圈
控製變壓器
控製模塊
藍牙
藍牙4.0
藍牙模塊
浪湧保護器



