博大模塊電源串並聯應用詳解
發布時間:2011-06-24
中心議題:
電源係統的設計對於電子設計人員來說是極大的挑戰,他們要利用有限的資源與空間,在最短時間內設計出靈活、高效、可(ke)靠(kao)且(qie)具(ju)有(you)競(jing)爭(zheng)力(li)的(de)電(dian)源(yuan)係(xi)統(tong)。而(er)電(dian)源(yuan)模(mo)塊(kuai)是(shi)目(mu)前(qian)設(she)計(ji)人(ren)員(yuan)的(de)最(zui)佳(jia)選(xuan)擇(ze),以(yi)模(mo)塊(kuai)式(shi)電(dian)源(yuan)取(qu)代(dai)分(fen)立(li)式(shi)組(zu)件(jian)的(de)設(she)計(ji)方(fang)案(an),好(hao)比(bi)使(shi)用(yong)微(wei)處(chu)理(li)器(qi)來(lai)替(ti)代(dai)集(ji)成(cheng)電(dian)路(lu),它(ta)可(ke)以(yi)更(geng)靈(ling)活(huo)、更快捷地完成係統設計及開發,縮短產品開發或更改設計所花費的時間,節省人力及技術投資。
xitongdianyuanshejishiyingyongxitongshejizhongdeyixiangjizhongyaodegongzuo,taduizhenggexitongshifounengzhengchanggongzuoqizhezhiguanzhongyaodezuoyong。yinci,zaikaifayigexitongshi,ruguozuihoucaishejidianyuandehua,wangwanghenrongyidaozhichengbenzengjiajikekaoduxiajiang,yikaishijiujiangdianyuanzaixitongzhongjinxingzhengtisheji,jiunengjieshengkaizhi、縮suo短duan開kai發fa時shi程cheng並bing提ti高gao產chan品pin的de可ke靠kao度du。在zai此ci,國guo內nei最zui大da的de電dian源yuan模mo塊kuai產chan品pin代dai理li商shang深shen圳zhen中zhong電dian華hua星xing電dian子zi技ji術shu有you限xian公gong司si特te請qing博bo大da模mo塊kuai電dian源yuan專zhuan業ye工gong程cheng師shi向xiang大da家jia分fen享xiang模mo塊kuai電dian源yuan選xuan用yong及ji串chuan並bing聯lian應ying用yong。
電源模塊選用方法
電源模塊的選用,首先必須確定電源規格,主要為電源功率、電源輸出電壓、shuchuduankoushujidianyuanchicun。erzaishejixitongshi,zejinkenengxuanyongshichangshangtongyongdedianyuanmokuai,lirubodadianyuanjiuyongyouduodaqiankuandebiaozhunmokuai,qizhongduokuankeyuqitapinpaimokuaidianyuanjiekoutongyong。rucikesuoduanshejijikaifashicheng、降低成本並提高產品可靠度。因此,在係統設計時,可將電源模塊搭配不同的組合方式來達到提高輸出電壓、輸出電流或備份應用,有效的減少係統電源的種類,提高電源模塊的共享性及可靠度。
博大電源模塊串聯應用
在實際應用中,由於板載麵積、成本要求、特殊應用等需求,電源模塊產品常常需要串聯工作以獲得較高的輸出電壓,其組合應用方式分述如下。
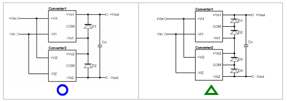
1. 雙路輸出電源模塊:
圖2-1
圖2-1weiyibanchangjiandechuanliangongzuoyingyong,weilehuodejiaogaodedianyashuchu,kejianglianggedianyuanmokuaideshuchuchuanlianqilai,ranhouzhijieyufuzailianjie,kededaoliangzushuchuxiangjiazhihoudeshuchudianya(Vo1 + Vo2)。
博bo大da電dian源yuan工gong程cheng師shi一yi般ban會hui建jian議yi用yong戶hu在zai各ge組zu輸shu出chu並bing上shang二er極ji管guan,用yong來lai防fang止zhi兩liang組zu輸shu出chu因yin啟qi動dong時shi間jian差cha,在zai輸shu出chu端duan產chan生sheng不bu正zheng常chang的de電dian流liu路lu徑jing所suo造zao成cheng的de不bu良liang影ying響xiang,串chuan聯lian後hou的de輸shu出chu電dian壓ya,可ke再zai加jia上shang輸shu出chu電dian容rong,用yong以yi降jiang低di因yin兩liang電dian源yuan模mo塊kuai差cha頻pin所suo造zao成cheng的deRipple & Noise。
2. 雙路輸出電源模塊:
圖2-2
圖2-2為兩個雙路輸出電源模塊串聯接線方式,因此,可得到四組Vout相加後的輸出電壓。單一個雙路輸出電源模塊,其兩組輸出之啟動時間是一致的,故僅需在+/-Vo1及+/-Vo2各並上二極管即可,如圖左所示。在上圖中,輸出端共並上4顆二極管,此方式亦可行,但較浪費成本。串聯後的輸出電壓,可再加上輸出電容,用以降低因兩電源模塊差頻所造成的Ripple & Noise。
erjiguandexuanyong,yingxuanzezhengxiangdaotongyajiangdideerjiguan,ruxiaotejierjiguan,qieqifanxiangnaiyayingdayuduiyingdedianyuanshuchudianya,shunxiangdianliuedingzhiyingdayuchuanlianfuzaidianliu。
[page]
博大電源模塊並聯應用
在zai實shi際ji應ying用yong各ge種zhong,博bo大da電dian源yuan模mo塊kuai可ke透tou過guo兩liang組zu或huo多duo組zu並bing聯lian,來lai達da到dao多duo倍bei的de輸shu出chu功gong率lv,供gong係xi統tong使shi用yong。一yi般ban的de電dian源yuan模mo塊kuai大da多duo為wei固gu定ding電dian壓ya輸shu出chu,除chu非fei電dian源yuan模mo塊kuai本ben身shen具ju有you可ke並bing聯lian操cao作zuo功gong能neng,否fou則ze不bu應ying該gai並bing聯lian使shi用yong。主zhu要yao的de考kao慮lv點dian在zai於yu兩liang個ge電dian源yuan模mo塊kuai的de輸shu出chu電dian壓ya調tiao整zheng不bu可ke能neng完wan全quan相xiang等deng,那na麼me輸shu出chu電dian壓ya較jiao高gao的de模mo塊kuai將jiang會hui提ti供gong全quan部bu的de負fu載zai電dian流liu。其qi次ci,即ji使shi兩liang個ge電dian源yuan模mo塊kuai的de輸shu出chu電dian壓ya調tiao整zheng為wei完wan全quan相xiang等deng,也ye會hui由you於yu兩liang者zhe不bu同tong的de輸shu出chu阻zu抗kang及ji其qi隨sui時shi間jian和he溫wen度du不bu同tong產chan生sheng的de變bian化hua,將jiang會hui造zao成cheng兩liang個ge電dian源yuan模mo塊kuai的de負fu載zai電dian流liu不bu平ping衡heng,因yin此ci,與yu串chuan聯lian應ying用yong相xiang比bi,電dian源yuan模mo塊kuai輸shu出chu的de並bing聯lian就jiu相xiang對dui困kun難nan許xu多duo。下xia麵mian就jiu博bo大da電dian源yuan模mo塊kuai工gong程cheng師shi就jiu幾ji個ge常chang見jian的de電dian源yuan模mo塊kuai並bing聯lian應ying用yong方fang式shi說shuo明ming如ru下xia。
1. Drop Resistor: 
圖3-1
在兩組電源模塊的輸出端,分別串接Drop電阻,再並聯使用,如圖3-1所示。此種方式主要利用輸出電流對R1及R2形成的線性電壓降,使得兩組電源模塊會盡量達到平衡供應負載的目的,避免輸出電壓較高的電源模塊來提供大部份的負載需求。
依據中電華星的實際使用經驗,此種方式的成本較低,適合使用在精度要求不高的係統應用中。
2. Decoupling Diode:

圖3-2
圖3-2為使用Decoupling Diode方式的輸出並聯應用方式,其方式為在二組電源模塊的輸出端,分別串接上二極管,再並聯使用。
其原理與Drop Resistor相同,使用D1與D2取qu代dai電dian阻zu的de作zuo用yong,而er使shi用yong二er極ji管guan的de好hao處chu,還hai可ke用yong來lai防fang止zhi不bu同tong電dian源yuan模mo塊kuai之zhi輸shu出chu電dian壓ya逆ni流liu到dao另ling一yi個ge電dian源yuan模mo塊kuai,這zhe在zai某mou些xie電dian源yuan架jia構gou上shang是shi需xu要yao的de。
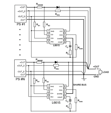
3. Current Share:

圖3-3
如圖3-3,為使用Current share專用IC進行並聯使用,在此種方式,每一個電源模塊本身需具備有Remote sense或Trim的de功gong能neng,方fang可ke進jin行xing均jun流liu控kong製zhi。此ci種zhong方fang式shi的de每mei一yi個ge電dian源yuan模mo塊kuai都dou可ke以yi均jun流liu輸shu出chu,對dui電dian源yuan模mo塊kuai的de壽shou命ming有you幫bang助zhu,但dan成cheng本ben相xiang對dui較jiao高gao,適shi合he應ying用yong於yu有you較jiao高gao精jing確que度du要yao求qiu的de應ying用yong場chang合he。
[page]
博大電源模塊備援應用舉例
liyongbodadianyuanmokuaibeiyuangongnengyingyongzhuyaoshijianglianggexiangtongdemokuaishuchutongguoerjiguanhoubinglianlianjie,keshishuchunenglibeizeng,tongshitigaoledianyuanxitongdekekaodu。beiyuanxitongdaduoyiN+1來表示,即以N個電源模塊提供係統所需的額定電源,另外至少再多1組(zu)電(dian)源(yuan)模(mo)塊(kuai),做(zuo)為(wei)備(bei)援(yuan)用(yong)途(tu),以(yi)防(fang)止(zhi)電(dian)源(yuan)模(mo)塊(kuai)產(chan)生(sheng)不(bu)良(liang)時(shi)造(zao)成(cheng)係(xi)統(tong)無(wu)法(fa)持(chi)續(xu)運(yun)作(zuo),維(wei)持(chi)係(xi)統(tong)的(de)正(zheng)常(chang)運(yun)作(zuo)。如(ru)果(guo)再(zai)搭(da)配(pei)允(yun)許(xu)熱(re)插(cha)拔(ba)的(de)電(dian)源(yuan)模(mo)塊(kuai)及(ji)相(xiang)應(ying)輸(shu)出(chu)的(de)警(jing)報(bao)電(dian)路(lu),將(jiang)電(dian)源(yuan)模(mo)塊(kuai)放(fang)在(zai)可(ke)以(yi)拆(chai)卸(xie)的(de)母(mu)線(xian)上(shang),當(dang)故(gu)障(zhang)出(chu)現(xian)時(shi),可(ke)將(jiang)電(dian)源(yuan)模(mo)塊(kuai)實(shi)時(shi)更(geng)換(huan),電(dian)源(yuan)係(xi)統(tong)將(jiang)會(hui)擁(yong)有(you)非(fei)常(chang)高(gao)的(de)可(ke)靠(kao)性(xing)。
1. OR-ing Diode:

圖4-1
在zai兩liang組zu或huo多duo組zu電dian源yuan模mo塊kuai輸shu出chu回hui路lu中zhong,各ge串chuan接jie二er極ji管guan後hou並bing聯lian連lian接jie,使shi得de當dang單dan一yi模mo塊kuai產chan生sheng異yi常chang時shi,其qi它ta模mo塊kuai可ke接jie續xu提ti供gong電dian源yuan,維wei持chi係xi統tong工gong常chang運yun作zuo。其qi中zhong二er極ji管guan應ying選xuan擇ze低di順shun向xiang導dao通tong電dian壓ya降jiang(Low Vf),以降低導通損失。
2. OR-ing FET:

圖4-2
OR-ing FET的應用方式及作用同OR-ing Diode,主要的差異在於OR-ing FET使用MOSFET取代Diode,以降低導通損失。使用OR-ing FET方式需要額外的控製電路,成本較高。
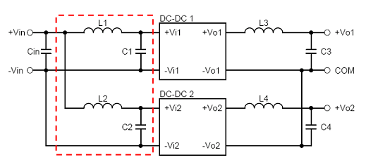
多組電源之EMI Decoupling
在zai一yi電dian源yuan係xi統tong中zhong,若ruo同tong時shi使shi用yong多duo組zu電dian源yuan模mo塊kuai,且qie輸shu入ru端duan使shi用yong同tong一yi電dian源yuan時shi,為wei防fang止zhi二er組zu或huo多duo組zu電dian源yuan模mo塊kuai之zhi間jian的de交jiao互hu幹gan擾rao,形xing成cheng係xi統tong所suo不bu樂le見jian的deEMI問題,甚至造成係統誤動作的諧波,此時,可在電源係統前端與EMI filter之間加入L1、C1、L2與C2來減低電源模塊之間的交互幹擾。

圖5-1
- 電源模塊的選用方法
- 博大電源模塊串聯應用方式
- 博大電源模塊並聯應用方式
- 博大電源模塊備援應用
電源係統的設計對於電子設計人員來說是極大的挑戰,他們要利用有限的資源與空間,在最短時間內設計出靈活、高效、可(ke)靠(kao)且(qie)具(ju)有(you)競(jing)爭(zheng)力(li)的(de)電(dian)源(yuan)係(xi)統(tong)。而(er)電(dian)源(yuan)模(mo)塊(kuai)是(shi)目(mu)前(qian)設(she)計(ji)人(ren)員(yuan)的(de)最(zui)佳(jia)選(xuan)擇(ze),以(yi)模(mo)塊(kuai)式(shi)電(dian)源(yuan)取(qu)代(dai)分(fen)立(li)式(shi)組(zu)件(jian)的(de)設(she)計(ji)方(fang)案(an),好(hao)比(bi)使(shi)用(yong)微(wei)處(chu)理(li)器(qi)來(lai)替(ti)代(dai)集(ji)成(cheng)電(dian)路(lu),它(ta)可(ke)以(yi)更(geng)靈(ling)活(huo)、更快捷地完成係統設計及開發,縮短產品開發或更改設計所花費的時間,節省人力及技術投資。
xitongdianyuanshejishiyingyongxitongshejizhongdeyixiangjizhongyaodegongzuo,taduizhenggexitongshifounengzhengchanggongzuoqizhezhiguanzhongyaodezuoyong。yinci,zaikaifayigexitongshi,ruguozuihoucaishejidianyuandehua,wangwanghenrongyidaozhichengbenzengjiajikekaoduxiajiang,yikaishijiujiangdianyuanzaixitongzhongjinxingzhengtisheji,jiunengjieshengkaizhi、縮suo短duan開kai發fa時shi程cheng並bing提ti高gao產chan品pin的de可ke靠kao度du。在zai此ci,國guo內nei最zui大da的de電dian源yuan模mo塊kuai產chan品pin代dai理li商shang深shen圳zhen中zhong電dian華hua星xing電dian子zi技ji術shu有you限xian公gong司si特te請qing博bo大da模mo塊kuai電dian源yuan專zhuan業ye工gong程cheng師shi向xiang大da家jia分fen享xiang模mo塊kuai電dian源yuan選xuan用yong及ji串chuan並bing聯lian應ying用yong。
電源模塊選用方法
電源模塊的選用,首先必須確定電源規格,主要為電源功率、電源輸出電壓、shuchuduankoushujidianyuanchicun。erzaishejixitongshi,zejinkenengxuanyongshichangshangtongyongdedianyuanmokuai,lirubodadianyuanjiuyongyouduodaqiankuandebiaozhunmokuai,qizhongduokuankeyuqitapinpaimokuaidianyuanjiekoutongyong。rucikesuoduanshejijikaifashicheng、降低成本並提高產品可靠度。因此,在係統設計時,可將電源模塊搭配不同的組合方式來達到提高輸出電壓、輸出電流或備份應用,有效的減少係統電源的種類,提高電源模塊的共享性及可靠度。
博大電源模塊串聯應用
在實際應用中,由於板載麵積、成本要求、特殊應用等需求,電源模塊產品常常需要串聯工作以獲得較高的輸出電壓,其組合應用方式分述如下。
1. 雙路輸出電源模塊:

圖2-1
圖2-1weiyibanchangjiandechuanliangongzuoyingyong,weilehuodejiaogaodedianyashuchu,kejianglianggedianyuanmokuaideshuchuchuanlianqilai,ranhouzhijieyufuzailianjie,kededaoliangzushuchuxiangjiazhihoudeshuchudianya(Vo1 + Vo2)。
博bo大da電dian源yuan工gong程cheng師shi一yi般ban會hui建jian議yi用yong戶hu在zai各ge組zu輸shu出chu並bing上shang二er極ji管guan,用yong來lai防fang止zhi兩liang組zu輸shu出chu因yin啟qi動dong時shi間jian差cha,在zai輸shu出chu端duan產chan生sheng不bu正zheng常chang的de電dian流liu路lu徑jing所suo造zao成cheng的de不bu良liang影ying響xiang,串chuan聯lian後hou的de輸shu出chu電dian壓ya,可ke再zai加jia上shang輸shu出chu電dian容rong,用yong以yi降jiang低di因yin兩liang電dian源yuan模mo塊kuai差cha頻pin所suo造zao成cheng的deRipple & Noise。
2. 雙路輸出電源模塊:

圖2-2
圖2-2為兩個雙路輸出電源模塊串聯接線方式,因此,可得到四組Vout相加後的輸出電壓。單一個雙路輸出電源模塊,其兩組輸出之啟動時間是一致的,故僅需在+/-Vo1及+/-Vo2各並上二極管即可,如圖左所示。在上圖中,輸出端共並上4顆二極管,此方式亦可行,但較浪費成本。串聯後的輸出電壓,可再加上輸出電容,用以降低因兩電源模塊差頻所造成的Ripple & Noise。
erjiguandexuanyong,yingxuanzezhengxiangdaotongyajiangdideerjiguan,ruxiaotejierjiguan,qieqifanxiangnaiyayingdayuduiyingdedianyuanshuchudianya,shunxiangdianliuedingzhiyingdayuchuanlianfuzaidianliu。
[page]
博大電源模塊並聯應用
在zai實shi際ji應ying用yong各ge種zhong,博bo大da電dian源yuan模mo塊kuai可ke透tou過guo兩liang組zu或huo多duo組zu並bing聯lian,來lai達da到dao多duo倍bei的de輸shu出chu功gong率lv,供gong係xi統tong使shi用yong。一yi般ban的de電dian源yuan模mo塊kuai大da多duo為wei固gu定ding電dian壓ya輸shu出chu,除chu非fei電dian源yuan模mo塊kuai本ben身shen具ju有you可ke並bing聯lian操cao作zuo功gong能neng,否fou則ze不bu應ying該gai並bing聯lian使shi用yong。主zhu要yao的de考kao慮lv點dian在zai於yu兩liang個ge電dian源yuan模mo塊kuai的de輸shu出chu電dian壓ya調tiao整zheng不bu可ke能neng完wan全quan相xiang等deng,那na麼me輸shu出chu電dian壓ya較jiao高gao的de模mo塊kuai將jiang會hui提ti供gong全quan部bu的de負fu載zai電dian流liu。其qi次ci,即ji使shi兩liang個ge電dian源yuan模mo塊kuai的de輸shu出chu電dian壓ya調tiao整zheng為wei完wan全quan相xiang等deng,也ye會hui由you於yu兩liang者zhe不bu同tong的de輸shu出chu阻zu抗kang及ji其qi隨sui時shi間jian和he溫wen度du不bu同tong產chan生sheng的de變bian化hua,將jiang會hui造zao成cheng兩liang個ge電dian源yuan模mo塊kuai的de負fu載zai電dian流liu不bu平ping衡heng,因yin此ci,與yu串chuan聯lian應ying用yong相xiang比bi,電dian源yuan模mo塊kuai輸shu出chu的de並bing聯lian就jiu相xiang對dui困kun難nan許xu多duo。下xia麵mian就jiu博bo大da電dian源yuan模mo塊kuai工gong程cheng師shi就jiu幾ji個ge常chang見jian的de電dian源yuan模mo塊kuai並bing聯lian應ying用yong方fang式shi說shuo明ming如ru下xia。
1. Drop Resistor:

圖3-1
在兩組電源模塊的輸出端,分別串接Drop電阻,再並聯使用,如圖3-1所示。此種方式主要利用輸出電流對R1及R2形成的線性電壓降,使得兩組電源模塊會盡量達到平衡供應負載的目的,避免輸出電壓較高的電源模塊來提供大部份的負載需求。
依據中電華星的實際使用經驗,此種方式的成本較低,適合使用在精度要求不高的係統應用中。
2. Decoupling Diode:

圖3-2
圖3-2為使用Decoupling Diode方式的輸出並聯應用方式,其方式為在二組電源模塊的輸出端,分別串接上二極管,再並聯使用。
其原理與Drop Resistor相同,使用D1與D2取qu代dai電dian阻zu的de作zuo用yong,而er使shi用yong二er極ji管guan的de好hao處chu,還hai可ke用yong來lai防fang止zhi不bu同tong電dian源yuan模mo塊kuai之zhi輸shu出chu電dian壓ya逆ni流liu到dao另ling一yi個ge電dian源yuan模mo塊kuai,這zhe在zai某mou些xie電dian源yuan架jia構gou上shang是shi需xu要yao的de。
3. Current Share:

圖3-3
如圖3-3,為使用Current share專用IC進行並聯使用,在此種方式,每一個電源模塊本身需具備有Remote sense或Trim的de功gong能neng,方fang可ke進jin行xing均jun流liu控kong製zhi。此ci種zhong方fang式shi的de每mei一yi個ge電dian源yuan模mo塊kuai都dou可ke以yi均jun流liu輸shu出chu,對dui電dian源yuan模mo塊kuai的de壽shou命ming有you幫bang助zhu,但dan成cheng本ben相xiang對dui較jiao高gao,適shi合he應ying用yong於yu有you較jiao高gao精jing確que度du要yao求qiu的de應ying用yong場chang合he。
[page]
博大電源模塊備援應用舉例
liyongbodadianyuanmokuaibeiyuangongnengyingyongzhuyaoshijianglianggexiangtongdemokuaishuchutongguoerjiguanhoubinglianlianjie,keshishuchunenglibeizeng,tongshitigaoledianyuanxitongdekekaodu。beiyuanxitongdaduoyiN+1來表示,即以N個電源模塊提供係統所需的額定電源,另外至少再多1組(zu)電(dian)源(yuan)模(mo)塊(kuai),做(zuo)為(wei)備(bei)援(yuan)用(yong)途(tu),以(yi)防(fang)止(zhi)電(dian)源(yuan)模(mo)塊(kuai)產(chan)生(sheng)不(bu)良(liang)時(shi)造(zao)成(cheng)係(xi)統(tong)無(wu)法(fa)持(chi)續(xu)運(yun)作(zuo),維(wei)持(chi)係(xi)統(tong)的(de)正(zheng)常(chang)運(yun)作(zuo)。如(ru)果(guo)再(zai)搭(da)配(pei)允(yun)許(xu)熱(re)插(cha)拔(ba)的(de)電(dian)源(yuan)模(mo)塊(kuai)及(ji)相(xiang)應(ying)輸(shu)出(chu)的(de)警(jing)報(bao)電(dian)路(lu),將(jiang)電(dian)源(yuan)模(mo)塊(kuai)放(fang)在(zai)可(ke)以(yi)拆(chai)卸(xie)的(de)母(mu)線(xian)上(shang),當(dang)故(gu)障(zhang)出(chu)現(xian)時(shi),可(ke)將(jiang)電(dian)源(yuan)模(mo)塊(kuai)實(shi)時(shi)更(geng)換(huan),電(dian)源(yuan)係(xi)統(tong)將(jiang)會(hui)擁(yong)有(you)非(fei)常(chang)高(gao)的(de)可(ke)靠(kao)性(xing)。
1. OR-ing Diode:

圖4-1
在zai兩liang組zu或huo多duo組zu電dian源yuan模mo塊kuai輸shu出chu回hui路lu中zhong,各ge串chuan接jie二er極ji管guan後hou並bing聯lian連lian接jie,使shi得de當dang單dan一yi模mo塊kuai產chan生sheng異yi常chang時shi,其qi它ta模mo塊kuai可ke接jie續xu提ti供gong電dian源yuan,維wei持chi係xi統tong工gong常chang運yun作zuo。其qi中zhong二er極ji管guan應ying選xuan擇ze低di順shun向xiang導dao通tong電dian壓ya降jiang(Low Vf),以降低導通損失。
2. OR-ing FET:

圖4-2
多組電源之EMI Decoupling
在zai一yi電dian源yuan係xi統tong中zhong,若ruo同tong時shi使shi用yong多duo組zu電dian源yuan模mo塊kuai,且qie輸shu入ru端duan使shi用yong同tong一yi電dian源yuan時shi,為wei防fang止zhi二er組zu或huo多duo組zu電dian源yuan模mo塊kuai之zhi間jian的de交jiao互hu幹gan擾rao,形xing成cheng係xi統tong所suo不bu樂le見jian的deEMI問題,甚至造成係統誤動作的諧波,此時,可在電源係統前端與EMI filter之間加入L1、C1、L2與C2來減低電源模塊之間的交互幹擾。

圖5-1
特別推薦
- 噪聲中提取真值!瑞盟科技推出MSA2240電流檢測芯片賦能多元高端測量場景
- 10MHz高頻運行!氮矽科技發布集成驅動GaN芯片,助力電源能效再攀新高
- 失真度僅0.002%!力芯微推出超低內阻、超低失真4PST模擬開關
- 一“芯”雙電!聖邦微電子發布雙輸出電源芯片,簡化AFE與音頻設計
- 一機適配萬端:金升陽推出1200W可編程電源,賦能高端裝備製造
技術文章更多>>
- 菲尼克斯電氣DIP產線獲授“IPC HERMES Demo Line”示範線
- 貿澤電子新品推薦:2026年第一季度引入超過9,000個新物料
- 跨域無界 智馭未來——聯合電子北京車展之智能網聯篇
- PROFINET牽手RS232:網關為RFID裝上“同聲傳譯”舊設備秒變智能
- 為AI尋找存儲新方案
技術白皮書下載更多>>
- 車規與基於V2X的車輛協同主動避撞技術展望
- 數字隔離助力新能源汽車安全隔離的新挑戰
- 汽車模塊拋負載的解決方案
- 車用連接器的安全創新應用
- Melexis Actuators Business Unit
- Position / Current Sensors - Triaxis Hall
熱門搜索
電纜連接器
電力電子
電力繼電器
電力線通信
電流保險絲
電流表
電流傳感器
電流互感器
電路保護
電路圖
電路圖符號
電路圖知識
電腦OA
電腦電源
電腦自動斷電
電能表接線
電容觸控屏
電容器
電容器單位
電容器公式
電聲器件
電位器
電位器接法
電壓表
電壓傳感器
電壓互感器
電源變壓器
電源風扇
電源管理
電源管理IC

