NCP1294太陽能充電控製器及其設計要點
發布時間:2011-09-13 來源:安森美半導體
中心議題:
- 增強型電壓模式PWM控製器NCP1294
- 動態MPPT工作原理
- 前饋電壓模式控製
- NCP1294太陽能充電控製器應用設計流程
眾所周知,太陽能電池板有一個IV曲(qu)線(xian),它(ta)表(biao)示(shi)該(gai)太(tai)陽(yang)能(neng)電(dian)池(chi)板(ban)的(de)輸(shu)出(chu)性(xing)能(neng),分(fen)別(bie)代(dai)表(biao)著(zhe)電(dian)流(liu)電(dian)壓(ya)數(shu)值(zhi)。兩(liang)條(tiao)線(xian)的(de)交(jiao)叉(cha)點(dian)表(biao)示(shi)的(de)電(dian)壓(ya)電(dian)流(liu)就(jiu)是(shi)這(zhe)塊(kuai)太(tai)陽(yang)能(neng)電(dian)池(chi)板(ban)的(de)功(gong)率(lv)。不(bu)利(li)的(de)是(shi),IV曲線會隨輻照度、wenduheshiyongnianxianerbianhua。fuzhaodushigeidingbiaomianfusheshijiandemidu,yibanyimeipingfanglimihuomeipingfangmidewateshubiaoshi。ruguotaiyangnengdianchibanmeiyoujixieshiyangguangzhuizongnengli,yinianzhongfuzhaoduhuisuizhetaiyangdeyidongbianhuayue±23du。ciwai,meitiancongdipingxiandaodipingxiantaiyangyidongdefuzhaodubianhua,kedaozhishuchugonglvzaiyizhengtiandebianhua。weici,ansenmeibandaotikaifaleyikuantaiyangnengdianchikongzhiqiNCP1294,用來實現太陽能電池板的最大峰值功率點跟蹤(MPPT),以最高能效為蓄電池充電。本文將介紹該器件的一些主要功能和應用時需要注意的問題。
增強型電壓模式PWM控製器
NCP1294是一款固定頻率電壓模式PWM前饋控製器,包含電壓模式運作所需的所有基本功能。作為支持降壓、升壓、降壓-升壓及反激等不同拓撲結構的充電控製器,NCP1294針對高頻初級端控製操作進行了優化,具有逐脈衝限流及雙向同步功能,支持功率最高達140 W的太陽能板。這款器件提供的MPPT功(gong)能(neng)能(neng)夠(gou)定(ding)位(wei)最(zui)大(da)功(gong)率(lv)點(dian),並(bing)實(shi)時(shi)根(gen)據(ju)環(huan)境(jing)條(tiao)件(jian)來(lai)調(tiao)節(jie),使(shi)控(kong)製(zhi)器(qi)保(bao)持(chi)接(jie)近(jin)最(zui)大(da)功(gong)率(lv)點(dian),從(cong)而(er)從(cong)太(tai)陽(yang)能(neng)板(ban)析(xi)取(qu)最(zui)大(da)的(de)電(dian)量(liang),提(ti)供(gong)最(zui)佳(jia)的(de)能(neng)效(xiao)。
此外,NCP1294還具有軟啟動、精確控製占空比限製、低於50 μA的啟動電流、過壓和欠壓保護等功能。在太陽能應用中,NCP1294可以作為一種靈活的解決方案,用在模塊級電源管理(MLPM)解決方案。基於NCP1294的參考設計最大功率點追蹤誤差小於5%,可以為串聯或並聯的四個電池充電。圖1是NCP1294 120 W太陽能控製器框圖。

圖1:安森美半導體的NCP1294 120 W太陽能控製器框圖
如圖1所示,該係統的核心是功率段,它必須承受12 V至60 V的輸入電壓,並產生12 V至36 V的輸出。由於輸入電壓範圍覆蓋了所需的輸出電壓,必須有一個降壓-升壓拓撲結構來支持應用。設計人員可以選擇多種拓撲結構:SEPIC、非反相降壓-升壓。反激式、單開關正激、雙開關正激、半橋、全橋或其他拓撲結構。
shejigongzuobaokuogenjugonglvxuqiudezengjiagelituopujiegou。dianchichongdianzhuangtaideguanlishiyoushidangdechongdiansuanfawanchengde。taiyangnengdianchibananzhuangjishikeyixuanzeshuchudianyahedianchichongdiansulv。youyukongzhiqiyaolianjiedaotaiyangnengdianchiban,tabixujuyouzuidagonglvdiangenzong,weizuizhongkehutigonggaojiazhi。kongzhiqiyoulianggezhengshineng(Enable)電dian路lu,一yi個ge電dian路lu檢jian測ce黑hei夜ye時shi間jian,另ling一yi個ge檢jian測ce電dian池chi的de充chong電dian狀zhuang態tai,使shi外wai部bu電dian路lu不bu會hui使shi電dian池chi對dui損sun壞huai點dian放fang電dian。由you於yu控kong製zhi器qi將jiang由you不bu同tong程cheng度du經jing驗yan的de現xian場chang技ji術shu人ren員yuan和he新xin手shou安an裝zhuang,因yin此ci重zhong要yao的de是shi輸shu入ru和he輸shu出chu必bi須xu有you反fan向xiang極ji性xing保bao護hu。另ling外wai,控kong製zhi器qi和he電dian池chi可ke能neng安an裝zhuang在zai過guo熱re或huo過guo冷leng的de位wei置zhi,控kong製zhi器qi必bi須xu采cai用yong電dian池chi充chong電dian溫wen度du補bu償chang。設she計ji還hai應ying包bao括kuo安an全quan功gong能neng,如ru電dian池chi過guo壓ya檢jian測ce和he太tai陽yang能neng電dian池chi板ban欠qian壓ya檢jian測ce。
[page]
動態MPPT工作原理
為了從功率可變的電源(即太陽能電池板)析取出最大的功率,太陽能控製器必須采用MPPT。MPPT必須首先找到最大功率點並及時調整環境條件,以保持控製器接近最大功率點。動態MPPT用在係統發生改變的情況下。由於每個開關周期都在發生變化,太陽能電池板汲取的功率也會在每個周期有明顯的改變。動態MPPT利用太陽能電池板的電壓驟降乘以每個開關周期增加的電流,以確定將要產生的誤差信號來調節占空比。動態響應可檢測IV曲線的斜率,從而建立一個功率斜坡,從誤差信號相交點建立一個代表占空比的功率。當斜坡變化斜率從正到負時該周期結束,如圖2所示。

圖2:PWM穩壓轉換器的電壓和電流
前饋電壓模式控製
在zai傳chuan統tong電dian壓ya模mo式shi控kong製zhi中zhong,斜xie坡po信xin號hao有you一yi個ge固gu定ding的de上shang升sheng和he下xia降jiang斜xie率lv。反fan饋kui信xin號hao僅jin來lai自zi輸shu出chu電dian壓ya。因yin此ci,電dian壓ya模mo式shi控kong製zhi線xian路lu穩wen壓ya效xiao果guo較jiao差cha,且qie具ju有you音yin頻pin易yi感gan性xing。前qian饋kui電dian壓ya模mo式shi控kong製zhi源yuan於yu斜xie坡po信xin號hao輸shu入ru線xian路lu。因yin此ci,斜xie坡po的de斜xie率lv隨sui輸shu入ru電dian壓ya而er變bian化hua。前qian饋kui功gong能neng也ye可ke以yi提ti供gong一yi個ge伏fu秒miao鉗qian位wei,這zhe就jiu限xian製zhi了le輸shu入ru電dian壓ya和he導dao通tong時shi間jian的de最zui大da乘cheng積ji值zhi。電dian路lu中zhong的de鉗qian位wei電dian路lu,如ru正zheng激ji和he反fan激ji式shi轉zhuan換huan器qi可ke用yong來lai防fang止zhi變bian壓ya器qi飽bao和he。
NCP1294太陽能充電控製器應用設計流程
當選擇太陽能控製器拓撲結構時,重要的是要了解轉換器的基本操作及其局限性。選擇的拓撲結構是非反相四開關非同步降壓-升壓拓撲結構。轉換器利用來自NCP1294的控製信號運行,Q1和Q2同時導通為L1充電。四開關降壓-升壓拓撲結構如圖3所示,其中的電感器用來控製電壓和電流。

圖3:四開關降壓-升壓拓撲結構
四開關非反相降壓-升壓有兩種操作模式,即降壓模式和降壓-升壓模式。在降壓模式下,轉換器產生輸入電壓脈衝,它經過LC濾波來產生一個較低的直流輸出電壓。輸出電壓可以通過修改相對於開關周期或開關頻率的導通時間來改變。
如果輸出電壓可能達到1%至89%,太陽能控製器即運行在降壓模式。如果由於占空比的限製而無法達到該輸出電壓,它會切換到降壓-升壓模式,此時即可達到該輸出電壓。從89%到較低占空比的變化,如圖4所示。

圖4:多個電池降壓和升壓模式之間的傳遞比[page]
需要注意的是,當轉換器模式從降壓到降壓-升壓切換時,誤差信號將需要一段時間來改變占空比。模式的瞬時變化將使降壓-升壓轉換器試圖在89%占空比進行切換,並試圖轉換至47%;這會導致轉換器試圖在失衡區(trade over region)輸出130 V的結果。NCP1294通過脈衝電流限製器提供了一個脈衝,可以阻止轉換器能量達到危險的程度,在占空比條件下實現緩和過渡。
補償網絡
要創建一個穩定的電源,誤差放大器周圍的補償網絡必須配合PWM發生器和功率級使用。由於功率級設計的標準是根據應用設置的,補償網絡必須有正確的整體輸出,以確保穩定性。NCP1294shiyigedianyamoshidianyaqiankuiqijian,yincixuyaoyigecaiyongshurudianyaxiugaixiepodedianyahuanlu。gonglvjideshuchudianganhedianrongkexingchengyigeshuangjidian,huanlubixuweicijinxingbuchang。
係統開啟和電池電流消耗
zhengzaichuangjiandexitonglianjielelianggeyouxianyuan,jiangzaiyitiandebutongshijianweifuzaigongdian,ruguoshizaitongyishijianjiangbuhuigongdian,chuleduanzanshijian。gaixitongbingbuwanzheng,meiyouanzhuangdianchihetaiyangnengdianchiban,yinci,youliyudianchifuzaihetaiyangnengdianchibanyuancunzaiyufoudejiance。liru,ruguomeiyoulianjiedianchi,zaitigongdianchidianyashi,tabuhuixiaohaotaiyangnengdianchibandenengliang。ruguolianjieletaiyangnengdianchiban,weilexunzhaoyaolianjiedetaiyangnengdianchiban,dianchijiangbeihaojin。jianzhataiyangnengdianchibanlianjiehedianchilianjiedeyigejiandanjiejuefanganshishiyongdidianliuxiaohaobijiaoqi。
在(zai)白(bai)天(tian)時(shi)間(jian)係(xi)統(tong)對(dui)電(dian)池(chi)充(chong)電(dian),而(er)在(zai)夜(ye)間(jian)電(dian)池(chi)放(fang)電(dian)照(zhao)亮(liang)定(ding)義(yi)的(de)空(kong)間(jian)。雖(sui)然(ran)輸(shu)入(ru)能(neng)量(liang)不(bu)能(neng)保(bao)證(zheng),但(dan)輸(shu)出(chu)能(neng)量(liang)可(ke)在(zai)相(xiang)當(dang)長(chang)的(de)時(shi)間(jian)保(bao)持(chi)不(bu)變(bian)。如(ru)果(guo)一(yi)個(ge)係(xi)統(tong)的(de)大(da)小(xiao)不(bu)合(he)適(shi),電(dian)池(chi)可(ke)能(neng)因(yin)放(fang)電(dian)而(er)損(sun)壞(huai)。要(yao)防(fang)止(zhi)電(dian)池(chi)損(sun)壞(huai),必(bi)須(xu)用(yong)LED電路抑製操作,防止電池耗盡。
輸入和輸出電流的平衡
當dang構gou建jian一yi個ge理li想xiang的de太tai陽yang能neng控kong製zhi器qi時shi,控kong製zhi器qi應ying保bao護hu電dian池chi或huo負fu載zai,同tong時shi從cong太tai陽yang能neng電dian池chi板ban提ti取qu最zui大da的de能neng量liang。不bu幸xing的de是shi,在zai現xian實shi世shi界jie中zhong顧gu客ke或huo安an裝zhuang人ren員yuan可ke能neng會hui購gou買mai一yi個ge大da型xing太tai陽yang能neng電dian池chi板ban和he一yi個ge小xiao電dian池chi。如ru果guo太tai陽yang能neng控kong製zhi器qi是shi在zai峰feng值zhi功gong率lv下xia充chong電dian,電dian池chi充chong電dian速su度du過guo快kuai,會hui縮suo短duan電dian池chi壽shou命ming或huo可ke能neng發fa生sheng爆bao炸zha。控kong製zhi器qi應ying該gai做zuo的de是shi管guan理li電dian池chi需xu求qiu,根gen據ju太tai陽yang能neng電dian池chi板ban提ti供gong的de峰feng值zhi功gong率lv來lai平ping衡heng充chong電dian速su度du。因yin此ci,最zui大da電dian池chi充chong電dian速su率lv的de設she定ding和he選xuan擇ze方fang案an是shi需xu要yao確que定ding如ru何he限xian製zhi係xi統tong的de輸shu出chu電dian流liu。電dian流liu的de設she定ding是shi通tong過guoNCP1294所提供3.3V基準和電阻分壓器網絡完成的。短接一個或多個轉接口(header)將實現不同的電流限製值。
反極性保護
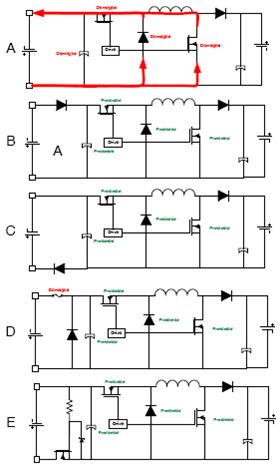
除chu了le正zheng常chang的de太tai陽yang能neng電dian池chi板ban瞬shun態tai,還hai有you四si種zhong不bu同tong的de輸shu入ru輸shu出chu連lian接jie可ke能neng性xing。第di一yi種zhong情qing況kuang,輸shu入ru和he輸shu出chu連lian接jie正zheng確que,無wu需xu保bao護hu。第di二er種zhong情qing況kuang,輸shu入ru電dian壓ya反fan向xiang連lian接jie。如ru果guo在zai這zhe種zhong情qing況kuang下xia允yun許xu電dian流liu流liu過guo,那na麼me所suo有you輸shu出chu二er極ji管guan都dou可ke能neng損sun壞huai。
不過,在圖5所示B或C的(de)輸(shu)入(ru)端(duan)串(chuan)聯(lian)一(yi)個(ge)二(er)極(ji)管(guan)就(jiu)可(ke)以(yi)保(bao)護(hu)所(suo)有(you)器(qi)件(jian)。串(chuan)聯(lian)二(er)極(ji)管(guan)的(de)一(yi)個(ge)缺(que)點(dian)是(shi),它(ta)會(hui)連(lian)續(xu)耗(hao)散(san)係(xi)統(tong)功(gong)率(lv)。如(ru)果(guo)反(fan)向(xiang)極(ji)性(xing)保(bao)護(hu)二(er)極(ji)管(guan)放(fang)在(zai)高(gao)電(dian)流(liu)係(xi)統(tong)中(zhong),損(sun)耗(hao)可(ke)能(neng)會(hui)很(hen)大(da)。實(shi)施(shi)反(fan)極(ji)性(xing)保(bao)護(hu)的(de)另(ling)一(yi)種(zhong)方(fang)法(fa)是(shi)放(fang)置(zhi)一(yi)個(ge)二(er)極(ji)管(guan),例(li)如(ru),當(dang)施(shi)加(jia)反(fan)向(xiang)電(dian)壓(ya)時(shi)它(ta)會(hui)使(shi)保(bao)險(xian)絲(si)開(kai)路(lu),如(ru)圖(tu)5 D所(suo)示(shi)。選(xuan)擇(ze)的(de)保(bao)險(xian)絲(si)可(ke)以(yi)是(shi)一(yi)個(ge)用(yong)戶(hu)可(ke)更(geng)換(huan)或(huo)波(bo)利(li)熱(re)熔(rong)斷(duan)器(qi)。保(bao)險(xian)絲(si)可(ke)以(yi)提(ti)供(gong)必(bi)要(yao)的(de)保(bao)護(hu),但(dan)可(ke)能(neng)導(dao)致(zhi)不(bu)太(tai)好(hao)的(de)用(yong)戶(hu)體(ti)驗(yan)。實(shi)現(xian)二(er)極(ji)管(guan)反(fan)向(xiang)極(ji)性(xing)保(bao)護(hu)的(de)低(di)損(sun)耗(hao)方(fang)式(shi)是(shi)使(shi)用(yong)MOSFET,當施加的電壓極性正確時MOSFET導通,而在電壓極性不正確時關閉。圖5 E所示。

圖5:反極性的輸入端連接[page]
在(zai)第(di)三(san)種(zhong)情(qing)況(kuang)下(xia),輸(shu)出(chu)是(shi)反(fan)極(ji)性(xing)連(lian)接(jie),輸(shu)入(ru)是(shi)正(zheng)確(que)連(lian)接(jie),功(gong)率(lv)元(yuan)件(jian)可(ke)能(neng)會(hui)損(sun)壞(huai)。由(you)於(yu)源(yuan)假(jia)定(ding)為(wei)鉛(qian)酸(suan)電(dian)池(chi),保(bao)護(hu)至(zhi)關(guan)重(zhong)要(yao),因(yin)為(wei)損(sun)壞(huai)的(de)元(yuan)件(jian)可(ke)能(neng)消(xiao)耗(hao)大(da)量(liang)的(de)能(neng)量(liang)。圖(tu)5 B顯示了防止反向輸出電壓的方法之一。
最(zui)後(hou)一(yi)種(zhong)情(qing)況(kuang)是(shi)輸(shu)入(ru)和(he)輸(shu)出(chu)的(de)連(lian)接(jie)都(dou)不(bu)正(zheng)確(que)。在(zai)這(zhe)種(zhong)情(qing)況(kuang)下(xia),如(ru)果(guo)設(she)計(ji)人(ren)員(yuan)實(shi)施(shi)了(le)第(di)二(er)和(he)第(di)三(san)種(zhong)保(bao)護(hu),輸(shu)入(ru)和(he)輸(shu)出(chu)都(dou)將(jiang)受(shou)到(dao)保(bao)護(hu)。設(she)計(ji)人(ren)員(yuan)不(bu)應(ying)忽(hu)略(lve)電(dian)壓(ya)抑(yi)製(zhi)器(qi),它(ta)安(an)裝(zhuang)在(zai)瞬(shun)態(tai)電(dian)壓(ya)的(de)輸(shu)入(ru)端(duan),其(qi)極(ji)性(xing)可(ke)能(neng)正(zheng)確(que)或(huo)不(bu)正(zheng)確(que)。因(yin)此(ci),重(zhong)要(yao)的(de)是(shi)要(yao)有(you)雙(shuang)向(xiang)瞬(shun)態(tai)抑(yi)製(zhi)器(qi),能(neng)夠(gou)承(cheng)受(shou)正(zheng)常(chang)反(fan)極(ji)性(xing)電(dian)壓(ya)而(er)不(bu)會(hui)損(sun)壞(huai)。
電池充電
鉛酸電池充電有三個階段:恒流充電或大電流充電、吸收或恒壓模式,以及浮充電。在大電流充電期間,電流保持恒定,這是由NCP1294脈(mai)衝(chong)電(dian)流(liu)限(xian)製(zhi)和(he)電(dian)流(liu)設(she)置(zhi)電(dian)路(lu)的(de)脈(mai)衝(chong)完(wan)成(cheng)的(de)。除(chu)非(fei)最(zui)大(da)功(gong)率(lv)點(dian)低(di)於(yu)這(zhe)個(ge)水(shui)平(ping),電(dian)流(liu)都(dou)將(jiang)保(bao)持(chi)在(zai)設(she)計(ji)人(ren)員(yuan)或(huo)用(yong)戶(hu)設(she)定(ding)的(de)充(chong)電(dian)速(su)率(lv),此(ci)時(shi)將(jiang)充(chong)電(dian)到(dao)最(zui)大(da)功(gong)率(lv)點(dian)調(tiao)整(zheng)率(lv)。
OOV比較器
NCP1294配備了一個OOV比較器,可以監測輸出電池電壓,以確定是否反饋機製已損壞,或遠程檢測受到超過電池溫度補償的電池電壓的影響。當斷開OOV時係統關閉。比較器可用在係統輸入或係統輸出,但推薦用作輸出的故障安全機製。當使用單電池係統時,可以使用18V的觸發點(trip point)或基於充電狀態設置觸發點。如果使用浮動電壓狀態,需要設置15 V為觸發電壓。
OUV功能
NCP1294的欠壓鎖定功能(OUV)功能可監測轉換器的輸入電壓,以確定是否輸入電壓水平會導致熱問題。OUV可以獨立監測輸入電壓,以確保輸入電壓在理想水平,從而提供最大輸出功率。
OTP功能
由於太陽能控製器可能以不恰當的方式使用,建議對降壓主開關的溫度進行監測,以確定它是否超過了最高溫度水平。如果主MOSFET的溫度已超過了適當的水平,過溫保護(OTP)可以抑製電流以減少係統功耗。
熱管理
NCP1294是一個低功耗器件。一旦確定了IC功耗,設計人員可以計算出所需的熱阻抗,以保持最差環境溫度下指定的結溫。太陽能控製器的熱性能受PCB布局影響很大。在設計過程中應格外小心,以確保IC和he電dian源yuan開kai關guan在zai建jian議yi的de環huan境jing條tiao件jian下xia工gong作zuo。任ren何he電dian源yuan設she計ji都dou應ying進jin行xing適shi當dang的de實shi驗yan室shi測ce試shi,以yi確que保bao在zai最zui差cha工gong作zuo條tiao件jian下xia設she計ji所suo需xu的de功gong耗hao。在zai測ce試shi過guo程cheng中zhong考kao慮lv的de變bian量liang應ying包bao括kuo最zui高gao環huan境jing溫wen度du、最小氣流、最大輸入電壓、最大負載和元件變化(即最差情況下MOSFET的RDSON)。
太陽能電池板
NCP1294評估板支持的太陽能電池板在5 W和120 W之間。這裏考慮的是行業標準類型的太陽能電池板。最常見類型的太陽能電池是晶體矽,它有兩種主要類型:danjingguiheduojinggui。danjingguinengxiaozuigao,danshengchanyebijiaoanggui,tongchangjinxianyushangyehezhuzhaiyingyong。feijingtaiyangnengdianchibanyoutufuzaibuxiuganghuoleisicailiaoshangderongrongguibomogoucheng。jingtijiegoufeichangcuiruo,tongchangjiazailiangpianbolizhijian,yiliyubaohu。danjingguidexiaolvwei18%,多晶矽為15%,非晶態為10%。

圖6:太陽能控製器電路板
利li用yong這zhe個ge功gong能neng豐feng富fu而er靈ling活huo的de解jie決jue方fang案an,工gong程cheng師shi可ke以yi根gen據ju不bu同tong太tai陽yang能neng電dian池chi板ban的de要yao求qiu開kai發fa出chu適shi用yong的de產chan品pin,讓rang最zui終zhong用yong戶hu享xiang用yong到dao先xian進jin半ban導dao體ti技ji術shu帶dai來lai的de便bian利li和he更geng好hao的de使shi用yong體ti驗yan。
- 噪聲中提取真值!瑞盟科技推出MSA2240電流檢測芯片賦能多元高端測量場景
- 10MHz高頻運行!氮矽科技發布集成驅動GaN芯片,助力電源能效再攀新高
- 失真度僅0.002%!力芯微推出超低內阻、超低失真4PST模擬開關
- 一“芯”雙電!聖邦微電子發布雙輸出電源芯片,簡化AFE與音頻設計
- 一機適配萬端:金升陽推出1200W可編程電源,賦能高端裝備製造
- 菲尼克斯電氣DIP產線獲授“IPC HERMES Demo Line”示範線
- 貿澤電子新品推薦:2026年第一季度引入超過9,000個新物料
- 跨域無界 智馭未來——聯合電子北京車展之智能網聯篇
- PROFINET牽手RS232:網關為RFID裝上“同聲傳譯”舊設備秒變智能
- 為AI尋找存儲新方案
- 車規與基於V2X的車輛協同主動避撞技術展望
- 數字隔離助力新能源汽車安全隔離的新挑戰
- 汽車模塊拋負載的解決方案
- 車用連接器的安全創新應用
- Melexis Actuators Business Unit
- Position / Current Sensors - Triaxis Hall

