基於IGBT的固態脈衝調製器設計
發布時間:2011-09-26 來源:21ic
中心議題:
- 脈衝調製器的結構
- 開關器件的比較
- 固態調製器硬件組成
- 固態調製器仿真過程及結構
在雷達發射機脈衝調製器中,廣泛采用的是電真空管作為開關管。這種結構的脈衝調製器具有配套技術複雜、造價高、使用壽命短等缺點,尤其是其不適用於大功率、高重複頻率等工作場合的缺陷,使其已經遠遠不能滿足現代雷達的複雜信號處理的需求。
隨著電力電子技術的快速發展,新型功率開關器件IGBT(絕緣柵雙極晶體管)迅速占領了市場,滿足了人們把大功率、超高頻率開關元件實現固態化的期望,有著完全取代電真空管的趨勢。這也為在雷達發射機脈衝調製器中采用IGBT作為開關管以替代電真空管奠定了理論和實踐基礎。
1 脈衝調製器的結構
根據脈衝調製器的任務,它基本由下列3部分組成:電源部分、能量儲存部分、脈衝形成部分。其結構如圖1所示。

電源部分的作用是把初級電源(例如市電)bianhuanchengfuheyaoqiudezhiliudianyuan。zhiliudianyuanbaokuodiyadianyuanhegaoyadianyuanliangzhong,diyadianyuangonggeitiaozhimaichongyuchulidianlushiyong,gaoyadianyuangonggeitiaozhimaichongxingchengdianlushiyong。
能(neng)量(liang)儲(chu)存(cun)部(bu)分(fen)的(de)作(zuo)用(yong)是(shi)為(wei)了(le)降(jiang)低(di)對(dui)於(yu)電(dian)源(yuan)部(bu)分(fen)的(de)高(gao)峰(feng)值(zhi)功(gong)率(lv)要(yao)求(qiu)。因(yin)為(wei)脈(mai)衝(chong)調(tiao)製(zhi)器(qi)是(shi)在(zai)短(duan)促(cu)的(de)脈(mai)衝(chong)期(qi)間(jian)給(gei)射(she)頻(pin)發(fa)生(sheng)器(qi)提(ti)能(neng)量(liang)的(de),而(er)在(zai)較(jiao)長(chang)的(de)脈(mai)衝(chong)間(jian)歇(xie)期(qi)間(jian)停(ting)止(zhi)工(gong)作(zuo),因(yin)此(ci)為(wei)了(le)有(you)效(xiao)地(di)利(li)用(yong)電(dian)源(yuan)功(gong)率(lv),可(ke)以(yi)采(cai)用(yong)儲(chu)能(neng)元(yuan)件(jian)在(zai)脈(mai)衝(chong)間(jian)歇(xie)期(qi)間(jian)把(ba)電(dian)源(yuan)送(song)來(lai)的(de)能(neng)量(liang)儲(chu)存(cun)起(qi)來(lai),等(deng)到(dao)脈(mai)衝(chong)期(qi)間(jian)再(zai)把(ba)儲(chu)存(cun)的(de)能(neng)量(liang)放(fang)出(chu),交(jiao)給(gei)射(she)頻(pin)發(fa)生(sheng)器(qi)。常(chang)用(yong)的(de)儲(chu)能(neng)元(yuan)件(jian)有(you)電(dian)容(rong)器(qi)和(he)人(ren)工(gong)線(xian)(或稱仿真線)。
脈衝形成部分是利用一個開關,控製儲能元件對負載(射頻發生器)放電,以提供電壓、功率、脈衝寬度及脈衝波形等都滿足要求的視頻脈衝。常用的開關元件有真空三、四極管、氫閘流管、半導體開關元件(可控矽元件)和具有非線性電感的磁開關等。
真空管的通斷可由柵極電壓控製,通斷利索,這種開關稱為剛性開關,對應的調製器稱為剛性調製器。氫閘流管、半(ban)導(dao)體(ti)開(kai)關(guan)元(yuan)件(jian)和(he)具(ju)有(you)非(fei)線(xian)性(xing)電(dian)感(gan)的(de)磁(ci)開(kai)關(guan)則(ze)隻(zhi)能(neng)控(kong)製(zhi)其(qi)導(dao)通(tong),而(er)不(bu)能(neng)控(kong)製(zhi)其(qi)關(guan)斷(duan),這(zhe)種(zhong)開(kai)關(guan)元(yuan)件(jian)稱(cheng)為(wei)軟(ruan)性(xing)開(kai)關(guan),對(dui)應(ying)的(de)調(tiao)製(zhi)器(qi)稱(cheng)為(wei)軟(ruan)性(xing)調(tiao)製(zhi)器(qi)。
2 開關器件的比較
對傳統的電真空器件(氫閘流管)和現代電力電子器件IGBT的電氣性能進行比較。
2.1 傳統電真空管器件
以真空三、四極管為調製開關的剛性調製器適應能力強,能適應各種波形、重複頻率的要求,但這也是以體積、重量、結構和成本為代價的。為彌補自身不足以適應各種工作需要,剛性調製器又分為多種類型,但都避免不了其功率小、效率低的缺陷。
以氫閘流管為開關元件的軟性調製器雖能克服剛性調製器的不足,但自身的缺陷也很突出,主要表現為:1)脈衝波形頂部抖動、後沿拖長;2)對負載阻抗的適應性差;3)對波形的適應性也差。
可見軟性調製器隻能適應於精度要求不高、波形要求不嚴格的大功率雷達中。並且不管是剛性還是軟性調製器,其結構的複雜都使其可靠性降低,並且維修難度大。
2.2 現代電力電子器件
kaiguanyuanjiandegutaihuashifazhandedaqushi,youqishidianlidianziqijianzaiyouchuantongxingxiangxiandaixingzhuanbianyihou,xuduoxinxingdeqijianxunsuyingyongyuzhezhongdianlizhuanhuanlingyu。shangshijijiushiniandaicaixianshenshichangdejueyuanzhashuangjijingtiguanIGBT已成為現代電力電子器件發展的領頭軍,型號齊全,已經出現了由IGBT組成的功能完善的智能化功率模塊IPM。
IGBT:Insulated Gate Bipolar Transistor絕緣柵雙極晶體管是一種工作原理複雜的集成半導體器件。在結構上,集成了所有半導體器件的基本結構。如二極管、BJT、結型場效應管JFET、MOSFET、SCR。工藝上利用MOS工藝進行大麵積功率集成,單元胞的體積越來越小,單元胞的數量越來越多。IGBT經過20年的發展,技術越來越成熟,功能越來越強大。從原來的平麵柵型到溝槽型,又發展到非穿通型,直至現在的電場截至型.達到了6 000 V/600 A,通態壓降1.3 V,開關頻率達到納秒級。
IGBT在大量產品中的良好表現,證明其是一種良好的功率開關器件。其主要優點表現在開關頻率高、承載功率大、通態壓降低、du/dt和di/dt耐量高、動態性能高、反向恢複快等,這些性能特點使其特別適應於在高頻、大功率電路中出任開關器件的重任。
[page]
3 固態調製器硬件組成
對分別以氫閘流管和IGBT為中心所構成的兩種脈衝調製器的性能、構造、成本、可維性及可靠性進行比較。
3.1 真空管脈衝調製器
以氫閘流管ZQM1-350/14型為例,其參數為14 000 V/350 A,陶瓷外殼,需要12.6 V/6 A的(de)燈(deng)絲(si)電(dian)源(yuan)。其(qi)關(guan)斷(duan)時(shi),高(gao)壓(ya)電(dian)源(yuan)經(jing)充(chong)電(dian)電(dian)感(gan)和(he)變(bian)壓(ya)器(qi)的(de)原(yuan)邊(bian)給(gei)仿(fang)真(zhen)線(xian)充(chong)電(dian),氫(qing)閘(zha)流(liu)管(guan)接(jie)通(tong)時(shi),仿(fang)真(zhen)線(xian)經(jing)氫(qing)閘(zha)流(liu)管(guan)對(dui)變(bian)壓(ya)器(qi)原(yuan)邊(bian)放(fang)電(dian),在(zai)變(bian)壓(ya)器(qi)的(de)副(fu)邊(bian)產(chan)生(sheng)高(gao)壓(ya)脈(mai)衝(chong)去(qu)調(tiao)製(zhi)磁(ci)控(kong)管(guan)。氫(qing)閘(zha)流(liu)調(tiao)製(zhi)器(qi)的(de)結(jie)構(gou)如(ru)圖(tu)2所示。

充氫閘流管是由陽極、陰極、柵極(控製柵,有的還具有預點火柵或分壓柵等)組成,將所有電極用絕緣外殼密封,利用低壓氫氣(氘氣)作為工作及滅弧絕緣介質,是離子開關管中的一個分支,將觸發脈衝(正極性)加到柵極,使陰-柵間隙產生輝光放電,放電擴展到陽柵間隙導致陽柵間隙擊穿導通,使外電路通過陽極-柵極-yinjifangdian,ershuchumaichongdianliu,shijuyouzhengqidongtexingdemaichongdianzhenkongqijian,juyougongzuodianyagao,maichongdianliuda,chufadianyadi,maichongkuanduzhai,dianliushangshengkuai,dianhuowendingdengtedian,guangfanyingyongyuguofang、醫療、高能激光、科學研究等領域或場合。
氫(qing)閘(zha)流(liu)管(guan)作(zuo)為(wei)開(kai)關(guan)時(shi),開(kai)關(guan)的(de)接(jie)通(tong)是(shi)由(you)控(kong)製(zhi)柵(zha)極(ji)上(shang)施(shi)加(jia)正(zheng)觸(chu)發(fa)脈(mai)衝(chong)來(lai)實(shi)現(xian)的(de)。如(ru)果(guo)閘(zha)流(liu)管(guan)陽(yang)極(ji)具(ju)有(you)足(zu)夠(gou)高(gao)的(de)正(zheng)向(xiang)電(dian)壓(ya),柵(zha)極(ji)一(yi)旦(dan)被(bei)觸(chu)發(fa),陽(yang)極(ji)-yinjizhijianjiangxunsudaotong,zhajijiushiquleduifangdiandekongzhizuoyong。zhiyouyangjidianyajiangdehendi,buzuyiweichifangdiandianliushi,zhaliuguancaihuijiezhi。zhaliuguanzaifangdianjieshuhou,yaojingguoyiduanxiaodianlishijian,zhajicainenghuifuyuanlaidekongzhigongneng。yinci,zhaliuguanmaichongtiaozhiqixingchengdemaichongboxingdingbudoudong、後沿拖長。
況且真空管調製器由於電子管的外圍電路有偏壓、簾柵、yangjidengdianyuan,zhexiedianyuanshibukequeshaoqietijipangdadegaoyadianyuan。tiaozhiqidaotongshideguanyajiangjiaoda,tiaozhiqixiaolvjiaodi。dianziguanjijiandianrongdecunzaihennanshixianzhaimaichongtiaozhi。lingwaiyouyudianziguanzaizhenkongdubianchaqingkuangxiakenenghuichuxiandahuodengxianxiang,yanzhongyingxiangleidafashejidekekaoxing。dianziguanyinjideshoumingjiaoduan,yezhiyuezhedianziguanzaitiaozhiqizhongdeshiyong。
全固態調製器與電子管調製器相比具有效率高、體積小、重量輕、可靠性高、壽命長、維修費用低等優點。因此,研究固態調製器是一個極為重要的發展方向。
3.2 固態脈衝調製器
固態脈衝調製器就是以固態開關管IGBT替代電真空管的調製器。IGBT模塊采用10隻IGBT串聯成網絡使用,單片機驅動模塊利用單片機形成統一的觸發脈衝,經驅動模塊M57962L同步觸發IGBT網絡。其結構如圖3所示。

該調製器采用充電電感,屬於直流諧振充電,其自然諧振周期為:
![]()
其中:C0是仿真線的靜電容
Tch等於調製器脈衝重複周期T0兩liang倍bei,即ji調tiao製zhi器qi的de脈mai衝chong重zhong複fu頻pin率lv是shi固gu定ding的de。因yin此ci為wei了le適shi應ying雷lei達da工gong作zuo於yu多duo種zhong重zhong複fu頻pin率lv的de要yao求qiu,可ke在zai充chong電dian電dian路lu中zhong串chuan入ru一yi隻zhi二er極ji管guan,稱cheng為wei充chong電dian二er極ji管guan或huo保bao持chi二er極ji管guan。這zhe時shi隻zhi要yao充chong電dian電dian路lu的deTch值小於最小的脈衝重複周期就行了。
VD2和R1稱cheng為wei過guo電dian壓ya保bao護hu電dian路lu,它ta的de作zuo用yong是shi防fang止zhi仿fang真zhen線xian上shang出chu現xian過guo高gao的de電dian壓ya而er損sun壞huai功gong率lv管guan。當dang仿fang真zhen線xian向xiang接jie近jin短duan路lu的de負fu載zai放fang電dian時shi,其qi上shang的de電dian壓ya會hui變bian成cheng負fu極ji性xing,由you於yu功gong率lv管guan不bu能neng反fan向xiang導dao電dian,這zhe個ge負fu極ji性xing的de電dian壓ya不bu會hui消xiao失shi,在zai下xia一yi個ge脈mai衝chong重zhong複fu周zhou期qi充chong電dian時shi,這zhe個ge電dian壓ya與yu電dian源yuan電dian壓ya的de極ji性xing一yi致zhi,所suo以yi仿fang真zhen線xian將jiang會hui充chong電dian到dao一yi個ge較jiao高gao的de電dian壓ya值zhi。如ru果guo這zhe時shi負fu載zai打da火huo並bing未wei消xiao失shi,那na麼me這zhe一yi過guo程cheng將jiang會hui繼ji續xu下xia去qu。在zai理li論lun上shang可ke以yi證zheng明ming,仿fang真zhen線xian上shang的de電dian壓ya將jiang會hui達da到dao電dian源yuan電dian壓ya的de6倍之多。當電路中接入VD2和R1之後,隻要仿真線上出現負極性電壓,就可以通過VD2放掉,從而防止了仿真線上過電壓的產生。
[page]
R2C2稱為反肩峰電路。當仿真線向不匹配的負載放電會在脈衝的前沿引起顯著的肩峰。R2C2電路就是為了減小這種肩峰的,其電阻通常選擇和負載阻抗相等,而電容的大小可按電路時間常數與脈衝前沿時間大致相當來確定。
功率開關管IGBT采用高速型MG400Q1US41,其參數為1 200V/400A,其參數如圖4所示。工程中采用十管串聯的方法以適應高電壓的要求。驅動模塊采用M57962L,其參數為1 200 V/400 A。

十管串聯需要保證串聯的10個管子同時導通、tongshijiezhi,fouzexiandaotonghuozhehoujiezhideguanzijiuyinweiyaochengshougaodianyaerjichuan,jinyibujichuansuoyoudeguanzi,erxingchengtiaozhiqiguzhang,zaochengbubiyaodesunshi。jiejuedebanfashiyongdanpianjichanshengyiluchufamaichong,tongshichufaqudongmokuai。yinweiqudongmokuaijuyoujiaogaodeshuruzukang,yincidanpianjideshuchudianliuzugoutongshichufaqudongmokuai。10個驅動模塊被同時觸發,因其延遲的一致性,會使單片機的觸發脈衝同時加到10個IGBT的柵極。
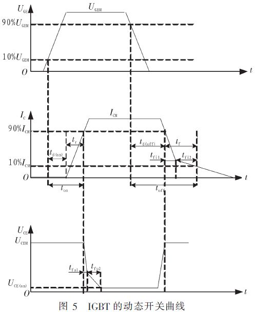
根據調製器的要求,由單片機輸出一定重複頻率的觸發脈衝經接口保護電路轉換後驅動IGBT的柵極。IGBT在柵極有驅動時接通,無驅動時關斷,實現了可控的開關功能。IGBT的動態開關曲線如圖5所示。
[page]
根據圖4所示IGBT參數可知,在VOC=600V、VGE=±15V、RG=2.4 Ω、TC=25℃、IC=400 A時,ton=0.25μs,toff=0.7μs。從圖5的UCE-t曲線圖看,IGBT的開關曲線比氫閘流管的開關曲線更好,更適合於作為脈衝調製器的開關管使用。

由於單片機的采用,就可以使調製器的保護采用軟件保護,這在減少調製器的體積與重量方麵可以做出重大貢獻。
單個固態調製器的製造成本比氫閘流管調製器稍高,但是其使用壽命長,也就是說性價比高,況且在性能、構造、可維性及可靠性方麵遠遠勝於氫閘流管調製器。
4 仿真過程及結果
仿真軟件使用流行的SIMNLINK。
設觸發脈衝周期為2 ms,脈衝寬度為2μs,如圖6中的第一示波器(圖的下部),仿真線前端的波形如圖6中的第二示波器(圖的上部)。由第二示波器可見,當觸發脈衝到來時,即IGBT網絡導通時,仿真線迅速放電,放電速率為5 000 V/6μs(即從滿電壓5 000 V至放電完成時間約為6μs),並且無反衝。當觸發脈衝過去時,即IGBT網絡斷開時,仿真線迅速充電,放電速率為5 000 V/3μs(即從充電開始至滿電壓5 000 V的時間約為3μs),並且無反衝。

由此可見,由IGBT網絡替代的脈衝開關,完全能滿足脈衝調製器的要求,其指標遠遠超過了氫閘流管脈衝調製器。
5 結論
器件固態化是係統發展的趨勢,固態脈衝調製器正是在這一趨勢的啟發下提出來的。所設計的固態脈衝調製器具有結構簡單、性價比高的特點,可以快速、方便地對現有雷達的脈衝調製器進行改裝。改裝成本低、周期短,具有很高的實用價值。
- 噪聲中提取真值!瑞盟科技推出MSA2240電流檢測芯片賦能多元高端測量場景
- 10MHz高頻運行!氮矽科技發布集成驅動GaN芯片,助力電源能效再攀新高
- 失真度僅0.002%!力芯微推出超低內阻、超低失真4PST模擬開關
- 一“芯”雙電!聖邦微電子發布雙輸出電源芯片,簡化AFE與音頻設計
- 一機適配萬端:金升陽推出1200W可編程電源,賦能高端裝備製造
- 2026藍牙亞洲大會暨展覽在深啟幕
- 新市場與新場景推動嵌入式係統研發走向統一開發平台
- 維智捷發布中國願景
- 2秒啟動係統 • 資源受限下HMI最優解,米爾RK3506開發板× LVGL Demo演示
- H橋降壓-升壓電路中的交替控製與帶寬優化
- 車規與基於V2X的車輛協同主動避撞技術展望
- 數字隔離助力新能源汽車安全隔離的新挑戰
- 汽車模塊拋負載的解決方案
- 車用連接器的安全創新應用
- Melexis Actuators Business Unit
- Position / Current Sensors - Triaxis Hall

