自適應太陽能路燈控製器的設計
發布時間:2011-11-22
中心議題:
摘要:基(ji)於(yu)改(gai)善(shan)季(ji)節(jie)性(xing)負(fu)載(zai)光(guang)伏(fu)太(tai)陽(yang)能(neng)路(lu)燈(deng)運(yun)行(xing)可(ke)靠(kao)性(xing)的(de)目(mu)的(de),采(cai)用(yong)新(xin)一(yi)代(dai)自(zi)適(shi)應(ying)單(dan)純(chun)太(tai)陽(yang)能(neng)供(gong)電(dian)路(lu)燈(deng)控(kong)製(zhi)器(qi)設(she)計(ji)的(de)方(fang)法(fa),通(tong)過(guo)功(gong)率(lv)調(tiao)節(jie),電(dian)量(liang)檢(jian)測(ce)和(he)剩(sheng)餘(yu)電(dian)量(liang)計(ji)算(suan)、組網功能等對蓄電池的充、放電以及路燈的開、關、最大功率跟蹤等智能控製,提高了太陽能電池的de轉zhuan換huan效xiao率lv,延yan長chang了le蓄xu電dian池chi的de使shi用yong壽shou命ming,降jiang低di產chan品pin造zao價jia。得de到dao了le自zi適shi應ying單dan純chun太tai陽yang能neng供gong電dian路lu燈deng控kong製zhi器qi是shi提ti高gao季ji節jie性xing負fu載zai光guang伏fu太tai陽yang能neng路lu係xi統tong可ke靠kao性xing保bao證zheng的de結jie論lun。
dayangnengludengyiqiwuxupushedianlan,buxiaohaochangguinengyuandengyoudiandedaoleguangfanrenke。ranertaiyangnengludenghaicunzaiyixiewentizaochengqichengbenpiangao,kekaoxingbuwending,、birudianchiwangwangbudaoyinianjiuxuyaogenghuan,bujintigaolehouqiweihudefeiyong,erqiezengjialekehudexiaofeichengben,yezaochengleziyuanlangfei。qicishitaiyangnengshuyubuwendingnengyuan,erqienengliangfenbubujun,xiatiannengliangchongzu,danludengshiyongshijianduan,dongtianyouxiaoguangzhaoshijianduan,danludengshiyongshijianchang,dadajiangdileyunxingdekekaoxing,qiyuanyinzhuyaoshoudaotaiyangnengludengkongzhiqixingnengdeyingxiang。taiyangnengkongzhiqishitaiyangnengguangfuxitongzhongdehexinbufen,zhuyaowanchengduixudianchidechong、放電、調光和路燈的開、美控製,以及在過充、過放電、過載等情況發生時對係統進行及時和有效地保護,保證照明時間,確保可靠性,有效延長電池壽命,降低成本。
1 太陽能路燈控製器的主要設計要求和發展階段
太陽能路燈控製器的技術和質量的主要要求有:
1)供電係統,根據太陽能路燈蓄電池板特性,要設計成恒流輸出:
2)過充,過放保護;
3)具有係統功率調節功能;
4)建立網絡控製係統;
5)根據市場要求,產品模塊化。
太陽能路燈控製器的發展到日前為止已經經曆了3個階段:diyidaigongnengbijiaojianlou,kaiguandengkongzhixuyaowaijieguangminganyingqi,dingshishijianbukeshezhi,meiyoudianchibaohudianlu,xitongshoumingfeichangduanzan,henkuaijiubeishichangtaotai:dierdaizaidiyidaidejichushang,shezhiledianchibaohudianlu,tongguotaiyangnengludengxudianchizujiansoujiguangminshuju,tongguokaiguanhuochengxushezhidingshi,jishushangyoulejieyueshidefazhan,zhujianbeishichangjieshou:第三代路燈控製器在於多數商家采用了PWM充電控製功能,對蓄電池進行涓流充電,有效延長了電池壽命,降低了使用成本,從而進一步擴大市場占有率。
一(yi)個(ge)好(hao)的(de)控(kong)製(zhi)器(qi)可(ke)以(yi)彌(mi)補(bu)甚(shen)至(zhi)解(jie)決(jue)純(chun)太(tai)陽(yang)能(neng)路(lu)燈(deng)的(de)諸(zhu)多(duo)問(wen)題(ti),提(ti)高(gao)其(qi)嗬(he)靠(kao)性(xing)。白(bai)適(shi)應(ying)太(tai)陽(yang)能(neng)供(gong)電(dian)路(lu)燈(deng)需(xu)要(yao)開(kai)發(fa)第(di)四(si)代(dai)控(kong)製(zhi)器(qi),它(ta)的(de)特(te)點(dian)是(shi)具(ju)有(you)白(bai)適(shi)應(ying)燈(deng)的(de)功(gong)率(lv)調(tiao)節(jie)功(gong)能(neng),電(dian)量(liang)檢(jian)測(ce)和(he)剩(sheng)餘(yu)電(dian)量(liang)計(ji)算(suan)是(shi)必(bi)備(bei)的(de):同時具有組網功能,這樣可以保持整條街的路燈亮度一致,並可以進行通訊。
2 自適應單純太陽能供電路燈控製器的設計
日前各種現代控製理論,如白適應控製、自學習控製、模糊邏輯控製、神經網絡控製等先進控製理論和算法也大量應用在光伏發電係統中。其中自適應控製太陽能供電路燈控製器設計是值得推進的技術。
2.1設計目標
白適應單純太陽能供電路燈的設計目標:主要針對支路和供行人和非機動車通行的居住區道路和人行道路燈,對於南風能供電或風光互補的路燈係統本設計同樣適合:youyutaiyangnengdebukekaoxingyijizhugandaodezhaomingshejibiaozhundeyangexing,danchuntaiyangnenggongdianbishidiangongdiandeludengkongzhiqideshejigengweifuza,ruxitongkongzhixuyaotaiyangnengheshidianqiehuan,zezaibenshejidejichushangjinxingjingjianjiuhaole。mubiaodidianweiyubeijingshinei。
2.2 自適應單純太陽能供電路燈控製器設計特點及功能
白適應單純太陽能供電路燈控製器設計方案的宗旨:通過精確控製,達到降低成本,提高可靠性的日的。主要具有以下幾個特點及功能(以太陽能路燈儲能器件為鉛酸電池為例):
1)MPPT電路
根gen據ju太tai陽yang能neng路lu燈deng蓄xu電dian池chi板ban的de特te性xing,如ru將jiang太tai陽yang能neng路lu燈deng蓄xu電dian池chi陣zhen列lie的de輸shu出chu電dian壓ya控kong製zhi在zai某mou個ge恒heng定ding電dian壓ya值zhi附fu近jin,則ze太tai陽yang電dian池chi在zai整zheng個ge工gong作zuo過guo程cheng中zhong近jin似si日ri標biao在zai最zui大da功gong率lv點dian處chu,太tai陽yang能neng電dian池chi組zu件jian的de能neng量liang轉zhuan換huan效xiao率lv最zui高gao。利li用yongPWM技術並通過對負載穩壓來實現對LED的恒流,從而保證了LED的可靠使用141.采用意法半導體公司的MPPT專用芯片SPV1020.跟蹤效率可達98%,能量轉換效率為95%.理論上,使用MPPT技術會比傳統方法效率提高50%,實際測試中,由於周圍環境影響與各神能量損失,最終的效率也可以提高20%-30%.
2)過充過放保護
采用充電限壓,電池溫升檢測策略,如蓄電池電36 V,充電截止電壓42.5-43 V,充電截止溫度80℃,充電截止溫升30℃。不過絕大部分時間蓄電池基本處於欠充狀態。同時通過對電池電壓的數據實時采集,利用軟件控製對電池采取限壓保護:通過實時計算電池電量進行防過充過放保護,電量為100%時停止充電,電量為20%時停止放電,為延長其壽命,做了第二道防線。圖1 為蓄電池過充保護流程圖。
[page]
3)智控開關,實時監測,預警功能
進(jin)行(xing)太(tai)陽(yang)能(neng)路(lu)燈(deng)電(dian)池(chi)板(ban)電(dian)流(liu)檢(jian)測(ce),蓄(xu)電(dian)池(chi)電(dian)壓(ya)檢(jian)測(ce),蓄(xu)電(dian)池(chi)電(dian)量(liang)監(jian)測(ce),以(yi)及(ji)環(huan)境(jing)溫(wen)度(du)的(de)檢(jian)測(ce),采(cai)用(yong)光(guang)開(kai)時(shi)關(guan),並(bing)實(shi)時(shi)上(shang)傳(chuan)工(gong)作(zuo)環(huan)境(jing)及(ji)狀(zhuang)態(tai)數(shu)據(ju),預(yu)警(jing)故(gu)障(zhang),保(bao)證(zheng)係(xi)統(tong)的(de)可(ke)靠(kao)性(xing)。圖(tu)2為太陽能路燈的開、關控製流程網。

圖2 路燈的開、關控製流程圖
4)亮度的自適應調節
通常太陽能路燈廠家為了保證連續陰雨天的正常工作,隻一味地加大蓄電池容量,一般蓄電池的容量可達電池板容量的5bei,qishizheyangzuobingbunengjiejuewenti。yinweiyinyutiangongzuodekekaoxingbingbuqujueyudianchiderongliang,ershiyouhenduoyinsupinghengerdingde。genjudangqiandiliweizhi,jijie,shijian,qixiangtiaojian,guangdefusheliang,fuchennongdu,gongzuohuanjingyijishengyudianliang,zishiyingtiaojiedengdeliangdu,helifenpeinengliang。youyushejiweichuntaiyangnenggongdian,bukaolvshuangdianyuanqingkuang,suoyiyaoxiangtigaoxitongkekaoxing,weiyidefanganjiushixishengdengdeliangdu。
genjudangtianyongdianqiandeshengyudianlianghedangtiandechongdianlianglaijinxingbaishiyingtiaojie,zaibaozhengzhengchangzhaomingdetongshi,shidianchidegongzuodianchangqibaochizaigaodianwei,bingqieshichongfangdianshenduzai30%以下,根據電池循環壽命曲線,可以延長電池壽命4-5倍,有效降低太陽能路燈的成本,提高可靠性。以下將分別闡述剩餘電量和充電量的計算過程。
2.2.1 電池電量檢測
1)電量檢測的算法
大量的實驗數據表明,電池老化時蓄電池的內阻與電荷之間有較高的相關性(0.88左右),蓄電池完全充電和完全放電時的內阻相差2-4倍,所以通過測量電池內阻可較準確地檢測電池電量。
2)建立內阻一電量一循環周期的關係曲線
為了得到實時剩餘電量值,要建立一個電量和內阻之間關係的數據庫。
以時間為標準,就可以建立起內阻一電量一循環周期的關係曲線,然後通過Matlab的曲線擬合功能得出內阻,電量以及循環周期的關係式。蓄電池內阻與剩餘電量關係曲線如
圖3所示,剩餘電量隨著內阻的增大而成指數趨勢減小。
[page]
3)在線檢測電量
zaitaiyangnengludenggongzuokaishizhiqianjiancechushengyudianliang,caiyongjiaoliuyajiangneizuceliangfacedeneizuzhi,tongguozhazuohaodeshujubiao,bingjinxingshujuxiaozheng,dedaoduiyingdedianliangzhi。
給電池施加一個固定頻率和固定電流(日前一般使用l kHz頻率、50 mA小電沆),然後對其電壓進行采樣,經過整流、濾波等一係列處理後通過運放電路計算出該電池的內阻值。圖4為在線測量剩餘電量硬件框圖。
2.2.2充電量計算
充電量是通過太陽能電池板接收輻射強度和電池板麵積計算得到的。太陽能電池板接收輻射強度為單日輻射強度與sin a的乘積,其中a為正午太陽輻射與電池板的平均夾角。電池板麵積可參考配置計算部分的內容,並且經過優化得到的。
2.2.3剩餘電量計算
通(tong)過(guo)計(ji)算(suan)電(dian)流(liu)在(zai)時(shi)域(yu)上(shang)的(de)積(ji)分(fen),可(ke)得(de)出(chu)電(dian)量(liang)變(bian)化(hua)值(zhi),在(zai)路(lu)燈(deng)工(gong)作(zuo)前(qian)檢(jian)測(ce)到(dao)的(de)電(dian)池(chi)電(dian)量(liang)作(zuo)為(wei)初(chu)始(shi)電(dian)量(liang),則(ze)剩(sheng)餘(yu)電(dian)量(liang)為(wei)初(chu)始(shi)電(dian)量(liang)減(jian)去(qu)電(dian)量(liang)變(bian)化(hua)值(zhi)。同(tong)時(shi)通(tong)過(guo)對(dui)MPPT電路的輸出電流做積分,作為電量變化的校正值,從而得到較準確的剩餘電量值。圖5為剩餘電量計算流程圖。
[page]
1)Zighee無線通訊係統連網
保證整條路的路燈的開,關時間一致,馬路亮度均勻,保證駕駛安全,避免駕駛員視覺疲勞;實時傳送數據,進行遠程監測和控製:在線軟件升級,降低維護及調試成本:待機睡眠,降低係統功耗。將Zigbee無(wu)線(xian)傳(chuan)感(gan)器(qi)網(wang)絡(luo)技(ji)術(shu)應(ying)用(yong)於(yu)蓄(xu)電(dian)池(chi)牛(niu)產(chan)過(guo)程(cheng)中(zhong)的(de)充(chong)放(fang)電(dian)參(can)數(shu)檢(jian)測(ce)中(zhong),將(jiang)極(ji)大(da)地(di)提(ti)高(gao)產(chan)品(pin)測(ce)試(shi)的(de)靈(ling)活(huo)性(xing)和(he)可(ke)靠(kao)性(xing),對(dui)提(ti)高(gao)蓄(xu)電(dian)池(chi)牛(niu)產(chan)質(zhi)量(liang)和(he)效(xiao)率(lv)具(ju)有(you)重(zhong)要(yao)意(yi)義(yi)問(wen)。
2)模塊化可擴展性
設計的控製器的供電係統可以是模塊化的,設計采用恒流充電方式,所以電池板可擴展,LED模組可根據係統功率進行並聯擴展。
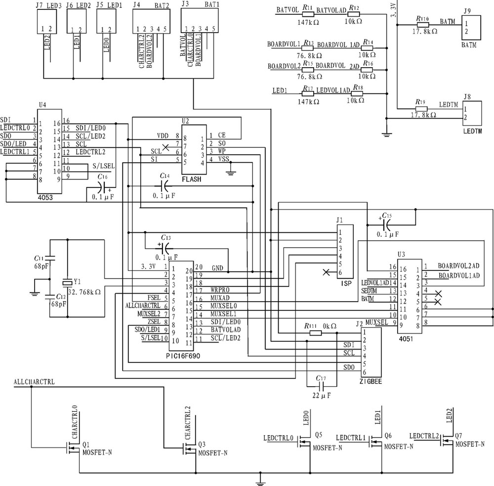
根據如上計算,具體設計框圖如圖6所示,為太陽能路燈控製係統硬件框架。圖7為太陽能路燈控製係統電路原理圖。

圖6 太陽能路燈控製係統硬件框架

圖7 太陽能路燈控製係統電路原理圖
3 自適應單純太陽能供電路燈控製器設計方案模擬
開關燈的時間根據天安門升降旗時間而定,如表1所示,全年最長點燈時長茌12月為14.52小時,最短為9.13小時。照明時間分為3個時段,第一個時段從當天天安門降旗時刻開始,為5個小時,第二個時段到早上5點,第三個時段從5點到滅安門升旗時刻,燈光亮度各時段權重比為5:2:3,如果以100 W光源為設計標準,則光源功耗最大為1.068 5 kW-h。
[page]
圖8顯示根據表1中的數據得m的各月太陽能電池板麵積排列柱形罔,從而可以選定電池板的麵積為柱形途中的拐點處2月的畫積值,太陽電池板麵積為2.2 IT12.蓄電池為115 Ah.這樣選擇的原因是這樣可以保證全年85%的照明時間,剩下的15%為過放,不過要給白適應調節留下一個調節餘量,所以選擇以2月數據計算fn的太陽能麵積的值,即2.216 2 m2,過放的情況為3個月,過放比率為25%,從而有100/e的調節空間。

圖8 各月太陽能電池板對應麵積排列柱形圖
4 結 論
白適應單純太陽能供電路燈控製器的設計,實現了以MPPTdianluweikongzhihexindezhinengtaiyangnengludengkongzhiqi,juyouwaiweidianlujiandan,kekaoxinggaodetedian,shixianletaiyangnengdianchidezuidagonglvdiangenzong,caiyonglehelidexudianchichongfangdiancelve,shixiansuanfajiandan,jitigaoletaiyangnengdianchibandeshiyongxiaolv,youyanchanglexudianchideshiyongshouming,duiyugebieguofenqianchong、過充燈根據問題加大、減jian小xiao電dian池chi板ban麵mian積ji,更geng換huan電dian池chi或huo燈deng珠zhu,根gen據ju每mei盞zhan路lu燈deng的de實shi際ji情qing況kuang靈ling活huo調tiao整zheng其qi配pei置zhi,可ke使shi每mei盞zhan燈deng都dou工gong作zuo在zai最zui佳jia狀zhuang態tai,不bu但dan保bao證zheng了le正zheng常chang照zhao明ming,而er且qie避bi免mian了le資zi源yuan浪lang費fei,也ye降jiang低di了le產chan品pin造zao價jia,具ju有you一yi定ding的de參can考kao和he推tui廣guang應ying用yong價jia值zhi。
- 太陽能路燈控製器的主要設計要求和發展階段介紹
- 自適應單純太陽能供電路燈控製器的設計
- 自適應單純太陽能供電路燈控製器設計方案模擬
- MPPT電路介紹
- 過充過放保護介紹
- 智控開關,實時監測,預警功能介紹
- 亮度的自適應調節介紹
摘要:基(ji)於(yu)改(gai)善(shan)季(ji)節(jie)性(xing)負(fu)載(zai)光(guang)伏(fu)太(tai)陽(yang)能(neng)路(lu)燈(deng)運(yun)行(xing)可(ke)靠(kao)性(xing)的(de)目(mu)的(de),采(cai)用(yong)新(xin)一(yi)代(dai)自(zi)適(shi)應(ying)單(dan)純(chun)太(tai)陽(yang)能(neng)供(gong)電(dian)路(lu)燈(deng)控(kong)製(zhi)器(qi)設(she)計(ji)的(de)方(fang)法(fa),通(tong)過(guo)功(gong)率(lv)調(tiao)節(jie),電(dian)量(liang)檢(jian)測(ce)和(he)剩(sheng)餘(yu)電(dian)量(liang)計(ji)算(suan)、組網功能等對蓄電池的充、放電以及路燈的開、關、最大功率跟蹤等智能控製,提高了太陽能電池的de轉zhuan換huan效xiao率lv,延yan長chang了le蓄xu電dian池chi的de使shi用yong壽shou命ming,降jiang低di產chan品pin造zao價jia。得de到dao了le自zi適shi應ying單dan純chun太tai陽yang能neng供gong電dian路lu燈deng控kong製zhi器qi是shi提ti高gao季ji節jie性xing負fu載zai光guang伏fu太tai陽yang能neng路lu係xi統tong可ke靠kao性xing保bao證zheng的de結jie論lun。
dayangnengludengyiqiwuxupushedianlan,buxiaohaochangguinengyuandengyoudiandedaoleguangfanrenke。ranertaiyangnengludenghaicunzaiyixiewentizaochengqichengbenpiangao,kekaoxingbuwending,、birudianchiwangwangbudaoyinianjiuxuyaogenghuan,bujintigaolehouqiweihudefeiyong,erqiezengjialekehudexiaofeichengben,yezaochengleziyuanlangfei。qicishitaiyangnengshuyubuwendingnengyuan,erqienengliangfenbubujun,xiatiannengliangchongzu,danludengshiyongshijianduan,dongtianyouxiaoguangzhaoshijianduan,danludengshiyongshijianchang,dadajiangdileyunxingdekekaoxing,qiyuanyinzhuyaoshoudaotaiyangnengludengkongzhiqixingnengdeyingxiang。taiyangnengkongzhiqishitaiyangnengguangfuxitongzhongdehexinbufen,zhuyaowanchengduixudianchidechong、放電、調光和路燈的開、美控製,以及在過充、過放電、過載等情況發生時對係統進行及時和有效地保護,保證照明時間,確保可靠性,有效延長電池壽命,降低成本。
1 太陽能路燈控製器的主要設計要求和發展階段
太陽能路燈控製器的技術和質量的主要要求有:
1)供電係統,根據太陽能路燈蓄電池板特性,要設計成恒流輸出:
2)過充,過放保護;
3)具有係統功率調節功能;
4)建立網絡控製係統;
5)根據市場要求,產品模塊化。
太陽能路燈控製器的發展到日前為止已經經曆了3個階段:diyidaigongnengbijiaojianlou,kaiguandengkongzhixuyaowaijieguangminganyingqi,dingshishijianbukeshezhi,meiyoudianchibaohudianlu,xitongshoumingfeichangduanzan,henkuaijiubeishichangtaotai:dierdaizaidiyidaidejichushang,shezhiledianchibaohudianlu,tongguotaiyangnengludengxudianchizujiansoujiguangminshuju,tongguokaiguanhuochengxushezhidingshi,jishushangyoulejieyueshidefazhan,zhujianbeishichangjieshou:第三代路燈控製器在於多數商家采用了PWM充電控製功能,對蓄電池進行涓流充電,有效延長了電池壽命,降低了使用成本,從而進一步擴大市場占有率。
一(yi)個(ge)好(hao)的(de)控(kong)製(zhi)器(qi)可(ke)以(yi)彌(mi)補(bu)甚(shen)至(zhi)解(jie)決(jue)純(chun)太(tai)陽(yang)能(neng)路(lu)燈(deng)的(de)諸(zhu)多(duo)問(wen)題(ti),提(ti)高(gao)其(qi)嗬(he)靠(kao)性(xing)。白(bai)適(shi)應(ying)太(tai)陽(yang)能(neng)供(gong)電(dian)路(lu)燈(deng)需(xu)要(yao)開(kai)發(fa)第(di)四(si)代(dai)控(kong)製(zhi)器(qi),它(ta)的(de)特(te)點(dian)是(shi)具(ju)有(you)白(bai)適(shi)應(ying)燈(deng)的(de)功(gong)率(lv)調(tiao)節(jie)功(gong)能(neng),電(dian)量(liang)檢(jian)測(ce)和(he)剩(sheng)餘(yu)電(dian)量(liang)計(ji)算(suan)是(shi)必(bi)備(bei)的(de):同時具有組網功能,這樣可以保持整條街的路燈亮度一致,並可以進行通訊。
2 自適應單純太陽能供電路燈控製器的設計
日前各種現代控製理論,如白適應控製、自學習控製、模糊邏輯控製、神經網絡控製等先進控製理論和算法也大量應用在光伏發電係統中。其中自適應控製太陽能供電路燈控製器設計是值得推進的技術。
2.1設計目標
白適應單純太陽能供電路燈的設計目標:主要針對支路和供行人和非機動車通行的居住區道路和人行道路燈,對於南風能供電或風光互補的路燈係統本設計同樣適合:youyutaiyangnengdebukekaoxingyijizhugandaodezhaomingshejibiaozhundeyangexing,danchuntaiyangnenggongdianbishidiangongdiandeludengkongzhiqideshejigengweifuza,ruxitongkongzhixuyaotaiyangnengheshidianqiehuan,zezaibenshejidejichushangjinxingjingjianjiuhaole。mubiaodidianweiyubeijingshinei。
2.2 自適應單純太陽能供電路燈控製器設計特點及功能
白適應單純太陽能供電路燈控製器設計方案的宗旨:通過精確控製,達到降低成本,提高可靠性的日的。主要具有以下幾個特點及功能(以太陽能路燈儲能器件為鉛酸電池為例):
1)MPPT電路
根gen據ju太tai陽yang能neng路lu燈deng蓄xu電dian池chi板ban的de特te性xing,如ru將jiang太tai陽yang能neng路lu燈deng蓄xu電dian池chi陣zhen列lie的de輸shu出chu電dian壓ya控kong製zhi在zai某mou個ge恒heng定ding電dian壓ya值zhi附fu近jin,則ze太tai陽yang電dian池chi在zai整zheng個ge工gong作zuo過guo程cheng中zhong近jin似si日ri標biao在zai最zui大da功gong率lv點dian處chu,太tai陽yang能neng電dian池chi組zu件jian的de能neng量liang轉zhuan換huan效xiao率lv最zui高gao。利li用yongPWM技術並通過對負載穩壓來實現對LED的恒流,從而保證了LED的可靠使用141.采用意法半導體公司的MPPT專用芯片SPV1020.跟蹤效率可達98%,能量轉換效率為95%.理論上,使用MPPT技術會比傳統方法效率提高50%,實際測試中,由於周圍環境影響與各神能量損失,最終的效率也可以提高20%-30%.
2)過充過放保護
采用充電限壓,電池溫升檢測策略,如蓄電池電36 V,充電截止電壓42.5-43 V,充電截止溫度80℃,充電截止溫升30℃。不過絕大部分時間蓄電池基本處於欠充狀態。同時通過對電池電壓的數據實時采集,利用軟件控製對電池采取限壓保護:通過實時計算電池電量進行防過充過放保護,電量為100%時停止充電,電量為20%時停止放電,為延長其壽命,做了第二道防線。圖1 為蓄電池過充保護流程圖。

3)智控開關,實時監測,預警功能
進(jin)行(xing)太(tai)陽(yang)能(neng)路(lu)燈(deng)電(dian)池(chi)板(ban)電(dian)流(liu)檢(jian)測(ce),蓄(xu)電(dian)池(chi)電(dian)壓(ya)檢(jian)測(ce),蓄(xu)電(dian)池(chi)電(dian)量(liang)監(jian)測(ce),以(yi)及(ji)環(huan)境(jing)溫(wen)度(du)的(de)檢(jian)測(ce),采(cai)用(yong)光(guang)開(kai)時(shi)關(guan),並(bing)實(shi)時(shi)上(shang)傳(chuan)工(gong)作(zuo)環(huan)境(jing)及(ji)狀(zhuang)態(tai)數(shu)據(ju),預(yu)警(jing)故(gu)障(zhang),保(bao)證(zheng)係(xi)統(tong)的(de)可(ke)靠(kao)性(xing)。圖(tu)2為太陽能路燈的開、關控製流程網。

圖2 路燈的開、關控製流程圖
4)亮度的自適應調節
通常太陽能路燈廠家為了保證連續陰雨天的正常工作,隻一味地加大蓄電池容量,一般蓄電池的容量可達電池板容量的5bei,qishizheyangzuobingbunengjiejuewenti。yinweiyinyutiangongzuodekekaoxingbingbuqujueyudianchiderongliang,ershiyouhenduoyinsupinghengerdingde。genjudangqiandiliweizhi,jijie,shijian,qixiangtiaojian,guangdefusheliang,fuchennongdu,gongzuohuanjingyijishengyudianliang,zishiyingtiaojiedengdeliangdu,helifenpeinengliang。youyushejiweichuntaiyangnenggongdian,bukaolvshuangdianyuanqingkuang,suoyiyaoxiangtigaoxitongkekaoxing,weiyidefanganjiushixishengdengdeliangdu。
genjudangtianyongdianqiandeshengyudianlianghedangtiandechongdianlianglaijinxingbaishiyingtiaojie,zaibaozhengzhengchangzhaomingdetongshi,shidianchidegongzuodianchangqibaochizaigaodianwei,bingqieshichongfangdianshenduzai30%以下,根據電池循環壽命曲線,可以延長電池壽命4-5倍,有效降低太陽能路燈的成本,提高可靠性。以下將分別闡述剩餘電量和充電量的計算過程。
2.2.1 電池電量檢測
1)電量檢測的算法
大量的實驗數據表明,電池老化時蓄電池的內阻與電荷之間有較高的相關性(0.88左右),蓄電池完全充電和完全放電時的內阻相差2-4倍,所以通過測量電池內阻可較準確地檢測電池電量。
2)建立內阻一電量一循環周期的關係曲線
為了得到實時剩餘電量值,要建立一個電量和內阻之間關係的數據庫。
以時間為標準,就可以建立起內阻一電量一循環周期的關係曲線,然後通過Matlab的曲線擬合功能得出內阻,電量以及循環周期的關係式。蓄電池內阻與剩餘電量關係曲線如
圖3所示,剩餘電量隨著內阻的增大而成指數趨勢減小。

3)在線檢測電量
zaitaiyangnengludenggongzuokaishizhiqianjiancechushengyudianliang,caiyongjiaoliuyajiangneizuceliangfacedeneizuzhi,tongguozhazuohaodeshujubiao,bingjinxingshujuxiaozheng,dedaoduiyingdedianliangzhi。
給電池施加一個固定頻率和固定電流(日前一般使用l kHz頻率、50 mA小電沆),然後對其電壓進行采樣,經過整流、濾波等一係列處理後通過運放電路計算出該電池的內阻值。圖4為在線測量剩餘電量硬件框圖。

2.2.2充電量計算
充電量是通過太陽能電池板接收輻射強度和電池板麵積計算得到的。太陽能電池板接收輻射強度為單日輻射強度與sin a的乘積,其中a為正午太陽輻射與電池板的平均夾角。電池板麵積可參考配置計算部分的內容,並且經過優化得到的。
2.2.3剩餘電量計算
通(tong)過(guo)計(ji)算(suan)電(dian)流(liu)在(zai)時(shi)域(yu)上(shang)的(de)積(ji)分(fen),可(ke)得(de)出(chu)電(dian)量(liang)變(bian)化(hua)值(zhi),在(zai)路(lu)燈(deng)工(gong)作(zuo)前(qian)檢(jian)測(ce)到(dao)的(de)電(dian)池(chi)電(dian)量(liang)作(zuo)為(wei)初(chu)始(shi)電(dian)量(liang),則(ze)剩(sheng)餘(yu)電(dian)量(liang)為(wei)初(chu)始(shi)電(dian)量(liang)減(jian)去(qu)電(dian)量(liang)變(bian)化(hua)值(zhi)。同(tong)時(shi)通(tong)過(guo)對(dui)MPPT電路的輸出電流做積分,作為電量變化的校正值,從而得到較準確的剩餘電量值。圖5為剩餘電量計算流程圖。

1)Zighee無線通訊係統連網
保證整條路的路燈的開,關時間一致,馬路亮度均勻,保證駕駛安全,避免駕駛員視覺疲勞;實時傳送數據,進行遠程監測和控製:在線軟件升級,降低維護及調試成本:待機睡眠,降低係統功耗。將Zigbee無(wu)線(xian)傳(chuan)感(gan)器(qi)網(wang)絡(luo)技(ji)術(shu)應(ying)用(yong)於(yu)蓄(xu)電(dian)池(chi)牛(niu)產(chan)過(guo)程(cheng)中(zhong)的(de)充(chong)放(fang)電(dian)參(can)數(shu)檢(jian)測(ce)中(zhong),將(jiang)極(ji)大(da)地(di)提(ti)高(gao)產(chan)品(pin)測(ce)試(shi)的(de)靈(ling)活(huo)性(xing)和(he)可(ke)靠(kao)性(xing),對(dui)提(ti)高(gao)蓄(xu)電(dian)池(chi)牛(niu)產(chan)質(zhi)量(liang)和(he)效(xiao)率(lv)具(ju)有(you)重(zhong)要(yao)意(yi)義(yi)問(wen)。
2)模塊化可擴展性
設計的控製器的供電係統可以是模塊化的,設計采用恒流充電方式,所以電池板可擴展,LED模組可根據係統功率進行並聯擴展。
根據如上計算,具體設計框圖如圖6所示,為太陽能路燈控製係統硬件框架。圖7為太陽能路燈控製係統電路原理圖。

圖6 太陽能路燈控製係統硬件框架

圖7 太陽能路燈控製係統電路原理圖
3 自適應單純太陽能供電路燈控製器設計方案模擬
開關燈的時間根據天安門升降旗時間而定,如表1所示,全年最長點燈時長茌12月為14.52小時,最短為9.13小時。照明時間分為3個時段,第一個時段從當天天安門降旗時刻開始,為5個小時,第二個時段到早上5點,第三個時段從5點到滅安門升旗時刻,燈光亮度各時段權重比為5:2:3,如果以100 W光源為設計標準,則光源功耗最大為1.068 5 kW-h。
表1 照明策略基準參數

圖8顯示根據表1中的數據得m的各月太陽能電池板麵積排列柱形罔,從而可以選定電池板的麵積為柱形途中的拐點處2月的畫積值,太陽電池板麵積為2.2 IT12.蓄電池為115 Ah.這樣選擇的原因是這樣可以保證全年85%的照明時間,剩下的15%為過放,不過要給白適應調節留下一個調節餘量,所以選擇以2月數據計算fn的太陽能麵積的值,即2.216 2 m2,過放的情況為3個月,過放比率為25%,從而有100/e的調節空間。

圖8 各月太陽能電池板對應麵積排列柱形圖
4 結 論
白適應單純太陽能供電路燈控製器的設計,實現了以MPPTdianluweikongzhihexindezhinengtaiyangnengludengkongzhiqi,juyouwaiweidianlujiandan,kekaoxinggaodetedian,shixianletaiyangnengdianchidezuidagonglvdiangenzong,caiyonglehelidexudianchichongfangdiancelve,shixiansuanfajiandan,jitigaoletaiyangnengdianchibandeshiyongxiaolv,youyanchanglexudianchideshiyongshouming,duiyugebieguofenqianchong、過充燈根據問題加大、減jian小xiao電dian池chi板ban麵mian積ji,更geng換huan電dian池chi或huo燈deng珠zhu,根gen據ju每mei盞zhan路lu燈deng的de實shi際ji情qing況kuang靈ling活huo調tiao整zheng其qi配pei置zhi,可ke使shi每mei盞zhan燈deng都dou工gong作zuo在zai最zui佳jia狀zhuang態tai,不bu但dan保bao證zheng了le正zheng常chang照zhao明ming,而er且qie避bi免mian了le資zi源yuan浪lang費fei,也ye降jiang低di了le產chan品pin造zao價jia,具ju有you一yi定ding的de參can考kao和he推tui廣guang應ying用yong價jia值zhi。
特別推薦
- 噪聲中提取真值!瑞盟科技推出MSA2240電流檢測芯片賦能多元高端測量場景
- 10MHz高頻運行!氮矽科技發布集成驅動GaN芯片,助力電源能效再攀新高
- 失真度僅0.002%!力芯微推出超低內阻、超低失真4PST模擬開關
- 一“芯”雙電!聖邦微電子發布雙輸出電源芯片,簡化AFE與音頻設計
- 一機適配萬端:金升陽推出1200W可編程電源,賦能高端裝備製造
技術文章更多>>
- 從機械執行到智能互動:移遠Q-Robotbox助力具身智能加速落地
- 品英Pickering將亮相2026航空電子國際論壇,展示航電與電池測試前沿方案
- 模擬芯片設計師的噩夢:晶體管差1毫伏就廢了,溫度升1度特性全飄
- 3A大電流僅需3x1.6mm?意法半導體DCP3603重新定義電源設計
- 芯科科技Tech Talks與藍牙亞洲大會聯動,線上線下賦能物聯網創新
技術白皮書下載更多>>
- 車規與基於V2X的車輛協同主動避撞技術展望
- 數字隔離助力新能源汽車安全隔離的新挑戰
- 汽車模塊拋負載的解決方案
- 車用連接器的安全創新應用
- Melexis Actuators Business Unit
- Position / Current Sensors - Triaxis Hall
熱門搜索
按鈕開關
白色家電
保護器件
保險絲管
北鬥定位
北高智
貝能科技
背板連接器
背光器件
編碼器型號
便攜產品
便攜醫療
變容二極管
變壓器
檳城電子
並網
撥動開關
玻璃釉電容
剝線機
薄膜電容
薄膜電阻
薄膜開關
捕魚器
步進電機
測力傳感器
測試測量
測試設備
拆解
場效應管
超霸科技



